Drücken Sie nicht die Zurück-Taste.…
-
Motorteile
-
- Teile für Motorüberholung Zwischenwelle (IMS) Teile des Ölsystems Teile des Kraftstoffsystems Dichtungen und Sätze Radialdichtung / RMS / Nockenwelle / Ausgleichswelle Riemen/Spanner/Rollen Ketten und Spanner Steuergehäusedeckel und Dichtungen Motorlager/-schalen Motorventile/Führungen/Federn Motorbolzen Motoraufhängungen Kolbenringe Motorzylinder/Laufbuchsen/Kolben Pleuelstange Zylinderkopf Nockenwelle und Teile Nockenwellenräder / Kettenräder und Befestigungen Kurbelgehäuseteile Kurbelwelle und Teile Lufteinlass und Einspritzung Vakuumpumpe Alle Kategorien
-
Bremsen
-
- Bremsen Bremsbeläge und Scheibenpaket Bremsscheibe Standard Bremsbeläge Standard SPORTS Bremsscheibe Brembo Standardbremsen Brembo Rennsportbremsen TEXTAR Bremsen PAGID Rennsportbremsen Zimmermann Bremsen Hochleistungs-Reibungsbremsen Giro Bremsscheibe gerillt SHW Performance Brakes EBC Bremsen O-Brake Bremsscheiben Surface Transforms Keramikbremsen Rotinger Graphite Line Ersatz für Keramikscheibe Verschleißsensoren für Bremsbeläge Schwingungsdämpfende Platten für Bremsbeläge Bremssattel-/Scheibenschrauben Schraubensatz und Führungsplatten Hochleistungs-Bremsschläuche Alle Kategorien
-
-
Aufhängung & Lenkung
-
Übertragung
-
- Getriebekasten/Getriebe Kupplungssätze Hochleistungs-Kupplungssätze Kupplungsreibscheibe Kupplungsdruckplatte Kupplungsausrücklager Kupplungsführungshülse Kupplungszahnkranz Kupplungsausrückgabeln und -hebel Kupplungsschrauben Getriebeteile Antriebswellen und Teile Getriebedichtungssätze Getriebelager Teile der Getriebesteuerung Schwungrad/Drehmoment Gleichlaufgelenkkits Gleichlaufgelenkmanschetten und -kits Kardanwelle/Gelenkwelle Getriebeöl Getriebewanne/Ölwanne Differential Ölkühler Alle Kategorien
-
-
Kühlen & Heizen
-
- Heizung/Klimaanlage Kondensatoren und Exsikkatoren für Klimaanlagen Klimaanlagenverdampfer und Expansionsventile Leitungen der Klimaanlage Riemen der Klimaanlage Lüfter und Verkleidung Relais/Sensoren/Widerstände Kompressoren Gebläsemotoren und Lüfter Heizungsgebläse Heizungsschläuche und -leitungen Wärmetauscher Lüftungsschlitze/Gitter Temperatursensoren/-schalter Heizungs-/Klimaanlagengehäuse
-
-
Elektrik und Beleuchtung
-
- Elektrische Komponenten und Relais Kraftstoffpumpen Brems- und Kupplungsschalter Warnblinkschalter Handbremsschalter Rückfahrlichtschalter Scheinwerferschalter Fensterschalter Fenstermotoren Fenstermechanismus Scheibenwischermotor Elektrische Hupe SmartTop Steuergeräte Zündschalter Blinker-/Wischerhebelschalter Schalter für Dach/Schiebedach Relais/Sicherungen Waschanlagenpumpen/Flaschen/Düsen Warnsignale/Sicherheit/Zentralverriegelung Steuergeräte Dashboard-/Konsolenteile und Schalter Außenspiegelschalter Telefonkits/Bluetooth/iPod Alle Kategorien
-
- Beleuchtung Scheinwerfer für Rechtslenker Scheinwerfer für Linkslenker Scheinwerferteile und Linsen Hochdruckentladungslampen-Kits Blinker vorn Blinker hinten für Rechtslenker Blinker hinten für Linkslenker Nebel-/Fahrscheinwerfer Seitliche Blinker Nummernschildbeleuchtung Innenraum-/Raumleuchten Alle Kategorien
-
-
Karosserie & Auspuff
-
- Fahrgestell/Karosserie Restaurierung Fahrgestell/Reparaturpanels Frontdeckeldämpfer Heckklappendämpfer Motorhauben/Schlösser und Riegel Kofferräume/Heckklappe/Schlösser und Riegel Heckklappe/Heckklappe Stoßfänger vorn Stoßfänger hinten Türen/Schlösser und Riegel Türverkleidungen | Scharniere | Schließbleche Fensterheber Kotflügel vorn und Teile Kotflügel hinten & Teile Seitenschwellerverkleidungen Äußere Fahrgestellleisten Spiegel und Teile Steinschlagfolien/Aufkleber Unterböden Fahrgestell und Motor Wischerblätter/-arme Heckscheibenwischerarme und -blätter Radlaufverkleidungen und -abdeckungen Dach - Cabrio/Targa/Coupé Alle Kategorien
-
- Auspuffanlagen Sportschalldämpfer / Schalldämpfer Umschaltbare Schalldämpfer/Schalldämpfer Dämmelemente/Schalldämpfer Katalysator/Bypass Abgaskrümmer/Fächerkrümmer Auspuffendrohre Wärmetauscher Auspuffsystem Auspuffdichtungen Auspuffmuttern/-schrauben/-bolzen Halterungen/Klemmen/Riemen Alle Kategorien
-
-
Schmiermittel und Flüssigkeiten
-
- Ersatzteile Ölfilter Luftfilter Pollen-/Partikelfilter Kraftstofffilter Riemen aller Art Zündkerzen Zündspulen Wischerblätter/-arme Heckscheibenwischerarme und -blätter Ersatzteile für Getriebe Motoröl und Schmierstoffe – Mobil Motoröl und Schmiermittel – Total Motoröl und Schmiermittel – Castrol Motoröl und Schmiermittel – Motul Motoröl und Schmiermittel – Millers Oils NanoDrive Motoröl und Schmiermittel – Millers Oils Kraftstoffzusätze Kühlmittel/Frostschutz Öl für Servolenkung PSA für Autowerkstätten
-
-
Alle Teile
-
- Teile Zubehör Fahrgestell/Karosserie Bremsen Bekleidung und Geschenkartikel Elektrische Komponenten und Relais Motorkühlung Elektrische Motorkomponenten Teile für Motorüberholung Leistungsteile Auspuffanlagen Außengestaltung/Spoiler Getriebekasten/Getriebe Heizung/Klimaanlage Hydraulikkomponenten Innenausstattung und Zubehör In-Car-Entertainment/Multimedia Beleuchtung Matten und Teppiche Motorsport und Offroad Pedalerie Gummidichtungen Sitze und Sicherheitsgurte Alle Kategorien
-
- Back to main website
Geben Sie hier Ihre MwSt.-Nummer ein und klicken Sie auf Überprüfen:
Sie brauchen den Ländercode Ihrer MwSt.-Nummer nicht einzugeben, da dieser bereits oben in Ihrer Rechnungsadresse ausgewählt wurde.
Ihre Angaben wurden überprüft. MwSt.-Nummer registriert auf:
,
.
Ihre Bestellung ist nun mehrwertsteuerfrei. Wir behalten uns das Recht vor, diese Angaben nach Ihrer Bestellung zu überprüfen und gegebenenfalls die Mehrwertsteuer wieder einzuführen.
Ihre MwSt.-Angaben wurden nicht erkannt oder waren ungültig. Ihre MwSt.-Nummer muss mit Ihrem Rechnungsland übereinstimmen, wie oben angegeben. Dies ist derzeit als angegeben. Sie brauchen den Ländercode Ihrer MwSt.-Nummer nicht einzugeben, da Sie diesen bereits in den Angaben zu Ihrer Rechnungsadresse oben ausgewählt haben.
Der Dienst zur Überprüfung von MwSt.-Nummern ist derzeit offline. Bitte geben Sie Ihre MwSt.-Daten im Feld „Kommentare“ oder „Besondere Hinweise“ unten an, und wir werden nach Ihrer Bestellung einen MwSt.-Rabatt gewähren.
Verstärkung der Bremsleitungshalterung. Porsche 987 Boxster / 987 Cayman / 997 ❭ 99735575300
- Porsche Boxster 987 2.7L 2005 -08/08
- Porsche Boxster 987 S 3.2/3.4L 2005-08/08
- Porsche Boxster 987 MKII 2.9L 2009-2012
- Porsche Boxster S 987 MKII 3.4L 2009-2012
- Porsche 997 MK1 Carrera 2 3.6L 2005-08
- Porsche 997 MK1 Carrera 2S 3.8L 2005-08
- Porsche 997 MK1 Carrera 4 3.6L 2005-08
- Porsche 997 MK1 Carrera 4S 3.8L 2005-08
- Porsche 997 MK1 TURBO 2007-09
- Porsche 997 MK1 GT3 2007-09
- Porsche 997 MK1 GT2 2007-09
- Porsche 997 MKII Carrera C2 3.6L 2009-12
- Porsche 997 MKII Carrera C4 3.6L 2009-12
- Porsche 997 MKII Carrera C2S 3.8L 2009-12
- Porsche 997 MKII Carrera C4S 3.8L 2009-12
- Porsche 997 MKII GT3 2010-11
- Porsche 997 MKII Turbo 2010-13
- Porsche 997 MKII GT2 RS 2011-13
- Porsche Cayman 2.7L 987C 2006-08
- Porsche Cayman S 3.4L 987C 2005-08
- Porsche Cayman 2.9L 987C MKII 2009-12
- Porsche Cayman S / R 3.4L 987C MKII 2009-12
Porsche 987 Boxster / Boxster S MKI 2005-08
Porsche 987 Boxster MKII 2009-12
Porsche 987C Cayman / Cayman S MKI 2005-08
Porsche 987C Cayman MKII 2009-12
Porsche 997.1 Carrera 2005-08
Porsche 997.2 Carrera 2009-12
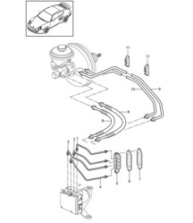
Klicken Sie auf „Vergrößern“, um ein großes Teilediagramm anzuzeigen.
Diagramm Nr. 7
Zugehörige Referenznummern
Verwandte, ersetzte, Querverweisoder Alternativnummern zum Vergleich.
99735575300
Das von Ihnen angezeigte Produkt verweist auf diese Nummern
- Porsche Boxster S 986 3.2L 1999-02
- Porsche Boxster S 986 3.2L 2003-04
- Porsche Boxster 987 S 3.2/3.4L 2005-08/08
- Porsche Boxster S 987 MKII 3.4L 2009-2012
- Porsche 996 C2 3.4L 1997-08/01
- Porsche 996 C4 3.4L 1997-08/01
- Porsche 996 C2 3.6L 09/01-2005
- Porsche 996 C4 3.6L 09/01-2005
- Porsche 996 C4S 3.6L 09/01-2005
- Porsche 996 TURBO 2000-05
- Porsche 996 GT3 MKI 1999-02
- Porsche 997 MK1 Carrera 2 3.6L 2005-08
- Porsche 997 MK1 Carrera 2S 3.8L 2005-08
- Porsche 997 MK1 Carrera 4S 3.8L 2005-08
- Porsche 997 MK1 GT3 2007-09
- Porsche 997 MKII Carrera C2S 3.8L 2009-12
- Porsche 997 MKII Carrera C4S 3.8L 2009-12
- Porsche Cayman S 3.4L 987C 2005-08
- Porsche Cayman S / R 3.4L 987C MKII 2009-12

#Vorderseite#
Porsche 986 Boxster S 3.2L 1997-04 VORNE
Porsche 987 Boxster S 3.2L / 3.4L 2005-08 VORNE
Porsche 987C Cayman / Cayman S 2005-08 VORNE
Porsche 996 C2 / C4 1998-05 VORNE

Porsche 996 C4S HINTEN
Porsche 996 Turbo HINTEN
Porsche 997 C2S HINTEN
Porsche 997 C4 HINTEN
Porsche 997.2 C2S HINTEN
Porsche 997.2 C4S HINTEN
Porsche 996 GT3 MK1 HINTEN
Porsche 997 GT3 MK1 HINTEN
Klicken Sie auf „Vergrößern“, um ein Diagramm mit großen Teilen anzuzeigen.
Diagramm Nr. 12
Zugehörige Referenznummern
Verwandte, ersetzte, Querverweisoder Alternativnummern zum Vergleich.
99635196
Das von Ihnen angezeigte Produkt verweist auf diese Nummern
- Porsche 996 C4S 3.6L 09/01-2005
- Porsche 996 TURBO 2000-05
- Porsche 996 GT2 2001-05
- Porsche 996 GT3 MKII 2003>>
- Porsche 997 MK1 Carrera 2 3.6L 2005-08
- Porsche 997 MK1 Carrera 2S 3.8L 2005-08
- Porsche 997 MK1 Carrera 4 3.6L 2005-08
- Porsche 997 MK1 Carrera 4S 3.8L 2005-08
- Porsche 997 MK1 TURBO 2007-09
- Porsche 997 MK1 GT3 2007-09
- Porsche 997 MKII Turbo 2010-13
- Porsche 997 MKII GT2 RS 2011-13

#Rückseite#
Porsche 997 Turbo MKI & MKII 2007-13
Porsche 997 GT3 2007-11
Auch:
Für Fahrzeuge mit (M450 / I450) Keramikbremse PCCB
Porsche 996 C4S 2003-05
Porsche 996 Turbo 2001-05
Porsche 996 GT3 2004>>
Porsche 997 Carrera MKI & MKII 2005-12
Klicken Sie auf „Vergrößern“, um ein großes Teilediagramm anzuzeigen.
Diagramm Nr. 5 (LINKS) und 6 (RECHTS)
Zugehörige Referenznummern
Verwandte, ersetzte, Querverweisoder Alternativnummern zum Vergleich.
99635558
Das von Ihnen angezeigte Produkt verweist auf diese Nummern
Hydra tec Schmiermittel für Wartungsarbeiten und Schutz Textar
Erhältlich in 75-ml-Tube oder 5-ml-Beutel
Die Vorteile von Hydra Tec:
- Erleichtert die Montage hydraulischer Bremskomponenten
- Geprüfte Kompatibilität mit handelsüblichen Bremsflüssigkeiten (DOT3, DOT4, DOT4LV, DOT5.1)
- Frei von Mineralölen und kompatibel mit EPDM-Kautschuk
- Zusätzlich werden Laufflächen vor Korrosion geschützt
Hydra Tec eignet sich zum Schmieren von:
- Zylinderlaufflächen
- Kolben
- Dichtelemente
Anwendung:
Tragen Sie eine dünne Schicht Hydra Tec auf die markierten Bereiche auf.
Notiz:
Hydra Tec sollte dünn und gleichmäßig aufgetragen werden.
Verwenden Sie niemals Mineralöle oder -fette als Ersatz.
Tragen Sie das Produkt nicht auf die Reibflächen von Bremsbelägen oder Bremsscheiben auf.
Informieren Sie sich hier über die Textar Produktverifizierung
Montag-Freitag: 8.30 - 17.30 Uhr (GMT) Samstag: Geschlossen Sonntag: Geschlossen