Drücken Sie nicht die Zurück-Taste.…
-
Motorteile
-
- Elektrische Motorkomponenten Akkus und Ladegeräte Zündspule Drehzahl-/Referenz-/Klopfsensoren Kabelbaum/Kabel
-
- Teile für Motorüberholung Teile des Ölsystems Teile des Kraftstoffsystems Dichtungen und Sätze Radialdichtung / RMS / Nockenwelle / Ausgleichswelle Riemen/Spanner/Rollen Ketten und Spanner Motorlager/-schalen Motorventile/Führungen/Federn Kipphebel Motorbolzen Motoraufhängungen Motorzylinder/Laufbuchsen/Kolben Pleuelstange Zylinderkopf Nockenwellenräder / Kettenräder und Befestigungen Kurbelgehäuseteile Kurbelwelle und Teile Turbolader/Ladeluftkühler und Teile Spezialwerkzeuge
-
Bremsen
-
- Bremsen Bremsbeläge und Scheibenpaket Bremsscheibe Standard Bremsbeläge Standard SPORTS Bremsscheibe Brembo Standardbremsen Brembo Rennsportbremsen TEXTAR Bremsen PAGID Rennsportbremsen Mantey Racing Bremsbeläge Zimmermann Bremsen Giro Bremsscheibe gerillt SHW Performance Brakes EBC Bremsen Ersatz für Keramikscheibe Verschleißsensoren für Bremsbeläge Schwingungsdämpfende Platten für Bremsbeläge Bremssattel-/Scheibenschrauben Schraubensatz und Führungsplatten Hochleistungs-Bremsschläuche Standard-Bremsschläuche Bremssattel- und Bremsleitungen Bremssättel Alle Kategorien
-
-
Aufhängung & Lenkung
-
- Lenkungsteile Lenkmanschette Spurstangen
-
-
Übertragung
-
- Getriebekasten/Getriebe Kupplungssätze Hochleistungs-Kupplungssätze Kupplungsausrücklager Getriebeteile Antriebswellen und Teile Getriebedichtungssätze Getriebelager Teile der Getriebesteuerung Schwungrad/Drehmoment Gleichlaufgelenkkits Gleichlaufgelenkmanschetten und -kits Kardanwelle/Gelenkwelle Getriebeteile Getriebeöl Getriebewanne/Ölwanne Vorderes Differential Differential Ölkühler
-
- Kühlen & Heizen
-
Elektrik und Beleuchtung
-
- Elektrische Komponenten und Relais Handbremsschalter Fenstermechanismus Elektrische Hupe SmartTop Steuergeräte Waschanlagenpumpen/Flaschen/Düsen Warnsignale/Sicherheit/Zentralverriegelung Steuergeräte Dashboard-/Konsolenteile und Schalter Außenspiegelschalter Airbags und Teile Tracker Steckergehäuse Kabelbaum
-
- Beleuchtung Scheinwerfer für Rechtslenker Scheinwerfer für Linkslenker Scheinwerferteile und Linsen Blinker vorn Blinker hinten für Rechtslenker Blinker hinten für Linkslenker Nebel-/Fahrscheinwerfer Seitliche Blinker Drittes Bremslicht Nummernschildbeleuchtung Bremsleuchte/Reflektoren hinten Alle Kategorien
-
-
Karosserie & Auspuff
-
- Fahrgestell/Karosserie Restaurierung Fahrgestell/Reparaturpanels Frontdeckeldämpfer Heckklappendämpfer Motorhauben/Schlösser und Riegel Kofferräume/Heckklappe/Schlösser und Riegel Stoßfänger vorn Stoßfänger hinten Türen/Schlösser und Riegel Türverkleidungen | Scharniere | Schließbleche Fensterheber Kotflügel vorn und Teile Seitenschwellerverkleidungen Spiegel und Teile Steinschlagfolien/Aufkleber Unterböden Fahrgestell und Motor Wischerblätter/-arme Radlaufverkleidungen und -abdeckungen Dach - Cabrio/Targa/Coupé Kunststoffabdeckungen Schallschutz Motorabdeckungen Frontscheibe Alle Kategorien
-
- Auspuffanlagen Sportschalldämpfer / Schalldämpfer Umschaltbare Schalldämpfer/Schalldämpfer Dämmelemente/Schalldämpfer Katalysator/Bypass Abgaskrümmer/Fächerkrümmer Auspuffendrohre Wärmetauscher Auspuffsystem Auspuffdichtungen Auspuffmuttern/-schrauben/-bolzen Halterungen/Klemmen/Riemen Alle Kategorien
-
-
Schmiermittel und Flüssigkeiten
-
- Ersatzteile Servicekits OEM-Teile Ölfilter Luftfilter Pollen-/Partikelfilter Riemen aller Art Zündkerzen Zündspulen Wischerblätter/-arme Heckscheibenwischerarme und -blätter Ersatzteile für Getriebe Motoröl und Schmierstoffe – Mobil Motoröl und Schmiermittel – Total Motoröl und Schmiermittel – Castrol Motoröl und Schmiermittel – Motul Motoröl und Schmiermittel – Millers Oils NanoDrive Motoröl und Schmiermittel – Millers Oils Kraftstoffzusätze PSA für Autowerkstätten
-
-
Alle Teile
-
- Teile Zubehör Fahrgestell/Karosserie Bremsen Bekleidung und Geschenkartikel Elektrische Komponenten und Relais Motorkühlung Elektrische Motorkomponenten Teile für Motorüberholung Leistungsteile Auspuffanlagen Außengestaltung/Spoiler Getriebekasten/Getriebe Heizung/Klimaanlage Hydraulikkomponenten Innenausstattung und Zubehör In-Car-Entertainment/Multimedia Beleuchtung Matten und Teppiche Motorsport und Offroad Pedalerie Gummidichtungen Sitze und Sicherheitsgurte Alle Kategorien
-
- Back to main website
Geben Sie hier Ihre MwSt.-Nummer ein und klicken Sie auf Überprüfen:
Sie brauchen den Ländercode Ihrer MwSt.-Nummer nicht einzugeben, da dieser bereits oben in Ihrer Rechnungsadresse ausgewählt wurde.
Ihre Angaben wurden überprüft. MwSt.-Nummer registriert auf:
,
.
Ihre Bestellung ist nun mehrwertsteuerfrei. Wir behalten uns das Recht vor, diese Angaben nach Ihrer Bestellung zu überprüfen und gegebenenfalls die Mehrwertsteuer wieder einzuführen.
Ihre MwSt.-Angaben wurden nicht erkannt oder waren ungültig. Ihre MwSt.-Nummer muss mit Ihrem Rechnungsland übereinstimmen, wie oben angegeben. Dies ist derzeit als angegeben. Sie brauchen den Ländercode Ihrer MwSt.-Nummer nicht einzugeben, da Sie diesen bereits in den Angaben zu Ihrer Rechnungsadresse oben ausgewählt haben.
Der Dienst zur Überprüfung von MwSt.-Nummern ist derzeit offline. Bitte geben Sie Ihre MwSt.-Daten im Feld „Kommentare“ oder „Besondere Hinweise“ unten an, und wir werden nach Ihrer Bestellung einen MwSt.-Rabatt gewähren.
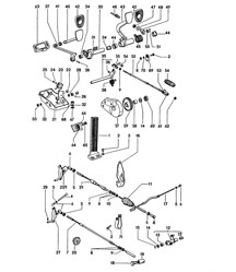
Kupplungspedal-Anschlagpuffer. Porsche 911 70-89 ❭ 90142339100
Passform:
Porsche 911 1970-89
Diagrammreferenz Nr. 33 oder 69
Zugehörige Referenznummern
Verwandte, ersetzte, Querverweisoder Alternativnummern zum Vergleich.
90142339100
Das von Ihnen angezeigte Produkt verweist auf diese Nummern
Montag-Freitag: 8.30 - 17.30 Uhr (GMT) Samstag: Geschlossen Sonntag: Geschlossen