Drücken Sie nicht die Zurück-Taste.…
-
Motorteile
-
- Motorkühlung Wasser-/Kühlmittelschläuche Kühlmittelschläuche und -rohre Wasser-/Kühlmittelkühler Kühlerkühler für Rennanwendungen Wasser-/Kühlmittelpumpen Kühlmittelflaschen/Ausgleichsbehälter Thermostat/Temperatursensor Ölkühler/Wärmetauscher Ölsystem und Leitungen Öltank Teile zur Luftkühlung Alle Kategorien
-
- Teile für Motorüberholung Teile des Ölsystems Teile des Kraftstoffsystems Dichtungen und Sätze Radialdichtung / RMS / Nockenwelle / Ausgleichswelle Riemen/Spanner/Rollen Ketten und Spanner Motorlager/-schalen Motorventile/Führungen/Federn Motorbolzen Motoraufhängungen Kolbenringe Motorzylinder/Laufbuchsen/Kolben Pleuelstange Zylinderkopf Nockenwelle und Teile Nockenwellenräder / Kettenräder und Befestigungen Kurbelgehäuseteile Kurbelwelle und Teile Turbolader/Ladeluftkühler und Teile Lufteinlass und Einspritzung Zylinderlaufbuchse Spezialwerkzeuge
-
-
Bremsen
-
- Bremsen Bremsbeläge und Scheibenpaket Bremsscheibe Standard Bremsbeläge Standard SPORTS Bremsscheibe Brembo Standardbremsen Brembo Rennsportbremsen TEXTAR Bremsen PAGID Rennsportbremsen Zimmermann Bremsen Hochleistungs-Reibungsbremsen EBC Bremsen Black Diamond Hochleistungs-Bremsen Verschleißsensoren für Bremsbeläge Schwingungsdämpfende Platten für Bremsbeläge Bremssattel-/Scheibenschrauben Schraubensatz und Führungsplatten Hochleistungs-Bremsschläuche Standard-Bremsschläuche Bremssattel- und Bremsleitungen Bremssättel Bremssattel-Aufrüstsatz Handbremsschuhe Alle Kategorien
-
-
Aufhängung & Lenkung
-
Übertragung
-
- Getriebekasten/Getriebe Kupplungssätze Hochleistungs-Kupplungssätze Kupplungsreibscheibe Kupplungsdruckplatte Kupplungsausrücklager Kupplungszug und Teile Kupplungsführungshülse Kupplungsausrückgabeln und -hebel Kupplungsschrauben Getriebeteile Antriebswellen und Teile Getriebedichtungssätze Getriebelager Teile der Getriebesteuerung Schwungrad/Drehmoment Gleichlaufgelenkkits Gleichlaufgelenkmanschetten und -kits Kardanwelle/Gelenkwelle Getriebeteile Getriebeöl Getriebewanne/Ölwanne Differential Alle Kategorien
-
-
Kühlen & Heizen
-
- Heizung/Klimaanlage Kondensatoren und Exsikkatoren für Klimaanlagen Klimaanlagenverdampfer und Expansionsventile Leitungen der Klimaanlage Riemen der Klimaanlage Kompressoren Heizungsklappen Gebläsemotoren und Lüfter Heizungsgebläse Heizungsschläuche und -leitungen Klimatisierung Temperatursensoren/-schalter
-
-
Elektrik und Beleuchtung
-
- Elektrische Komponenten und Relais Kraftstoffpumpen Bremslichtschalter Rückfahrlichtschalter Scheinwerferschalter Fensterschalter Fenstermotoren Fenstermechanismus Scheibenwischermotor Wischermechanismus Elektrische Hupe SmartTop Steuergeräte Zündschalter Sitzschalter Schalter für Dach/Schiebedach Relais/Sicherungen Waschanlagenpumpen/Flaschen/Düsen Warnsignale/Sicherheit/Zentralverriegelung Steuergeräte Wischerschalter Dashboard-/Konsolenteile und Schalter Außenspiegelschalter Aktivatoren & Motoren für Motorhaube/Heckklappe/Spoiler Alle Kategorien
-
- Beleuchtung Scheinwerfer für Rechtslenker Scheinwerfer für Linkslenker Scheinwerferteile und Linsen Hochdruckentladungslampen-Kits Blinker vorn Blinker hinten für Rechtslenker Blinker hinten für Linkslenker Nebel-/Fahrscheinwerfer Seitliche Blinker Nummernschildbeleuchtung Innenraum-/Raumleuchten Alle Kategorien
-
-
Karosserie & Auspuff
-
- Fahrgestell/Karosserie Restaurierung Fahrgestell/Reparaturpanels Frontdeckeldämpfer Heckklappendämpfer Motorhauben/Schlösser und Riegel Kofferräume/Heckklappe/Schlösser und Riegel Stoßfänger vorn Stoßfänger hinten Türen/Schlösser und Riegel Türverkleidungen | Scharniere | Schließbleche Fensterheber Kotflügel vorn und Teile Kotflügel hinten & Teile Seitenschwellerverkleidungen Äußere Fahrgestellleisten Spiegel und Teile Steinschlagfolien/Aufkleber Unterböden Fahrgestell und Motor Wischerblätter/-arme Heckscheibenwischerarme und -blätter Dach - Cabrio/Targa/Coupé Überrollkäfige Kunststoffabdeckungen Alle Kategorien
-
-
Schmiermittel und Flüssigkeiten
-
- Ersatzteile Servicekits Originalersatzteile Ölfilter Luftfilter Kraftstofffilter Riemen aller Art Zündkerzen IRIDIUM POWER Zündkerzen IRIDIUM RACING Zündkerzen Wischerblätter/-arme Heckscheibenwischerarme und -blätter Ersatzteile für Getriebe Porsche Classic Motoröl Motoröl und Schmierstoffe – Mobil Motoröl und Schmiermittel – Total Motoröl und Schmiermittel – Castrol Motoröl und Schmiermittel – Motul Motoröl und Schmiermittel – Millers Oils NanoDrive Motoröl und Schmiermittel – Millers Oils Kraftstoffzusätze PSA für Autowerkstätten
-
-
Alle Teile
-
- Teile Zubehör Fahrgestell/Karosserie Bremsen Bekleidung und Geschenkartikel Elektrische Komponenten und Relais Motorkühlung Elektrische Motorkomponenten Teile für Motorüberholung Leistungsteile Auspuffanlagen Außengestaltung/Spoiler Getriebekasten/Getriebe Heizung/Klimaanlage Hydraulikkomponenten Innenausstattung und Zubehör In-Car-Entertainment/Multimedia Beleuchtung Matten und Teppiche Motorsport und Offroad Pedalerie Gummidichtungen Sitze und Sicherheitsgurte Alle Kategorien
-
- Back to main website
Geben Sie hier Ihre MwSt.-Nummer ein und klicken Sie auf Überprüfen:
Sie brauchen den Ländercode Ihrer MwSt.-Nummer nicht einzugeben, da dieser bereits oben in Ihrer Rechnungsadresse ausgewählt wurde.
Ihre Angaben wurden überprüft. MwSt.-Nummer registriert auf:
,
.
Ihre Bestellung ist nun mehrwertsteuerfrei. Wir behalten uns das Recht vor, diese Angaben nach Ihrer Bestellung zu überprüfen und gegebenenfalls die Mehrwertsteuer wieder einzuführen.
Ihre MwSt.-Angaben wurden nicht erkannt oder waren ungültig. Ihre MwSt.-Nummer muss mit Ihrem Rechnungsland übereinstimmen, wie oben angegeben. Dies ist derzeit als angegeben. Sie brauchen den Ländercode Ihrer MwSt.-Nummer nicht einzugeben, da Sie diesen bereits in den Angaben zu Ihrer Rechnungsadresse oben ausgewählt haben.
Der Dienst zur Überprüfung von MwSt.-Nummern ist derzeit offline. Bitte geben Sie Ihre MwSt.-Daten im Feld „Kommentare“ oder „Besondere Hinweise“ unten an, und wir werden nach Ihrer Bestellung einen MwSt.-Rabatt gewähren.
Öleinfüllverschluss. Porsche 911 / 924S / 928 / 944 / 968 / 964 ❭ 94410709101
- Porsche 911 1974-1977 2.7L / 1976-77 3.0 Carrera
- Porsche 911 1978-1983 3.0L / SC
- Porsche 911 1984-1986 3.2L
- Porsche 911 1987-1989 3.2L G50
- Porsche 911 1978-1989 3.3L Turbo (930)
- Porsche 964 (911) C2 1989-93
- Porsche 964 (911) C4 1989-93
- Porsche 964 (911) RS 3.6L 1991-93
- Porsche 964 (911) RS 3.8L 1991-93
- Porsche 964 (911) TURBO 3.3L 1991-93
- Porsche 964 (911) TURBO 3.6L 1991-93
- Porsche 924S 2.5L 1986-87
- Porsche 924S 2.5L 1988
- Porsche 944 2.7L 8V 1988-89
- Porsche 944S2 3.0L 16V 1989-91
- Porsche 944 Turbo 2.5L 8V 1985-88
- Porsche 944 Turbo 2.5L 8V 1989-91
- Porsche 944 Turbo S 2.5L 8V 1988
- Porsche 968 3.0L 1992-94
- Porsche 968 Sport 3.0L 1994-95
- Porsche 968 CS 3.0L 1993-95
- Porsche 968 Turbo S 3.0L 1993-94
- Porsche 928S4 5.0L 1987-92
- Porsche 928GT 5.0L 1989-91
- Porsche 928GTS 5.4L 1992-95

Passform:
Porsche 911 SC 1974-83 NUR SPORTMATIC
Porsche 911 Turbo (3,3 l) 09/1977-07/1989
Porsche 964 1989-94
Porsche 968 1992-95
Porsche 924S 1986-88
Porsche 944 2.7L 1989
Porsche 944 S2 3.0L 1989-91
Porsche 944 2.5L Turbo 1986-91
Porsche 944 2.5L Turbo S 1987-88
Porsche 928 S4 / GT / GTS 1987-95
Zugehörige Referenznummern
Verwandte, ersetzte, Querverweisoder Alternativnummern zum Vergleich.
94410709101
Das von Ihnen angezeigte Produkt verweist auf diese Nummern
- Porsche 911 1974-1977 2.7L / 1976-77 3.0 Carrera
- Porsche 911 1978-1983 3.0L / SC
- Porsche 911 1984-1986 3.2L
- Porsche 911 1987-1989 3.2L G50
- Porsche 911 1978-1989 3.3L Turbo (930)
- Porsche 964 (911) C2 1989-93
- Porsche 964 (911) C4 1989-93
- Porsche 964 (911) RS 3.6L 1991-93
- Porsche 964 (911) RS 3.8L 1991-93
- Porsche 964 (911) TURBO 3.3L 1991-93
- Porsche 964 (911) TURBO 3.6L 1991-93
- Porsche 924S 2.5L 1986-87
- Porsche 924S 2.5L 1988
- Porsche 944 2.7L 8V 1988-89
- Porsche 944S2 3.0L 16V 1989-91
- Porsche 944 Turbo 2.5L 8V 1985-88
- Porsche 944 Turbo 2.5L 8V 1989-91
- Porsche 944 Turbo S 2.5L 8V 1988
- Porsche 968 3.0L 1992-94
- Porsche 968 Sport 3.0L 1994-95
- Porsche 968 CS 3.0L 1993-95
- Porsche 968 Turbo S 3.0L 1993-94
- Porsche 928S4 5.0L 1987-92
- Porsche 928GT 5.0L 1989-91
- Porsche 928GTS 5.4L 1992-95

Passt:
Porsche 911 1978-89
Porsche 964 1989-94
Porsche 968 1992-95
Porsche 924S 1986-88
Porsche 944 2.7L 1989
Porsche 944 S2 3.0L 1989-91
Porsche 944 2.5L Turbo 1986-91
Porsche 944 2.5L Turbo S 1987-88
Porsche 928 S4 / GT / GTS 1987-95
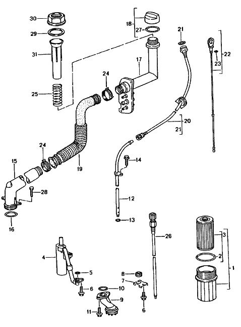
Klicken Sie auf „Vergrößern“, um ein großes Teilediagramm anzuzeigen.
Diagramm Nr. 11
Zugehörige Referenznummern
Verwandte, ersetzte, Querverweisoder Alternativnummern zum Vergleich.
94410709101
Das von Ihnen angezeigte Produkt verweist auf diese Nummern
- Porsche 911 1984-1986 3.2L
- Porsche 911 1987-1989 3.2L G50
- Porsche 911 1978-1989 3.3L Turbo (930)
- Porsche 964 (911) C2 1989-93
- Porsche 964 (911) C4 1989-93
- Porsche 964 (911) RS 3.6L 1991-93
- Porsche 964 (911) RS 3.8L 1991-93
- Porsche 964 (911) TURBO 3.3L 1991-93
- Porsche 964 (911) TURBO 3.6L 1991-93
- Porsche 924S 2.5L 1986-87
- Porsche 924S 2.5L 1988
- Porsche 944 2.7L 8V 1988-89
- Porsche 944S 2.5L 16V 1987-88
- Porsche 944S2 3.0L 16V 1989-91
- Porsche 944 Turbo 2.5L 8V 1985-88
- Porsche 944 Turbo 2.5L 8V 1989-91
- Porsche 944 Turbo S 2.5L 8V 1988
- Porsche 968 3.0L 1992-94
- Porsche 968 Sport 3.0L 1994-95
- Porsche 968 CS 3.0L 1993-95
- Porsche 968 Turbo S 3.0L 1993-94
- Porsche 928S4 5.0L 1987-92
- Porsche 928GT 5.0L 1989-91
- Porsche 928GTS 5.4L 1992-95

Passt:
Porsche 911 1984-89
Porsche 964 1989-94
Porsche 924S 1986-88
Porsche 928 1987-95
Porsche 944 1985-91
Porsche 968 1992-95
Klicken Sie auf „Vergrößern“, um ein großes Teilediagramm anzuzeigen.
Diagramm Nr. 12
Zugehörige Referenznummern
Verwandte, ersetzte, Querverweisoder Alternativnummern zum Vergleich.
99970184640
Das von Ihnen angezeigte Produkt verweist auf diese Nummern
- Porsche 911 1978-1983 3.0L / SC
- Porsche 911 1984-1986 3.2L
- Porsche 911 1987-1989 3.2L G50
- Porsche 911 1978-1989 3.3L Turbo (930)
- Porsche 964 (911) C2 1989-93
- Porsche 964 (911) C4 1989-93
- Porsche 964 (911) RS 3.6L 1991-93
- Porsche 964 (911) RS 3.8L 1991-93
- Porsche 964 (911) TURBO 3.3L 1991-93
- Porsche 964 (911) TURBO 3.6L 1991-93
- Porsche 924S 2.5L 1986-87
- Porsche 924S 2.5L 1988
- Porsche 944 2.5L 8V 1982-87
- Porsche 944 2.7L 8V 1988-89
- Porsche 944S 2.5L 16V 1987-88
- Porsche 944S2 3.0L 16V 1989-91
- Porsche 944 Turbo 2.5L 8V 1985-88
- Porsche 944 Turbo 2.5L 8V 1989-91
- Porsche 944 Turbo S 2.5L 8V 1988
- Porsche 968 3.0L 1992-94
- Porsche 968 Sport 3.0L 1994-95
- Porsche 968 CS 3.0L 1993-95
- Porsche 968 Turbo S 3.0L 1993-94
- Porsche 928S4 5.0L 1987-92
- Porsche 928GT 5.0L 1989-91
- Porsche 928GTS 5.4L 1992-95
Passform:
Porsche 911 - 1978 bis 1989
Porsche 964 - 1989 bis 1994
Porsche 968 - 1992 bis 1995
Porsche 924S - 1986 bis 1988
Porsche 944 2,5 l - 1982 bis 1991
Porsche 944 2,7 l - 1989
Porsche 944 S2 3,0 l – 1989 bis 1991
Porsche 944 2,5 l Turbo 1986-91
Porsche 944 2.5LTurbo S - 1987 bis 1988
Porsche 928 S4 / GT / GTS – 1987 bis 1995
Produktbeschreibung
Ist Ihr über 30 Jahre alter Öldeckel in die Jahre gekommen?
Dieser Öldeckel ist dank seiner eloxierten Oberfläche aus Vollaluminium witterungsbeständig. Das RSR-Styling rundet den Motorraum Ihres Porsche ab.
- Hergestellt aus Flugzeugaluminium
- Eloxiertes Finish in Klar oder Schwarz erhältlich
- O-Ring vorinstalliert und einsatzbereit
Diagrammreferenz Nr. 11
Zugehörige Referenznummern
Verwandte, ersetzte, Querverweisoder Alternativnummern zum Vergleich.
M113
Das von Ihnen angezeigte Produkt verweist auf diese Nummern
Montag-Freitag: 8.30 - 17.30 Uhr (GMT) Samstag: Geschlossen Sonntag: Geschlossen