no presiones el botón para volver…
-
Partes del motor
-
- Refrigeración del motor Mangueras de agua / refrigerante Mangueras y conductos de refrigerante Radiadores de agua / refrigerante Radiadores del refrigerante de pista y carrera Bombas de agua / refrigerante Botellas de refrigerante / Tanques de expansión Termostato / Sensor de temperatura Radiadores de aceite / Intercambiadores de calor Aceite del motor Refrigerante / Anticongelante
-
- Componentes eléctricos del motor Alternador / Generador Baterías y cargadores Relés / Fusibles Bobina de encendido Inyectores Sensor de temperatura Sensores de velocidad / referencia/ picado
-
- Piezas de reconstrucción del motor Piezas del sistema de aceite Piezas del sistema de combustible Juntas y juegos Sello radial/RMS/árbol de levas/eje de equilibrio Correas / Tensores / Rodillos Cadenas y Tensores Cojinetes del motor / revestimientos Válvulas de motor / Guías / Resortes Espárragos del motor Soportes del motor Cilindros del motor / Camisas / Pistones Biela Culata Árbol de levas y piezas Engranajes de árbol de levas/piñones y fijaciones Piezas del cárter Cigüeñal y piezas Turbocompresores / Intercoolers y Piezas Admisión e inyección de aire Bomba de vacío Herramientas especializadas
-
-
Frenos
-
- Frenos Paquete de discos y pastillas de freno Disco de freno estándar Pastillas de freno estándar Disco de freno SPORTS Frenos Brembo estándar Frenos Brembo Racing Frenos TEXTAR Frenos PAGID Racing Frenos Zimmermann Frenos de fricción de alta prestación Disco de freno ranurado Giro Frenos de alto rendimiento SHW Frenos EBC Discos de freno O-Brake Frenos de cerámica que transforman la superficie Línea Rotinger Grafito Repuesto para disco de cerámica Sensores de desgaste de pastillas de freno Laminillas antivibración de pastillas de freno Pernos de la pinza / Tornillos del disco Juego de pasadores y placas guía Mangueras de freno de alta prestación todas las categorias
-
-
Suspensión y dirección
-
- Suspensión y eje Barra antivuelco Casquillos de la barra antivuelco Soporte de la barra antivuelco Estabilizadores y casquillos DELANTEROS Estabilizadores y casquillos TRASEROS Amortiguadores DELANTEROS Recambios Amortiguador DELANTERO Amortiguadores TRASEROS Piezas del amortiguador TRASERO Muelles helicoidales DELANTEROS Muelles helicoidales TRASEROS todas las categorias
-
Transmisión
-
- Caja de cambios / Transmisión Kits de embrague Kits de embrague - Alta prestación Placa de fricción del embrague Placa de presión del embrague Cojinetes de liberación del embrague Pernos del embrague Piezas del cambio Ejes de transmisión y piezas Juegos de juntas del cambio Soportes del cambio Piezas de control del cambio Volante / Par Juegos de juntas homocinéticas Botas y kits homocinéticos Eje cardánico / Eje de transmisión Piezas de la transmisión Aceite del cambio Cárter del cambio / cárter de aceite Diferencial delantero Diferencial Enfriadores de aceite Caja de transferencia y piezas todas las categorias
-
- Refrigeración y calefacción
-
Electricidad e iluminación
-
- Componentes eléctricos y relés Conmutador de advertencia de peligro Conmutador de freno de mano Conmutador de luz de marcha atrás Conmutador de la ventana Mecanismo de la ventana Motor del limpiaparabrisas Claxon eléctrico Unidades de control SmartTop Conmutador de ignición Conmutador del techo / techo solar Relés / Fusibles Bombas / botellas / chorros de lavado Alarmas / Seguridad / Cierre centralizado Centralita electrónica Piezas y conmutadores del salpicadero / consola Conmutador del espejo de la puerta Airbags y piezas Localizador Control de crucero Carcasa del conector Arnés de cableado
-
-
Carrocería y escape
-
- Chasis / Carrocería Chasis de restauración / Paneles de reparación Amortiguador del capó Amortiguador del maletero Capós / Cerraduras y pestillos Capó trasero / Maletero / Cerraduras y pestillos Maletero / Portón trasero Parachoques delantero Parachoques trasero Puertas / Cerraduras y pestillos Paneles de puertas | Bisagras | Placas de delantero Elevalunas Alerones delanteros y piezas Paneles laterales del umbral Molduras exteriores del chasis Espejos y piezas Láminas / adhesivos para virutas de piedra Soporte del chasis y el motor Limpiaparabrisas / Escobillas Brazos y escobillas del limpiaparabrisas trasero Revestimientos y cubiertas del arco de la rueda Techo - Cabrio / Targa / Coupé Cubiertas de plástico todas las categorias
-
- Escapes Silenciadores deportivos Silenciadores / Silenciadores conmutables Silenciadores / Amortiguadores de sonido Catalizador / Bypass Colector / Cabezales Tubos de escape Intercambiadores de calor Paquete de escape Juntas de escape Tuercas / pernos / espárragos de escape Soportes / Abrazaderas / Correas todas las categorias
-
-
Lubricantes y fluidos
-
- Piezas de repuesto Kits de repuesto originales Filtros de aceite Filtros de aire Filtros de polen / partículas Correas de todo tipo Bujías Bobinas de ignición Limpiaparabrisas / Escobillas Brazos y escobillas del limpiaparabrisas trasero Piezas de repuesto del cambio Aceite del motor y lubricantes - Mobil Aceite del motor y lubricantes - Total Aceite del motor y lubricantes - Castrol Aceite del motor y lubricantes - Motul Aceite del motor y lubricantes - Millers Oils NanoDrive Aceite del motor y lubricantes - Millers Oils Aditivos del combustible Refrigerante / Anticongelante EPI de garaje
-
-
Todas las partes
-
- Piezas Accesorios Chasis / Carrocería Frenos Ropa y regalos Componentes eléctricos y relés Refrigeración del motor Componentes eléctricos del motor Piezas de reconstrucción del motor Piezas de alta prestación Escapes Diseño exterior / alerones Caja de cambios / Transmisión Calefacción / Aire acondicionado Componentes hidráulicos Interior y Accesorios Elementos instalados / Multimedia Iluminación Tapetes y alfombras Deportes de motor y todoterreno Juego de pedales Sellos de goma Asientos y cinturones de seguridad todas las categorias
-
- Back to main website
Introduzca aquí su número de identificación fiscal (NIF o VAT number) y haga clic en Verificar:
No necesita incluir el código de país de su NIF, dado que ya lo ha indicado antes en su dirección de facturación.
Se han verificado sus datos. NIF registrado a nombre de:
###NUEVO MÉJICO###,
.
Su pedido cuenta ahora con una tasa cero a efectos de IVA. Nos reservamos el derecho a verificar estos datos después de que haya solicitado su pedido y a restablecer el IVA si fuese necesario.
Sus datos de identificación fiscal no han sido reconocidos o no son válidos. Su NIF debe coincidir con el país de facturación que especificó anteriormente. Actualmente se ha especificado como . No necesita incluir el código de país de su NIF, do que ya lo ha indicado antes en los datos de su dirección de facturación.
El servicio de verificación de NIF no está disponible en este momento. Le rogamos que indique sus datos del NIF en los comentarios e en el cuadro de instrucciones especiales que encontrará abajo y le aplicaremos un descuento en el IVA tras realizar su solicitud de pedido.
Perno de cabeza hexagonal para sensor de posición del cigüeñal - M6x12. Porsche 955/957/958 Cayenne S/GTS/Turbo (solo modelos V8) ❭ N01470111
- Porsche 955 Cayenne S 4.5L V8 2003-06
- Porsche 955 Cayenne Turbo 4.5L 2003-06
- Porsche 955 Cayenne Turbo S 4.5L 2006>>
- Porsche 957 Cayenne S/GTS 4.8L 2007-10
- Porsche 957 Cayenne Turbo / Turbo S 4.8L 2007-10
- Porsche 958 Cayenne S V8 4.8L Petrol 400HP 2010-17
- Porsche 958 Cayenne GTS V8 4.8L Petrol 400HP 2010-17
- Porsche 958 Cayenne Turbo V8 4.8L Petrol 500HP 2010-17
- Porsche 958 Cayenne Turbo S V8 4.8L Petrol 550HP 2010-17
Se adapta a:
Porsche 955 Cayenne S 4.5L 2003-06
Porsche 955 Cayenne Turbo / Turbo S 4.5L 2003-06
Porsche 957 Cayenne S 4.8L 2007-10
Porsche 957 Cayenne GTS 4.8L 2007-10
Porsche 957 Cayenne Turbo / Turbo S 4.8L 2007-10
Porsche 958.1 Cayenne S 4.8L 2011-14
Porsche 958.1 Cayenne GTS 4.8L 2011-14
Porsche 958.1 Cayenne Turbo / Turbo S 4.8L 2011-14
Porsche 958.2 Cayenne Turbo / Turbo S 4.8L 2015-18
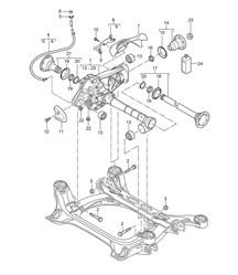
Diagrama ref. 14.
Números de referencia relacionados
Números relacionados, reemplazados, de referencia cruzada o alternativos para comparación.
N01470111
El producto que está viendo hace referencia cruzada a estos números
- Porsche Boxster 987 MKII 2.9L 2009-2012
- Porsche Boxster S 987 MKII 3.4L 2009-2012
- Porsche Boxster 981 2.7L 2012-16
- Porsche Boxster 981 S / GTS 3.4L 2012-16
- Porsche Boxster 718 2.0L PDK (300 Bhp)
- Porsche Boxster S 718 2.5L PDK (350 Bhp)
- Porsche Boxster T 718 2.0L PDK (300 Bhp)
- Porsche Boxster GTS 718 2.5L PDK (365 Bhp)
- Porsche Boxster GTS 718 4.0L PDK (400 Bhp)
- Porsche Boxster Spyder 718 4.0L (420 Bhp)
- Porsche Boxster 25 Years 718 4.0L PDK (400 Bhp)
- Porsche 997 MKII Carrera C2 3.6L 2009-12
- Porsche 997 MKII Carrera C4 3.6L 2009-12
- Porsche 997 MKII Carrera C2S 3.8L 2009-12
- Porsche 997 MKII Carrera C4S 3.8L 2009-12
- Porsche 997 MKII Turbo 2010-13
- Porsche 997 MKII GT2 RS 2011-13
- Porsche 991.1 Carrera C2 3.4L (350Bhp) 2012-16
- Porsche 991.1 Carrera C2S 3.8L (400Bhp) 2012-16
- Porsche 991.1 Carrera C4 3.4L (350Bhp) 2012-16
- Porsche 991.1 Carrera C4S 3.8L (400Bhp) 2012-16
- Porsche 991.1 Turbo 3.8L (520bhp) 2014-16
- Porsche 991.1 Turbo S 3.8L (560Bhp) 2014-16
- Porsche 991.1 R 4.0L (500 Bhp) 2016
- Porsche 991.1 GT3 3.8L (475Bhp) 2014-16
- Porsche 991.1 GT3 RS 4.0L (500Bhp) 2015-16
- Porsche 991.2 Carrera 2 3.0L (370 Bhp) 2016-19
- Porsche 991.2 Carrera 2S 3.0L (420 Bhp) 2016-19
- Porsche 991.2 Carrera 4 3.0L (370 Bhp) 2016-19
- Porsche 991.2 Carrera 4S 3.0L (420 Bhp) 2016-19
- Porsche 991.2 Cabriolet 2 3.0L (370 Bhp) 2016-19
- Porsche 991.2 Cabriolet 2S 3.0L (420 Bhp) 2016-19
- Porsche 991.2 Cabriolet 4 3.0L (370 Bhp) 2016-19
- Porsche 991.2 Cabriolet 4S 3.0L (420 Bhp) 2016-19
- Porsche 991.2 Targa 4 3.0L (370 Bhp) 2016-19
- Porsche 991.2 Targa 4S 3.0L (420 Bhp) 2016-19
- Porsche 991.2 Turbo Coupe 3.8L (540 Bhp) 2016-19
- Porsche 991.2 Turbo S Coupe 3.8L (580 Bhp) 2016-19
- Porsche 991.2 Turbo Cabriolet 3.8L (540 Bhp) 2016-19
- Porsche 991.2 Turbo S Cabriolet 3.8L (580 Bhp) 2016-19
- Porsche 991.2 Speedster 4.0L (510Bhp) 2019
- Porsche 991.2 GT3 4.0L (500 Bhp) / GT3 RS 4.0L (520 Bhp) 2017-19
- Porsche 991.2 GT2 RS 3.8L PDK (700 bhp) 2018-19
- Porsche 992.1 Carrera 2 3.0L 2019-24
- Porsche 992.1 Carrera 4 3.0L 2019-24
- Porsche 992.1 Carrera 2 Cabriolet 3.0L 2019-24
- Porsche 992.1 Carrera 4 Cabriolet 3.0L 2019-24
- Porsche 992.1 Carrera 2S / GTS 3.0L 2019-24
- Porsche 992.1 Carrera 4S / GTS 3.0L 2019-24
- Porsche 992.1 Carrera 2S / GTS Cabriolet 3.0L 2019-24
- Porsche 992.1 Carrera 4S / GTS Cabriolet 3.0L 2019-24
- Porsche 992.1 Targa 4 3.0L 2020-24
- Porsche 992.1 Targa 4S / GTS 3.0L 2020-24
- Porsche 992.1 Speedster 4.0L 2019-24
- Porsche 992.1 Turbo 3.8L 2020-24
- Porsche 992.1 Turbo S 3.8L 2020-24
- Porsche 992.1 Turbo Cabriolet 3.8L 2020-24
- Porsche 992.1 Turbo S Cabriolet 3.8L 2020-24
- Porsche 992.1 GT3 4.0L / 992 S/T 4.0L 2021-24
- Porsche 992.1 GT3 RS 4.0L 2022-24
- Porsche 992.1 (911) Sport Classic 3.8L 2023
- Porsche 992.1 (911) Dakar 3.0L 2023-24
- Porsche 992.2 Carrera 2 3.0L 2024>>
- Porsche 992.2 Carrera 2 GTS 3.6L 2024>>
- Porsche 992.2 Carrera 4 GTS 3.6L 2024>>
- Porsche 992.2 Carrera 2 3.0L Cabriolet 2024>>
- Porsche 992.2 Carrera 2 GTS 3.6L Cabriolet 2024>>
- Porsche 992.2 Carrera 4 GTS 3.6L Cabriolet 2024>>
- Porsche 992.2 Targa 4 GTS 3.6L 2024>>
- Porsche 992.2 Turbo 3.6L 2024>>
- Porsche Cayman 2.9L 987C MKII 2009-12
- Porsche Cayman S / R 3.4L 987C MKII 2009-12
- Porsche Cayman 2.7L 981 2013-16
- Porsche Cayman S / GTS 3.4L 981 2013-16
- Porsche Cayman 718 2.0L PDK (300Bhp)
- Porsche Cayman S 718 2.5L PDK (350Bhp)
- Porsche Cayman T 718 2.0L PDK (300 Bhp)
- Porsche Cayman GTS 718 2.5L PDK (365 Bhp)
- Porsche Cayman GTS 718 4.0L PDK (400 Bhp)
- Porsche Cayman GT4 718 4.0L / GT4 RS 718 4.0L
- Porsche 918 Spyder 4.6L
Se vende individualmente (se requieren 13 por vehículo)
Se adapta a:
Modelos con transmisión PDK (PR 250)
Porsche 987.2 Boxster / S MKII 2009>>2012
Porsche 987.2 Cayman / S MKII 2009>>2012
Porsche 981 Boxster / S 2012>>2016
Porsche 981 Caimán / S 2014>>2016
Porsche 718 (982) Boxster / S 2017>>
Porsche 718 (982) Boxster Spyder 2019 >>
Porsche 718 (982) Caimán / S 2017>>
Porsche 718 (982) Caimán GT4 2019>>
Porsche 997.2 Carrera MKII 2009>>2012
Porsche 997.2 Turbo MKII 2010>>2013
Porsche 991 Carrera MKI / MKII 2012>>2019
Porsche 991 Turbo / GT2 RS MKI / MKII 2014>>2020
Porsche 991 GT3 / RS MKI / MKII 2014>>2021
Porsche 992.1 Carrera MKI 2019>>2024
Porsche 992.2 Carrera MKII 2024>>
Porsche 992.1 Turbo / S MKI 2020>>
Porsche 992.1 GT3 / RS MKI 2021>>
Porsche 918 Spyder 2015>>
Diagrama Ref No 9
Números de referencia relacionados
Números relacionados, reemplazados, de referencia cruzada o alternativos para comparación.
PAF009388
El producto que está viendo hace referencia cruzada a estos números
- Porsche Boxster 981 2.7L 2012-16
- Porsche Boxster 981 S / GTS 3.4L 2012-16
- Porsche Boxster 981 Spyder 3.8L 2016
- Porsche Boxster 718 2.0L Manual (300 Bhp)
- Porsche Boxster 718 2.0L PDK (300 Bhp)
- Porsche Boxster S 718 2.5L Manual (350 Bhp)
- Porsche Boxster S 718 2.5L PDK (350 Bhp)
- Porsche Boxster T 718 2.0L Manual (300 Bhp)
- Porsche Boxster T 718 2.0L PDK (300 Bhp)
- Porsche Boxster GTS 718 2.5L Manual (365 Bhp)
- Porsche Boxster GTS 718 2.5L PDK (365 Bhp)
- Porsche Boxster GTS 718 4.0L Manual (400 Bhp)
- Porsche Boxster GTS 718 4.0L PDK (400 Bhp)
- Porsche Boxster Spyder 718 4.0L (420 Bhp)
- Porsche Boxster 25 Years 718 4.0L Manual (400 Bhp)
- Porsche Boxster 25 Years 718 4.0L PDK (400 Bhp)
- Porsche 991.1 Carrera C2 3.4L (350Bhp) 2012-16
- Porsche 991.1 Carrera C2S 3.8L (400Bhp) 2012-16
- Porsche 991.1 Carrera C4 3.4L (350Bhp) 2012-16
- Porsche 991.1 Carrera C4S 3.8L (400Bhp) 2012-16
- Porsche 991.1 Turbo 3.8L (520bhp) 2014-16
- Porsche 991.1 Turbo S 3.8L (560Bhp) 2014-16
- Porsche 991.1 R 4.0L (500 Bhp) 2016
- Porsche 991.1 GT3 3.8L (475Bhp) 2014-16
- Porsche 991.1 GT3 RS 4.0L (500Bhp) 2015-16
- Porsche 991.2 Carrera 2 3.0L (370 Bhp) 2016-19
- Porsche 991.2 Carrera 2S 3.0L (420 Bhp) 2016-19
- Porsche 991.2 Carrera 4 3.0L (370 Bhp) 2016-19
- Porsche 991.2 Carrera 4S 3.0L (420 Bhp) 2016-19
- Porsche 991.2 Cabriolet 2 3.0L (370 Bhp) 2016-19
- Porsche 991.2 Cabriolet 2S 3.0L (420 Bhp) 2016-19
- Porsche 991.2 Cabriolet 4 3.0L (370 Bhp) 2016-19
- Porsche 991.2 Cabriolet 4S 3.0L (420 Bhp) 2016-19
- Porsche 991.2 Targa 4 3.0L (370 Bhp) 2016-19
- Porsche 991.2 Targa 4S 3.0L (420 Bhp) 2016-19
- Porsche 991.2 Turbo Coupe 3.8L (540 Bhp) 2016-19
- Porsche 991.2 Turbo S Coupe 3.8L (580 Bhp) 2016-19
- Porsche 991.2 Turbo Cabriolet 3.8L (540 Bhp) 2016-19
- Porsche 991.2 Turbo S Cabriolet 3.8L (580 Bhp) 2016-19
- Porsche 991.2 Speedster 4.0L (510Bhp) 2019
- Porsche 991.2 GT3 4.0L (500 Bhp) / GT3 RS 4.0L (520 Bhp) 2017-19
- Porsche 991.2 GT2 RS 3.8L PDK (700 bhp) 2018-19
- Porsche Cayman 2.7L 981 2013-16
- Porsche Cayman S / GTS 3.4L 981 2013-16
- Porsche Cayman GT4 3.8L 2015-16
- Porsche Cayman 718 2.0L Manual (300Bhp)
- Porsche Cayman 718 2.0L PDK (300Bhp)
- Porsche Cayman S 718 2.5L Manual (350Bhp)
- Porsche Cayman S 718 2.5L PDK (350Bhp)
- Porsche Cayman T 718 2.0L Manual (300Bhp)
- Porsche Cayman T 718 2.0L PDK (300 Bhp)
- Porsche Cayman GTS 718 2.5L Manual (365 Bhp)
- Porsche Cayman GTS 718 2.5L PDK (365 Bhp)
- Porsche Cayman GTS 718 4.0L Manual (400 Bhp)
- Porsche Cayman GTS 718 4.0L PDK (400 Bhp)
- Porsche Cayman GT4 718 4.0L / GT4 RS 718 4.0L
Incluye inserto roscado para perno M6 x 20 (número de pieza 90037817301).

Se adapta a:
Porsche 981 Boxster 2012-16
Porsche 981 Boxster Spyder 2016
Porsche 981 Cayman 2013-16
Porsche 981 Cayman GT4 2016
Porsche 718 (982) Boxster 2017>>
Porsche 718 (982) Boxster Spyder 2019 >>
Porsche 718 (982) Caimán 2017>>
Porsche 718 (982) Cayman GT4 2019 >>
Porsche 991 Carrera 2012-19
Porsche 991 Turbo / GT2 RS 2014-20
Porsche 991 GT3 / GT3 RS / Speedster 2014-2021
Lunes a viernes: 8.30 a 17.30 h (GMT) Sábado: cerrado Domingo: cerrado