Introduzca aquí su número de identificación fiscal (NIF o VAT number) y haga clic en Verificar:
No necesita incluir el código de país de su NIF, dado que ya lo ha indicado antes en su dirección de facturación.
Se han verificado sus datos. NIF registrado a nombre de:
###NUEVO MÉJICO###,
.
Su pedido cuenta ahora con una tasa cero a efectos de IVA. Nos reservamos el derecho a verificar estos datos después de que haya solicitado su pedido y a restablecer el IVA si fuese necesario.
Sus datos de identificación fiscal no han sido reconocidos o no son válidos. Su NIF debe coincidir con el país de facturación que especificó anteriormente. Actualmente se ha especificado como . No necesita incluir el código de país de su NIF, do que ya lo ha indicado antes en los datos de su dirección de facturación.
El servicio de verificación de NIF no está disponible en este momento. Le rogamos que indique sus datos del NIF en los comentarios e en el cuadro de instrucciones especiales que encontrará abajo y le aplicaremos un descuento en el IVA tras realizar su solicitud de pedido.
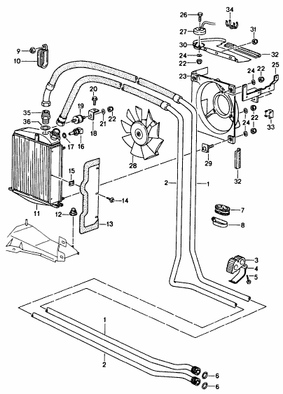
Ventilador y carcasa del enfriador de aceite
- Porsche 964 (911) C2 1989-93
- Porsche 964 (911) C4 1989-93
- Porsche 964 (911) RS 3.6L 1991-93
- Porsche 964 (911) RS 3.8L 1991-93
- Porsche 964 (911) TURBO 3.3L 1991-93
- Porsche 964 (911) TURBO 3.6L 1991-93
- Porsche 993 (911) C2 1994-97
- Porsche 993 (911) C4 1994-97
- Porsche 993 (911) RS 1994-97
- Porsche 993 (911) C2S 1994-97
- Porsche 993 (911) C4S 1994-97
- Porsche 993 (911) TURBO 1994-96
- Porsche 993 (911) GT2 1994-97
- Porsche 993 (911) TURBO S 1994-97

Encaja:
Porsche 964 1989-94
Porsche 993 1995-98
Haga clic en 'Acercar' para ver un diagrama de piezas grandes.
Diagrama de referencia nº 28
Números de referencia relacionados
Números relacionados, reemplazados, de referencia cruzada o alternativos para comparación.
96420722302
El producto que está viendo hace referencia cruzada a estos números
- Porsche 993 (911) C2 1994-97
- Porsche 993 (911) C4 1994-97
- Porsche 993 (911) RS 1994-97
- Porsche 993 (911) C2S 1994-97
- Porsche 993 (911) C4S 1994-97
- Porsche 993 (911) TURBO 1994-96
- Porsche 993 (911) GT2 1994-97
- Porsche 993 (911) TURBO S 1994-97

Encaja:
Porsche 993 1994-96
Haga clic en la imagen para ver el diagrama de piezas grandes.
Diagrama de referencia nº 23.
Números de referencia relacionados
Números relacionados, reemplazados, de referencia cruzada o alternativos para comparación.
99362404100
El producto que está viendo hace referencia cruzada a estos números
- Porsche 993 (911) C2 1994-97
- Porsche 993 (911) C4 1994-97
- Porsche 993 (911) RS 1994-97
- Porsche 993 (911) C2S 1994-97
- Porsche 993 (911) C4S 1994-97
- Porsche 993 (911) TURBO 1994-96
- Porsche 993 (911) GT2 1994-97
- Porsche 993 (911) TURBO S 1994-97

Encaja:
Porsche 993 1994-96
Haga clic en 'Acercar' para ver el diagrama de piezas grandes.
Diagrama ref no 23.
Números de referencia relacionados
Números relacionados, reemplazados, de referencia cruzada o alternativos para comparación.
99362404100
El producto que está viendo hace referencia cruzada a estos números
- Porsche 964 (911) C2 1989-93
- Porsche 964 (911) C4 1989-93
- Porsche 964 (911) TURBO 3.3L 1991-93
- Porsche 964 (911) TURBO 3.6L 1991-93
- Porsche 993 (911) C2 1994-97
- Porsche 993 (911) C4 1994-97
- Porsche 993 (911) TURBO 1994-96
- Porsche 993 (911) TURBO S 1994-97

Encaja:
Porsche 964 C2/C4/Turbo 1989-94
Porsche 964 C2/C4/Turbo 1989-94
Haga clic en 'Acercar' para ver el diagrama de piezas grandes.
Diagrama ref no 31.
Números de referencia relacionados
Números relacionados, reemplazados, de referencia cruzada o alternativos para comparación.
96462403503
El producto que está viendo hace referencia cruzada a estos números
- Porsche 964 (911) C2 1989-93
- Porsche 964 (911) C4 1989-93
- Porsche 964 (911) TURBO 3.3L 1991-93
- Porsche 964 (911) TURBO 3.6L 1991-93
- Porsche 993 (911) C2 1994-97
- Porsche 993 (911) C4 1994-97
- Porsche 993 (911) TURBO 1994-96
- Porsche 993 (911) TURBO S 1994-97

Se adapta a:
Porsche 964 C2 / C4 / Turbo 1989-94
Porsche 964 C2 / C4 / Turbo 1989-94
Haga clic en “Ampliar” para ver un diagrama de piezas grande.
Diagrama de referencia n.º 31.
Números de referencia relacionados
Números relacionados, reemplazados, de referencia cruzada o alternativos para comparación.
96462403503
El producto que está viendo hace referencia cruzada a estos números
High-Quality Oil Cooler Fans & Housings for Efficient Engine Temperature Control
Oil cooler fans and housings play a vital role in maintaining stable oil temperatures, especially in performance engines or vehicles driven in hot climates. The oil cooler fan increases airflow across the cooler core, while the housing directs and contains the airflow for maximum cooling efficiency. Together, they help protect the engine’s lubrication system, reduce heat stress and prevent oil degradation during demanding driving conditions.
Whether you’re restoring a classic model, upgrading a performance build or replacing worn components, a reliable oil cooler fan and housing are essential for long-term engine protection.
What Oil Cooler Fans & Housings Do
These components work together to manage oil temperature by:
- Increasing
airflow over the oil cooler to disperse heat quickly
- Maintaining
consistent oil temperature under load
- Protecting
engine internals from overheating and lubrication breakdown
- Enhancing
overall cooling efficiency during heavy driving or hot weather
- Supporting track use, towing and high-performance applications
The fan housing (or shroud) ensures directed airflow, preventing turbulence and maximising cooling effectiveness.
Why Oil Cooler Fans & Housings Commonly Fail
Given the intense temperatures and airflow demands, oil
cooler fans and their housings can deteriorate over time.
Typical causes of
failure include:
- Heat
fatigue leading to cracked housings or weakened plastic
- Fan
motor wear from continuous high-speed operation
- Electrical
issues such as failing relays, damaged connectors or burnt wiring
- Debris
impact damage from stones or road contaminants
- Corrosion
or brittleness caused by heat cycles and oil exposure
- Vibration stress causing mounting points to loosen or break
When these components fail, airflow efficiency drops, allowing oil temperatures to rise and placing unnecessary strain on the engine.
Why You Should Replace Worn Oil Cooler Fans & Housings
A compromised oil cooler fan or housing reduces cooling
performance, increasing the risk of overheating, oil breakdown and engine wear.
Replacing these components with high-quality, precision-engineered
alternatives designed to meet original performance standards ensures:
- Restored airflow and optimal cooling
- Stable oil temperatures under demanding driving conditions
- Improved oil longevity and engine durability
- Reduced risk of overheating or lubrication failure
- Quieter, more reliable fan operation
Upgrading or replacing these parts is a cost-effective way to protect high-value engine components.