no presiones el botón para volver…
-
Partes del motor
-
- Refrigeración del motor Mangueras y conductos de refrigerante Radiadores de agua / refrigerante Radiadores del refrigerante de pista y carrera Bombas de agua / refrigerante Botellas de refrigerante / Tanques de expansión Termostato / Sensor de temperatura Radiadores de aceite / Intercambiadores de calor Sistema de aceite y tubos Aceite del motor Refrigerante / Anticongelante
-
- Componentes eléctricos del motor Sensores de flujo / masa de aire Alternador / Generador Baterías y cargadores Relés / Fusibles Bobina de encendido Inyectores Motores de arranque Bomba de combustible Sensor de temperatura Sensores de velocidad / referencia/ picado Arnés de cableado / Cables todas las categorias
-
- Piezas de reconstrucción del motor Eje intermedio (IMS) Piezas del sistema de aceite Piezas del sistema de combustible Juntas y juegos Sello radial/RMS/árbol de levas/eje de equilibrio Correas / Tensores / Rodillos Cadenas y Tensores Cojinetes del motor / revestimientos Válvulas de motor / Guías / Resortes Balancines Espárragos del motor Soportes del motor Segmentos Cilindros del motor / Camisas / Pistones Biela Culata Árbol de levas y piezas Engranajes de árbol de levas/piñones y fijaciones Piezas del cárter Cigüeñal y piezas Admisión e inyección de aire Bomba de vacío todas las categorias
-
-
Frenos
-
- Frenos Paquete de discos y pastillas de freno Paquete de discos y pastillas de freno SPORTS Disco de freno estándar Pastillas de freno estándar Disco de freno SPORTS Frenos Brembo estándar Frenos Brembo Racing Frenos TEXTAR Frenos PAGID Racing Frenos Zimmermann Frenos de fricción de alta prestación Disco de freno ranurado Giro Frenos de alto rendimiento SHW Frenos EBC Discos de freno O-Brake Frenos de cerámica que transforman la superficie Línea Rotinger Grafito Repuesto para disco de cerámica Sensores de desgaste de pastillas de freno Laminillas antivibración de pastillas de freno Pernos de la pinza / Tornillos del disco Juego de pasadores y placas guía todas las categorias
-
-
Suspensión y dirección
-
- Suspensión y eje Barra antivuelco Casquillos de la barra antivuelco Soporte de la barra antivuelco Estabilizadores y casquillos DELANTEROS Estabilizadores y casquillos TRASEROS Amortiguadores DELANTEROS Recambios Amortiguador DELANTERO Amortiguadores TRASEROS Piezas del amortiguador TRASERO Muelles helicoidales DELANTEROS Muelles helicoidales TRASEROS todas las categorias
-
Transmisión
-
- Caja de cambios / Transmisión Kits de embrague Kits de embrague - Alta prestación Placa de fricción del embrague Cojinetes de liberación del embrague Tubo guía del embrague Horquillas y palancas del embrague Pernos del embrague Piezas del cambio Ejes de transmisión y piezas Juegos de juntas del cambio Soportes del cambio Piezas de control del cambio Volante / Par Juegos de juntas homocinéticas Botas y kits homocinéticos Eje cardánico / Eje de transmisión Aceite del cambio Cárter del cambio / cárter de aceite Transmisiones / Cajas de cambios usadas Diferencial Enfriadores de aceite Piezas para deportes de motor
-
-
Refrigeración y calefacción
-
- Calefacción / Aire acondicionado Condensadores y desecadores de aire acondicionado Evaporadores y válvulas de expansión de aire acondicionado Tubos de aire acondicionado Correas de aire acondicionado Ventiladores y cubiertas Relés / Sensores / Resistencias Compresores Motores y ventiladores para el aireador Aireadores del calefactor Mangueras y tubos de calefacción Intercambiador de calor Respiraderos / Rejillas Control climático Sensores de temperatura / conmutadores Carcasas de calefacción / climatización
-
-
Electricidad e iluminación
-
- Componentes eléctricos y relés Bombas de combustible Conmutador de freno y embrague Conmutador de advertencia de peligro Conmutador de freno de mano Conmutador de luz de marcha atrás Conmutador de los faros Conmutador de la ventana Motores de la ventana Mecanismo de la ventana Motor del limpiaparabrisas Claxon eléctrico Unidades de control SmartTop Conmutador de ignición Conmutador del asiento Indicador / Conmutador de palanca del limpiaparabrisas Conmutador del techo / techo solar Relés / Fusibles Bombas / botellas / chorros de lavado Alarmas / Seguridad / Cierre centralizado Centralita electrónica Piezas y conmutadores del salpicadero / consola Conmutador del espejo de la puerta todas las categorias
-
-
Carrocería y escape
-
- Chasis / Carrocería Chasis de restauración / Paneles de reparación Amortiguador del capó Amortiguador del maletero Capós / Cerraduras y pestillos Capó trasero / Maletero / Cerraduras y pestillos Maletero / Portón trasero Parachoques delantero Parachoques trasero Puertas / Cerraduras y pestillos Paneles de puertas | Bisagras | Placas de delantero Elevalunas Alerones delanteros y piezas Alerones traseros y piezas Paneles laterales del umbral Molduras exteriores del chasis Espejos y piezas Láminas / adhesivos para virutas de piedra Soporte del chasis y el motor Limpiaparabrisas / Escobillas Brazos y escobillas del limpiaparabrisas trasero Revestimientos y cubiertas del arco de la rueda Techo - Cabrio / Targa / Coupé todas las categorias
-
- Escapes Silenciadores deportivos Silenciadores / Silenciadores conmutables Escape para conversión de carrocería Silenciadores / Amortiguadores de sonido Catalizador / Bypass Colector / Cabezales Tubos de escape Intercambiadores de calor Paquete de escape Juntas de escape Tuercas / pernos / espárragos de escape todas las categorias
-
-
Lubricantes y fluidos
-
- Piezas de repuesto Kits de repuesto originales Filtros de aceite Filtros de aire Filtros de polen / partículas Correas de todo tipo Bujías Bujías IRIDIUM POWER Bujías IRIDIUM RACING Bobinas de ignición Limpiaparabrisas / Escobillas Brazos y escobillas del limpiaparabrisas trasero Piezas de repuesto del cambio Aceite del motor y lubricantes - Mobil Aceite del motor y lubricantes - Total Aceite del motor y lubricantes - Castrol Aceite del motor y lubricantes - Motul Aceite del motor y lubricantes - Millers Oils NanoDrive Aceite del motor y lubricantes - Millers Oils Aditivos del combustible Refrigerante / Anticongelante Aceite de dirección asistida EPI de garaje
-
-
Todas las partes
-
- Piezas Accesorios Chasis / Carrocería Frenos Ropa y regalos Componentes eléctricos y relés Refrigeración del motor Componentes eléctricos del motor Piezas de reconstrucción del motor Piezas de alta prestación Escapes Diseño exterior / alerones Caja de cambios / Transmisión Calefacción / Aire acondicionado Componentes hidráulicos Interior y Accesorios Elementos instalados / Multimedia Iluminación Tapetes y alfombras Deportes de motor y todoterreno Juego de pedales Sellos de goma Asientos y cinturones de seguridad todas las categorias
-
- Back to main website
Introduzca aquí su número de identificación fiscal (NIF o VAT number) y haga clic en Verificar:
No necesita incluir el código de país de su NIF, dado que ya lo ha indicado antes en su dirección de facturación.
Se han verificado sus datos. NIF registrado a nombre de:
###NUEVO MÉJICO###,
.
Su pedido cuenta ahora con una tasa cero a efectos de IVA. Nos reservamos el derecho a verificar estos datos después de que haya solicitado su pedido y a restablecer el IVA si fuese necesario.
Sus datos de identificación fiscal no han sido reconocidos o no son válidos. Su NIF debe coincidir con el país de facturación que especificó anteriormente. Actualmente se ha especificado como . No necesita incluir el código de país de su NIF, do que ya lo ha indicado antes en los datos de su dirección de facturación.
El servicio de verificación de NIF no está disponible en este momento. Le rogamos que indique sus datos del NIF en los comentarios e en el cuadro de instrucciones especiales que encontrará abajo y le aplicaremos un descuento en el IVA tras realizar su solicitud de pedido.
Depósito / Tanque y Partes
Depósito / Tanque y Partes
- Porsche 997 MK1 Carrera 2 3.6L 2005-08
- Porsche 997 MK1 Carrera 2S 3.8L 2005-08
- Porsche 997 MK1 Carrera 4 3.6L 2005-08
- Porsche 997 MK1 Carrera 4S 3.8L 2005-08

Encaja:
Porsche 997.1 - 2005 a 2008
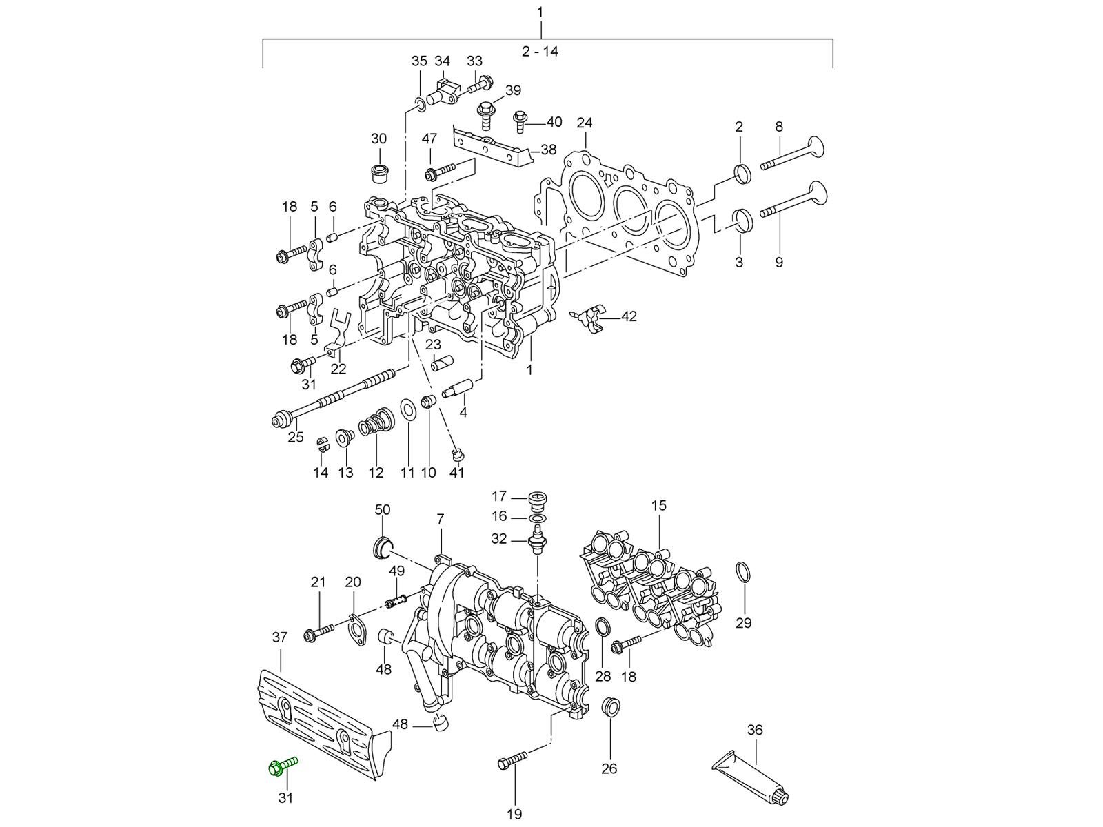
Haga clic en 'Acercar' para ver el diagrama de piezas grandes.
Diagrama ref no 17
Números de referencia relacionados
Números relacionados, reemplazados, de referencia cruzada o alternativos para comparación.
90037816301
El producto que está viendo hace referencia cruzada a estos números
- Porsche 996 C2 3.4L 1997-08/01
- Porsche 996 C4 3.4L 1997-08/01
- Porsche 996 C2 3.6L 09/01-2005
- Porsche 996 C4 3.6L 09/01-2005
- Porsche 996 C4S 3.6L 09/01-2005
- Porsche 997 MK1 Carrera 2 3.6L 2005-08
- Porsche 997 MK1 Carrera 2S 3.8L 2005-08
- Porsche 997 MK1 Carrera 4 3.6L 2005-08
- Porsche 997 MK1 Carrera 4S 3.8L 2005-08

Encaja:
Porsche 996 1998-05
Porsche 997 2005-08
Haga clic en 'Acercar' para ver el diagrama de piezas grandes.
Diagrama ref no 1
Números de referencia relacionados
Números relacionados, reemplazados, de referencia cruzada o alternativos para comparación.
99731422501
El producto que está viendo hace referencia cruzada a estos números
Lunes a viernes: 8.30 a 17.30 h (GMT) Sábado: cerrado Domingo: cerrado