n'appuyez pas sur le bouton de retour…
-
Pièces de moteur
-
- Refroidissement du moteur Tuyaux d'eau / de liquide de refroidissement Tuyaux et tuyaux de liquide de refroidissement Radiateurs eau / liquide de refroidissement Radiateurs de refroidissement pour piste et course Pompes à eau / liquide de refroidissement Bouteilles de liquide de refroidissement / Vases d'expansion Thermostat / Capteur de température Radiateurs d'huile / Échangeurs de chaleur Système et tuyaux d'huile Huile moteur Liquide de refroidissement / Antigel
-
- Composants électriques du moteur Capteurs de masse/débit d'air Alternateur / Générateur Batteries et chargeurs Relais / Fusibles Bobine d'allumage Injecteurs Moteurs du démarreur Pompe à carburant Capteur de température Détecteurs de vitesse / référence / cliquetis Faisceau de câbles / Câbles toutes catégories
-
- Pièces de reconstruction de moteur Arbre intermédiaire (IMS) Pièces du système d'huile Pièces du système de carburant Joints et jeux Joint Radial / RMS / Arbre à Cames / Arbre d'équilibrage Courroies / Tendeurs / Rouleaux Chaînes et tendeurs Roulements moteur / Coquilles Soupapes moteur / Guides / Ressorts Culbuteurs Goujons de culasse de moteur Supports de moteur Segments de piston Cylindres de moteur / Chemises / Pistons Bielle Culasse Arbre à cames et pièces Arbres à cames Engrenages / pignons d'arbre à cames et fixations Pièces de carter Vilebrequin et pièces Turbocompresseurs / Intercooler et pièces toutes catégories
-
-
Freins
-
- Freins Pack plaquettes et disques de frein Ensembles de plaquettes de frein Disque de frein standard Plaquettes de frein standard Disque de frein SPORT Freins Brembo standard Freins Brembo Racing Freins TEXTAR Freins de course PAGID Freins Zimmermann Freins Performance Friction Disque de frein fendu Giro Freins performants SHW Freins EBC Freins Black Diamond Performance Disques de frein O-Brake Ligne Graphite Rotinger Disque en céramique de remplacement Capteurs d'usure de plaquette de frein Amortisseur anti-vibration pour plaquettes de frein Boulons d'étrier / vis de disque Kit goupille et étriers toutes catégories
-
-
Suspension et direction
-
- Suspension et essieu Barre anti-roulis Bagues de barre anti-roulis Support de barre anti-roulis Liens de chute et bagues AVANT Liens de chute et bagues ARRIÈRE Amortisseurs AVANT Pièces d'amortisseur AVANT Amortisseurs ARRIÈRE Pièces d'amortisseur ARRIÈRE Ressorts hélicoïdaux AVANT Ressorts hélicoïdaux ARRIÈRE toutes catégories
-
Transmission
-
- Boîte de vitesses / Transmission Kits d'embrayage Kits d'embrayage - Haute performance Plaque de friction d'embrayage Plaque de pression d'embrayage Roulements de débrayage Câbles et pièces d'embrayage Tube de guidage d'embrayage Fourchettes et leviers d'embrayage Boulons d'embrayage Pièces de boîte de vitesses Arbres de transmission et pièces Jeux de joints de boîte de vitesses Supports de boîte de vitesses Pièces de commande de changement de vitesse Volant / Couple Kits de joints homocinétiques Bottes et kits CV Arbre à cardan / arbre d'hélice Huile de boîte de vitesses Carter de boîte de vitesses / carter d'huile Différentiel Refroidisseurs d'huile toutes catégories
-
-
Refroidissement et chauffage
-
- Chauffage / Climatisation Condenseurs et dessiccateurs de climatisation Évaporateurs et détendeurs de climatisation Tuyaux de climatisation Ceintures de climatisation Ventilateurs et capots Relais / Capteurs / Résistances Compresseurs Moteurs de soufflerie et ventilateurs Ventilateurs de chauffage Tuyaux de chauffage Échangeur de chaleur Bouches d'aération / Grilles Commande de climatisation Capteurs / commutateurs de température Boîtiers de chauffage / climatisation
-
-
Électricité et éclairage
-
- Composants électriques et relais Pompes à carburant Commutateur de frein et d'embrayage Commutateur de feu de détresse Commutateur de frein à main Commutateur de feu de recul Commutateur de phare Commutateur de fenêtre Moteurs de fenêtre Mécanisme de fenêtre Moteur d'essuie-glace Klaxon électrique Unités de commande SmartTop Commutateur d'allumage Commutateur de siège Commutateur de clignotant / d'essuie-glace Commutateur de toit / toit ouvrant Relais / Fusibles Lave-pompes / bouteilles / gicleurs Alarmes / Sécurité / Verrouillage centralisé Unités de commande électronique Pièces et commutateurs de tableau de bord / console Commutateur de rétroviseur de porte toutes catégories
-
-
Carrosserie et échappement
-
- Châssis / Carrosserie Châssis de restauration / Panneaux de réparation Amortisseur capot avant Amortisseur capot arrière Capots / Serrures et loquets Coffres/capot arrière/serrures et loquets Capot arrière / Hayon Pare-chocs avant Pare-chocs arrière Portes / Serrures et loquets Panneaux de porte | Charnières | Plaques de frappe Lève-vitres Ailes avant et pièces Ailes arrière et pièces Panneaux de seuil latéraux Miroirs et pièces Films/autocollants pare-pierres Sous-plateaux de châssis et moteur Balais / Bras d'essuie-glace Doublures et couvertures de passage de roue Toit - Cabriolet / Targa / Coupé Arceaux de sécurité Couvercles en plastique toutes catégories
-
- Systèmes d'échappement Silencieux Sport / Silencieux Silencieux / Silencieux commutables Silencieux Catalyseur / tuyau de dérivation Collecteur / En-têtes Tuyaux d'échappement Échangeurs de chaleur Pack d'échappement Joints d'échappement Écrous / boulons / goujons d'échappement Supports / colliers / sangles toutes catégories
-
-
Lubrifiants et fluides
-
- Pièces de rechange Kits d'entretien pièces d'origine Filtres à huile Filtres à air Filtres à pollen/particules Courroies tous types Bougies Bougies IRIDIUM RACING Bobines d'allumage Balais / Bras d'essuie-glace Bras et balais d'essuie-glace arrière Pièces de rechange de boîte de vitesses Huile moteur et lubrifiants - Mobil Huile moteur et lubrifiants - Total Huile moteur et lubrifiants - Castrol Huile moteur et lubrifiants - Motul Huile moteur et lubrifiants - Millers Oils NanoDrive Huile moteur et lubrifiants - Millers Oils Additifs pour carburant Liquide de refroidissement / Antigel Huile de direction assistée EPI de garage
-
-
Toutes les pièces
-
- Pièces Accessoires Châssis / Carrosserie Freins Vêtements et cadeaux Composants électriques et relais Refroidissement du moteur Composants électriques du moteur Pièces de reconstruction de moteur Pièces haute performance Systèmes d'échappement Style extérieur / Ailerons Boîte de vitesses / Transmission Chauffage / Climatisation Composants hydrauliques Intérieur et accessoires Gestion de la communication / multimédia Éclairage Tapis et moquettes Sport automobile et tout-terrain Groupe de pédales Joints en caoutchouc Sièges et ceintures de sécurité toutes catégories
-
- Back to main website
Saisissez votre numéro de TVA ici et cliquez sur Vérifier :
Il n'est pas nécessaire de saisir la partie code pays de votre numéro de TVA car elle a déjà été sélectionnée dans votre adresse de facturation ci-dessus.
Vos coordonnées ont été vérifiées. Numéro de TVA enregistré au nom de:
,
.
Votre commande sera désormais détaxée au titre de la TVA. Nous nous réservons le droit de vérifier ces détails une fois votre commande passée et de rétablir la TVA si nécessaire.
Vos données de TVA n'ont pas été reconnues ou n'étaient pas valides. Votre numéro de TVA doit correspondre à votre pays de facturation tel que spécifié ci-dessus. Il est actuellement spécifié comme . Vous n'avez pas besoin de saisir la partie code pays de votre numéro de TVA car elle a déjà été sélectionnée dans les détails de votre adresse de facturation ci-dessus.
Le service de vérification du numéro de TVA est actuellement hors ligne. Veuillez indiquer votre numéro de TVA dans le champ « Commentaires ou instructions spéciales » ci-dessous et nous appliquerons une remise de TVA après avoir passé votre commande.
Pompe à liquide de refroidissement pour chauffage auxiliaire Porsche 955 / 957 / 958 Cayenne ❭ 95857215010
- Porsche 957 Cayenne 3.0L Diesel 2007-10
- Porsche 957 Cayenne 3.6L 2007-10
- Porsche 957 Cayenne S/GTS 4.8L 2007-10
- Porsche 957 Cayenne Turbo / Turbo S 4.8L 2007-10
- Porsche 958 Cayenne V6 3.6L Petrol 300Hp 2010-17
- Porsche 958 Cayenne V6 3.0L Diesel 245HP 2010-17
- Porsche 958 Cayenne S V6 3.0L Hybrid 380HP 2010-17
- Porsche 958 Cayenne S V8 4.8L Petrol 400HP 2010-17
- Porsche 958 Cayenne S V8 4.2L Diesel 382HP 2010-17
- Porsche 958 Cayenne GTS V8 4.8L Petrol 400HP 2010-17
- Porsche 958 Cayenne Turbo V8 4.8L Petrol 500HP 2010-17
- Porsche 958 Cayenne Turbo S V8 4.8L Petrol 550HP 2010-17
Pompe à liquide de refroidissement chauffage d'appoint.

Compatible avec :
Porsche 955 Cayenne S / Cayenne turbo - 2003 à 2006
Porsche 957 Cayenne - 2007 à 2010 (Codes d'option 7VE, 7VL, 9AH, D5X, D5V, D5Z, 9M5, 9AH)
Porsche 958 Cayenne - 2010 à 2017 (codes d'option 9M1, 9M5, 9M9)
Cliquez sur « Zoom avant » pour un schéma de pièces de grande taille.
Schéma réf. n° 24
Numéros de référence associés
Numéros associés, remplacés, de référence croisée ou alternatifs à des fins de comparaison.
95857215010
Le produit que vous consultez fait référence à ces numéros
- Porsche Boxster 987 2.7L 2005 -08/08
- Porsche Boxster 987 S 3.2/3.4L 2005-08/08
- Porsche 997 MK1 Carrera 2 3.6L 2005-08
- Porsche 997 MK1 Carrera 2S 3.8L 2005-08
- Porsche 997 MK1 Carrera 4 3.6L 2005-08
- Porsche 997 MK1 Carrera 4S 3.8L 2005-08
- Porsche Cayman 2.7L 987C 2006-08
- Porsche Cayman S 3.4L 987C 2005-08

Convient :
Porsche Boxster 987
Porsche Caïman
Porsche 997 C2/4 2005>> (pas turbo)
REMARQUE : Les pompes à eau NE SONT PAS LIVRÉES AVEC DES JOINTS DE MONTAGE.
Numéros de référence associés
Numéros associés, remplacés, de référence croisée ou alternatifs à des fins de comparaison.
99710601106
Le produit que vous consultez fait référence à ces numéros
- Porsche Boxster 986 2.5L 1997-99
- Porsche Boxster 986 2.7L 1999-02
- Porsche Boxster S 986 3.2L 1999-02
- Porsche Boxster 986 2.7L 2003-04
- Porsche Boxster S 986 3.2L 2003-04
- Porsche Boxster 987 2.7L 2005 -08/08
- Porsche Boxster 987 S 3.2/3.4L 2005-08/08
- Porsche 996 C2 3.4L 1997-08/01
- Porsche 996 C4 3.4L 1997-08/01
- Porsche 996 C2 3.6L 09/01-2005
- Porsche 996 C4 3.6L 09/01-2005
- Porsche 996 C4S 3.6L 09/01-2005
- Porsche 996 GT3 MKI 1999-02
- Porsche 996 GT3 MKII 2003>>
- Porsche 996 GT3 RS 2003-04
- Porsche 997 MK1 Carrera 2 3.6L 2005-08
- Porsche 997 MK1 Carrera 2S 3.8L 2005-08
- Porsche 997 MK1 Carrera 4 3.6L 2005-08
- Porsche 997 MK1 Carrera 4S 3.8L 2005-08
- Porsche Cayman 2.7L 987C 2006-08
- Porsche Cayman S 3.4L 987C 2005-08

Convient :
Porsche 996 Carrera
Porsche 986 Boxster
Porsche 997 Carrera MKI
Porsche 987 Boxster MKI
Porsche 987C Cayman MKI
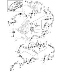
Cliquez sur « Zoomer » pour afficher le diagramme des grandes pièces.
Schéma réf n°27
Numéros de référence associés
Numéros associés, remplacés, de référence croisée ou alternatifs à des fins de comparaison.
99610215168
Le produit que vous consultez fait référence à ces numéros
- Porsche Boxster 987 2.7L 2005 -08/08
- Porsche Boxster 987 S 3.2/3.4L 2005-08/08
- Porsche 997 MK1 Carrera 2 3.6L 2005-08
- Porsche 997 MK1 Carrera 2S 3.8L 2005-08
- Porsche 997 MK1 Carrera 4 3.6L 2005-08
- Porsche 997 MK1 Carrera 4S 3.8L 2005-08
- Porsche 997 MK1 TURBO 2007-09
- Porsche 997 MK1 GT3 2007-09
- Porsche 997 MK1 GT2 2007-09
- Porsche 997 MKII Carrera C2 3.6L 2009-12
- Porsche 997 MKII Carrera C4 3.6L 2009-12
- Porsche 997 MKII Carrera C2S 3.8L 2009-12
- Porsche 997 MKII Carrera C4S 3.8L 2009-12
- Porsche 997 MKII GT3 2010-11
- Porsche 997 MKII Turbo 2010-13
- Porsche Cayman 2.7L 987C 2006-08
- Porsche Cayman S 3.4L 987C 2005-08

Convient :
Porsche 987 Boxster / Boxster S 2005-08
Porsche 987C Cayman / Cayman S 2006-08
Porsche 997 Turbo / GT2 2007-11
Porsche 997 GT3 3.6L 2007-09
Cliquez sur "Zoom avant" pour le schéma des grandes pièces.
Schéma réf n° 2
Numéros de référence associés
Numéros associés, remplacés, de référence croisée ou alternatifs à des fins de comparaison.
99710634000
Le produit que vous consultez fait référence à ces numéros
Lundi-vendredi : 8h30 - 17h30 (GMT) Samedi : Fermé Dimanche : Fermé