n'appuyez pas sur le bouton de retour…
-
Pièces de moteur
-
- Refroidissement du moteur Tuyaux et conduites de liquide de refroidissement (voitures à moteur arrière) Radiateurs eau / liquide de refroidissement Radiateurs de refroidissement pour piste et course Pompes à eau / liquide de refroidissement Bouteilles de liquide de refroidissement / Vases d'expansion Thermostat / Capteur de température Radiateurs d'huile / Échangeurs de chaleur Huile moteur Liquide de refroidissement / Antigel
-
- Pièces de reconstruction de moteur Pièces du système d'huile Pièces du système de carburant Joints et jeux Joint Radial / RMS / Arbre à Cames / Arbre d'équilibrage Courroies / Tendeurs / Rouleaux Chaînes et tendeurs Roulements moteur / Coquilles Soupapes moteur / Guides / Ressorts Goujons de culasse de moteur Supports de moteur Cylindres de moteur / Chemises / Pistons Bielle Culasse Engrenages / pignons d'arbre à cames et fixations Pièces de carter Vilebrequin et pièces Turbocompresseurs / Intercooler et pièces Admission d'air et injection Pompe à vide Chemise de cylindre Outils spécialisés
-
-
Freins
-
- Freins Pack plaquettes et disques de frein Pack plaquettes et disques de frein SPORT Disque de frein standard Plaquettes de frein standard Disque de frein SPORT Freins Brembo standard Freins Brembo Racing Freins TEXTAR Freins de course PAGID Freins Zimmermann Freins Performance Friction Disque de frein fendu Giro Freins performants SHW Freins EBC Disques de frein O-Brake Freins en céramique Surface Transforms Disque en céramique de remplacement Capteurs d'usure de plaquette de frein Amortisseur anti-vibration pour plaquettes de frein Boulons d'étrier / vis de disque Kit goupille et étriers Flexibles de frein Performance toutes catégories
-
-
Suspension et direction
-
- Suspension et essieu Barre anti-roulis Bagues de barre anti-roulis Support de barre anti-roulis Liens de chute et bagues AVANT Liens de chute et bagues ARRIÈRE Amortisseurs AVANT Pièces d'amortisseur AVANT Amortisseurs ARRIÈRE Pièces d'amortisseur ARRIÈRE Bras de commande de chenille AVANT Bras de commande de chenille ARRIÈRE toutes catégories
-
Transmission
-
- Boîte de vitesses / Transmission Kits d'embrayage Plaque de friction d'embrayage Boulons d'embrayage Pièces de boîte de vitesses Arbres de transmission et pièces Jeux de joints de boîte de vitesses Supports de boîte de vitesses Pièces de commande de changement de vitesse Volant / Couple Kits de joints homocinétiques Bottes et kits CV Arbre à cardan / arbre d'hélice Pièces de transmission Huile de boîte de vitesses Carter de boîte de vitesses / carter d'huile Différentiel avant Différentiel Capteurs de vitesse / référence Refroidisseurs d'huile Boîte de transfert et pièces
-
- Refroidissement et chauffage
-
Électricité et éclairage
-
- Composants électriques et relais Commutateur de feu de détresse Commutateur de frein à main Commutateur de fenêtre Mécanisme de fenêtre Moteur d'essuie-glace Klaxon électrique Commutateur d'allumage Relais / Fusibles Lave-pompes / bouteilles / gicleurs Alarmes / Sécurité / Verrouillage centralisé Unités de commande électronique Pièces et commutateurs de tableau de bord / console Commutateur de rétroviseur de porte Airbag et pièces Unité de suivi Régulateur de vitesse Boîtier de connecteur Faisceau de câbles
-
-
Carrosserie et échappement
-
- Châssis / Carrosserie Châssis de restauration / Panneaux de réparation Amortisseur capot avant Amortisseur capot arrière Capots / Serrures et loquets Coffres/capot arrière/serrures et loquets Capot arrière / Hayon Pare-chocs avant Pare-chocs arrière Portes / Serrures et loquets Panneaux de porte | Charnières | Plaques de frappe Lève-vitres Ailes avant et pièces Ailes arrière et pièces Panneaux de seuil latéraux Moulures de châssis extérieures Miroirs et pièces Films/autocollants pare-pierres Sous-plateaux de châssis et moteur Balais / Bras d'essuie-glace Bras et balais d'essuie-glace arrière Doublures et couvertures de passage de roue Toit - Cabriolet / Targa / Coupé toutes catégories
-
- Systèmes d'échappement Silencieux Sport / Silencieux Silencieux / Silencieux commutables Silencieux Catalyseur / tuyau de dérivation Collecteur / En-têtes Tuyaux d'échappement Échangeurs de chaleur Pack d'échappement Joints d'échappement Écrous / boulons / goujons d'échappement Supports / colliers / sangles toutes catégories
-
-
Lubrifiants et fluides
-
- Pièces de rechange Kits d'entretien pièces d'origine Filtres à huile Filtres à air Filtres à pollen/particules Filtres à carburant Courroies tous types Bougies Bougies IRIDIUM POWER Bobines d'allumage Balais / Bras d'essuie-glace Bras et balais d'essuie-glace arrière Pièces de rechange de boîte de vitesses Huile moteur et lubrifiants - Mobil Huile moteur et lubrifiants - Total Huile moteur et lubrifiants - Castrol Huile moteur et lubrifiants - Motul Huile moteur et lubrifiants - Millers Oils NanoDrive Huile moteur et lubrifiants - Millers Oils Additifs pour carburant Liquide de refroidissement / Antigel EPI de garage
-
-
Toutes les pièces
-
- Pièces Accessoires Châssis / Carrosserie Freins Vêtements et cadeaux Composants électriques et relais Refroidissement du moteur Composants électriques du moteur Pièces de reconstruction de moteur Pièces haute performance Systèmes d'échappement Style extérieur / Ailerons Boîte de vitesses / Transmission Chauffage / Climatisation Composants hydrauliques Intérieur et accessoires Gestion de la communication / multimédia Éclairage Tapis et moquettes Sport automobile et tout-terrain Groupe de pédales Joints en caoutchouc Sièges et ceintures de sécurité toutes catégories
-
- Back to main website
Saisissez votre numéro de TVA ici et cliquez sur Vérifier :
Il n'est pas nécessaire de saisir la partie code pays de votre numéro de TVA car elle a déjà été sélectionnée dans votre adresse de facturation ci-dessus.
Vos coordonnées ont été vérifiées. Numéro de TVA enregistré au nom de:
,
.
Votre commande sera désormais détaxée au titre de la TVA. Nous nous réservons le droit de vérifier ces détails une fois votre commande passée et de rétablir la TVA si nécessaire.
Vos données de TVA n'ont pas été reconnues ou n'étaient pas valides. Votre numéro de TVA doit correspondre à votre pays de facturation tel que spécifié ci-dessus. Il est actuellement spécifié comme . Vous n'avez pas besoin de saisir la partie code pays de votre numéro de TVA car elle a déjà été sélectionnée dans les détails de votre adresse de facturation ci-dessus.
Le service de vérification du numéro de TVA est actuellement hors ligne. Veuillez indiquer votre numéro de TVA dans le champ « Commentaires ou instructions spéciales » ci-dessous et nous appliquerons une remise de TVA après avoir passé votre commande.
Boulon à tête hexagonale AM10 x 45 Porsche 986 / 987 / 996 / 997 ❭ 90037810001
- Porsche Boxster 986 2.5L 1997-99
- Porsche Boxster 986 2.7L 1999-02
- Porsche Boxster S 986 3.2L 1999-02
- Porsche Boxster 986 2.7L 2003-04
- Porsche Boxster S 986 3.2L 2003-04
- Porsche Boxster 987 2.7L 2005-08/08
- Porsche Boxster 987 S 3.2/3.4L 2005-08/08
- Porsche Boxster 987 MKII 2.9L 2009-12
- Porsche Boxster S 987 MKII 3.4L 2009-12
- Porsche 996 C2 3.4L 1997-08/01
- Porsche 996 C4 3.4L 1997-08/01
- Porsche 996 C2 3.6L 09/01-2005
- Porsche 996 C4 3.6L 09/01-2005
- Porsche 996 C4S 3.6L 09/01-2005
- Porsche 996 TURBO 2000-05
- Porsche 996 GT2 2001-05
- Porsche 996 GT3 MKI 1999-02
- Porsche 996 GT3 MKII 2003>>
- Porsche 996 GT3 RS 2003-04
- Porsche 997 MK1 Carrera 2 3.6L 2005-08
- Porsche 997 MK1 Carrera 2S 3.8L 2005-08
- Porsche 997 MK1 Carrera 4 3.6L 2005-08
- Porsche 997 MK1 Carrera 4S 3.8L 2005-08
- Porsche 997 MK1 TURBO 2007-09
- Porsche 997 MK1 GT3 2007-09
- Porsche 997 MK1 GT2 2007-09
- Porsche 997 MKII Carrera C2 3.6L 2009-12
- Porsche 997 MKII Carrera C4 3.6L 2009-12
- Porsche 997 MKII Carrera C2S 3.8L 2009-12
- Porsche 997 MKII Carrera C4S 3.8L 2009-12
- Porsche 997 MKII GT3 2010-11
- Porsche 997 MKII Turbo 2010-13
- Porsche 997 MKII GT2 RS 2011-13
- Porsche Cayman 2.7L 987C 2006-08
- Porsche Cayman S 3.4L 987C 2005-08
- Porsche Cayman 2.9L 987C MKII 2009-12
- Porsche Cayman S / R 3.4L 987C MKII 2009-12
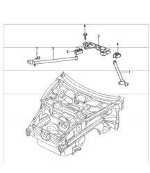
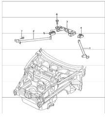
pour montage sur crémaillère de direction

Convient :
Porsche 986 Boxster - 1997 à 2004
Porsche 987 Boxster / Cayman - 2005 à 2012
Porsche 997 - 2005 à 2012
Cliquez sur « Zoomer » pour afficher le diagramme des grandes pièces.
Schéma réf n°10
Numéros de référence associés
Numéros associés, remplacés, de référence croisée ou alternatifs à des fins de comparaison.
90037810001
Le produit que vous consultez fait référence à ces numéros
- Porsche Boxster 986 2.5L 1997-99
- Porsche Boxster 986 2.7L 1999-02
- Porsche Boxster S 986 3.2L 1999-02
- Porsche Boxster 986 2.7L 2003-04
- Porsche Boxster S 986 3.2L 2003-04
- Porsche Boxster 987 2.7L 2005-08/08
- Porsche Boxster 987 S 3.2/3.4L 2005-08/08
- Porsche Boxster 987 MKII 2.9L 2009-12
- Porsche Boxster S 987 MKII 3.4L 2009-12
- Porsche Boxster 981 2.7L 2012-16
- Porsche Boxster 981 S / GTS 3.4L 2012-16
- Porsche Boxster 718 2.0L Manual (300 Bhp) 2017>>
- Porsche Boxster 718 2.0L PDK (300 Bhp) 2017>>
- Porsche Boxster S 718 2.5L Manual (350 Bhp) 05/2017>>
- Porsche Boxster S 718 2.5L PDK (350 Bhp) 05/2017>>
- Porsche 996 C2 3.4L 1997-08/01
- Porsche 996 C4 3.4L 1997-08/01
- Porsche 996 C2 3.6L 09/01-2005
- Porsche 996 C4 3.6L 09/01-2005
- Porsche 996 C4S 3.6L 09/01-2005
- Porsche 996 TURBO 2000-05
- Porsche 996 GT2 2001-05
- Porsche 996 GT3 MKI 1999-02
- Porsche 996 GT3 MKII 2003>>
- Porsche 996 GT3 RS 2003-04
- Porsche 997 MK1 Carrera 2 3.6L 2005-08
- Porsche 997 MK1 Carrera 2S 3.8L 2005-08
- Porsche 997 MK1 Carrera 4 3.6L 2005-08
- Porsche 997 MK1 Carrera 4S 3.8L 2005-08
- Porsche 997 MK1 TURBO 2007-09
- Porsche 997 MK1 GT3 2007-09
- Porsche 997 MK1 GT2 2007-09
- Porsche 997 MKII Carrera C2 3.6L 2009-12
- Porsche 997 MKII Carrera C4 3.6L 2009-12
- Porsche 997 MKII Carrera C2S 3.8L 2009-12
- Porsche 997 MKII Carrera C4S 3.8L 2009-12
- Porsche 997 MKII GT3 2010-11
- Porsche 997 MKII Turbo 2010-13
- Porsche 997 MKII GT2 RS 2011-13
- Porsche 991.1 Carrera C2 3.4L (350 Bhp) 2012-16
- Porsche 991.1 Carrera C2S / GTS 3.8L (400/430 Bhp) 2012-16
- Porsche 991.1 Carrera C4 3.4L (350 Bhp) 2012-16
- Porsche 991.1 Carrera C4S / GTS 3.8L (400/430 Bhp) 2012-16
- Porsche 991.1 Turbo 3.8L (520 Bhp) 2014-16
- Porsche 991.1 Turbo S 3.8L (560 Bhp) 2014-16
- Porsche 991.1 R 4.0L (500 Bhp) 2016
- Porsche 991.1 GT3 3.8L (475 Bhp) 2014-16
- Porsche 991.1 GT3 RS 4.0L (500 Bhp) 2015-16
- Porsche 991.2 Carrera 2 3.0L (370 Bhp) 2016-19
- Porsche 991.2 Carrera 2S / GTS 3.0L (420/450 Bhp) 2016-19
- Porsche 991.2 Carrera 4 3.0L (370 Bhp) 2016-19
- Porsche 991.2 Carrera 4S / GTS 3.0L (420/450 Bhp) 2016-19
- Porsche 991.2 Cabriolet 2 3.0L (370 Bhp) 2016-19
- Porsche 991.2 Cabriolet 2S / GTS 3.0L (420/450 Bhp) 2016-19
- Porsche 991.2 Cabriolet 4 3.0L (370 Bhp) 2016-19
- Porsche 991.2 Cabriolet 4S / GTS 3.0L (420/450 Bhp) 2016-19
- Porsche 991.2 Targa 4 3.0L (370 Bhp) 2016-19
- Porsche 991.2 Targa 4S / GTS 3.0L (420/450 Bhp) 2016-19
- Porsche 991.2 Turbo Coupe 3.8L (540 Bhp) 2016-19
- Porsche 991.2 Turbo S Coupe 3.8L (580 Bhp) 2016-19
- Porsche 991.2 Turbo Cabriolet 3.8L (540 Bhp) 2016-19
- Porsche 991.2 Turbo S Cabriolet 3.8L (580 Bhp) 2016-19
- Porsche 991.2 GT3 4.0L (500 Bhp) / GT3 RS 4.0L (520 Bhp) 2017-19
- Porsche 991.2 GT2 RS 3.8L PDK (700 bhp) 2018-19
- Porsche Cayman 2.7L 987C 2006-08
- Porsche Cayman S 3.4L 987C 2005-08
- Porsche Cayman 2.9L 987C MKII 2009-12
- Porsche Cayman S / R 3.4L 987C MKII 2009-12
- Porsche Cayman 2.7L 981 2013-16
- Porsche Cayman S / GTS 3.4L 981 2013-16
- Porsche Cayman GT4 3.8L 2015-16
- Porsche Cayman 718 2.0L Manual (300 Bhp)
- Porsche Cayman 718 2.0L PDK (300 Bhp)
- Porsche Cayman S 718 2.5L Manual (350 Bhp)
- Porsche Cayman S 718 2.5L PDK (350 Bhp)

LOT DE 2
remplacement pour 99634713104, 99634713103, 99134713100,
Convient :
POUR TOUTES Porsche 981, 982, GT4, 991 Y COMPRIS TURBO & GT3/GT3RS.
Convient également aux Porsche 986, 996, 997, 987 qui exécutent des quantités extrêmes de carrossage négatif ou qui ont élargi la largeur de la voie avant.
Le kit RSS Adjustable Front Toe/Bump Steer XL est conçu pour les modèles Porsche qui ont été abaissés. Ce kit aidera à minimiser le changement de géométrie de la suspension à l'avant du véhicule. Permet le réglage de la direction par bosses. Améliore la manipulation, la rétroaction et le contrôle.
Numéros de référence associés
Numéros associés, remplacés, de référence croisée ou alternatifs à des fins de comparaison.
371
Le produit que vous consultez fait référence à ces numéros
- Porsche Boxster 986 2.5L 1997-99
- Porsche Boxster 986 2.7L 1999-02
- Porsche Boxster S 986 3.2L 1999-02
- Porsche Boxster 986 2.7L 2003-04
- Porsche Boxster S 986 3.2L 2003-04
- Porsche Boxster 987 2.7L 2005-08/08
- Porsche Boxster 987 S 3.2/3.4L 2005-08/08
- Porsche Boxster 987 MKII 2.9L 2009-12
- Porsche Boxster S 987 MKII 3.4L 2009-12
- Porsche Boxster 981 2.7L 2012-16
- Porsche Boxster 981 S / GTS 3.4L 2012-16
- Porsche Boxster 981 Spyder 3.8L 2016
- Porsche Boxster 718 2.0L Manual (300 Bhp) 2017>>
- Porsche Boxster 718 2.0L PDK (300 Bhp) 2017>>
- Porsche Boxster S 718 2.5L Manual (350 Bhp) 05/2017>>
- Porsche Boxster S 718 2.5L PDK (350 Bhp) 05/2017>>
- Porsche Boxster T 718 2.0L Manual (300 Bhp) 01/2019>>
- Porsche Boxster T 718 2.0L PDK (300 Bhp) 01/2019>>
- Porsche Boxster GTS 718 2.5L Manual (365 Bhp) 05/2017>>
- Porsche Boxster GTS 718 2.5L PDK (365 Bhp) 05/2017>>
- Porsche Boxster GTS 718 4.0L Manual (400 Bhp) 01/2019>>
- Porsche Boxster GTS 718 4.0L PDK (400 Bhp) 01/2019>>
- Porsche Boxster Spyder / Sypder RS 718 4.0L 01/2019>>
- Porsche Boxster 25 Years 718 4.0L Manual (400 Bhp) 01/2020>>
- Porsche Boxster 25 Years 718 4.0L PDK (400 Bhp) 01/2020>>
- Porsche 996 C2 3.4L 1997-08/01
- Porsche 996 C4 3.4L 1997-08/01
- Porsche 996 C2 3.6L 09/01-2005
- Porsche 996 C4 3.6L 09/01-2005
- Porsche 996 C4S 3.6L 09/01-2005
- Porsche 996 TURBO 2000-05
- Porsche 996 GT2 2001-05
- Porsche 996 GT3 MKI 1999-02
- Porsche 996 GT3 MKII 2003>>
- Porsche 996 GT3 RS 2003-04
- Porsche 997 MK1 Carrera 2 3.6L 2005-08
- Porsche 997 MK1 Carrera 2S 3.8L 2005-08
- Porsche 997 MK1 Carrera 4 3.6L 2005-08
- Porsche 997 MK1 Carrera 4S 3.8L 2005-08
- Porsche 997 MK1 TURBO 2007-09
- Porsche 997 MK1 GT3 2007-09
- Porsche 997 MK1 GT2 2007-09
- Porsche 997 MKII Carrera C2 3.6L 2009-12
- Porsche 997 MKII Carrera C4 3.6L 2009-12
- Porsche 997 MKII Carrera C2S 3.8L 2009-12
- Porsche 997 MKII Carrera C4S 3.8L 2009-12
- Porsche 991.1 Carrera C2 3.4L (350 Bhp) 2012-16
- Porsche 991.1 Carrera C2S / GTS 3.8L (400/430 Bhp) 2012-16
- Porsche 991.1 Carrera C4 3.4L (350 Bhp) 2012-16
- Porsche 991.1 Carrera C4S / GTS 3.8L (400/430 Bhp) 2012-16
- Porsche 991.1 Turbo 3.8L (520 Bhp) 2014-16
- Porsche 991.1 Turbo S 3.8L (560 Bhp) 2014-16
- Porsche 991.1 R 4.0L (500 Bhp) 2016
- Porsche 991.1 GT3 3.8L (475 Bhp) 2014-16
- Porsche 991.1 GT3 RS 4.0L (500 Bhp) 2015-16
- Porsche 991.2 Carrera 2 3.0L (370 Bhp) 2016-19
- Porsche 991.2 Carrera 2S / GTS 3.0L (420/450 Bhp) 2016-19
- Porsche 991.2 Carrera 4 3.0L (370 Bhp) 2016-19
- Porsche 991.2 Carrera 4S / GTS 3.0L (420/450 Bhp) 2016-19
- Porsche 991.2 Cabriolet 2 3.0L (370 Bhp) 2016-19
- Porsche 991.2 Cabriolet 2S / GTS 3.0L (420/450 Bhp) 2016-19
- Porsche 991.2 Cabriolet 4 3.0L (370 Bhp) 2016-19
- Porsche 991.2 Cabriolet 4S / GTS 3.0L (420/450 Bhp) 2016-19
- Porsche 991.2 Targa 4 3.0L (370 Bhp) 2016-19
- Porsche 991.2 Targa 4S / GTS 3.0L (420/450 Bhp) 2016-19
- Porsche 991.2 Turbo Coupe 3.8L (540 Bhp) 2016-19
- Porsche 991.2 Turbo S Coupe 3.8L (580 Bhp) 2016-19
- Porsche 991.2 Turbo Cabriolet 3.8L (540 Bhp) 2016-19
- Porsche 991.2 Turbo S Cabriolet 3.8L (580 Bhp) 2016-19
- Porsche 991.2 Speedster 4.0L (510Bhp) 2019
- Porsche 991.2 GT3 4.0L (500 Bhp) / GT3 RS 4.0L (520 Bhp) 2017-19
- Porsche 991.2 GT2 RS 3.8L PDK (700 bhp) 2018-19
- Porsche Cayman 2.7L 987C 2006-08
- Porsche Cayman S 3.4L 987C 2005-08
- Porsche Cayman 2.9L 987C MKII 2009-12
- Porsche Cayman S / R 3.4L 987C MKII 2009-12
- Porsche Cayman 2.7L 981 2013-16
- Porsche Cayman S / GTS 3.4L 981 2013-16
- Porsche Cayman GT4 3.8L 2015-16
- Porsche Cayman 718 2.0L Manual (300 Bhp)
- Porsche Cayman 718 2.0L PDK (300 Bhp)
- Porsche Cayman S 718 2.5L Manual (350 Bhp)
- Porsche Cayman S 718 2.5L PDK (350 Bhp)
- Porsche Cayman T 718 2.0L Manual (300 Bhp)
- Porsche Cayman T 718 2.0L PDK (300 Bhp)
- Porsche Cayman GTS 718 2.5L Manual (365 Bhp)
- Porsche Cayman GTS 718 2.5L PDK (365 Bhp)
- Porsche Cayman GTS 718 4.0L Manual (400 Bhp)
- Porsche Cayman GTS 718 4.0L PDK (400 Bhp)
- Porsche Cayman GT4 718 4.0L / GT4 RS 718 4.0L

Le kit comprend : 1 goujon conique, 1 écrou de blocage supérieur, 1 écrou de blocage inférieur, 2 entretoises/rondelles de goujon.
REMARQUE POUR L'UTILISATEUR : Un nouveau kit 382 doit être installé une fois que la goupille du joint à rotule a été retirée du moyeu.
Numéros de référence associés
Numéros associés, remplacés, de référence croisée ou alternatifs à des fins de comparaison.
382
Le produit que vous consultez fait référence à ces numéros
- Porsche Boxster 718 2.0L Manual (300 Bhp) 2017>>
- Porsche Boxster 718 2.0L PDK (300 Bhp) 2017>>
- Porsche Boxster S 718 2.5L Manual (350 Bhp) 05/2017>>
- Porsche Boxster S 718 2.5L PDK (350 Bhp) 05/2017>>
- Porsche Boxster T 718 2.0L Manual (300 Bhp) 01/2019>>
- Porsche Boxster T 718 2.0L PDK (300 Bhp) 01/2019>>
- Porsche Boxster GTS 718 2.5L Manual (365 Bhp) 05/2017>>
- Porsche Boxster GTS 718 2.5L PDK (365 Bhp) 05/2017>>
- Porsche Boxster GTS 718 4.0L Manual (400 Bhp) 01/2019>>
- Porsche Boxster GTS 718 4.0L PDK (400 Bhp) 01/2019>>
- Porsche Boxster 25 Years 718 4.0L Manual (400 Bhp) 01/2020>>
- Porsche Boxster 25 Years 718 4.0L PDK (400 Bhp) 01/2020>>
- Porsche 991.2 Carrera 2 3.0L (370 Bhp) 2016-19
- Porsche 991.2 Carrera 2S / GTS 3.0L (420/450 Bhp) 2016-19
- Porsche 991.2 Carrera 4 3.0L (370 Bhp) 2016-19
- Porsche 991.2 Carrera 4S / GTS 3.0L (420/450 Bhp) 2016-19
- Porsche 991.2 Cabriolet 2 3.0L (370 Bhp) 2016-19
- Porsche 991.2 Cabriolet 2S / GTS 3.0L (420/450 Bhp) 2016-19
- Porsche 991.2 Cabriolet 4 3.0L (370 Bhp) 2016-19
- Porsche 991.2 Cabriolet 4S / GTS 3.0L (420/450 Bhp) 2016-19
- Porsche 991.2 Targa 4 3.0L (370 Bhp) 2016-19
- Porsche 991.2 Targa 4S / GTS 3.0L (420/450 Bhp) 2016-19
- Porsche 991.2 Turbo Coupe 3.8L (540 Bhp) 2016-19
- Porsche 991.2 Turbo S Coupe 3.8L (580 Bhp) 2016-19
- Porsche 991.2 Turbo Cabriolet 3.8L (540 Bhp) 2016-19
- Porsche 991.2 Turbo S Cabriolet 3.8L (580 Bhp) 2016-19
- Porsche Cayman 718 2.0L Manual (300 Bhp)
- Porsche Cayman 718 2.0L PDK (300 Bhp)
- Porsche Cayman S 718 2.5L Manual (350 Bhp)
- Porsche Cayman S 718 2.5L PDK (350 Bhp)
- Porsche Cayman T 718 2.0L Manual (300 Bhp)
- Porsche Cayman T 718 2.0L PDK (300 Bhp)
- Porsche Cayman GTS 718 2.5L Manual (365 Bhp)
- Porsche Cayman GTS 718 2.5L PDK (365 Bhp)
- Porsche Cayman GTS 718 4.0L Manual (400 Bhp)
- Porsche Cayman GTS 718 4.0L PDK (400 Bhp)
Convient à :
Modèles à conduite à gauche (LHD)
Porsche 718 (982) Boxster 2.0L 2017>>
Porsche 718 (982) Boxster S 2.5L 2017>>
Porsche 718 (982) Boxster GTS 2.5L 2017>>
Porsche 718 (982) Boxster GTS 4.0L 2020>>
Porsche 718 (982) Boxster T 2.0L 2020>>
Porsche 718 (982) Cayman 2.0L 2017>>
Porsche 718 (982) Cayman S 2.5L 2017>>
Porsche 718 (982) Cayman GTS 2.5L 2017>>
Porsche 718 (982) Cayman GTS 4.0L 2020>>
Porsche 718 (982) Cayman T 2.0L 2020>>
Porsche 991-2 Carrera 3.0L 2016-19 *
Porsche 991-2 Carrera S 3.0L 3.0L 2016-19 *
Porsche 991-2 Carrera GTS 3.0L 2017-19 *
Porsche 991-2 Carrera T 3.0L 2018-19 *
Porsche 991-2 Carrera 4 3.0L 2016-19 *
Porsche 991-2 Carrera 4S 3.0L 2016-19 *
Porsche 991-2 Carrera 4 GTS 3.0L 2017-19 *
Porsche 991-2 Targa 4 3.0L 2016-19 *
Porsche 991-2 Targa 4S 3.0L 2016-19 *
Porsche 991-2 Targa 4 GTS 2017-19 *
Porsche 991-2 Turbo / S 3.8L 2017-20 - Hors GT2 RS
* Remarque : Pour les modèles 991.2 Carrera et Targa (indiqués par un astérisque), cette crémaillère de direction est compatible uniquement avec les véhicules équipés d' un essieu arrière directeur (code d'option PR 470) . Si votre 991.2 Carrera ou Targa n'est pas équipée d'un essieu arrière directeur, une crémaillère de direction différente est nécessaire.
Numéros de référence associés
Numéros associés, remplacés, de référence croisée ou alternatifs à des fins de comparaison.
99134700568
Le produit que vous consultez fait référence à ces numéros
Du lundi au vendredi : 8h30 - 17h30 (GMT) Samedi : Fermé Dimanche : Fermé Veuillez noter : Nous serons fermés du Vendredi saint (18 avril) au lundi (21 avril), et nous rouvrirons normalement le mardi (22 avril).