n'appuyez pas sur le bouton de retour…
-
Pièces de moteur
-
- Refroidissement du moteur Tuyaux d'eau / de liquide de refroidissement Radiateurs eau / liquide de refroidissement Radiateurs de refroidissement pour piste et course Pompes à eau / liquide de refroidissement Bouteilles de liquide de refroidissement / Vases d'expansion Thermostat / Capteur de température Radiateurs d'huile / Échangeurs de chaleur Réservoir d'huile Huile moteur Liquide de refroidissement / Antigel
-
- Composants électriques du moteur Capteurs de masse/débit d'air Alternateur / Générateur Batteries et chargeurs Relais / Fusibles Bobine d'allumage Injecteurs Moteurs du démarreur Commutateur de ventilateur/température Capteur de température Détecteurs de vitesse / référence / cliquetis Faisceau de câbles / Câbles toutes catégories
-
- Pièces de reconstruction de moteur Pièces du système d'huile Pièces du système de carburant Joints et jeux Joint Radial / RMS / Arbre à Cames / Arbre d'équilibrage Courroies / Tendeurs / Rouleaux Chaînes et tendeurs Carters et joints de distribution Roulements moteur / Coquilles Soupapes moteur / Guides / Ressorts Culbuteurs Goujons de culasse de moteur Supports de moteur Segments de piston Cylindres de moteur / Chemises / Pistons Bielle Culasse Arbre à cames et pièces Engrenages / pignons d'arbre à cames et fixations Pièces de carter Vilebrequin et pièces Turbocompresseurs / Intercooler et pièces Admission d'air et injection toutes catégories
-
-
Freins
-
- Freins Pack plaquettes et disques de frein Pack plaquettes et disques de frein SPORT Disque de frein standard Plaquettes de frein standard Disque de frein SPORT Freins Brembo standard Freins Brembo Racing Freins TEXTAR Freins de course PAGID Freins Zimmermann Freins performants SHW Freins EBC Freins Black Diamond Performance Disques de frein O-Brake Ligne Graphite Rotinger Disque en céramique de remplacement Capteurs d'usure de plaquette de frein Amortisseur anti-vibration pour plaquettes de frein Boulons d'étrier / vis de disque Kit goupille et étriers Flexibles de frein Performance Flexibles de frein standard toutes catégories
-
-
Suspension et direction
-
- Suspension et essieu Barre anti-roulis Bagues de barre anti-roulis Support de barre anti-roulis Joints à rotule Liens de chute et bagues AVANT Amortisseurs AVANT Pièces d'amortisseur AVANT Amortisseurs ARRIÈRE Pièces d'amortisseur ARRIÈRE Ressorts hélicoïdaux AVANT Ressorts hélicoïdaux ARRIÈRE toutes catégories
-
Transmission
-
- Boîte de vitesses / Transmission Kits d'embrayage Boulons d'embrayage Pièces de boîte de vitesses Arbres de transmission et pièces Jeux de joints de boîte de vitesses Supports de boîte de vitesses Volant / Couple Kits de joints homocinétiques Bottes et kits CV Arbre à cardan / arbre d'hélice Huile de boîte de vitesses Carter de boîte de vitesses / carter d'huile Différentiel avant Différentiel Boîte de transfert et pièces Flexibles et tuyaux de liquide
-
-
Refroidissement et chauffage
-
- Chauffage / Climatisation Condenseurs et dessiccateurs de climatisation Tuyaux de climatisation Relais / Capteurs / Résistances Compresseurs Moteurs de soufflerie et ventilateurs Ventilateurs de chauffage Tuyaux de chauffage Commande de climatisation Boîtiers de chauffage / climatisation Pompe de liquide de refroidissement auxiliaire
-
-
Électricité et éclairage
-
- Composants électriques et relais Pompes à carburant Commutateur de fenêtre Moteurs de fenêtre Mécanisme de fenêtre Mécanisme d'essuie-glace Klaxon électrique Unités de commande SmartTop Commutateur d'allumage Commutateur de toit / toit ouvrant Relais / Fusibles Lave-pompes / bouteilles / gicleurs Alarmes / Sécurité / Verrouillage centralisé Unités de commande électronique Pièces et commutateurs de tableau de bord / console Moteurs et activateurs de capot/capot arrière/aileron Airbag et pièces Unité de suivi Boîtier de connecteur Faisceau de câbles
-
-
Carrosserie et échappement
-
- Châssis / Carrosserie Châssis de restauration / Panneaux de réparation Amortisseur capot avant Amortisseur capot arrière Capots / Serrures et loquets Coffres/capot arrière/serrures et loquets Capot arrière / Hayon Pare-chocs avant Pare-chocs arrière Portes / Serrures et loquets Panneaux de porte | Charnières | Plaques de frappe Lève-vitres Ailes avant et pièces Panneaux de seuil latéraux Moulures de châssis extérieures Miroirs et pièces Films/autocollants pare-pierres Sous-plateaux de châssis et moteur Balais / Bras d'essuie-glace Bras et balais d'essuie-glace arrière Doublures et couvertures de passage de roue Toit - Cabriolet / Targa / Coupé Couvercles en plastique toutes catégories
-
- Systèmes d'échappement Silencieux Sport / Silencieux Silencieux / Silencieux commutables Silencieux Catalyseur / tuyau de dérivation Tuyaux d'échappement Pack d'échappement Joints d'échappement Écrous / boulons / goujons d'échappement Supports / colliers / sangles Kits de montage d'échappement Échappement Remus toutes catégories
-
-
Lubrifiants et fluides
-
- Pièces de rechange Kits d'entretien pièces d'origine Filtres à huile Filtres à air Filtres à pollen/particules Filtres à carburant Courroies tous types Bougies Bougies IRIDIUM POWER Bobines d'allumage Balais / Bras d'essuie-glace Bras et balais d'essuie-glace arrière Pièces de rechange de boîte de vitesses Huile moteur et lubrifiants - Mobil Huile moteur et lubrifiants - Total Huile moteur et lubrifiants - Castrol Huile moteur et lubrifiants - Motul Huile moteur et lubrifiants - Millers Oils NanoDrive Huile moteur et lubrifiants - Millers Oils Additifs pour carburant Liquide de refroidissement / Antigel Huile de direction assistée EPI de garage
-
-
Toutes les pièces
-
- Pièces Accessoires Châssis / Carrosserie Freins Vêtements et cadeaux Composants électriques et relais Refroidissement du moteur Composants électriques du moteur Pièces de reconstruction de moteur Pièces haute performance Systèmes d'échappement Style extérieur / Ailerons Boîte de vitesses / Transmission Chauffage / Climatisation Composants hydrauliques Intérieur et accessoires Gestion de la communication / multimédia Éclairage Tapis et moquettes Sport automobile et tout-terrain Groupe de pédales Joints en caoutchouc Sièges et ceintures de sécurité toutes catégories
-
- Back to main website
Saisissez votre numéro de TVA ici et cliquez sur Vérifier :
Il n'est pas nécessaire de saisir la partie code pays de votre numéro de TVA car elle a déjà été sélectionnée dans votre adresse de facturation ci-dessus.
Vos coordonnées ont été vérifiées. Numéro de TVA enregistré au nom de:
,
.
Votre commande sera désormais détaxée au titre de la TVA. Nous nous réservons le droit de vérifier ces détails une fois votre commande passée et de rétablir la TVA si nécessaire.
Vos données de TVA n'ont pas été reconnues ou n'étaient pas valides. Votre numéro de TVA doit correspondre à votre pays de facturation tel que spécifié ci-dessus. Il est actuellement spécifié comme . Vous n'avez pas besoin de saisir la partie code pays de votre numéro de TVA car elle a déjà été sélectionnée dans les détails de votre adresse de facturation ci-dessus.
Le service de vérification du numéro de TVA est actuellement hors ligne. Veuillez indiquer votre numéro de TVA dans le champ « Commentaires ou instructions spéciales » ci-dessous et nous appliquerons une remise de TVA après avoir passé votre commande.
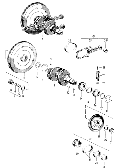
Rondelle de butée. Porsche Boxster 986 / Boxster 987 / 996 ❭ 99610112952
- Porsche Boxster 986 2.5L 1997-99
- Porsche Boxster 986 2.7L 1999-02
- Porsche Boxster S 986 3.2L 1999-02
- Porsche Boxster 986 2.7L 2003-04
- Porsche Boxster S 986 3.2L 2003-04
- Porsche Boxster 987 2.7L 2005-08/08
- Porsche Boxster 987 S 3.2/3.4L 2005-08/08
- Porsche 996 C2 3.4L 1997-08/01
- Porsche 996 C4 3.4L 1997-08/01
- Porsche Cayman 2.7L 987C 2006-08
- Porsche 914 (1970-1976)

Convient :
Moteurs Porsche 986 Boxster 1997-04 M96.20 / M96.22 / M96.23
Porsche 986 Boxster S 2001-04 M96.21 / M96.24
Porsche 987 Boxster 2004-08 moteurs M96.25 / M97.20
Porsche 987 Boxster S 3.2L >>2006 moteurs M96.26
(pas pour les moteurs 3.4L)
Moteurs Porsche 987C Cayman 2004-08 M97.20
Porsche 996 C2 / C4 >>2001 moteurs M96.01 / M96.02 / M96.04
Cliquez sur "Zoom avant" pour le schéma des grandes pièces.
Diagramme Réf N° 24.
- Porsche 957 Cayenne 3.0L Diesel 2007-10
- Porsche 958 Cayenne V6 3.0L Diesel (245Hp) 2010-17
- Porsche 958 Cayenne S V8 4.2L Diesel (382Hp) 2010-17
- Porsche 970.1 Panamera Diesel V6 3.0L 2011-13
- Porsche 970.2 Panamera Diesel V6 3.0L (250Hp) 2014-16
- Porsche 95B.1 Macan S Diesel 3.0L V6 (258Bhp) 2014-18
Identification : Jaune

Convient :
Porsche 957 Cayenne 3.0L DIESEL 2007-10
Porsche 958 Cayenne 3.0L / 4.2L DIESEL 2011-18
Porsche 95B Macan V6 TDI 2014-18
Porsche 970 Panamera 3.0L DIESEL 2010-16
Cliquez sur "Zoom avant" pour le schéma des grandes pièces.
Schéma Ref No 7
Numéros de référence associés
Numéros associés, remplacés, de référence croisée ou alternatifs à des fins de comparaison.
95810124114
Le produit que vous consultez fait référence à ces numéros
- Porsche 957 Cayenne 3.0L Diesel 2007-10
- Porsche 958 Cayenne V6 3.0L Diesel (245Hp) 2010-17
- Porsche 958 Cayenne S V8 4.2L Diesel (382Hp) 2010-17
- Porsche 970.1 Panamera Diesel V6 3.0L 2011-13
- Porsche 970.2 Panamera Diesel V6 3.0L (250Hp) 2014-16
- Porsche 95B.1 Macan S Diesel 3.0L V6 (258Bhp) 2014-18
Identification : Jaune

Convient :
Porsche 957 Cayenne 3.0L DIESEL 2007-10
Porsche 958 Cayenne 3.0L / 4.2L DIESEL 2011-18
Porsche 95B Macan V6 TDI 2014-18
Porsche 970 Panamera 3.0L DIESEL 2010-16
Cliquez sur "Zoom avant" pour le schéma des grandes pièces.
Schéma Ref No 7
Numéros de référence associés
Numéros associés, remplacés, de référence croisée ou alternatifs à des fins de comparaison.
95810124214
Le produit que vous consultez fait référence à ces numéros
- Porsche 957 Cayenne 3.0L Diesel 2007-10
- Porsche 958 Cayenne V6 3.0L Diesel (245Hp) 2010-17
- Porsche 958 Cayenne S V8 4.2L Diesel (382Hp) 2010-17
- Porsche 970.1 Panamera Diesel V6 3.0L 2011-13
- Porsche 970.2 Panamera Diesel V6 3.0L (250Hp) 2014-16
- Porsche 95B.1 Macan S Diesel 3.0L V6 (258Bhp) 2014-18
Identification : Bleu

Convient :
Porsche 957 Cayenne 3.0L DIESEL 2009-10
Porsche 958 Cayenne 3.0L / 4.2L DIESEL 2011-18
Porsche 95B Macan V6 TDI 2014-18
Porsche 970 Panamera 3.0L DIESEL 2010-16
Cliquez sur "Zoom avant" pour le schéma des grandes pièces.
Schéma Ref No 7
Numéros de référence associés
Numéros associés, remplacés, de référence croisée ou alternatifs à des fins de comparaison.
95810124113
Le produit que vous consultez fait référence à ces numéros
Lundi-vendredi : 8h30 - 17h30 (GMT) Samedi : Fermé Dimanche : Fermé