Saisissez votre numéro de TVA ici et cliquez sur Vérifier :
Il n'est pas nécessaire de saisir la partie code pays de votre numéro de TVA car elle a déjà été sélectionnée dans votre adresse de facturation ci-dessus.
Vos coordonnées ont été vérifiées. Numéro de TVA enregistré au nom de:
,
.
Votre commande sera désormais détaxée au titre de la TVA. Nous nous réservons le droit de vérifier ces détails une fois votre commande passée et de rétablir la TVA si nécessaire.
Vos données de TVA n'ont pas été reconnues ou n'étaient pas valides. Votre numéro de TVA doit correspondre à votre pays de facturation tel que spécifié ci-dessus. Il est actuellement spécifié comme . Vous n'avez pas besoin de saisir la partie code pays de votre numéro de TVA car elle a déjà été sélectionnée dans les détails de votre adresse de facturation ci-dessus.
Le service de vérification du numéro de TVA est actuellement hors ligne. Veuillez indiquer votre numéro de TVA dans le champ « Commentaires ou instructions spéciales » ci-dessous et nous appliquerons une remise de TVA après avoir passé votre commande.
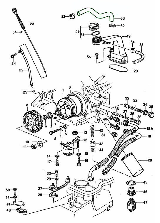
Pièces de goulot de remplissage
- Porsche 928S4 5.0L 1987-92
- Porsche 928GT 5.0L 1989-91
- Porsche 928GTS 5.4L 1992-95

Convient :
Porsche 928 S4 1987-91
Porsche 928 GT 1989-91
Porsche 928 GTS 1992-95
Cliquez sur "Zoom avant" pour le schéma des grandes pièces.
Schéma réf n° 53
Numéros de référence associés
Numéros associés, remplacés, de référence croisée ou alternatifs à des fins de comparaison.
92810744502
Le produit que vous consultez fait référence à ces numéros
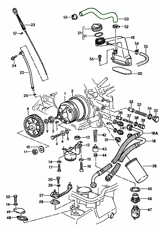
- Porsche 928S4 5.0L 1987-92
- Porsche 928GT 5.0L 1989-91
- Porsche 928GTS 5.4L 1992-95

Convient :
Porsche 928 S4 1987-91
Porsche 928 GT 1989-91
Porsche 928 GTS 1992-95
Cliquez sur "Zoom avant" pour le schéma des grandes pièces.
Schéma réf n° 53
Numéros de référence associés
Numéros associés, remplacés, de référence croisée ou alternatifs à des fins de comparaison.
92810744502
Le produit que vous consultez fait référence à ces numéros
- Porsche 911 1974-1977 2.7L / 1976-77 3.0 Carrera
- Porsche 911 1978-1983 3.0L / SC
- Porsche 911 1984-1986 3.2L
- Porsche 911 1987-1989 3.2L G50
- Porsche 911 1978-1989 3.3L Turbo (930)
- Porsche 964 (911) C2 1989-93
- Porsche 964 (911) C4 1989-93
- Porsche 964 (911) RS 3.6L 1991-93
- Porsche 964 (911) RS 3.8L 1991-93
- Porsche 964 (911) TURBO 3.3L 1991-93
- Porsche 964 (911) TURBO 3.6L 1991-93
- Porsche 924S 2.5L 1986-87
- Porsche 924S 2.5L 1988
- Porsche 944 2.7L 8V 1988-89
- Porsche 944S2 3.0L 16V 1989-91
- Porsche 944 Turbo 2.5L 8V 1985-88
- Porsche 944 Turbo 2.5L 8V 1989-91
- Porsche 944 Turbo S 2.5L 8V 1988
- Porsche 968 3.0L 1992-94
- Porsche 968 Sport 3.0L 1994-95
- Porsche 968 CS 3.0L 1993-95
- Porsche 968 Turbo S 3.0L 1993-94
- Porsche 928S4 5.0L 1987-92
- Porsche 928GT 5.0L 1989-91
- Porsche 928GTS 5.4L 1992-95

Convient :
Porsche 911 1978-89
Porsche 964 1989-94
Porsche 968 1992-95
Porsche 924S 1986-88
Porsche 944 2.7L 1989
Porsche 944 S2 3.0L 1989-91
Porsche 944 2.5L Turbo 1986-91
Porsche 944 2.5L Turbo S 1987-88
Porsche 928 S4 / GT / GTS 1987-95
Cliquez sur "Zoom avant" pour le schéma des grandes pièces.
Schéma réf n° 11
Numéros de référence associés
Numéros associés, remplacés, de référence croisée ou alternatifs à des fins de comparaison.
94410709101
Le produit que vous consultez fait référence à ces numéros
- Porsche 911 1974-1977 2.7L / 1976-77 3.0 Carrera
- Porsche 911 1978-1983 3.0L / SC
- Porsche 911 1984-1986 3.2L
- Porsche 911 1987-1989 3.2L G50
- Porsche 911 1978-1989 3.3L Turbo (930)
- Porsche 964 (911) C2 1989-93
- Porsche 964 (911) C4 1989-93
- Porsche 964 (911) RS 3.6L 1991-93
- Porsche 964 (911) RS 3.8L 1991-93
- Porsche 964 (911) TURBO 3.3L 1991-93
- Porsche 964 (911) TURBO 3.6L 1991-93
- Porsche 924S 2.5L 1986-87
- Porsche 924S 2.5L 1988
- Porsche 944 2.7L 8V 1988-89
- Porsche 944S2 3.0L 16V 1989-91
- Porsche 944 Turbo 2.5L 8V 1985-88
- Porsche 944 Turbo 2.5L 8V 1989-91
- Porsche 944 Turbo S 2.5L 8V 1988
- Porsche 968 3.0L 1992-94
- Porsche 968 Sport 3.0L 1994-95
- Porsche 968 CS 3.0L 1993-95
- Porsche 968 Turbo S 3.0L 1993-94
- Porsche 928S4 5.0L 1987-92
- Porsche 928GT 5.0L 1989-91
- Porsche 928GTS 5.4L 1992-95

Convient :
Porsche 911 SC 1974-83 SPORTMATIC SEULEMENT
Porsche 911 Turbo (3,3L) 09/1977-07/1989
Porsche964 1989-94
Porsche968 1992-95
Porsche924S 1986-88
Porsche944 2.7L 1989
Porsche944 S2 3.0L 1989-91
Porsche 944 2,5 L Turbo 1986-91
Porsche 944 2,5 L Turbo S 1987-88
Porsche 928 S4/GT/GTS 1987-95
Numéros de référence associés
Numéros associés, remplacés, de référence croisée ou alternatifs à des fins de comparaison.
94410709101
Le produit que vous consultez fait référence à ces numéros
- Porsche 928S4 5.0L 1987-92
- Porsche 928GT 5.0L 1989-91
- Porsche 928GTS 5.4L 1992-95

Convient :
Porsche 928 S4 / GT / GTS 1987-95
Cliquez sur "Zoom avant" pour le schéma des grandes pièces.
Schéma réf n° 20.
Numéros de référence associés
Numéros associés, remplacés, de référence croisée ou alternatifs à des fins de comparaison.
92810730700
Le produit que vous consultez fait référence à ces numéros
- Porsche 928S2 4.7L 1984-86
- Porsche 928S4 5.0L 1987-92
- Porsche 928GT 5.0L 1989-91
- Porsche 928GTS 5.4L 1992-95

Convient :
Porsche 928 S 4.7L 1985-86
Porsche 928 S4 5.0L 1987-91
Porsche 928 GT 5.0L 1989-91
Cliquez sur "Zoom avant" pour le schéma des grandes pièces.
Schéma réf n° 19
Numéros de référence associés
Numéros associés, remplacés, de référence croisée ou alternatifs à des fins de comparaison.
92810730307
Le produit que vous consultez fait référence à ces numéros
- Porsche 911 1984-1986 3.2L
- Porsche 911 1987-1989 3.2L G50
- Porsche 911 1978-1989 3.3L Turbo (930)
- Porsche 964 (911) C2 1989-93
- Porsche 964 (911) C4 1989-93
- Porsche 964 (911) RS 3.6L 1991-93
- Porsche 964 (911) RS 3.8L 1991-93
- Porsche 964 (911) TURBO 3.3L 1991-93
- Porsche 964 (911) TURBO 3.6L 1991-93
- Porsche 924S 2.5L 1986-87
- Porsche 924S 2.5L 1988
- Porsche 944 2.7L 8V 1988-89
- Porsche 944S 2.5L 16V 1987-88
- Porsche 944S2 3.0L 16V 1989-91
- Porsche 944 Turbo 2.5L 8V 1985-88
- Porsche 944 Turbo 2.5L 8V 1989-91
- Porsche 944 Turbo S 2.5L 8V 1988
- Porsche 968 3.0L 1992-94
- Porsche 968 Sport 3.0L 1994-95
- Porsche 968 CS 3.0L 1993-95
- Porsche 968 Turbo S 3.0L 1993-94
- Porsche 928S4 5.0L 1987-92
- Porsche 928GT 5.0L 1989-91
- Porsche 928GTS 5.4L 1992-95

Convient :
Porsche 911 1984-89
Porsche 964 1989-94
Porsche 924S 1986-88
Porsche 928 1987-95
Porsche 944 1985-91
Porsche 968 1992-95
Cliquez sur "Zoom avant" pour le schéma des grandes pièces.
Schéma réf n° 12
Numéros de référence associés
Numéros associés, remplacés, de référence croisée ou alternatifs à des fins de comparaison.
99970184641
Le produit que vous consultez fait référence à ces numéros
- Porsche 911 1978-1983 3.0L / SC
- Porsche 911 1984-1986 3.2L
- Porsche 911 1987-1989 3.2L G50
- Porsche 911 1978-1989 3.3L Turbo (930)
- Porsche 964 (911) C2 1989-93
- Porsche 964 (911) C4 1989-93
- Porsche 964 (911) RS 3.6L 1991-93
- Porsche 964 (911) RS 3.8L 1991-93
- Porsche 964 (911) TURBO 3.3L 1991-93
- Porsche 964 (911) TURBO 3.6L 1991-93
- Porsche 924S 2.5L 1986-87
- Porsche 924S 2.5L 1988
- Porsche 944 2.5L 8V 1982-87
- Porsche 944 2.7L 8V 1988-89
- Porsche 944S 2.5L 16V 1987-88
- Porsche 944S2 3.0L 16V 1989-91
- Porsche 944 Turbo 2.5L 8V 1985-88
- Porsche 944 Turbo 2.5L 8V 1989-91
- Porsche 944 Turbo S 2.5L 8V 1988
- Porsche 968 3.0L 1992-94
- Porsche 968 Sport 3.0L 1994-95
- Porsche 968 CS 3.0L 1993-95
- Porsche 968 Turbo S 3.0L 1993-94
- Porsche 928S4 5.0L 1987-92
- Porsche 928GT 5.0L 1989-91
- Porsche 928GTS 5.4L 1992-95
Convient à :
Porsche 911 - 1978 à 1989
Porsche 964 - 1989 à 1994
Porsche 968 - 1992 à 1995
Porsche 924S - 1986 à 1988
Porsche 944 2,5 litres - 1982 à 1991
Porsche 944 2,7 litres - 1989
Porsche 944 S2 3.0ltr - 1989 à 1991
Porsche 944 2,5 litres Turbo 1986-91
Porsche 944 2.5LTurbo S - 1987 à 1988
Porsche 928 S4 / GT / GTS - 1987 à 1995
Description du produit
Votre bouchon d’huile de plus de 30 ans montre-t-il son âge ?
Ce bouchon d'huile résiste aux intempéries grâce à sa finition anodisée en aluminium. Son style RSR apporte la touche finale au compartiment moteur de votre Porsche.
- Fabriqué en aluminium de qualité aéronautique
- Finition anodisée disponible en transparent ou en noir
- Joint torique préinstallé et prêt à l'emploi
Schéma de référence n° 11
Numéros de référence associés
Numéros associés, remplacés, de référence croisée ou alternatifs à des fins de comparaison.
M113
Le produit que vous consultez fait référence à ces numéros
Pièces de goulot de remplissage d'huile moteur – Accès fiable à l'huile pour moteurs Porsche
Le goulot de remplissage d'huile moteur est un élément essentiel du système de lubrification de votre Porsche. Il permet un remplissage d'huile sûr et efficace tout en garantissant une étanchéité optimale pour éviter les fuites, les fuites de vapeurs et la contamination. Cette pièce relie le bouchon de remplissage d'huile au carter principal ou au réservoir, préservant ainsi la pression dans tout le système d'huile moteur.
Chez Design911, nous proposons une gamme complète de goulottes de remplissage d'huile, de bouchons, de joints et de tuyaux de raccordement spécialement conçus pour les véhicules Porsche. Fabriqués à partir de matériaux de haute qualité, résistants à la chaleur et à l'huile, ces composants offrent une durabilité à long terme, un ajustement parfait et des performances supérieures dans des conditions de conduite exigeantes.
Que vous entreteniez une 992 moderne ou restauriez une 911 classique refroidie par air, nos pièces de remplissage d'huile offrent une étanchéité fiable, un débit d'huile efficace et une fiabilité à long terme.
À quoi servent les pièces du goulot de remplissage d’huile ?
Le système de goulot de remplissage d'huile fournit un point d'entrée contrôlé pour l'ajout d'huile moteur tout en maintenant l'intégrité fermée du circuit de lubrification.
Fonctions principales :
- Permet un remplissage d'huile efficace sans contamination ni déversement.
- Maintient la pression adéquate du système d'huile en assurant une étanchéité à l'air.
- Connecte le bouchon de remplissage au réservoir d'huile ou au carter pour une distribution sécurisée.
- Empêche les débris ou l’humidité de pénétrer dans le système d’huile moteur.
Un goulot de remplissage d'huile fonctionnant correctement garantit un entretien d'huile propre et efficace et protège le moteur de votre Porsche des contaminants ou des déséquilibres de pression.
Pourquoi les pièces du goulot de remplissage d’huile tombent-elles en panne ?
En raison de l’exposition constante à l’huile, à la chaleur et aux vibrations, les pièces du goulot de remplissage peuvent se dégrader avec le temps, entraînant des fuites ou une mauvaise étanchéité.
Les causes courantes d’échec comprennent :
- Tuyaux de remplissage fissurés ou cassants causés par l’âge ou l’exposition à la chaleur.
- Joints et joints toriques usés ou endommagés , entraînant des fuites de vapeur d'huile.
- Accumulation de résidus d'huile , provoquant un colmatage ou un mauvais ajustement.
- Raccords desserrés ou corrodés suite à une utilisation répétée.
- Une installation incorrecte entraînant une perte de pression ou des fuites.
Les signes de défaillance peuvent inclure des odeurs d'huile, des fuites visibles, des bouchons de remplissage desserrés ou un déséquilibre du vide, qui peuvent tous réduire les performances et entraîner des problèmes de maintenance s'ils ne sont pas contrôlés.
Pourquoi remplacer par des composants de goulot de remplissage d'huile conçus avec précision ?
Le remplacement des pièces de remplissage d'huile usées ou endommagées garantit une pression d'huile adéquate, un débit d'huile propre et un entretien fiable du moteur. Nos composants de haute qualité, à montage direct, sont conçus pour résister à la chaleur, à la corrosion et à la dégradation de l'huile, préservant ainsi l'intégrité du système même en conditions de haute performance.
Principaux avantages :
- Rétablit l’étanchéité à l’air et la pression adéquate du système d’huile.
- Empêche les fuites et la contamination de l'huile.
- Améliore la commodité et la fiabilité du service.
- Fabriqué à partir de matériaux très résistants et résistants à l'huile.
- Compatibilité directe avec les moteurs Porsche classiques et modernes.
- Parfait pour l'entretien régulier ou la reconstruction du moteur.
Le remplacement du goulot de remplissage et des pièces associées empêche non seulement la perte d'huile, mais contribue également à maintenir un fonctionnement propre et efficace du moteur.
Points forts:
- Goulots de remplissage d'huile et composants de précision pour moteurs Porsche.
- Matériaux durables et résistants à la corrosion pour une fiabilité à long terme.
- Remplacements directs pour Porsche 911, Boxster, Cayman, Cayenne, Panamera et plus
- Assure un remplissage d'huile correct et l'étanchéité du système. Réduit les risques de fuites, de contamination et de perte de vapeur.
- Idéal pour les projets d'entretien, de reconstruction ou de restauration.