Inserisci il tuo numero di partiva IVA qui e fai clic su Verifica:
Nessuna necessità di inserire la parte del numero di partita IVA relativa al codice del paese poiché questa è già stato selezionata nel predetto indirizzo di fatturazione.
I tuoi dati sono stati verificati. Numero di partita IVA registrato a:
,
.
Al tuo ordine sarà applicata un’aliquota pari a zero ai fini dell’IVA. Ci riserviamo il diritto di verificare questi dettagli dopo che la tua richiesta d’ordine è stata fatta e di reintegrare l’IVA se necessario.
I tuoi dati IVA non sono stati riconosciuti o non erano validi. Il tuo numero di partita IVA deve corrispondere al tuo paese di fatturazione come specificato sopra. Attualmente è specificato come . Non occorre inserire inserire la parte del numero di partita IVA relativa al codice del paese poiché questa è già stato selezionata nei dettagli del predetto indirizzo di fatturazione.
Il servizio di verifica della partita IVA è attualmente offline. Per favore fornisci i tuoi dati IVA all’interno dei commenti o nel campo delle istruzioni speciali sotto e noi applicheremo uno sconto IVA dopo aver fatto la richiesta d’ordine.
Victor Reinz
In qualità di produttore di apparecchiature originali e fornitore di pezzi di ricambio, Dana offre tecnologie di tenuta innovative della massima qualità con il marchio Victor Reinz®. Tutti i pezzi di ricambio dell'ampia gamma di prodotti soddisfano gli elevati standard di qualità OEM Porsche.
Quasi tutti i marchi e i modelli più noti dei produttori di automobili in tutto il mondo sono dotati delle soluzioni di tenuta professionali di Dana nei settori dei motori e degli scarichi.
- Porsche 971.1 Panamera 4S Diesel V8 4.0L 4WD (422 Hp) 2017-18
- Porsche 971.1 Panamera 4S Diesel 4.0L Twin-Turbo V8 Sport Turismo 2017-18
Questa guarnizione del collettore di aspirazione è utilizzata sulla versione diesel da 4,0 litri della Porsche Panamera (generazione 971). È posizionata tra il collettore di aspirazione e la testata, garantendo una tenuta durevole che impedisce perdite d'aria e di pressione di sovralimentazione nel sistema di induzione.
Venduti singolarmente.
Adatto a:
Porsche 971.1 Panamera 4.0L Diesel 05/2016 - 12/2020 TDI CR
Diagramma rif. n. 2 e 9
• Posizione sul veicolo: tra il collettore di aspirazione e la testata del cilindro (lato aspirazione) sul blocco motore.
• Applicazioni: ideale per la sostituzione quando il collettore di aspirazione viene rimosso o durante la manutenzione/intervento in cui la guarnizione originale potrebbe essere stata danneggiata, degradata o se il motore presenta sintomi di perdite di induzione (come minimo irregolare, calo della potenza del turbo o spia di controllo del motore).
Una guarnizione del collettore di aspirazione funzionante correttamente è fondamentale per mantenere un'adeguata aspirazione dell'aria, il mantenimento della pressione di sovralimentazione e l'efficienza della combustione. Una guarnizione che perde può causare un cattivo funzionamento del motore, una riduzione della potenza, un aumento delle emissioni o persino uno sforzo eccessivo del turbocompressore. La sostituzione garantisce la tenuta corretta di fabbrica, protegge il potenziale prestazionale del motore e contribuisce a preservarne il valore.
Quando sostituire:
• Collettore di aspirazione rimosso per manutenzione o riparazione.
• Segni di perdite di induzione: minimo instabile, calo della pressione di sovralimentazione, guasti al motore.
• Usura dovuta all'età, affaticamento del materiale o riutilizzo precedente della vecchia guarnizione.
• Pianificazione dell'affidabilità a lungo termine o ripristino delle specifiche originali.
Numeri di riferimento correlati
Numeri correlati, sostituiti, riferimenti incrociati o alternativi per il confronto.
9A712970700
Il prodotto che stai visualizzando fa riferimento a questi numeri
- Porsche 911 1965-1968 2.0L / 912 SWB (F)
- Porsche 356 1950-55
- Porsche 356A 1955-59
- Porsche 356B 1959-63
- Porsche 356C 1963-65
Adatto a:
Porsche 356 - dal 1950 al 1955
Porsche 356A - dal 1955 al 1959
Porsche 356B - dal 1959 al 1963
Porsche 912
Numeri di riferimento correlati
Numeri correlati, sostituiti, riferimenti incrociati o alternativi per il confronto.
61610190101
Il prodotto che stai visualizzando fa riferimento a questi numeri
- Porsche 911 1965-1968 2.0L / 912 SWB (F)
- Porsche 911 1968-1973 2.2L / 2.4L / 2.7L RS LWB (F)
- Porsche 911 1974-1977 2.7L / 1976-77 3.0 Carrera
- Porsche 911 1978-1983 3.0L / SC
- Porsche 911 1984-1986 3.2L
- Porsche 911 1987-1989 3.2L G50
- Porsche 911 1975-1977 3.0L Turbo (930)
- Porsche 911 1978-1989 3.3L Turbo (930)
- Porsche 993 (911) C2 1994-97
- Porsche 993 (911) C4 1994-97
- Porsche 993 (911) RS 1994-97
- Porsche 993 (911) C2S 1994-97
- Porsche 993 (911) C4S 1994-97
- Porsche 993 (911) TURBO 1994-96
- Porsche 993 (911) GT2 1994-97
- Porsche 993 (911) TURBO S 1994-97
- Porsche 914 (1970-1976)
Venduto ciascuno
Adatto a:
Porsche 914 - dal 1970 al 1976
Porsche 911 - dal 1965 al 1989
Porsche 993 - dal 1994 al 1998
Utilizzato sulla pompa dell'olio Sportomatic per 911 e 914
Utilizzato sulla pompa del servosterzo per 993
Diagramma rif. n. 8 e 16
Numeri di riferimento correlati
Numeri correlati, sostituiti, riferimenti incrociati o alternativi per il confronto.
99970113550
Il prodotto che stai visualizzando fa riferimento a questi numeri
- Porsche 911 1965-1968 2.0L / 912 SWB (F)
- Porsche 911 1968-1973 2.2L / 2.4L / 2.7L RS LWB (F)
- Porsche 914 (1970-1976)
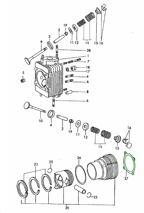
Venduto singolarmente - 6 richiesti per auto
Adatto a:
Porsche 911 - dal 1965 al 1973
Porsche 914-6
Schema rif. n. 27
Numeri di riferimento correlati
Numeri correlati, sostituiti, riferimenti incrociati o alternativi per il confronto.
90110439104
Il prodotto che stai visualizzando fa riferimento a questi numeri
- Porsche 924S 2.5L 1986-87
- Porsche 924S 2.5L 1988
- Porsche 944 2.5L 8V 1982-87
- Porsche 944 Turbo 2.5L 8V 1985-88
- Porsche 944 Turbo 2.5L 8V 1989-91
- Porsche 944 Turbo S 2.5L 8V 1988
Venduti singolarmente - ne servono 4 per auto
Adatto a:
Porsche 924S - dal 1986 al 1988
Porsche 944 2.5ltr - dal 1982 al 1987
Porsche 944 turbo - dal 1985 al 1991
Numeri di riferimento correlati
Numeri correlati, sostituiti, riferimenti incrociati o alternativi per il confronto.
94411016305
Il prodotto che stai visualizzando fa riferimento a questi numeri
- Porsche 924S 2.5L 1986-87
- Porsche 924S 2.5L 1988
- Porsche 944 2.5L 8V 1982-87
- Porsche 944 2.7L 8V 1988-89
- Porsche 944S 2.5L 16V 1987-88
- Porsche 944S2 3.0L 16V 1989-91
- Porsche 968 3.0L 1992-94
- Porsche 968 Sport 3.0L 1994-95
- Porsche 968 CS 3.0L 1993-95
Venduti singolarmente - 2 richiesti per auto
Adatto a:
Porsche 924S - dal 1986 al 1988
Porsche 944 / S / S2 - dal 1982 al 1991
Porsche 968 - dal 1992 al 1995
Schema rif. n. 7
Numeri di riferimento correlati
Numeri correlati, sostituiti, riferimenti incrociati o alternativi per il confronto.
94411113501
Il prodotto che stai visualizzando fa riferimento a questi numeri
- Porsche 957 Cayenne 3.0L Diesel 2007-10
- Porsche 958 Cayenne V6 3.0L Diesel 245HP 2010-17
- Porsche 958 Cayenne S V8 4.2L Diesel 382HP 2010-17
Venduto in confezione da 10 bulloni
Adatto a:
Porsche 957 Cayenne Diesel 3.0ltr V6 - dal 2007 al 2010 (codice motore 059D)
Porsche 958 Cayenne Diesel 3.0ltr V6 - 2011 (codice motore 059E)
Porsche 958 Cayenne Diesel 4.2ltr V8 - 2013-2018 (codice motore CUDB, CUDC)
Bullone a testa cilindrica M12 x 1,5 x 159,5
I motori V6 da 3,0 litri richiedono 8 bulloni per testata, 16 in totale
I motori V8 da 4,2 litri richiedono 10 bulloni per testata, 20 in totale
Schema rif. n. 18
Numeri di riferimento correlati
Numeri correlati, sostituiti, riferimenti incrociati o alternativi per il confronto.
95510418100
Il prodotto che stai visualizzando fa riferimento a questi numeri
- Porsche 9YA Cayenne V6 3.0L Petrol 340Hp 2018-23
- Porsche 9YA Cayenne Coupe V6 3.0L Petrol 340Hp 2019-23
- Porsche 9YA Cayenne E-Hybrid V6 3.0L V6 340Hp 2018-23
- Porsche 9YA Cayenne Coupe E-Hybrid V6 3.0L 340Hp 2020-23
- Porsche 9YA Cayenne S V6 2.9L Petrol 440Hp 2018-23
- Porsche 9YA Cayenne Coupe S V6 2.9L Petrol 440Hp 2019-23
- Porsche 971.1 Panamera V6 3.0L 2WD (330 Hp) 2017-20
- Porsche 971.1 Panamera 4 V6 3.0L 4WD (330 Hp) 2017-20
- Porsche 971.1 Panamera 4 V6 3.0L 4WD Executive 2017-20
- Porsche 971.1 Panamera 4 3.0L Turbocharged V6 Sport Turismo 2017-20
- Porsche 971.1 Panamera 4S V6 3.0L 4WD (440 Hp) 2017-20
- Porsche 971.1 Panamera 4S V6 3.0L 4WD Executive 2017-20
- Porsche 971.1 Panamera 4S 2.9L Twin-Turbo V6 Sport Turismo 2017-20
- Porsche 971.1 Panamera 4 E-Hybrid V6 2.9L 4WD 2017-20
- Porsche 971.1 Panamera 4 E-Hybrid V6 2.9L 4WD Executive 2017-20
- Porsche 971.1 Panamera 4 E-Hybrid 2.9L Twin-Turbo V6 Sport Turismo 2017-20
- Porsche 971.2 Panamera 2.9L V6 2021-23
- Porsche 971.2 Panamera 4 2.9L V6 2021-23
- Porsche 971.2 Panamera 4 Sport Turismo 2.9L V6 2021-23
- Porsche 971.2 Panamera 4S 2.9L V6 2021-23
- Porsche 971.2 Panamera 4S Sport Turismo 2.9L V6 2021-23
- Porsche 971.2 Panamera 4 E-Hybrid 2.9L V6 2021-23
- Porsche 95B.2 Macan S Petrol 3.0L V6 354Bhp 2019-21
- Porsche 95B.2 Macan GTS Petrol 2.9L V6 380Bhp 2019-21
- Porsche 95B.2 Macan Turbo 2.9L V6 440Bhp 2019-21
- Porsche 95B.3 Macan S Petrol 2.9L V6 380Bhp 2022>>
- Porsche 95B.3 Macan GTS Petrol 2.9L V6 440Bhp 2022>>
Cilindri 1 - 3 e 4 - 6
Adatto a:
Porsche 95B.2 Macan S / GTS - dal 2019 al 2021
Porsche 95B.2 Macan turbo - dal 2019 al 2021
Porsche 95B.3 Macan S / GTS 2.9ltr - dal 2022 in poi
Porsche 971.1 Panamera V6 2.9lt - dal 2017 al 2020
Porsche 971.1 Panamera V6 3.0 litri - dal 2017 al 2020
Porsche 971.2 Panamera V6 2.9lt - dal 2021 al 2023
Porsche 9YA Cayenne V6 2,9 litri - dal 2018 al 2023
Porsche 9YA Cayenne V6 3.0 litri - dal 2018 al 2023
Per i codici motore
95B.2 Macan- DLZ / DLZB / DGR / DGRB / DGRC / TV8+GP2
Panamera 971.1 - CSZA / CSZ / CXTA / CXT / DGPA / DGP / CSZB / CSZ
Panamera 971.2 - D0D / D29 / D4D
9YA Cayenne - DCAB / DCA / DCBE / DCB
Numeri di riferimento correlati
Numeri correlati, sostituiti, riferimenti incrociati o alternativi per il confronto.
PAB10314
Il prodotto che stai visualizzando fa riferimento a questi numeri
- Porsche Boxster 986 2.5L 1997-99
- Porsche Boxster 986 2.7L 1999-02
- Porsche Boxster S 986 3.2L 1999-02
- Porsche Boxster 986 2.7L 2003-04
- Porsche Boxster S 986 3.2L 2003-04
- Porsche Boxster 987 2.7L 2005 -08/08
- Porsche Boxster 987 S 3.2/3.4L 2005-08/08
- Porsche 996 C2 3.4L 1997-08/01
- Porsche 996 C4 3.4L 1997-08/01
- Porsche 996 C2 3.6L 09/01-2005
- Porsche 996 C4 3.6L 09/01-2005
- Porsche 996 C4S 3.6L 09/01-2005
- Porsche 997 MK1 Carrera 2 3.6L 2005-08
- Porsche 997 MK1 Carrera 2S 3.8L 2005-08
- Porsche 997 MK1 Carrera 4 3.6L 2005-08
- Porsche 997 MK1 Carrera 4S 3.8L 2005-08
- Porsche Cayman 2.7L 987C 2006-08
- Porsche Cayman S 3.4L 987C 2005-08
Adatto a:
Porsche 986 Boxster - dal 1997 al 2004
Porsche 987 Boxster - dal 2005 al 2008
Porsche 987C Cayman - dal 2005 al 2008
Porsche 996 C2 / C4 / C4S - dal 1998 al 2005
Porsche 997 C2 / C4 / C2S / C4S - dal 2005 al 2008
Schema rif. n. 7
Numeri di riferimento correlati
Numeri correlati, sostituiti, riferimenti incrociati o alternativi per il confronto.
99610632651
Il prodotto che stai visualizzando fa riferimento a questi numeri
- Porsche 996 C2 3.4L 1997-08/01
- Porsche 996 C4 3.4L 1997-08/01
- Porsche 996 C2 3.6L 09/01-2005
- Porsche 996 C4 3.6L 09/01-2005
- Porsche 996 C4S 3.6L 09/01-2005
Sold as a set of 6
Fits:
Porsche 996 Carrera 2 / Carrera 4 3.4ltr - 1999 to 2001
Porsche 996 Carrera 2 / Carrera 4 / 4S 3.6ltr - 2002 to 2005
Diagram ref no 2
Numeri di riferimento correlati
Numeri correlati, sostituiti, riferimenti incrociati o alternativi per il confronto.
99711024700
Il prodotto che stai visualizzando fa riferimento a questi numeri
Questo kit è composto dai seguenti elementi:
- Porsche 996 C2 3.4L 1997-08/01
- Porsche 996 C4 3.4L 1997-08/01
- Porsche 996 C2 3.6L 09/01-2005
- Porsche 996 C4 3.6L 09/01-2005
- Porsche 996 C4S 3.6L 09/01-2005
Venduto singolarmente - 6 richiesti per auto
Adatto a:
Porsche 996 Carrera 2 / Carrera 4 3,4 litri - dal 1999 al 2001
Porsche 996 Carrera 2 / Carrera 4 / 4S 3,6 litri - dal 2002 al 2005
Schema rif. n. 2
Numeri di riferimento correlati
Numeri correlati, sostituiti, riferimenti incrociati o alternativi per il confronto.
99711024700
Il prodotto che stai visualizzando fa riferimento a questi numeri
- Porsche 911 1978-1983 3.0L / SC
- Porsche 911 1984-1986 3.2L
- Porsche 911 1987-1989 3.2L G50
- Porsche 911 1975-1977 3.0L Turbo (930)
- Porsche 911 1978-1989 3.3L Turbo (930)
- Porsche 964 (911) C2 1989-93
- Porsche 964 (911) C4 1989-93
- Porsche 964 (911) RS 3.6L 1991-93
- Porsche 964 (911) RS 3.8L 1991-93
- Porsche 964 (911) TURBO 3.3L 1991-93
- Porsche 964 (911) TURBO 3.6L 1991-93
- Porsche 993 (911) C2 1994-97
- Porsche 993 (911) C4 1994-97
- Porsche 993 (911) RS 1994-97
- Porsche 993 (911) C2S 1994-97
- Porsche 993 (911) C4S 1994-97
- Porsche 993 (911) TURBO 1994-96
- Porsche 993 (911) GT2 1994-97
- Porsche 993 (911) TURBO S 1994-97
Adatto a:
Porsche 911 - dal 1978 al 1989
Porsche 964 - dal 1989 al 1994
Porsche 993 - dal 1994 al 1998
Numeri di riferimento correlati
Numeri correlati, sostituiti, riferimenti incrociati o alternativi per il confronto.
93010090104
Il prodotto che stai visualizzando fa riferimento a questi numeri
- Porsche 924 2.0L 1976-79
- Porsche 924 2.0L 1980-85
- Porsche 924 Turbo 2.0L 1979-81
- Porsche 924 Turbo 2.0L 1982-84
- Porsche 924 Carrera GT 2.0L 1981
- Porsche 924 Carrera GTS 2.0L 1982
Adatto a:
Porsche 924 2.0ltr - dal 1976 al 1985
Porsche 924 turbo - dal 1979 al 1984
Diagramma Rif. n. 23
Numeri di riferimento correlati
Numeri correlati, sostituiti, riferimenti incrociati o alternativi per il confronto.
060198041A
Il prodotto che stai visualizzando fa riferimento a questi numeri
- Porsche 924 2.0L 1976-79
- Porsche 924 2.0L 1980-85
- Porsche 924 Turbo 2.0L 1979-81
- Porsche 924 Turbo 2.0L 1982-84
- Porsche 924 Carrera GT 2.0L 1981
- Porsche 924 Carrera GTS 2.0L 1982
Adatto a:
Porsche 924 2.0ltr - dal 1976 al 1985
Porsche 924 turbo - dal 1979 al 1985
Diametro interno - 96 mm
Diametro esterno - 117 mm
Altezza - 12,mm
Schema rif. n. 9
Numeri di riferimento correlati
Numeri correlati, sostituiti, riferimenti incrociati o alternativi per il confronto.
059103051D
Il prodotto che stai visualizzando fa riferimento a questi numeri
- Porsche 911 1965-1968 2.0L / 912 SWB (F)
- Porsche 911 1968-1973 2.2L / 2.4L / 2.7L RS LWB (F)
- Porsche 911 1974-1977 2.7L / 1976-77 3.0 Carrera
- Porsche 911 1978-1983 3.0L / SC
Vendute singolarmente: 3 guarnizioni per scambiatore di calore.
Adatto a:
Porsche 911 S 2.4ltr (iniezione meccanica) - dal 1971 al 1973
Porsche 911 SC / 911 Carrera 2.7-3.0ltr - dal 1975 al 1983
Porsche 911 T/E/S (non iniezione meccanica) 2.0-2.4ltr 1964-1973
Porsche 911 turbo - dal 1975 al 1983
Porsche 911 / 911 S / 911 Carrera 2.7 - dal 1974 al 1975
Schema rif. n. 14
Numeri di riferimento correlati
Numeri correlati, sostituiti, riferimenti incrociati o alternativi per il confronto.
93011119113
Il prodotto che stai visualizzando fa riferimento a questi numeri
- Porsche 9YA Cayenne V6 3.0L Petrol 340Hp 2018-23
- Porsche 9YA Cayenne Coupe V6 3.0L Petrol 340Hp 2019-23
- Porsche 9YA Cayenne E-Hybrid V6 3.0L V6 340Hp 2018-23
- Porsche 9YA Cayenne Coupe E-Hybrid V6 3.0L 340Hp 2020-23
- Porsche 9YA Cayenne S V6 2.9L Petrol 440Hp 2018-23
- Porsche 9YA Cayenne Coupe S V6 2.9L Petrol 440Hp 2019-23
- Porsche 971.1 Panamera V6 3.0L 2WD (330 Hp) 2017-20
- Porsche 971.1 Panamera 4 V6 3.0L 4WD (330 Hp) 2017-20
- Porsche 971.1 Panamera 4 V6 3.0L 4WD Executive 2017-20
- Porsche 971.1 Panamera 4 3.0L Turbocharged V6 Sport Turismo 2017-20
- Porsche 971.1 Panamera 4S V6 3.0L 4WD (440 Hp) 2017-20
- Porsche 971.1 Panamera 4S V6 3.0L 4WD Executive 2017-20
- Porsche 971.1 Panamera 4S 2.9L Twin-Turbo V6 Sport Turismo 2017-20
- Porsche 971.1 Panamera 4 E-Hybrid V6 2.9L 4WD 2017-20
- Porsche 971.1 Panamera 4 E-Hybrid V6 2.9L 4WD Executive 2017-20
- Porsche 971.1 Panamera 4 E-Hybrid 2.9L Twin-Turbo V6 Sport Turismo 2017-20
- Porsche 971.2 Panamera 2.9L V6 2021-23
- Porsche 971.2 Panamera 4 2.9L V6 2021-23
- Porsche 971.2 Panamera 4 Sport Turismo 2.9L V6 2021-23
- Porsche 971.2 Panamera 4S 2.9L V6 2021-23
- Porsche 971.2 Panamera 4S Sport Turismo 2.9L V6 2021-23
- Porsche 971.2 Panamera 4 E-Hybrid 2.9L V6 2021-23
- Porsche 95B.2 Macan S Petrol 3.0L V6 354Bhp 2019-21
- Porsche 95B.2 Macan GTS Petrol 2.9L V6 380Bhp 2019-21
- Porsche 95B.2 Macan Turbo 2.9L V6 440Bhp 2019-21
- Porsche 95B.3 Macan S Petrol 2.9L V6 380Bhp 2022>>
- Porsche 95B.3 Macan GTS Petrol 2.9L V6 440Bhp 2022>>
Cilindri 1 - 3 e 4 - 6
Adatto a:
Porsche 95B.2 Macan S / GTS - dal 2019 al 2021
Porsche 95B.2 Macan turbo - dal 2019 al 2021
Porsche 95B.3 Macan S / GTS 2.9ltr - dal 2022 in poi
Porsche 971.1 Panamera V6 2.9lt - dal 2017 al 2020
Porsche 971.1 Panamera V6 3.0 litri - dal 2017 al 2020
Porsche 971.2 Panamera V6 2.9lt - dal 2021 al 2023
Porsche 9YA Cayenne V6 2,9 litri - dal 2018 al 2023
Porsche 9YA Cayenne V6 3.0 litri - dal 2018 al 2023
Per i codici motore
95B.2 Macan- DLZ / DLZB / DGR / DGRB / DGRC / TV8+GP2
Panamera 971.1 - CSZA / CSZ / CXTA / CXT / DGPA / DGP / CSZB / CSZ
Panamera 971.2 - D0D / D29 / D4D
9YA Cayenne - DCAB / DCA / DCBE / DCB
Numeri di riferimento correlati
Numeri correlati, sostituiti, riferimenti incrociati o alternativi per il confronto.
PAB10314
Il prodotto che stai visualizzando fa riferimento a questi numeri