non premere il tasto di ritorno…
-
Parti del motore
-
- Raffreddamento del motore Tubi flessibili per acqua/refrigerante Radiatori per acqua / refrigerante Pompe dell'acqua / del refrigerante Contenitori / serbatoi di espansione per refrigerante Termostato / sensore di temperatura Radiatori dell'olio / scambiatori di calore Serbatoio dell'olio Parti per il raffreddamento ad aria Olio motore Refrigerante/antigelo
-
- Parti di ricostruzione del motore Componenti del sistema dell'olio Parti del sistema di alimentazione del carburante Guarnizioni e set Guarnizione radiale/RMS/albero a camme/albero di bilanciamento Cinghie/tenditori/rulli Catene e tenditori Coperchi distribuzione e guarnizioni Cuscinetti/calotte del motore Valvole/guide/molle del motore Bilancieri Viti prigioniere del motore Supporti del motore Fasce elastiche dei pistoni Cilindri/camicie/pistoni del motore Biella Testata Albero a camme e parti Ingranaggi/ruote dentate e fissaggi dell'albero a camme Parti del carter Albero a gomiti e parti Turbocompressori/Intercooler e parti Presa d'aria e iniezione tutte le categorie
-
-
Freni
-
- Freni Pastiglie dei freni e pacchetto dischi Disco del freno standard Pastiglie dei freni standard Disco del freno SPORT Freni standard Brembo Freni Brembo Racing Freni TEXTAR Freni da gara PAGID Freni Zimmermann Freni ad alte prestazioni SHW Freni EBC Dischi per freni O-Brake Ricambio per disco in ceramica Sensori di usura delle pastiglie dei freni Spessori anti-vibrazioni per pastiglie dei freni Bulloni della pinza / viti del disco Kit perni e piastre guida Tubi flessibili per freni ad alte prestazioni Tubi flessibili per freni standard Pinza e condotti del freno Pinze dei freni Aggiornamenti delle pinze dei freni tutte le categorie
-
-
Sospensioni e sterzo
-
- Sospensione e assale Barra antirollio Boccole della barra antirollio Staffa della barra antirollio Stabilizzatori e boccole ANTERIORI Stabilizzatori e boccole POSTERIORI Ammortizzatori ANTERIORI Parti degli ammortizzatori ANTERIORI Ammortizzatori POSTERIORI Parti degli ammortizzatori POSTERIORI Molle elicoidali ANTERIORI Molle elicoidali POSTERIORI tutte le categorie
-
Trasmissione
-
- Cambio / trasmissione Kit frizione Piastra di attrito frizione Tubo di guida della frizione Forcelle e leve della frizione Bulloni della frizione Parti del cambio Alberi di trasmissione e parti Supporti del cambio Volano/coppia Kit giunti omocinetici Cuffie e kit giunto omocinetico Albero cardanico / albero di trasmissione Olio del cambio Coppa del cambio / coppa dell'olio Differenziale anteriore Differenziale Sensori di velocità/riferimento Raffreddatori dell'olio Scatola di rinvio e parti
-
- Raffreddamento e riscaldamento
-
Elettrico e illuminazione
-
- Componenti elettrici e relè Pompe del carburante Interruttore del finestrino Motore del tergicristallo Clacson elettrico Unità di controllo SmartTop Interruttore di accensione Interruttore freccia / leva tergicristallo Relè / fusibili Pompe/contenitori/getti per lavavetri Allarmi/sicurezza/chiusura centralizzata Centraline elettroniche Parti e interruttori del cruscotto / della console Attivatori e motorini cofano / portello posteriore / spoiler Airbag e parti Localizzatore Alloggiamento connettori Cablaggio Sensore di pressione dell'aria
-
- Illuminazione Fari per guida a destra Fari per guida a sinistra Parti e lenti dei fari Indicatori di direzione anteriori Indicatori di direzione posteriori per guida a destra Indicatori di direzione posteriori per guida a sinistra Fari fendinebbia / di guida Ripetitori laterali 3a luce di frenata Luci della targa Luci per interni/abitacolo tutte le categorie
-
-
Corpo e scarico
-
- Telaio / Carrozzeria Restauro telaio / Riparazione pannelli Ammortizzatore del coperchio del cofano motore Ammortizzatore del portello del bagagliaio Cofani / serrature e chiavistelli Bagagliaio / portello posteriore / serrature e chiavistelli Portello posteriore / portellone Paraurti anteriori Paraurti posteriori Porte / serrature e chiavistelli Pannelli per porte | Cerniere | Piastre percussori Parafanghi anteriori e parti Parafanghi posteriori e parti Pannelli sottoporta laterali Modanature esterne del telaio Specchietti e parti Pellicole/adesivi parasassi Sottoscocche telaio e motore Spazzole/bracci dei tergicristalli Bracci e spazzole tergicristallo posteriori Rivestimenti e coperture dei passaruota Tetto - Cabrio / Targa / Coupé Coperture in plastica tutte le categorie
-
- Scarichi Silenziatori / Marmitte Sportivi Silenziatori/silenziatori commutabili Silenziatori/marmitte Catalizzatore/bypass Collettore/collettori Terminali di scarico Pacchetto di scarico Guarnizioni di scarico Dadi/bulloni/prigionieri di scarico Staffe/morsetti/cinghie Kit raccordi di scarico tutte le categorie
-
-
Lubrificanti e fluidi
-
- Parti di ricambio Filtri dell'olio Filtri dell'aria Filtri antipolline/antiparticolato Filtri del carburante Cinghie di tutti i tipi Candele Candele IRIDIUM POWER Bobine di accensione Spazzole/bracci dei tergicristalli Bracci e spazzole tergicristallo posteriori Parti di ricambio della scatola del cambio Olio motore e lubrificanti - Mobil Olio motore e lubrificanti - Total Olio motore e lubrificanti - Castrol Olio Motore e Lubrificanti - Motul Olio motore e lubrificanti - Millers Oils NanoDrive Olio motore e lubrificanti - Millers Oils Additivi per carburanti Refrigerante/antigelo Olio per servosterzo DPI per autofficina
-
-
Tutte le parti
-
- Parti Accessori Telaio / Carrozzeria Freni Abbigliamento e regali Componenti elettrici e relè Raffreddamento del motore Componenti elettrici del motore Parti di ricostruzione del motore Parti per alte prestazioni Scarichi Linea esterni / spoiler Cambio / trasmissione Riscaldamento/climatizzazione Componenti idraulici Interni e accessori Incar / multimedia Illuminazione Tappetini e tappeti Motorsport e fuoristrada Pedaliera Guarnizioni di gomma Sedili e cinture di sicurezza tutte le categorie
-
- Back to main website
Inserisci il tuo numero di partiva IVA qui e fai clic su Verifica:
Nessuna necessità di inserire la parte del numero di partita IVA relativa al codice del paese poiché questa è già stato selezionata nel predetto indirizzo di fatturazione.
I tuoi dati sono stati verificati. Numero di partita IVA registrato a:
,
.
Al tuo ordine sarà applicata un’aliquota pari a zero ai fini dell’IVA. Ci riserviamo il diritto di verificare questi dettagli dopo che la tua richiesta d’ordine è stata fatta e di reintegrare l’IVA se necessario.
I tuoi dati IVA non sono stati riconosciuti o non erano validi. Il tuo numero di partita IVA deve corrispondere al tuo paese di fatturazione come specificato sopra. Attualmente è specificato come . Non occorre inserire inserire la parte del numero di partita IVA relativa al codice del paese poiché questa è già stato selezionata nei dettagli del predetto indirizzo di fatturazione.
Il servizio di verifica della partita IVA è attualmente offline. Per favore fornisci i tuoi dati IVA all’interno dei commenti o nel campo delle istruzioni speciali sotto e noi applicheremo uno sconto IVA dopo aver fatto la richiesta d’ordine.
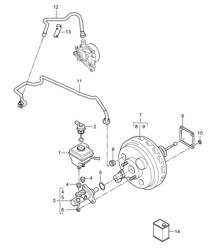
Guarnizione servofreno. Porsche Caienna 955 / 957 ❭ 95535590101
- Porsche 955 Cayenne 3.2L V6 2003-06
- Porsche 955 Cayenne S 4.5L V8 2003-06
- Porsche 955 Cayenne Turbo 4.5L 2003-06
- Porsche 955 Cayenne Turbo S 4.5L 2006>>
- Porsche 957 Cayenne 3.0L Diesel 2007-10
- Porsche 957 Cayenne 3.6L 2007-10
- Porsche 957 Cayenne S/GTS 4.8L 2007-10
- Porsche 957 Cayenne Turbo / Turbo S 4.8L 2007-10

Si adatta:
Porsche Caienna MK1 (955) 2003-2006
Porsche Caienna MK2 (957) 2007-2010
Fai clic su "Ingrandisci" per il diagramma delle parti di grandi dimensioni
Diagramma rif. 8
Numeri di riferimento correlati
Numeri correlati, sostituiti, riferimenti incrociati o alternativi per il confronto.
95535590101
Il prodotto che stai visualizzando fa riferimento a questi numeri
Lunedì-venerdì: 8.30-17.30 (GMT) Sabato: chiuso Domenica: chiuso