non premere il tasto di ritorno…
-
Parti del motore
-
- Raffreddamento del motore Tubi e tubazioni del liquido di raffreddamento (auto con motore posteriore) Radiatori per acqua / refrigerante Radiatori del refrigerante per pista e gara Pompe dell'acqua / del refrigerante Contenitori / serbatoi di espansione per refrigerante Termostato / sensore di temperatura Radiatori dell'olio / scambiatori di calore Sistema e tubi dell'olio Olio motore Refrigerante/antigelo
-
- Parti di ricostruzione del motore Albero intermedio (IMS) Componenti del sistema dell'olio Parti del sistema di alimentazione del carburante Guarnizioni e set Guarnizione radiale/RMS/albero a camme/albero di bilanciamento Cinghie/tenditori/rulli Catene e tenditori Coperchi distribuzione e guarnizioni Cuscinetti/calotte del motore Valvole/guide/molle del motore Bilancieri Viti prigioniere del motore Supporti del motore Fasce elastiche dei pistoni Cilindri/camicie/pistoni del motore Biella Testata Albero a camme e parti Alberi a camme Ingranaggi/ruote dentate e fissaggi dell'albero a camme Parti del carter Albero a gomiti e parti tutte le categorie
-
-
Freni
-
- Freni Pastiglie dei freni e pacchetto dischi Pastiglie dei freni e pacchetto dischi SPORT Pacchetti pastiglie freno Disco del freno standard Pastiglie dei freni standard Disco del freno SPORT Freni standard Brembo Freni Brembo Racing Freni TEXTAR Freni da gara PAGID Freni Zimmermann Freni ad attrito ad alte prestazioni Disco per freno scanalato Giro Freni ad alte prestazioni SHW Freni EBC Freni ad alte prestazioni Black Diamond Dischi per freni O-Brake Linea grafite Rotinger Ricambio per disco in ceramica Sensori di usura delle pastiglie dei freni Spessori anti-vibrazioni per pastiglie dei freni Bulloni della pinza / viti del disco tutte le categorie
-
-
Sospensioni e sterzo
-
- Sospensione e assale Barra antirollio Boccole della barra antirollio Staffa della barra antirollio Stabilizzatori e boccole ANTERIORI Stabilizzatori e boccole POSTERIORI Ammortizzatori ANTERIORI Parti degli ammortizzatori ANTERIORI Ammortizzatori POSTERIORI Parti degli ammortizzatori POSTERIORI Molle elicoidali ANTERIORI Molle elicoidali POSTERIORI tutte le categorie
-
Trasmissione
-
- Cambio / trasmissione Kit frizione Kit frizione - alte prestazioni Piastra di attrito frizione Spingidisco frizione Cuscinetti di rilascio della frizione Cavi e parti della frizione Tubo di guida della frizione Forcelle e leve della frizione Bulloni della frizione Parti del cambio Alberi di trasmissione e parti Serie di guarnizioni del cambio Supporti del cambio Parti di controllo del cambio Volano/coppia Kit giunti omocinetici Cuffie e kit giunto omocinetico Albero cardanico / albero di trasmissione Parti della trasmissione Olio del cambio Coppa del cambio / coppa dell'olio Differenziale tutte le categorie
-
-
Raffreddamento e riscaldamento
-
- Riscaldamento/climatizzazione Condensatori ed essiccatori per climatizzazione Evaporatori dell'aria condizionata e valvole di espansione Tubi per climatizzazione Cinghie per climatizzazione Ventole e cappottature Relè/sensori/resistori Compressori Alette del riscaldatore Motori e ventole per soffianti Soffianti del riscaldatore Tubi flessibili e tubi del riscaldatore Scambiatore di calore Cavi del riscaldatore Bocchette di ventilazione / griglie Controllo della climatizzazione Sensori/interruttori di temperatura Alloggiamenti riscaldamento/climatizzazione
-
-
Elettrico e illuminazione
-
- Componenti elettrici e relè Pompe del carburante Interruttore luce di frenata Interruttore freno e frizione Interruttore di segnalazione pericolo Interruttore del freno a mano Interruttore della luce di retromarcia Interruttore dei fari Interruttore del finestrino Motori del finestrino Meccanismo del finestrino Motore del tergicristallo Clacson elettrico Unità di controllo SmartTop Interruttore di accensione Interruttore del sedile Interruttore freccia / leva tergicristallo Interruttore tetto / tettuccio apribile Relè / fusibili Pompe/contenitori/getti per lavavetri Allarmi/sicurezza/chiusura centralizzata Centraline elettroniche Interruttori tergicristallo tutte le categorie
-
- Illuminazione Fari per guida a destra Fari per guida a sinistra Parti e lenti dei fari Kit luci HID Indicatori di direzione anteriori Indicatori di direzione posteriori per guida a destra Indicatori di direzione posteriori per guida a sinistra Fari fendinebbia / di guida Ripetitori laterali 3a luce di frenata Luci della targa tutte le categorie
-
-
Corpo e scarico
-
- Telaio / Carrozzeria Restauro telaio / Riparazione pannelli Ammortizzatore del coperchio del cofano motore Ammortizzatore del portello del bagagliaio Cofani / serrature e chiavistelli Bagagliaio / portello posteriore / serrature e chiavistelli Portello posteriore / portellone Paraurti anteriori Paraurti posteriori Porte / serrature e chiavistelli Pannelli per porte | Cerniere | Piastre percussori Alzacristalli Parafanghi anteriori e parti Parafanghi posteriori e parti Pannelli sottoporta laterali Modanature esterne del telaio Specchietti e parti Pellicole/adesivi parasassi Sottoscocche telaio e motore Spazzole/bracci dei tergicristalli Rivestimenti e coperture dei passaruota Tetto - Cabrio / Targa / Coupé Scocca di protezione tutte le categorie
-
- Scarichi Silenziatori/Marmitte Standard Silenziatori / Marmitte Sportivi Silenziatori/silenziatori commutabili Silenziatori/marmitte Catalizzatore/bypass Collettore/collettori Terminali di scarico Scambiatori di calore Pacchetto di scarico Guarnizioni di scarico Dadi/bulloni/prigionieri di scarico tutte le categorie
-
-
Lubrificanti e fluidi
-
- Parti di ricambio Kit parti di ricambio originali Filtri dell'olio Filtri dell'aria Filtri antipolline/antiparticolato Filtri del carburante Cinghie di tutti i tipi Candele Candele IRIDIUM POWER Candele IRIDIUM RACING Bobine di accensione Spazzole/bracci dei tergicristalli Bracci e spazzole tergicristallo posteriori Parti di ricambio della scatola del cambio Olio motore Porsche Classic Olio motore e lubrificanti - Mobil Olio motore e lubrificanti - Total Olio motore e lubrificanti - Castrol Olio Motore e Lubrificanti - Motul Olio motore e lubrificanti - Millers Oils NanoDrive Olio motore e lubrificanti - Millers Oils Additivi per carburanti Refrigerante/antigelo tutte le categorie
-
-
Tutte le parti
-
- Parti Accessori Telaio / Carrozzeria Freni Abbigliamento e regali Componenti elettrici e relè Raffreddamento del motore Componenti elettrici del motore Parti di ricostruzione del motore Parti per alte prestazioni Scarichi Linea esterni / spoiler Cambio / trasmissione Riscaldamento/climatizzazione Componenti idraulici Interni e accessori Incar / multimedia Illuminazione Tappetini e tappeti Motorsport e fuoristrada Pedaliera Guarnizioni di gomma Sedili e cinture di sicurezza tutte le categorie
-
- Back to main website
Inserisci il tuo numero di partiva IVA qui e fai clic su Verifica:
Nessuna necessità di inserire la parte del numero di partita IVA relativa al codice del paese poiché questa è già stato selezionata nel predetto indirizzo di fatturazione.
I tuoi dati sono stati verificati. Numero di partita IVA registrato a:
,
.
Al tuo ordine sarà applicata un’aliquota pari a zero ai fini dell’IVA. Ci riserviamo il diritto di verificare questi dettagli dopo che la tua richiesta d’ordine è stata fatta e di reintegrare l’IVA se necessario.
I tuoi dati IVA non sono stati riconosciuti o non erano validi. Il tuo numero di partita IVA deve corrispondere al tuo paese di fatturazione come specificato sopra. Attualmente è specificato come . Non occorre inserire inserire la parte del numero di partita IVA relativa al codice del paese poiché questa è già stato selezionata nei dettagli del predetto indirizzo di fatturazione.
Il servizio di verifica della partita IVA è attualmente offline. Per favore fornisci i tuoi dati IVA all’interno dei commenti o nel campo delle istruzioni speciali sotto e noi applicheremo uno sconto IVA dopo aver fatto la richiesta d’ordine.
Kit conversione ingresso Drive by Wire con collettori. Porsche 964/993 ❭ 96411090100
- Porsche 964 (911) C2 1989-93
- Porsche 964 (911) C4 1989-93
- Porsche 964 (911) RS 3.6L 1991-93
- Porsche 964 (911) RS 3.8L 1991-93
- Porsche 993 (911) C2 1994-97
- Porsche 993 (911) C4 1994-97
- Porsche 993 (911) RS 1994-97
- Porsche 993 (911) C2S 1994-97
- Porsche 993 (911) C4S 1994-97
- Porsche 993 (911) TURBO 1994-96
- Porsche 993 (911) GT2 1994-97
- Porsche 993 (911) TURBO S 1994-97
Convertire l'induzione 964/993 in configurazione Drive by Wire
Adatto a:
Porsche 964 - dal 1989 al 1993
Porsche 993 - dal 1994 al 1998
Panoramica del prodotto:
Trasforma le prestazioni della tua Porsche 964 con questo kit di aspirazione elegante e tecnologico progettato per Porsche 964/993. Questa innovazione segna il passaggio dal tipico acceleratore a cavo a un corpo farfallato elettronico "drive by wire". Questa modifica avanzata semplifica il sistema di aspirazione eliminando componenti non necessari, con conseguente aspetto più pulito del vano motore.
Questa modifica offre una configurazione più guidabile per motori altamente elaborati, incorporando al contempo la precisione di un acceleratore drive by wire (DBW).
Questa migliore guidabilità è una caratteristica fondamentale per un motore raffreddato ad aria ottimizzato e consente un controllo fluido del minimo sia a freddo che a caldo. Rende semplicemente il motore più moderno rispetto alle vecchie configurazioni ITB (corpi farfallati individuali), carenti di coppia ai medi regimi e con difficoltà di controllo del minimo.
Componenti di precisione:
- Corpo farfallato da 82 mm con collettore PA12 industriale rinforzato
- Collettori di aspirazione fresati a CNC realizzati in alluminio billet
- Stivali di gomma e morsetti inclusi per una facile installazione
- Tubo di risonanza Islandworks con valvola e solenoide, realizzato con lo stesso materiale PA12
- Sensori di pressione e temperatura integrati nel collettore
- Linee del vuoto essenziali per prestazioni ottimali
Il kit include
Aspirazione completa con tutti i componenti visibili nell'immagine, realizzati in PA12 modificato mediante un processo industriale. Questo plenum di aspirazione è stato ottimizzato per adattarsi a una Porsche 964 o Porsche 993 e include tutte le porte di aspirazione sia per la depressione dei freni che per la manovra della valvola di risonanza.
Verranno riutilizzate le seguenti parti della presa d'aria 964:
- Stivali di gomma e morsetti
- Serbatoio del vuoto
- I plenum in alluminio o plastica
- Lembo di risonanza
- Attuatore e albero
Nota : il plenum di aspirazione in alluminio o plastica non è incluso nel kit, così come non lo sono gli articoli specificatamente elencati come esclusi sopra.
Numeri di riferimento correlati
Numeri correlati, sostituiti, riferimenti incrociati o alternativi per il confronto.
96411090100
Il prodotto che stai visualizzando fa riferimento a questi numeri
- Porsche Boxster 986 2.5L 1997-99
- Porsche 996 C2 3.4L 1997-08/01
- Porsche 996 C2 3.6L 09/01-2005

Si adatta:
Porsche 996 C2 1998-05
Porsche 986 Boxster 2.5L 1997-99
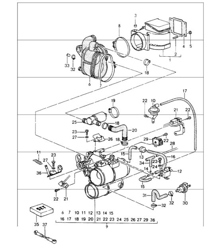
Fare clic su "Zoom avanti" per il diagramma delle parti di grandi dimensioni.
Rif. diagramma n. 8
Numeri di riferimento correlati
Numeri correlati, sostituiti, riferimenti incrociati o alternativi per il confronto.
99611021553
Il prodotto che stai visualizzando fa riferimento a questi numeri
- Porsche Boxster 987 2.7L 2005-08/08
- Porsche Boxster 987 S 3.2/3.4L 2005-08/08
- Porsche Cayman 2.7L 987C 2006-08
- Porsche Cayman S 3.4L 987C 2005-08

Si adatta:
Porsche 987.1 Boxster 2.7L / S 3.4L 2007-08
Porsche 987C.1 Cayman 2.7L / S 3.4L 2006-08
Fai clic su "Ingrandisci" per il diagramma delle parti di grandi dimensioni.
Diagramma rif. 8
Numeri di riferimento correlati
Numeri correlati, sostituiti, riferimenti incrociati o alternativi per il confronto.
98711011601
Il prodotto che stai visualizzando fa riferimento a questi numeri
Lunedì-venerdì: 8.30-17.30 (GMT) Sabato: chiuso Domenica: chiuso