non premere il tasto di ritorno…
-
Parti del motore
-
- Raffreddamento del motore Tubi e tubi flessibili del refrigerante Radiatori per acqua / refrigerante Radiatori del refrigerante per pista e gara Pompe dell'acqua / del refrigerante Contenitori / serbatoi di espansione per refrigerante Termostato / sensore di temperatura Radiatori dell'olio / scambiatori di calore Sistema e tubi dell'olio Olio motore Refrigerante/antigelo
-
- Parti di ricostruzione del motore Albero intermedio (IMS) Componenti del sistema dell'olio Parti del sistema di alimentazione del carburante Guarnizioni e set Guarnizione radiale/RMS/albero a camme/albero di bilanciamento Cinghie/tenditori/rulli Catene e tenditori Coperchi distribuzione e guarnizioni Cuscinetti/calotte del motore Valvole/guide/molle del motore Viti prigioniere del motore Supporti del motore Fasce elastiche dei pistoni Cilindri/camicie/pistoni del motore Biella Testata Albero a camme e parti Parti del carter Albero a gomiti e parti Turbocompressori/Intercooler e parti Presa d'aria e iniezione Pompa a vuoto tutte le categorie
-
-
Freni
-
- Freni Pastiglie dei freni e pacchetto dischi Disco del freno standard Pastiglie dei freni standard Disco del freno SPORT Freni standard Brembo Freni Brembo Racing Freni TEXTAR Freni da gara PAGID Freni Zimmermann Freni ad attrito ad alte prestazioni Disco per freno scanalato Giro Dischi per freni O-Brake Freni in ceramica Surface Transforms Linea grafite Rotinger Ricambio per disco in ceramica Sensori di usura delle pastiglie dei freni Spessori anti-vibrazioni per pastiglie dei freni Bulloni della pinza / viti del disco Kit perni e piastre guida Tubi flessibili per freni ad alte prestazioni Tubi flessibili per freni standard Pinza e condotti del freno tutte le categorie
-
-
Sospensioni e sterzo
-
- Sospensione e assale Barra antirollio Boccole della barra antirollio Staffa della barra antirollio Stabilizzatori e boccole ANTERIORI Stabilizzatori e boccole POSTERIORI Parti degli ammortizzatori ANTERIORI Parti degli ammortizzatori POSTERIORI Bracci oscillanti ANTERIORI Braccio oscillante POSTERIORE Cuscinetti e kit per ruote Dado del mozzo tutte le categorie
-
Trasmissione
-
- Cambio / trasmissione Kit frizione - alte prestazioni Piastra di attrito frizione Spingidisco frizione Cuscinetti di rilascio della frizione Forcelle e leve della frizione Parti del cambio Alberi di trasmissione e parti Serie di guarnizioni del cambio Supporti del cambio Parti di controllo del cambio Kit giunti omocinetici Cuffie e kit giunto omocinetico Albero cardanico / albero di trasmissione Olio del cambio Coppa del cambio / coppa dell'olio Differenziale Raffreddatori dell'olio Componenti per sport motoristici
-
-
Raffreddamento e riscaldamento
-
- Riscaldamento/climatizzazione Condensatori ed essiccatori per climatizzazione Evaporatori dell'aria condizionata e valvole di espansione Tubi per climatizzazione Ventole e cappottature Relè/sensori/resistori Compressori Motori e ventole per soffianti Soffianti del riscaldatore Tubi flessibili e tubi del riscaldatore Scambiatore di calore Bocchette di ventilazione / griglie Sensori/interruttori di temperatura Alloggiamenti riscaldamento/climatizzazione
-
-
Elettrico e illuminazione
-
- Componenti elettrici e relè Pompe del carburante Interruttore freno e frizione Interruttore di segnalazione pericolo Interruttore del freno a mano Interruttore dei fari Interruttore del finestrino Meccanismo del finestrino Motore del tergicristallo Clacson elettrico Unità di controllo SmartTop Interruttore di accensione Interruttore del sedile Interruttore freccia / leva tergicristallo Interruttore tetto / tettuccio apribile Relè / fusibili Pompe/contenitori/getti per lavavetri Allarmi/sicurezza/chiusura centralizzata Centraline elettroniche Parti e interruttori del cruscotto / della console Interruttore specchietto retrovisore esterno Kit telefono/Bluetooth/iPod Airbag e parti tutte le categorie
-
- Illuminazione Fari per guida a destra Fari per guida a sinistra Parti e lenti dei fari Kit luci HID Indicatori di direzione anteriori Indicatori di direzione posteriori per guida a destra Indicatori di direzione posteriori per guida a sinistra Fari fendinebbia / di guida Ripetitori laterali Luci della targa Luci per interni/abitacolo tutte le categorie
-
-
Corpo e scarico
-
- Telaio / Carrozzeria Restauro telaio / Riparazione pannelli Ammortizzatore del coperchio del cofano motore Ammortizzatore del portello del bagagliaio Cofani / serrature e chiavistelli Bagagliaio / portello posteriore / serrature e chiavistelli Portello posteriore / portellone Paraurti anteriori Paraurti posteriori Porte / serrature e chiavistelli Pannelli per porte | Cerniere | Piastre percussori Alzacristalli Parafanghi anteriori e parti Parafanghi posteriori e parti Pannelli sottoporta laterali Modanature esterne del telaio Specchietti e parti Pellicole/adesivi parasassi Sottoscocche telaio e motore Spazzole/bracci dei tergicristalli Bracci e spazzole tergicristallo posteriori Rivestimenti e coperture dei passaruota Tetto - Cabrio / Targa / Coupé tutte le categorie
-
- Scarichi Silenziatori/Marmitte Standard Silenziatori / Marmitte Sportivi Silenziatori/marmitte Catalizzatore/bypass Collettore/collettori Terminali di scarico Scambiatori di calore Guarnizioni di scarico Dadi/bulloni/prigionieri di scarico Staffe/morsetti/cinghie Parti del vuoto di scarico sportivo tutte le categorie
-
-
Lubrificanti e fluidi
-
- Parti di ricambio Filtri dell'olio Filtri dell'aria Filtri antipolline/antiparticolato Filtri del carburante Cinghie di tutti i tipi Candele Bobine di accensione Spazzole/bracci dei tergicristalli Bracci e spazzole tergicristallo posteriori Parti di ricambio della scatola del cambio Olio motore e lubrificanti - Mobil Olio motore e lubrificanti - Total Olio motore e lubrificanti - Castrol Olio Motore e Lubrificanti - Motul Olio motore e lubrificanti - Millers Oils NanoDrive Olio motore e lubrificanti - Millers Oils Additivi per carburanti Refrigerante/antigelo Olio per servosterzo DPI per autofficina
-
-
Tutte le parti
-
- Parti Accessori Telaio / Carrozzeria Freni Abbigliamento e regali Componenti elettrici e relè Raffreddamento del motore Componenti elettrici del motore Parti di ricostruzione del motore Parti per alte prestazioni Scarichi Linea esterni / spoiler Cambio / trasmissione Riscaldamento/climatizzazione Componenti idraulici Interni e accessori Incar / multimedia Illuminazione Tappetini e tappeti Motorsport e fuoristrada Pedaliera Guarnizioni di gomma Sedili e cinture di sicurezza tutte le categorie
-
- Back to main website
Inserisci il tuo numero di partiva IVA qui e fai clic su Verifica:
Nessuna necessità di inserire la parte del numero di partita IVA relativa al codice del paese poiché questa è già stato selezionata nel predetto indirizzo di fatturazione.
I tuoi dati sono stati verificati. Numero di partita IVA registrato a:
,
.
Al tuo ordine sarà applicata un’aliquota pari a zero ai fini dell’IVA. Ci riserviamo il diritto di verificare questi dettagli dopo che la tua richiesta d’ordine è stata fatta e di reintegrare l’IVA se necessario.
I tuoi dati IVA non sono stati riconosciuti o non erano validi. Il tuo numero di partita IVA deve corrispondere al tuo paese di fatturazione come specificato sopra. Attualmente è specificato come . Non occorre inserire inserire la parte del numero di partita IVA relativa al codice del paese poiché questa è già stato selezionata nei dettagli del predetto indirizzo di fatturazione.
Il servizio di verifica della partita IVA è attualmente offline. Per favore fornisci i tuoi dati IVA all’interno dei commenti o nel campo delle istruzioni speciali sotto e noi applicheremo uno sconto IVA dopo aver fatto la richiesta d’ordine.
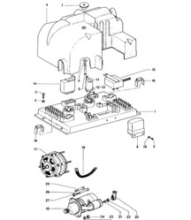
Alternatore e intercooler con cinghia di massa. Porsche 911/914 ❭ 90161211000
- Porsche 911 1965-1968 2.0L / 912 SWB (F)
- Porsche 911 1968-1973 2.2L / 2.4L / 2.7L RS LWB (F)
- Porsche 911 1978-1989 3.3L Turbo (930)
- Porsche 914 (1970-1976)
Adatto a:
Porsche 911 - 1965 al 1973 - (alternatore)
Porsche 911 turbo - dal 1987 al 1989 (intercooler)
Porsche 914 - dal 1970 al 1976
Fare clic su "Ingrandisci" per visualizzare lo schema delle parti più grandi.
Schema rif. n. 18 o 17
Numeri di riferimento correlati
Numeri correlati, sostituiti, riferimenti incrociati o alternativi per il confronto.
90161211000
Il prodotto che stai visualizzando fa riferimento a questi numeri
- Porsche 997 MK1 GT2 2007-09
Adatto a:
Porsche 997 GT2 2007-09
Schema rif. n. 27
Numeri di riferimento correlati
Numeri correlati, sostituiti, riferimenti incrociati o alternativi per il confronto.
99760703404
Il prodotto che stai visualizzando fa riferimento a questi numeri
- Porsche Boxster 987 2.7L 2005 -08/08
- Porsche Boxster 987 S 3.2/3.4L 2005-08/08
- Porsche 997 MK1 Carrera 2 3.6L 2005-08
- Porsche 997 MK1 Carrera 2S 3.8L 2005-08
- Porsche 997 MK1 Carrera 4 3.6L 2005-08
- Porsche 997 MK1 Carrera 4S 3.8L 2005-08
- Porsche 997 MK1 TURBO 2007-09
- Porsche 997 MK1 GT3 2007-09
- Porsche 997 MK1 GT2 2007-09
- Porsche Cayman 2.7L 987C 2006-08
- Porsche Cayman S 3.4L 987C 2005-08
Adatto a:
Per auto con cambio Tiptronic (I249) e cambio manuale (I480/481)
Porsche 987.1 Boxster 2007-08
Porsche 987C.1 Cayman 2007-08
Porsche 997.1 Carrera 2007-09
Porsche 997.1 Turbo 2007-09
Porsche 997 GT3 2010-11
Tipo di spina

Schema rif. n. 20
Numeri di riferimento correlati
Numeri correlati, sostituiti, riferimenti incrociati o alternativi per il confronto.
99760302205
Il prodotto che stai visualizzando fa riferimento a questi numeri
- Porsche Boxster 987 2.7L 2005 -08/08
- Porsche Boxster 987 S 3.2/3.4L 2005-08/08
- Porsche 997 MK1 Carrera 2 3.6L 2005-08
- Porsche 997 MK1 Carrera 2S 3.8L 2005-08
- Porsche 997 MK1 Carrera 4 3.6L 2005-08
- Porsche 997 MK1 Carrera 4S 3.8L 2005-08
- Porsche 997 MK1 TURBO 2007-09
- Porsche 997 MK1 GT3 2007-09
- Porsche 997 MK1 GT2 2007-09
- Porsche Cayman 2.7L 987C 2006-08
- Porsche Cayman S 3.4L 987C 2005-08

Alternatore ricondizionato. Per auto dal 2007 in poi. (con puleggia a ruota libera)
Adatto a:
Per auto con cambio Tiptronic (I249) e cambio manuale (I480/481)
Porsche 987.1 Boxster 2007-08
Porsche 987C.1 Cayman 2007-08
Porsche 997.1 Carrera 2007-09
Porsche 997.1 Turbo 2007-09
Porsche 997 GT3 2010-11
Tipo di spina

Schema rif. n. 20
Gli alternatori ricondizionati vengono venduti su base di permuta. Verrà trattenuto un supplemento di £ 100,00 che verrà poi rimborsato alla restituzione del vecchio alternatore.
- Il sovrapprezzo per questa parte ricondizionata verrà rimborsato quando l'unità sostitutiva sarà ricevuta e approvata da noi e dal produttore interessato.
- Si prega di notare che i rimborsi dei sovrapprezzi spesso richiedono in media dalle 6 alle 8 settimane per essere approvati dal produttore.
- L'accettazione del pezzo sostitutivo è a discrezione del produttore, in base all'idoneità del pezzo al ricondizionamento.
- Tutti i supplementi e i cambi sono soggetti ai nostri termini e condizioni.
NOTARE CHE:
Numeri di riferimento correlati
Numeri correlati, sostituiti, riferimenti incrociati o alternativi per il confronto.
99760302205
Il prodotto che stai visualizzando fa riferimento a questi numeri
Lunedì-venerdì: 8.30-17.30 (GMT) Sabato: chiuso Domenica: chiuso