non premere il tasto di ritorno…
-
Parti del motore
-
- Componenti elettrici del motore Sensori di massa/flusso d'aria Alternatore/generatore Batterie e caricabatterie Valvola di avviamento a freddo Distributore Cappuccio distributore Bracci del rotore / serie di puntine Relè/fusibili Bobina di accensione Centraline di accensione Serie di cavi d'accensione tutte le categorie
-
- Parti di ricostruzione del motore Albero intermedio (IMS) Componenti del sistema dell'olio Parti del sistema di alimentazione del carburante Guarnizioni e set Guarnizione radiale/RMS/albero a camme/albero di bilanciamento Cinghie/tenditori/rulli Catene e tenditori Coperchi distribuzione e guarnizioni Cuscinetti/calotte del motore Valvole/guide/molle del motore Bilancieri Viti prigioniere del motore Supporti del motore Fasce elastiche dei pistoni Cilindri/camicie/pistoni del motore Biella Testata Albero a camme e parti Alberi a camme Ingranaggi/ruote dentate e fissaggi dell'albero a camme Parti del carter Albero a gomiti e parti tutte le categorie
-
Freni
-
- Freni Pastiglie dei freni e pacchetto dischi Pastiglie dei freni e pacchetto dischi SPORT Disco del freno standard Pastiglie dei freni standard Disco del freno SPORT Freni standard Brembo Freni Brembo Racing Freni TEXTAR Freni da gara PAGID Freni Zimmermann Freni ad attrito ad alte prestazioni Freni a disco Wilwood Freni EBC Freni ad alte prestazioni Black Diamond Sensori di usura delle pastiglie dei freni Spessori anti-vibrazioni per pastiglie dei freni Bulloni della pinza / viti del disco Kit perni e piastre guida Tubi flessibili per freni ad alte prestazioni Tubi flessibili per freni standard Pinza e condotti del freno Pinze dei freni tutte le categorie
-
-
Sospensioni e sterzo
-
- Sospensione e assale Barra antirollio Boccole della barra antirollio Staffa della barra antirollio Giunti a sfera Stabilizzatori e boccole ANTERIORI Stabilizzatori e boccole POSTERIORI Ammortizzatori ANTERIORI Parti degli ammortizzatori ANTERIORI Ammortizzatori POSTERIORI Parti degli ammortizzatori POSTERIORI Bracci oscillanti ANTERIORI tutte le categorie
-
Trasmissione
-
- Cambio / trasmissione Kit frizione Kit frizione - alte prestazioni Piastra di attrito frizione Spingidisco frizione Cuscinetti di rilascio della frizione Cavi e parti della frizione Tubo di guida della frizione Corona dentata della frizione Forcelle e leve della frizione Bulloni della frizione Parti del cambio Alberi di trasmissione e parti Serie di guarnizioni del cambio Supporti del cambio Parti di controllo del cambio Volano/coppia Kit giunti omocinetici Cuffie e kit giunto omocinetico Albero cardanico / albero di trasmissione Parti della trasmissione Olio del cambio Coppa del cambio / coppa dell'olio tutte le categorie
-
-
Raffreddamento e riscaldamento
-
- Riscaldamento/climatizzazione Condensatori ed essiccatori per climatizzazione Evaporatori dell'aria condizionata e valvole di espansione Tubi per climatizzazione Cinghie per climatizzazione Ventole e cappottature Relè/sensori/resistori Compressori Alette del riscaldatore Motori e ventole per soffianti Soffianti del riscaldatore Tubi flessibili e tubi del riscaldatore Cavi del riscaldatore Bocchette di ventilazione / griglie Controllo della climatizzazione Sensori/interruttori di temperatura Alloggiamenti riscaldamento/climatizzazione
-
-
Elettrico e illuminazione
-
- Componenti elettrici e relè Pompe del carburante Interruttore luce di frenata Interruttore freno e frizione Interruttore di segnalazione pericolo Interruttore del freno a mano Interruttore della luce di retromarcia Interruttore dei fari Interruttore del finestrino Motori del finestrino Meccanismo del finestrino Motore del tergicristallo Meccanismo del tergicristallo Clacson elettrico Unità di controllo SmartTop Interruttore di accensione Interruttore del sedile Interruttore freccia / leva tergicristallo Interruttore tetto / tettuccio apribile Relè / fusibili Pompe/contenitori/getti per lavavetri Allarmi/sicurezza/chiusura centralizzata Centraline elettroniche tutte le categorie
-
- Illuminazione Fari per guida a destra Fari per guida a sinistra Parti e lenti dei fari Kit luci HID Indicatori di direzione anteriori Indicatori di direzione posteriori per guida a destra Indicatori di direzione posteriori per guida a sinistra Fari fendinebbia / di guida Ripetitori laterali 3a luce di frenata Luci della targa tutte le categorie
-
-
Corpo e scarico
-
- Telaio / Carrozzeria Restauro telaio / Riparazione pannelli Ammortizzatore del coperchio del cofano motore Ammortizzatore del portello del bagagliaio Cofani / serrature e chiavistelli Bagagliaio / portello posteriore / serrature e chiavistelli Portello posteriore / portellone Paraurti anteriori Paraurti posteriori Porte / serrature e chiavistelli Pannelli per porte | Cerniere | Piastre percussori Alzacristalli Parafanghi anteriori e parti Parafanghi posteriori e parti Pannelli sottoporta laterali Modanature esterne del telaio Specchietti e parti Pellicole/adesivi parasassi Sottoscocche telaio e motore Spazzole/bracci dei tergicristalli Bracci e spazzole tergicristallo posteriori Tetto - Cabrio / Targa / Coupé Scocca di protezione tutte le categorie
-
-
Scarichi
Silenziatori / Marmitte Sportivi
1 INGRESSO / 1 USCITA
Silenziatori di serie 1 INGRESSO / 1 USCITA
Silenziatori Sportivi 1 INGRESSO / 2 USCITE
Silenziatori Sportivi 2 INGRESSI / 1 USCITA
Silenziatori di serie 2 INGRESSI / 1 USCITA
Silenziatori Sportivi 2 INGRESSI / 2 USCITE
Silenziatori di serie 2 INGRESSI / 2 USCITE
Silenziatori Sportivi Silenziatori/marmitte Catalizzatore/bypass Collettore/collettori tutte le categorie
-
Scarichi
Silenziatori / Marmitte Sportivi
1 INGRESSO / 1 USCITA
-
-
Lubrificanti e fluidi
-
- Parti di ricambio Kit parti di ricambio originali Kit parti di ricambio originali Filtri dell'olio Filtri dell'aria Filtri antipolline/antiparticolato Filtri del carburante Cinghie di tutti i tipi Candele Candele IRIDIUM POWER Candele IRIDIUM RACING Bobine di accensione Spazzole/bracci dei tergicristalli Bracci e spazzole tergicristallo posteriori Parti di ricambio della scatola del cambio Olio motore Porsche Classic Olio motore e lubrificanti - Mobil Olio motore e lubrificanti - Total Olio motore e lubrificanti - Castrol Olio Motore e Lubrificanti - Motul Olio motore e lubrificanti - Millers Oils NanoDrive Olio motore e lubrificanti - Millers Oils Additivi per carburanti tutte le categorie
-
-
Tutte le parti
-
- Parti Accessori Telaio / Carrozzeria Freni Abbigliamento e regali Componenti elettrici e relè Raffreddamento del motore Componenti elettrici del motore Parti di ricostruzione del motore Parti per alte prestazioni Scarichi Linea esterni / spoiler Cambio / trasmissione Riscaldamento/climatizzazione Componenti idraulici Interni e accessori Incar / multimedia Illuminazione Tappetini e tappeti Motorsport e fuoristrada Pedaliera Guarnizioni di gomma Sedili e cinture di sicurezza tutte le categorie
-
- Back to main website
Inserisci il tuo numero di partiva IVA qui e fai clic su Verifica:
Nessuna necessità di inserire la parte del numero di partita IVA relativa al codice del paese poiché questa è già stato selezionata nel predetto indirizzo di fatturazione.
I tuoi dati sono stati verificati. Numero di partita IVA registrato a:
,
.
Al tuo ordine sarà applicata un’aliquota pari a zero ai fini dell’IVA. Ci riserviamo il diritto di verificare questi dettagli dopo che la tua richiesta d’ordine è stata fatta e di reintegrare l’IVA se necessario.
I tuoi dati IVA non sono stati riconosciuti o non erano validi. Il tuo numero di partita IVA deve corrispondere al tuo paese di fatturazione come specificato sopra. Attualmente è specificato come . Non occorre inserire inserire la parte del numero di partita IVA relativa al codice del paese poiché questa è già stato selezionata nei dettagli del predetto indirizzo di fatturazione.
Il servizio di verifica della partita IVA è attualmente offline. Per favore fornisci i tuoi dati IVA all’interno dei commenti o nel campo delle istruzioni speciali sotto e noi applicheremo uno sconto IVA dopo aver fatto la richiesta d’ordine.
Presa d'aria laterale. Porsche Cayenne MKI (955) / MKII (957) ❭ 95555222
- Porsche 955 Cayenne 3.2L V6 2003-06
- Porsche 955 Cayenne S 4.5L V8 2003-06
- Porsche 955 Cayenne Turbo 4.5L 2003-06
- Porsche 955 Cayenne Turbo S 4.5L 2006>>
- Porsche 957 Cayenne 3.0L Diesel 2007-10
- Porsche 957 Cayenne 3.6L 2007-10
- Porsche 957 Cayenne S/GTS 4.8L 2007-10
- Porsche 957 Cayenne Turbo / Turbo S 4.8L 2007-10

Si adatta:
Porsche Caienna MKI (955) 2003-06
Porsche Caienna MKII (957) 2007-10
Disponibile in: nero, grigio pietra, avana, verde palma, beige sabbia.
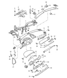
Fai clic su "Ingrandisci" per il diagramma delle parti di grandi dimensioni.
Diagramma rif. n. 29
Numeri di riferimento correlati
Numeri correlati, sostituiti, riferimenti incrociati o alternativi per il confronto.
95555222
Il prodotto che stai visualizzando fa riferimento a questi numeri
- Porsche 911 1965-1968 2.0L / 912 SWB (F)
- Porsche 911 1968-1973 2.2L / 2.4L / 2.7L RS LWB (F)
- Porsche 911 1974-1977 2.7L / 1976-77 3.0 Carrera
- Porsche 911 1978-1983 3.0L / SC
- Porsche 911 1984-1986 3.2L
- Porsche 911 1987-1989 3.2L G50
- Porsche 911 1975-1977 3.0L Turbo (930)
- Porsche 911 1978-1989 3.3L Turbo (930)
- Porsche 964 (911) C2 1989-93
- Porsche 964 (911) C4 1989-93
- Porsche 964 (911) RS 3.6L 1991-93
- Porsche 964 (911) RS 3.8L 1991-93
- Porsche 964 (911) TURBO 3.3L 1991-93
- Porsche 964 (911) TURBO 3.6L 1991-93
- Porsche 993 (911) C2 1994-97
- Porsche 993 (911) C4 1994-97
- Porsche 993 (911) RS 1994-97
- Porsche 993 (911) C2S 1994-97
- Porsche 993 (911) C4S 1994-97
- Porsche 993 (911) TURBO 1994-96
- Porsche 993 (911) GT2 1994-97
- Porsche 993 (911) TURBO S 1994-97

Si adatta:
Porsche 911 1965-89
Porsche 964 1989-94
Porsche 993 1994-98
Questo prodotto sostituisce i vecchi numeri di parte di Porsche:
- 91155941000
-9115594100070K
Fai clic su "Ingrandisci" per il diagramma delle parti di grandi dimensioni.
Diagramma rif. n. 25
Numeri di riferimento correlati
Numeri correlati, sostituiti, riferimenti incrociati o alternativi per il confronto.
99355941100
Il prodotto che stai visualizzando fa riferimento a questi numeri
- Porsche 911 1965-1968 2.0L / 912 SWB (F)
- Porsche 911 1968-1973 2.2L / 2.4L / 2.7L RS LWB (F)
- Porsche 911 1974-1977 2.7L / 1976-77 3.0 Carrera
- Porsche 911 1978-1983 3.0L / SC
- Porsche 911 1984-1986 3.2L
- Porsche 911 1987-1989 3.2L G50
- Porsche 911 1975-1977 3.0L Turbo (930)
- Porsche 911 1978-1989 3.3L Turbo (930)
- Porsche 964 (911) C2 1989-93
- Porsche 964 (911) C4 1989-93
- Porsche 964 (911) RS 3.6L 1991-93
- Porsche 964 (911) RS 3.8L 1991-93
- Porsche 964 (911) TURBO 3.3L 1991-93
- Porsche 964 (911) TURBO 3.6L 1991-93
- Porsche 993 (911) C2 1994-97
- Porsche 993 (911) C4 1994-97
- Porsche 993 (911) RS 1994-97
- Porsche 993 (911) C2S 1994-97
- Porsche 993 (911) C4S 1994-97
- Porsche 993 (911) TURBO 1994-96
- Porsche 993 (911) GT2 1994-97
- Porsche 993 (911) TURBO S 1994-97

Si adatta:
Porsche 911 1965-89
Porsche 964 1989-94
Porsche 993 1994-98
Fai clic su "Ingrandisci" per il diagramma delle parti di grandi dimensioni.
Diagramma rif. 26
Numeri di riferimento correlati
Numeri correlati, sostituiti, riferimenti incrociati o alternativi per il confronto.
9115594010070K
Il prodotto che stai visualizzando fa riferimento a questi numeri
- Porsche 911 1984-1986 3.2L
- Porsche 911 1987-1989 3.2L G50
- Porsche 911 1978-1989 3.3L Turbo (930)
- Porsche 964 (911) C2 1989-93
- Porsche 964 (911) C4 1989-93
- Porsche 964 (911) RS 3.6L 1991-93
- Porsche 964 (911) RS 3.8L 1991-93
- Porsche 964 (911) TURBO 3.3L 1991-93
- Porsche 964 (911) TURBO 3.6L 1991-93
- Porsche 993 (911) C2 1994-97
- Porsche 993 (911) C4 1994-97
- Porsche 993 (911) RS 1994-97
- Porsche 993 (911) C2S 1994-97
- Porsche 993 (911) C4S 1994-97
- Porsche 993 (911) TURBO 1994-96
- Porsche 993 (911) GT2 1994-97
- Porsche 993 (911) TURBO S 1994-97

Opzioni:
- Auto con guida a destra (come il Regno Unito), numero di parte 9645720520001C
- Auto con guida a sinistra (tipo EUROPE), codice 9645720510001C
Si adatta:
Porsche 911 1986>>
Porsche 930Turbo 1986>>
Porsche 964 1989-94
Porsche 993 1995-98
Fai clic su "Ingrandisci" per il diagramma delle parti di grandi dimensioni.
Diagramma rif. 10.
Numeri di riferimento correlati
Numeri correlati, sostituiti, riferimenti incrociati o alternativi per il confronto.
96457205
Il prodotto che stai visualizzando fa riferimento a questi numeri
Lunedì-venerdì: 8.30-17.30 (GMT) Sabato: chiuso Domenica: chiuso