druk niet op de terugknop…
-
Motoronderdelen
-
- Onderdelen voor motorrevisie Onderdelen oliesysteem Onderdelen brandstofsysteem Pakkingen en sets Riemen / spanners / rollen Kettingen en spanners Motorlagers / schalen Motorkleppen / geleiders / veren Tuimelaars Motorsteunen Zuigerveren Motorcilinders / bussen / zuigers Verbindingsstang Nokkenastandwielen/tandwielen en bevestigingen Krukas en onderdelen Turboladers / intercoolers en onderdelen Luchtinlaat en injectie Speciaalgereedschap
-
Remmen
-
- Remmen Remblokken en -schijven Remschijf standaard Remblokken standaard SPORT-remschijf Brembo standaardremmen Brembo Racing-remmen TEXTAR-remmen PAGID raceremmen Vervanging voor keramische schijf Slijtagesensoren remblokken Remblok Anti-vibratie vulplaatjes Remklauwbouten / schijfschroeven Pinkit en geleideplaten Performance remslangen Standaard remslangen Remklauw en remleidingen Remklauwen Remklauw upgrades Handremschoenen Elektrische parkeerrem ABS / Snelheidssensoren Remklauwafdichting / -zuigers Alle categorieën
-
-
Ophanging en besturing
- Overdragen
- Koelen & Verwarmen
-
Elektriciteit & Verlichting
-
- Elektrisch en relais Remlichtschakelaar Handremschakelaar Raam schakelaar Elektrische claxon SmartTop-besturingseenheden Sproeierpompen / -tanks / -jets Alarmen / beveiliging / centrale vergrendeling Dashboard- / consoleonderdelen en schakelaars Deurspiegelschakelaar Airbags en onderdelen Tracker Connectorbehuizing
-
-
Carrosserie & Uitlaat
-
- Chassis / carrosserie Demperdeksel voor Demperdeksel achter Motorkappen / -sloten en -grendels Achterklep / Achterklep Voorbumpers Achterbumpers Deuren / sloten & vergrendelingen Deurpanelen | Scharnieren | Slagplaten Raamslingers Wing voor en onderdelen Wing achter & onderdelen Zijdorpelpanelen Exterieur chassissierlijsten Spiegels en onderdelen Steenslagfolies / -stickers Onderplaten chassis & motor Achterruitenwisserarmen en -bladen Wielkastbekledingen en -afdekkingen Dak - Cabrio / Targa / Coupé Kunststof hoezen Voorraam Achterraam Alle categorieën
-
-
Smeermiddelen en vloeistoffen
-
- Serviceonderdelen Oliefilters Luchtfilters Riemen alle soorten Bougies Wisserbladen / -armen Achterruitenwisserarmen en -bladen Versnellingsbak serviceonderdelen Motorolie en smeermiddelen - Mobil Motorolie en smeermiddelen - Total Motorolie en smeermiddelen - Castrol Motorolie en smeermiddelen - Motul Motorolie en smeermiddelen - Millers Oils NanoDrive Motorolie en smeermiddelen - Millers Oils Brandstofadditieven Garage PBM
-
-
Alle onderdelen
-
- Onderdelen Accessoires Chassis / carrosserie Remmen Kleding en geschenken Elektrisch en relais Motorkoeling Motorelektrisch Onderdelen voor motorrevisie Performance-onderdelen Uitlaten Exterieurstyling / spoilers Versnellingsbak / transmissie Verwarming / airconditioning Interieur en accessoires Incar / multimedia Verlichting Matten en tapijten Motorsport en Off-Road Pedaalcluster Rubberen afdichtingen Stoelen en veiligheidsgordels Serviceonderdelen Alle categorieën
-
- Back to main website
Voer hier uw btw-nummer in en klik op Verifiëren:
U hoeft het landcode-deel van uw btw-nummer niet in te voeren, omdat dit al is geselecteerd in uw factuuradres hierboven.
Uw gegevens zijn geverifieerd. Btw-nummer geregistreerd bij:
,
.
Uw bestelling wordt nu voor BTW-doeleinden op een nultarief gezet. Wij behouden ons het recht voor deze gegevens na uw bestelaanvraag te controleren en indien nodig opnieuw btw aan te rekenen.
Uw btw-gegevens werden niet herkend of waren ongeldig. Uw btw-nummer moet overeenkomen met het land van facturering zoals hierboven aangegeven. Dit wordt momenteel gespecificeerd als . U hoeft het landcode-deel van uw btw-nummer niet in te voeren, omdat dit al is geselecteerd in uw factuuradres hierboven.
De dienst voor het controleren van btw-nummers is momenteel offline. Geef uw btw-gegevens op in het veld opmerkingen of speciale instructies hieronder en wij passen een btw-korting toe na het plaatsen van uw bestelaanvraag.
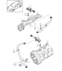
Carterventilatie met terugslagklep. Porsche 95B Macan / 958 Cayenne / 970.2 Panamera ❭ 9461072
- Porsche 958 Cayenne V6 3.6L Petrol 300Hp 2010-17
- Porsche 970.2 Panamera S V6 Turbo 3.0L 2WD (420Hp) 2014-16
- Porsche 970.2 Panamera S V6 Turbo 3.0L 2WD Executive 2014-16
- Porsche 970.2 Panamera 4S V6 Turbo 3.0L 4WD (420Hp) 2014-16
- Porsche 970.2 Panamera 4S V6 Turbo 3.0L 4WD Executive 2014-16
- Porsche 95B.1 Macan S Petrol 3.0L V6 340Bhp 2014-18
- Porsche 95B.1 Macan GTS Petrol 3.0L V6 360Bhp 2014-18
- Porsche 95B.1 Macan Turbo 3.6L V6 400Bhp 2014-18
Past op:
Porsche 95B Macan S / GTS / Turbo 2014>>2018
Porsche 958 Cayenne / GTS 3.6L 2015>>2018
Porsche 970.2 Panamera / S 3.0L 2014>>2016
Diagram Ref. nr. 1 en 2
Gerelateerde referentienummers
Gerelateerde, vervangen, kruisverwijzingen of alternatieve nummers ter vergelijking.
9461072
Het product dat u bekijkt, verwijst naar deze nummers
Maandag-vrijdag: 8.30 - 17.30 uur (GMT) Zaterdag: Gesloten Zondag: Gesloten