Voer hier uw btw-nummer in en klik op Verifiëren:
U hoeft het landcode-deel van uw btw-nummer niet in te voeren, omdat dit al is geselecteerd in uw factuuradres hierboven.
Uw gegevens zijn geverifieerd. Btw-nummer geregistreerd bij:
,
.
Uw bestelling wordt nu voor BTW-doeleinden op een nultarief gezet. Wij behouden ons het recht voor deze gegevens na uw bestelaanvraag te controleren en indien nodig opnieuw btw aan te rekenen.
Uw btw-gegevens werden niet herkend of waren ongeldig. Uw btw-nummer moet overeenkomen met het land van facturering zoals hierboven aangegeven. Dit wordt momenteel gespecificeerd als . U hoeft het landcode-deel van uw btw-nummer niet in te voeren, omdat dit al is geselecteerd in uw factuuradres hierboven.
De dienst voor het controleren van btw-nummers is momenteel offline. Geef uw btw-gegevens op in het veld opmerkingen of speciale instructies hieronder en wij passen een btw-korting toe na het plaatsen van uw bestelaanvraag.
Versnellingspookbedieningsonderdelen
- Porsche 911 1968-1973 2.2L / 2.4L / 2.7L RS LWB (F)
- Porsche 911 1974-1977 2.7L / 1976-77 3.0 Carrera
- Porsche 911 1978-1983 3.0L / SC
- Porsche 911 1984-1986 3.2L
- Porsche 911 1975-1977 3.0L Turbo (930)
- Porsche 911 1978-1989 3.3L Turbo (930)
- Porsche 924 2.0L 1976-79
- Porsche 356B 1959-63
- Porsche 356C 1963-65
- Porsche 914 (1970-1976)
Vervangend OEM-onderdeelnummer: 96442422300.
Past in de versnellingspookkoppeling onderdeelnummer 91142402404

Past bij:
Niet voor G50 Transaxle
Porsche 356B 1960-65
F >>110 406 COUPE -REUTTER-
F >>153 022 CABRIO HARDTOP
F >> 87 491 ROADSTER
Porsche 911 1970-86
Porsche 911 turbo 1977-88
Porsche 914 1973-76
Porsche 924 1976-79
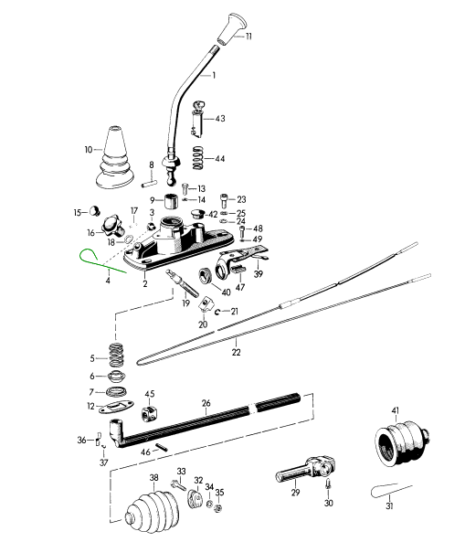
Klik op 'Inzoomen' voor een groot onderdelenschema.
Schema ref. nr. 25
Powerflex. Als u de rubberen ophangingsbussen van uw auto vervangt door polyurethaan ophangingsbussen, krijgt u:
- Betere wegligging
- Constante stuurgeometrie
- Verhoogde levensduur van de band
- Responsievere besturing
- Langere levensduur van ophangingscomponenten
Gerelateerde referentienummers
Gerelateerde, vervangen, kruisverwijzingen of alternatieve nummers ter vergelijking.
PFR57-430
Het product dat u bekijkt, verwijst naar deze nummers
- Porsche 911 1968-1973 2.2L / 2.4L / 2.7L RS LWB (F)
- Porsche 911 1974-1977 2.7L / 1976-77 3.0 Carrera
- Porsche 911 1978-1983 3.0L / SC
- Porsche 911 1984-1986 3.2L
- Porsche 911 1975-1977 3.0L Turbo (930)
- Porsche 911 1978-1989 3.3L Turbo (930)
- Porsche 924 2.0L 1976-79
- Porsche 356B 1959-63
- Porsche 356C 1963-65
- Porsche 914 (1970-1976)
Vervangend OEM-onderdeelnummer: 96442422300.
Past in de versnellingspookkoppeling onderdeelnummer 91142402404

Past bij:
Niet voor G50 Transaxle
Porsche 356B 1960-65
F >>110 406 COUPE -REUTTER-
F >>153 022 CABRIO HARDTOP
F >> 87 491 ROADSTER
Porsche 911 1970-86
Porsche 911 turbo 1977-86
Porsche 914 1973-76
Porsche 924 1976-79
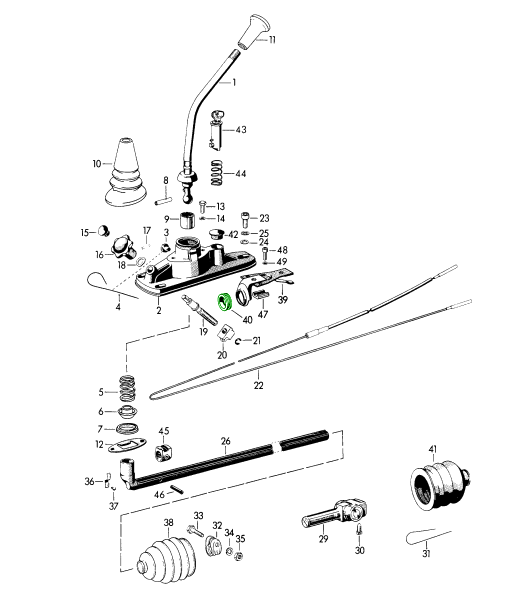
Klik op 'Inzoomen' voor een groot onderdelenschema.
Schema ref. nr. 25
Powerflex Black Series - Ontworpen voor het circuit - Klaar om te racen - Ontworpen om de beste te zijn.
Powerflex Black Series-bussen zijn vervaardigd met behulp van een 95 Shore A-compound voor maximale controle over de chassisgeometrie. Deze compound kan tot 80% beter bestand zijn tegen belasting dan standaard rubber en 25% stijver dan ons paarse prestatiemateriaal.
Als uw eisen puur gericht zijn op de ultieme handling en chassisprestaties, dan is de Powerflex Black Series uniek en biedt de meest nauwkeurige en nauwkeurige uitlijning voor uw chassis.
Als u de rubberen ophangingsbussen van uw auto vervangt door polyurethaan ophangingsbussen, krijgt u:
- Betere wegligging
- Constante stuurgeometrie
- Verhoogde levensduur van de band
- Responsievere besturing
- Langere levensduur van ophangingscomponenten
Gerelateerde referentienummers
Gerelateerde, vervangen, kruisverwijzingen of alternatieve nummers ter vergelijking.
PFR57-430BLK
Het product dat u bekijkt, verwijst naar deze nummers
- Porsche 911 1968-1973 2.2L / 2.4L / 2.7L RS LWB (F)
- Porsche 911 1974-1977 2.7L / 1976-77 3.0 Carrera
- Porsche 911 1978-1983 3.0L / SC
- Porsche 911 1984-1986 3.2L
- Porsche 911 1975-1977 3.0L Turbo (930)
- Porsche 911 1978-1989 3.3L Turbo (930)
- Porsche 924 2.0L 1976-79
- Porsche 356B 1959-63
- Porsche 356C 1963-65
- Porsche 914 (1970-1976)
Vervangend OEM-onderdeelnummer: 96442422300.
Past in de versnellingspookkoppeling onderdeelnummer 91142402404

Past bij:
Niet voor G50 Transaxle
Porsche 356B 1960-65
F >>110 406 COUPE -REUTTER-
F >>153 022 CABRIO HARDTOP
F >> 87 491 ROADSTER
Porsche 911 1970-86
Porsche 911 turbo 1975-88
Porsche 914 1973-76
Porsche 924 1976-79
Klik op 'Inzoomen' voor een groot onderdelenschema.
Schema ref. nr. 25
Powerflex Heritage-collectie. Voor moderne klassiekers.
Een reeks bussen ontworpen voor op de weg als aanvulling op uw klassieke auto.
POWERFLEX Heritage Collection-struiken worden vervaardigd met behulp van moderne materialen met eigenschappen die zijn gericht op de weg. Deze donkergrijze bussen zullen elke verzamelaarsauto opwaarderen, terwijl ze hetzelfde standaard uiterlijk van een rubberen bus behouden.
Gerelateerde referentienummers
Gerelateerde, vervangen, kruisverwijzingen of alternatieve nummers ter vergelijking.
PFR57-430H
Het product dat u bekijkt, verwijst naar deze nummers
- Porsche 356B 1959-63

Past bij:
Porsche 356B
F 108 918 >> COUPE -REUTTER-
F 152 476 >> CABRIO HARDTOP
F 86 831 >> ROADSTER
Klik op 'Zoom' voor een groot onderdelenschema.
Schema ref. nr. 47
Gerelateerde referentienummers
Gerelateerde, vervangen, kruisverwijzingen of alternatieve nummers ter vergelijking.
69542421300
Het product dat u bekijkt, verwijst naar deze nummers
- Porsche 356B 1959-63

Past bij:
Porsche 356B
F 110 407 >> COUPE -REUTTER-
F 1153 023 >> CABRIO HARDTOP
F 87 492 >> ROADSTER
G 35 001>>
Klik op 'Zoom' voor een groot onderdelenschema.
Schema ref nr. 40
Gerelateerde referentienummers
Gerelateerde, vervangen, kruisverwijzingen of alternatieve nummers ter vergelijking.
69542421101
Het product dat u bekijkt, verwijst naar deze nummers
- Porsche 356B 1959-63

Past bij:
Porsche 356B
Klik op 'Inzoomen' voor een groot onderdelenschema.
Schema ref. nr. 8
Gerelateerde referentienummers
Gerelateerde, vervangen, kruisverwijzingen of alternatieve nummers ter vergelijking.
90009502200
Het product dat u bekijkt, verwijst naar deze nummers
- Porsche 356B 1959-63

Past bij:
Porsche 356B
F 117 601 >> COUPE -REUTTER-
F 155 601 >> CABRIO HARDTOP
F 89 601 >> ROADSTER
G 50 001 >>
Klik op 'Zoom' voor een groot onderdelenschema.
Schema ref nr. 4
Gerelateerde referentienummers
Gerelateerde, vervangen, kruisverwijzingen of alternatieve nummers ter vergelijking.
69542417301
Het product dat u bekijkt, verwijst naar deze nummers
- Porsche 911 1965-1968 2.0L / 912 SWB (F)
- Porsche 911 1968-1973 2.2L / 2.4L / 2.7L RS LWB (F)
- Porsche 911 1974-1977 2.7L / 1976-77 3.0 Carrera
- Porsche 911 1978-1983 3.0L / SC
- Porsche 911 1984-1986 3.2L
- Porsche 911 1987-1989 3.2L G50
- Porsche 911 1975-1977 3.0L Turbo (930)
- Porsche 911 1978-1989 3.3L Turbo (930)
- Porsche 356B 1959-63
- Porsche 356C 1963-65
- Porsche 914 (1970-1976)

Past op:
Porsche 356B / 356C 1960-65
Porsche 911 1965-89
Porsche 914-6 / 914-6: SPM 1970-76
Klik op 'Inzoomen' voor een diagram met grotere onderdelen.
Diagram ref nr. 13
Gerelateerde referentienummers
Gerelateerde, vervangen, kruisverwijzingen of alternatieve nummers ter vergelijking.
91430130701
Het product dat u bekijkt, verwijst naar deze nummers
Porsche schakelonderdelen | Precisietechniek voor soepele en nauwkeurige versnellingskeuze
Schakelbedieningsonderdelen vormen de essentiële schakel tussen de versnellingspook en de transmissie van uw Porsche. Ze zorgen voor een soepele, precieze en responsieve schakelovergang, waardoor de input van de bestuurder wordt omgezet in een soepele en nauwkeurige schakelovergang. Of u nu handmatig of automatisch schakelt, de kwaliteit van uw schakelsysteem heeft een directe invloed op het rijgevoel, de veiligheid en de transmissieprestaties.
Bij Design911 leveren we hoogwaardige schakelbedieningsonderdelen die zijn ontworpen om de originele prestatienormen te evenaren of te overtreffen. Ons assortiment is gemaakt van duurzame materialen en ontworpen voor nauwkeurige montage. Koppelingen, bussen, kabels, bevestigingen en schakelmechanismen zorgen voor soepel schakelen en elimineren speling of trillingen.
Of u nu versleten onderdelen vervangt of een upgrade uitvoert voor betere prestaties, onze Porsche-versnellingsbakonderdelen zorgen voor een beter schakelgevoel, betrouwbaarheid en meer vertrouwen bij de bestuurder.
Wat doen onderdelen van de versnellingspook?
Schakelcomponenten zorgen ervoor dat de beweging van de versnellingspook nauwkeurig wordt overgebracht op de versnellingsbak of het selectiemechanisme, zodat de versnellingen correct worden ingeschakeld.
Kernfuncties:
- Breng de beweging van de versnellingspook over op de transmissie.
- Zorg voor een soepele en nauwkeurige versnellingsselectie.
- Absorberen trillingen en voorkomen overmatige beweging in de verbindingen.
- Zorg voor voelbare, responsieve feedback tijdens het schakelen.
- Zorg voor een consistente uitlijning voor zowel handmatige als automatische systemen.
Zonder goed functionerende schakelcomponenten kan het schakelen los, onnauwkeurig of luidruchtig aanvoelen. Dit kan leiden tot slijtage en mogelijke schade aan de versnellingsbak.
Waarom gaan onderdelen van de versnellingsbak kapot of slijten ze?
In de loop van de tijd worden schakelonderdelen voortdurend blootgesteld aan mechanische spanning, hitte en trillingen, wat leidt tot slijtage of verkeerde uitlijning.
Veelvoorkomende oorzaken van storingen zijn:
- Versleten bussen of verbindingsverbindingen die speling in de schakelpook veroorzaken.
- Uitrekken of losraken van kabels in kabelbediende systemen.
- Gebarsten bevestigingen of vermoeide metalen verbindingen.
- Corrosie of verontreiniging door vuil en vocht.
Verkeerde uitlijning door hard schakelen of trillingen.
Wanneer deze onderdelen verslechteren, kunnen bestuurders last krijgen van stroeve of stroeve versnellingswisselingen, moeite met het inschakelen van versnellingen of overmatige beweging in de versnellingspook.
Waarom moet u de onderdelen van uw Porsche-versnellingspook vervangen of upgraden?
Het vervangen van versleten of beschadigde schakelcomponenten herstelt soepel schakelen, nauwkeurige aangrijping en rijvertrouwen. Upgraden naar hoogwaardige verbindingen of bussen zorgt voor betere voelbare feedback en minder schakelbewegingen.
Belangrijkste voordelen:
- Herstelt nauwkeurige en responsieve versnellingswisselingen.
- Voorkomt overmatige speling, losheid of stijfheid in de shifter.
- Vermindert trillingen en verbetert het rijcomfort.
- Verbetert de nauwkeurigheid en het gevoel bij het selecteren van de juiste versnelling.
- Geschikt voor Porsche 911, Cayman, Boxster en klassieke modellen.
- Ideaal voor herbouw, restauratie en prestatie-upgrades.
Het is raadzaam om de componenten van de versnellingspook te vervangen tijdens het onderhoud van de koppeling of versnellingsbak om de integriteit van de transmissie en consistente prestaties te behouden.
Hoogtepunten
- Premium Porsche schakelonderdelen voor handgeschakelde en automatische transmissies.
- Precisieontwerp voor soepel en nauwkeurig schakelen.
- Inclusief verbindingen, bussen, bevestigingen en selectorcomponenten.
- Direct passende vervangingen voor Porsche weg- en prestatiemodellen.
- Verbetert de kwaliteit, precisie en betrouwbaarheid op lange termijn van de schakeling.
- Essentieel voor onderhoud, herstel en upgrades van transmissiesystemen.