Riemen / spanners / rollen
- Porsche 968 3.0L 1992-94
- Porsche 968 Sport 3.0L 1994-95
- Porsche 968 CS 3.0L 1993-95
- Porsche 968 Turbo S 3.0L 1993-94
Past bij:
Porsche 968 3.0L
Klik een distributieriem op dit type motor en de kleppen stoppen met openen en sluiten, maar die zuigers blijven op en neer slaan. Verbogen kleppen, kapotte klepstoters, zelfs een kapotte nokkenas kunnen het gevolg zijn! Houd de relatie tussen uw zuigers en kleppen beschaafd door de juiste timing en balansasriemonderhoud uit te voeren.
Gerelateerde referentienummers
Gerelateerde, vervangen, kruisverwijzingen of alternatieve nummers ter vergelijking.
BELTKIT05
Het product dat u bekijkt, verwijst naar deze nummers
Deze kit bestaat uit de volgende items:
- Porsche 968 3.0L 1992-94
- Porsche 968 Sport 3.0L 1994-95
- Porsche 968 CS 3.0L 1993-95
- Porsche 968 Turbo S 3.0L 1993-94
Past op:
Porsche 968 3.0L
Het vervangen van de waterpomp, poelie en riemen van een oudere Porsche 944 is essentieel om de prestaties van de auto te behouden en dure reparaties in de toekomst te voorkomen. Hier leest u waarom:
1. Waterpomp: De waterpomp is cruciaal voor het koel houden van de motor door koelvloeistof door het systeem te laten circuleren. Na verloop van tijd kunnen de afdichtingen slijten en kan de pomp zelf minder efficiënt worden of zelfs volledig uitvallen. Een defecte waterpomp kan ervoor zorgen dat de motor oververhit raakt, wat ernstige motorschade kan veroorzaken, die kostbaar is om te repareren. Omdat de waterpomp meestal wordt aangedreven door de distributieriem, is het vervangen ervan tijdens een distributieriemonderhoudsbeurt een preventieve maatregel.
2. Poelie: De poelies, inclusief die van de distributieriem en de hulpaandrijfriemen, kunnen na verloop van tijd door slijtage verslechteren. Als een poelie begint te falen, kan dit ertoe leiden dat de riem scheef gaat staan of slipt, wat kan leiden tot vermogensverlies voor kritieke systemen zoals de waterpomp, dynamo of stuurbekrachtiging. Een versleten poelie kan ook abnormale geluiden (zoals piepen) of trillingen veroorzaken, en in het ergste geval kan dit leiden tot een defecte riem of verdere motorschade.
3. Riemen: De distributieriem en de hulpriemen (serpentine- of V-riemen) rekken uit en slijten na verloop van tijd. Een gebroken distributieriem kan catastrofale motorschade veroorzaken, vooral bij interferentiemotoren zoals die van de 944. De hulpriemen zorgen ervoor dat zaken als de dynamo, airconditioning en stuurbekrachtiging goed blijven werken. Als ze breken, verlies je die functies – en loop je het risico dat de motor oververhit raakt als de waterpomp door een van die riemen wordt aangedreven.
4. Preventief onderhoud: Bij oudere auto's hebben deze onderdelen een beperkte levensduur. Vervanging ervan als onderdeel van regulier onderhoud helpt grote problemen te voorkomen. De 944 is een degelijk gebouwde auto, maar de verouderde onderdelen hebben aandacht nodig. Door de waterpomp, poelies en riemen te vervangen voordat ze kapotgaan, zorgt u ervoor dat uw auto soepel rijdt en kunt u het ongemak en de kosten van onverwachte pechgevallen voorkomen.
5. Verbeterde betrouwbaarheid: Door deze onderdelen proactief te vervangen, verbetert u de algehele betrouwbaarheid van uw 944, zodat u ervan kunt genieten zonder u zorgen te hoeven maken over oververhitting van de motor of stilstand door een defecte riem of poelie. Kortom, regelmatig vervangen van de waterpomp, poelies en riemen is onderdeel van slim autobezit voor een oudere Porsche 944 en draagt bij aan het behoud van de gezondheid en levensduur van de motor.
Gerelateerde referentienummers
Gerelateerde, vervangen, kruisverwijzingen of alternatieve nummers ter vergelijking.
WATERPUMPKIT968
Het product dat u bekijkt, verwijst naar deze nummers
Deze kit bestaat uit de volgende items:
- Porsche 944S2 3.0L 16V 1989-91
- Porsche 968 3.0L 1992-94
- Porsche 968 Sport 3.0L 1994-95
- Porsche 968 CS 3.0L 1993-95
- Porsche 968 Turbo S 3.0L 1993-94

Past bij:
Porsche 944 S2 - 1989 tot 1991
Porsche 968 - 1992 tot 1995
Porsche 968 CS - 1993 tot 1995
Piept uw Multiriem Dynamo / Airco altijd?
Door deze kit te monteren kunt u dit probleem oplossen door een extra katrol toe te voegen.
De geribde riem heeft een betere grip op de aircopomp en dynamo, waardoor de kans op slippen en piepen sterk wordt verkleind.
Dit komt doordat de extra rol zorgt voor extra contactoppervlak op de poelie van de aircopomp.
De extra spanpoelie kan eenvoudig op de dynamobevestiging worden gemonteerd met de meegeleverde bout.
Kit bevat:
• Multiriem
• Spanpoelie
• Afstandsstuk voor de spanpoelie
• Bout
• Ringen
• Noot
Gerelateerde referentienummers
Gerelateerde, vervangen, kruisverwijzingen of alternatieve nummers ter vergelijking.
92860302101
Het product dat u bekijkt, verwijst naar deze nummers
Winkel veilig
12 maanden garantie
Wereldwijde levering
- Porsche 924S 2.5L 1986-87
- Porsche 924S 2.5L 1988
- Porsche 944 2.5L 8V 1982-87
- Porsche 944 2.7L 8V 1988-89
- Porsche 944S 2.5L 16V 1987-88
- Porsche 944S2 3.0L 16V 1989-91
- Porsche 944 Turbo 2.5L 8V 1985-88
- Porsche 944 Turbo 2.5L 8V 1989-91
- Porsche 944 Turbo S 2.5L 8V 1988
- Porsche 968 3.0L 1992-94
- Porsche 968 Sport 3.0L 1994-95
- Porsche 968 Turbo S 3.0L 1993-94

Past op:
Porsche 924s 1986-88 Auto's met airconditioning
Porsche 944 1985-91 Auto's met airconditioning
Porsche 968 1992-95 Auto's met airconditioning
Gerelateerde referentienummers
Gerelateerde, vervangen, kruisverwijzingen of alternatieve nummers ter vergelijking.
99919229951
Het product dat u bekijkt, verwijst naar deze nummers
Winkel veilig
12 maanden garantie
Wereldwijde levering
- Porsche 924S 2.5L 1986-87
- Porsche 924S 2.5L 1988
- Porsche 944 2.5L 8V 1982-87
- Porsche 944 2.7L 8V 1988-89
- Porsche 944S 2.5L 16V 1987-88
- Porsche 944S2 3.0L 16V 1989-91
- Porsche 944 Turbo 2.5L 8V 1985-88
- Porsche 944 Turbo 2.5L 8V 1989-91
- Porsche 944 Turbo S 2.5L 8V 1988
- Porsche 968 3.0L 1992-94
- Porsche 968 Sport 3.0L 1994-95
- Porsche 968 Turbo S 3.0L 1993-94
Past op:
Porsche 924s 1986-88 Auto's met airconditioning
Porsche 944 1985-91 Auto's met airconditioning
Porsche 968 1992-95 Auto's met airconditioning
Gerelateerde referentienummers
Gerelateerde, vervangen, kruisverwijzingen of alternatieve nummers ter vergelijking.
99919229952
Het product dat u bekijkt, verwijst naar deze nummers
Winkel veilig
12 maanden garantie
Wereldwijde levering
- Porsche 944S2 3.0L 16V 1989-91
- Porsche 944 Turbo 2.5L 8V 1989-91
- Porsche 968 3.0L 1992-94
- Porsche 968 Sport 3.0L 1994-95
- Porsche 968 Turbo S 3.0L 1993-94

Past bij:
Porsche 944 1989-91 Auto's zonder airconditioning
Porsche 968 1992-95 Auto's zonder airconditioning
Gerelateerde referentienummers
Gerelateerde, vervangen, kruisverwijzingen of alternatieve nummers ter vergelijking.
99919229051
Het product dat u bekijkt, verwijst naar deze nummers
Winkel veilig
12 maanden garantie
Wereldwijde levering
- Porsche 944S2 3.0L 16V 1989-91
- Porsche 944 Turbo 2.5L 8V 1989-91
- Porsche 968 3.0L 1992-94
- Porsche 968 Sport 3.0L 1994-95
- Porsche 968 Turbo S 3.0L 1993-94
Breedte: 21 mm | Lengte: 720 mm
Aantal ribben: 6

Past op:
Porsche 944 1989-91 Auto's zonder airconditioning
Porsche 968 1992-95 Auto's zonder airconditioning
Gerelateerde referentienummers
Gerelateerde, vervangen, kruisverwijzingen of alternatieve nummers ter vergelijking.
99919229051
Het product dat u bekijkt, verwijst naar deze nummers
Winkel veilig
12 maanden garantie
Wereldwijde levering
- Porsche 924S 2.5L 1986-87
- Porsche 924S 2.5L 1988
- Porsche 944 2.5L 8V 1982-87
- Porsche 944 2.7L 8V 1988-89
- Porsche 944S 2.5L 16V 1987-88
- Porsche 944S2 3.0L 16V 1989-91
- Porsche 944 Turbo 2.5L 8V 1985-88
- Porsche 944 Turbo 2.5L 8V 1989-91
- Porsche 944 Turbo S 2.5L 8V 1988
- Porsche 968 3.0L 1992-94
- Porsche 968 Sport 3.0L 1994-95
- Porsche 968 CS 3.0L 1993-95
- Porsche 968 Turbo S 3.0L 1993-94
Buitendiameter: 49,8 mm,
Breedte: 22 mm

Past bij:
Porsche 924S 1986-88
Porsche 944 1982-91 alle modellen
Porsche 968 1992-95 alle modellen
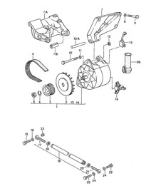
Klik op 'Inzoomen' voor een groot onderdelenschema.
Diagram ref. nr. 11.
Gerelateerde referentienummers
Gerelateerde, vervangen, kruisverwijzingen of alternatieve nummers ter vergelijking.
94410227706
Het product dat u bekijkt, verwijst naar deze nummers
Winkel veilig
12 maanden garantie
Wereldwijde levering
- Porsche 924S 2.5L 1986-87
- Porsche 924S 2.5L 1988
- Porsche 944 2.5L 8V 1982-87
- Porsche 944 2.7L 8V 1988-89
- Porsche 944S 2.5L 16V 1987-88
- Porsche 944S2 3.0L 16V 1989-91
- Porsche 944 Turbo 2.5L 8V 1985-88
- Porsche 944 Turbo 2.5L 8V 1989-91
- Porsche 944 Turbo S 2.5L 8V 1988
- Porsche 968 3.0L 1992-94
- Porsche 968 Sport 3.0L 1994-95
- Porsche 968 CS 3.0L 1993-95
- Porsche 968 Turbo S 3.0L 1993-94
Buitendiameter: 49,8 mm,
Breedte: 22 mm

Past bij:
Porsche 924S 1986-88
Porsche 944 1982-91 alle modellen
Porsche 968 1992-95 alle modellen
Klik op 'Inzoomen' voor een groot onderdelenschema.
Diagram ref. nr. 11.
Gerelateerde referentienummers
Gerelateerde, vervangen, kruisverwijzingen of alternatieve nummers ter vergelijking.
94410227706
Het product dat u bekijkt, verwijst naar deze nummers
Winkel veilig
12 maanden garantie
Wereldwijde levering
- Porsche 924S 2.5L 1986-87
- Porsche 924S 2.5L 1988
- Porsche 944 2.5L 8V 1982-87
- Porsche 944 2.7L 8V 1988-89
- Porsche 944S 2.5L 16V 1987-88
- Porsche 944S2 3.0L 16V 1989-91
- Porsche 944 Turbo 2.5L 8V 1985-88
- Porsche 944 Turbo 2.5L 8V 1989-91
- Porsche 944 Turbo S 2.5L 8V 1988
- Porsche 968 3.0L 1992-94
- Porsche 968 Sport 3.0L 1994-95
- Porsche 968 CS 3.0L 1993-95
- Porsche 968 Turbo S 3.0L 1993-94

Past bij:
Porsche 924S 2.5 M44.01,M44.03 M44.07 M44.08
Porsche 944 2.5 M44.01 1981/06- 1984/12
Porsche 944 2.5 M44.07 M44.40 M44.50 1985/01- 1988/07
Porsche 944 2.5 M44.51 1987/08-1988/08
Porsche 944 2.5 M44.52 1988/09-1991/07
Porsche 944 2.7 M44.11 1988/09- 1989/08
Porsche 944 3.0 16V M44.41 1988/12-1991/07
Porsche 968 3.0 M44.43 M44.44 1992-
Klik op 'Inzoomen' voor een groot onderdelenschema.
Diagram ref. nr. 10.
Gerelateerde referentienummers
Gerelateerde, vervangen, kruisverwijzingen of alternatieve nummers ter vergelijking.
94410202507
Het product dat u bekijkt, verwijst naar deze nummers
Winkel veilig
12 maanden garantie
Wereldwijde levering
- Porsche 924S 2.5L 1986-87
- Porsche 924S 2.5L 1988
- Porsche 944 2.5L 8V 1982-87
- Porsche 944 2.7L 8V 1988-89
- Porsche 944S 2.5L 16V 1987-88
- Porsche 944S2 3.0L 16V 1989-91
- Porsche 944 Turbo 2.5L 8V 1985-88
- Porsche 944 Turbo 2.5L 8V 1989-91
- Porsche 944 Turbo S 2.5L 8V 1988
- Porsche 968 3.0L 1992-94
- Porsche 968 Sport 3.0L 1994-95
- Porsche 968 CS 3.0L 1993-95
- Porsche 968 Turbo S 3.0L 1993-94

Past op:
Porsche 924S 2.5 M44.01, M44.03 M44.07 M44.08
Porsche 944 2.5 M44.01 1981/06- 1984/12
Porsche 944 2.5 M44.07 M44.40 M44.50 1985/01- 1988/07
Porsche 944 2.5 M44.51 1987/08-1988/08
Porsche 944 2.5 M44.52 1988/09-1991/07
Porsche 944 2.7 M44.11 1988/09- 1989/08
Porsche 944 3.0 16V M44.41 1988/12-1991/07
Porsche 968 3.0 M44.43 M44.44 1992-
Klik op 'Inzoomen' voor een diagram met grotere onderdelen.
Diagram Ref. Nr. 10.
Gerelateerde referentienummers
Gerelateerde, vervangen, kruisverwijzingen of alternatieve nummers ter vergelijking.
94410202507
Het product dat u bekijkt, verwijst naar deze nummers
Winkel veilig
12 maanden garantie
Wereldwijde levering
- Porsche 924S 2.5L 1986-87
- Porsche 924S 2.5L 1988
- Porsche 944 2.5L 8V 1982-87
- Porsche 944 2.7L 8V 1988-89
- Porsche 944S 2.5L 16V 1987-88
- Porsche 944S2 3.0L 16V 1989-91
- Porsche 944 Turbo 2.5L 8V 1985-88
- Porsche 944 Turbo 2.5L 8V 1989-91
- Porsche 944 Turbo S 2.5L 8V 1988
- Porsche 968 3.0L 1992-94
- Porsche 968 Sport 3.0L 1994-95
- Porsche 968 CS 3.0L 1993-95
- Porsche 968 Turbo S 3.0L 1993-94

Past bij:
Porsche 924S 1986-88
Porsche 944 1982-91 alle modellen
Porsche 968 1992-95 alle modellen
Klik op 'Inzoomen' voor een groot onderdelenschema.
Diagram ref. nr. 14.
Gerelateerde referentienummers
Gerelateerde, vervangen, kruisverwijzingen of alternatieve nummers ter vergelijking.
94410221904
Het product dat u bekijkt, verwijst naar deze nummers
Winkel veilig
12 maanden garantie
Wereldwijde levering
- Porsche 924S 2.5L 1986-87
- Porsche 924S 2.5L 1988
- Porsche 944 2.5L 8V 1982-87
- Porsche 944 2.7L 8V 1988-89
- Porsche 944S 2.5L 16V 1987-88
- Porsche 944S2 3.0L 16V 1989-91
- Porsche 944 Turbo 2.5L 8V 1985-88
- Porsche 944 Turbo 2.5L 8V 1989-91
- Porsche 944 Turbo S 2.5L 8V 1988
- Porsche 968 3.0L 1992-94
- Porsche 968 Sport 3.0L 1994-95
- Porsche 968 CS 3.0L 1993-95
- Porsche 968 Turbo S 3.0L 1993-94
Breedte: 18 mm | Lengte: 1048 mm
Aantal tanden: 110 | Tandafstand: 9.525 mm

Past bij:
Porsche 924S 1986-88
Porsche 944 1982-91 alle modellen
Porsche 968 1992-95 alle modellen
Klik op 'Inzoomen' voor een groot onderdelenschema.
Diagram ref. nr. 14.
Gerelateerde referentienummers
Gerelateerde, vervangen, kruisverwijzingen of alternatieve nummers ter vergelijking.
94410221904
Het product dat u bekijkt, verwijst naar deze nummers
Winkel veilig
12 maanden garantie
Wereldwijde levering
- Porsche 924S 2.5L 1986-87
- Porsche 924S 2.5L 1988
- Porsche 944S 2.5L 16V 1987-88
- Porsche 944S2 3.0L 16V 1989-91
- Porsche 944 Turbo 2.5L 8V 1985-88
- Porsche 944 Turbo 2.5L 8V 1989-91
- Porsche 944 Turbo S 2.5L 8V 1988
- Porsche 968 3.0L 1992-94
- Porsche 968 Sport 3.0L 1994-95
- Porsche 968 CS 3.0L 1993-95
- Porsche 968 Turbo S 3.0L 1993-94
Om te helpen bij het verwijderen van alle balansasriemen en bijbehorende producten op de 944/968, wat de enige manier is om de motor soepeler te laten lopen (nadat je dat spul hebt verwijderd, deze stoppen om de gaten in de motor te dichten, zodat het lekt waar de schachten waren dat).
De motor zal dus nog steeds draaien zonder al die balansasriemen en accessoires, misschien een beetje ruwer, maar het zal een beetje motorvermogen besparen zonder al dat spul en motorgewicht te hoeven aandrijven. (De distributie van de krukas/nokkenas bevindt zich op een aparte distributieriem bij 944/968)
Vervangend Porsche-onderdeelnr. 94410292300.
Past bij:
- Porsche 944S 2.5L 16V 1987-88 M44.40- motoren
- Porsche 924S 2.5L 1987-88 M44.10- motoren
- Porsche 944S2 3.0L 16V 1989-91 M44.41- motoren
- Porsche 944 Turbo 2.5L 8V 1987-91 M44.52- motoren
- Porsche 944 Turbo S 2.5L 8V 1988>> M44.52- motoren
- Porsche 968 3.0L 1992-94 M44.43- motoren
- Porsche 968 Sport 3.0L 1994-95 M44.43- motoren
- Porsche 968 CS 3.0L 1993-95 M44.43- motoren
- Porsche 968 Turbo S 3.0L 1993-94 M44.43- motoren
Klik op 'Inzoomen' voor een groot onderdelendiagram.
Diagramreferentienr. 1
Gerelateerde referentienummers
Gerelateerde, vervangen, kruisverwijzingen of alternatieve nummers ter vergelijking.
3609509441
Het product dat u bekijkt, verwijst naar deze nummers
Winkel veilig
12 maanden garantie
Wereldwijde levering
- Porsche 924S 2.5L 1986-87
- Porsche 924S 2.5L 1988
- Porsche 944 2.5L 8V 1982-87
- Porsche 944 2.7L 8V 1988-89
- Porsche 944S 2.5L 16V 1987-88
- Porsche 944S2 3.0L 16V 1989-91
- Porsche 944 Turbo 2.5L 8V 1985-88
- Porsche 944 Turbo 2.5L 8V 1989-91
- Porsche 944 Turbo S 2.5L 8V 1988
- Porsche 968 3.0L 1992-94
- Porsche 968 Sport 3.0L 1994-95
- Porsche 968 CS 3.0L 1993-95
- Porsche 968 Turbo S 3.0L 1993-94

46 mm diameter - 28 mm breed
Past bij:
Porsche 924S 1986-88
Porsche 944 1983-89*
Porsche 944 S, 944 S2, 944 Turbo
Porsche 968 1992-95
*zie Opmerkingen 2 & 3
Opmerking 1: Past ook op vroege 87 924S tot motor # 43H01919 (Manual Trans) & 43H60384 (Auto Trans)
Opmerking 2: Past ook op vroege 87 924S vanaf motor # 43H01920 (Handgeschakeld) & 43H60385 (Auto Trans)
Opmerking 3: Vroege auto's (83-86) die zijn geüpdatet naar de latere stijl waterpomp met riem vangrail zullen deze roller gebruiken.
Klik een distributieriem op dit type motor en de kleppen stoppen met openen en sluiten, maar die zuigers blijven op en neer slaan. Verbogen kleppen, kapotte klepstoters, zelfs een kapotte nokkenas kunnen het gevolg zijn! Houd de relatie tussen uw zuigers en kleppen beschaafd door de juiste timing en balansasriemonderhoud uit te voeren. Kies vanwege de complexiteit en opties zorgvuldig alle onderdelen die op uw voertuig van toepassing zijn.
Klik op 'Inzoomen' voor een groot onderdelenschema.
Diagram ref. nr. 6.
Gerelateerde referentienummers
Gerelateerde, vervangen, kruisverwijzingen of alternatieve nummers ter vergelijking.
94410524104
Het product dat u bekijkt, verwijst naar deze nummers
Winkel veilig
12 maanden garantie
Wereldwijde levering
- Porsche 924S 2.5L 1986-87
- Porsche 924S 2.5L 1988
- Porsche 944 2.5L 8V 1982-87
- Porsche 944 2.7L 8V 1988-89
- Porsche 944S 2.5L 16V 1987-88
- Porsche 944S2 3.0L 16V 1989-91
- Porsche 944 Turbo 2.5L 8V 1985-88
- Porsche 944 Turbo 2.5L 8V 1989-91
- Porsche 944 Turbo S 2.5L 8V 1988
- Porsche 968 3.0L 1992-94
- Porsche 968 Sport 3.0L 1994-95
- Porsche 968 CS 3.0L 1993-95
- Porsche 968 Turbo S 3.0L 1993-94

46 mm diameter – 28 mm breed
Past bij:
Porsche 924S 1986-88
Porsche 944 1983-89*
Porsche 944 S, 944 S2, 944 Turbo
Porsche 968 1992-95
*zie opmerkingen 2 en 3
Opmerking 1: Past ook op vroege 87 924S tot motornummer 43H01919 (handgeschakelde versnellingsbak) en 43H60384 (automatische versnellingsbak)
Opmerking 2: past ook op vroege 87 924S vanaf motor # 43H01920 (handgeschakelde versnellingsbak) en 43H60385 (automatische versnellingsbak)
Opmerking 3: Vroege auto's (83-86) die zijn bijgewerkt naar de latere waterpomp met riembeschermrail zullen deze rol gebruiken.
Klik een distributieriem op dit type motor en de kleppen stoppen met openen en sluiten, maar die zuigers blijven op en neer slaan. Verbogen kleppen, kapotte klepstoters, zelfs een kapotte nokkenas kunnen het gevolg zijn! Houd de relatie tussen uw zuigers en kleppen beschaafd door het juiste onderhoud van de distributie- en balansasriem uit te voeren. Vanwege de complexiteit en de mogelijkheden dient u zorgvuldig alle onderdelen te kiezen die op uw voertuig van toepassing zijn.
Klik op 'Inzoomen' voor een groot onderdelendiagram.
Diagramreferentienr. 6.
Gerelateerde referentienummers
Gerelateerde, vervangen, kruisverwijzingen of alternatieve nummers ter vergelijking.
94410524104
Het product dat u bekijkt, verwijst naar deze nummers
Winkel veilig
12 maanden garantie
Wereldwijde levering
Motorrevisieriemen, spanners en rollen – Precieze timing voor betrouwbare Porsche-prestaties
Riemen, spanrollen en rollen voor motorrevisie zijn essentiële onderdelen voor het behoud van de nauwkeurige motortiming en soepele werking van uw Porsche. Deze onderdelen werken samen om de nokkenas en krukas te synchroniseren en ervoor te zorgen dat de kleppen precies op het juiste moment openen en sluiten voor een optimale verbranding. Na verloop van tijd kunnen deze componenten slijten of verslechteren, vooral bij hoge prestaties of langdurig gebruik. Vervanging is daarom essentieel tijdens een motorrevisie of grote onderhoudsbeurt.
Bij Design911 leveren we een volledig assortiment originele en hoogwaardige riemen, spanners en rollen voor diverse Porsche-modellen, waaronder de 911, Boxster, Cayman, Cayenne, Macan en Panamera. Elk onderdeel is ontworpen voor sterkte, nauwkeurigheid en langdurige betrouwbaarheid – zodat uw gereviseerde Porsche-motor kilometer na kilometer feilloos presteert.
Wat doen motorriemen, spanners en rollen?
Deze componenten vormen het hart van de distributie- en hulpsystemen van de motor. Ze:
- Belangrijke motoronderdelen , zoals de nokkenas, dynamo en waterpomp.
- Zorg voor een nauwkeurige timing voor een optimale verbranding en efficiëntie.
- Verminder wrijving en geluid door een soepele werking van de rollen en spanrollen.
- Zorg voor een constante riemspanning om slippen en voortijdige slijtage te voorkomen.
Samen zorgen ze ervoor dat de motor van uw Porsche soepel, efficiënt en betrouwbaar draait, of u nu rustig rijdt of op topprestaties rijdt.
Waarom gaan riemen, spanners en rollen kapot?
Blootstelling aan hoge temperaturen, trillingen en constante beweging veroorzaakt na verloop van tijd natuurlijke slijtage. Veelvoorkomende oorzaken van falen zijn:
- Verouderde rubberen riemen worden broos of scheuren.
- Versleten lagers in rollen of spanners, wat leidt tot lawaai of trillingen.
- Verlies van spanning waardoor de riem slipt of de timing niet goed is.
- Verontreiniging door olie of koelvloeistof-afbrekende materialen.
- Lange onderhoudsintervallen die tot onverwachte storingen kunnen leiden.
Symptomen van defecte onderdelen zijn onder andere piepende geluiden, slechte motorprestaties, onregelmatig stationair draaien of zelfs een defecte distributieriem. Als u hier niets aan doet, kan dit ernstige motorschade veroorzaken.
Waarom moeten riemen, spanners en rollen vervangen worden tijdens een motorrevisie?
Het vervangen van deze componenten tijdens een motorrevisie garandeert de betrouwbaarheid op lange termijn en elimineert het risico op toekomstige timinggerelateerde storingen. Een nieuwe set riemen, rollen en spanrollen herstelt de precisie, efficiëntie en prestaties – en beschermt zo uw investering.
Voordelen van vervanging zijn onder meer:
- Precieze timing en soepele werking hersteld.
- Minder risico op catastrofale motorstoringen.
- Verbeterde betrouwbaarheid en levensduur van de herbouw.
- Stillere, efficiëntere motorprestaties.
Alle componenten van Design911 zijn gemaakt van hoogwaardige materialen, precisielagers en geavanceerde hittebestendige verbindingen. Hierdoor worden maximale duurzaamheid en prestaties in zwaar belaste Porsche-motoren gegarandeerd.