Stuurhuizen
- Porsche Boxster 986 2.5L 1997-99
- Porsche Boxster 986 2.7L 1999-02
- Porsche Boxster S 986 3.2L 1999-02
- Porsche Boxster 986 2.7L 2003-04
- Porsche Boxster S 986 3.2L 2003-04
- Porsche Boxster 987 2.7L 2005 -08/08
- Porsche Boxster 987 S 3.2/3.4L 2005-08/08
- Porsche Boxster 987 MKII 2.9L 2009-2012
- Porsche Boxster S 987 MKII 3.4L 2009-2012
- Porsche 996 C2 3.4L 1997-08/01
- Porsche 996 C4 3.4L 1997-08/01
- Porsche 996 C2 3.6L 09/01-2005
- Porsche 996 C4 3.6L 09/01-2005
- Porsche 996 C4S 3.6L 09/01-2005
- Porsche 996 TURBO 2000-05
- Porsche 996 GT2 2001-05
- Porsche 996 GT3 MKI 1999-02
- Porsche 996 GT3 MKII 2003>>
- Porsche 996 GT3 RS 2003-04
- Porsche 997 MK1 Carrera 2 3.6L 2005-08
- Porsche 997 MK1 Carrera 2S 3.8L 2005-08
- Porsche 997 MK1 Carrera 4 3.6L 2005-08
- Porsche 997 MK1 Carrera 4S 3.8L 2005-08
- Porsche 997 MK1 TURBO 2007-09
- Porsche 997 MK1 GT3 2007-09
- Porsche 997 MK1 GT2 2007-09
- Porsche 997 MKII Carrera C2 3.6L 2009-12
- Porsche 997 MKII Carrera C4 3.6L 2009-12
- Porsche 997 MKII Carrera C2S 3.8L 2009-12
- Porsche 997 MKII Carrera C4S 3.8L 2009-12
- Porsche Cayman 2.7L 987C 2006-08
- Porsche Cayman S 3.4L 987C 2005-08
- Porsche Cayman 2.9L 987C MKII 2009-12
- Porsche Cayman S / R 3.4L 987C MKII 2009-12
SET VAN 2
vervanging voor 99634713104, 99634713103, 99134713100,

Past bij:
Porsche 996 C2, C4, C4S, Turbo, GT2, GT3
Porsche 997 C2, C2S, C4, C4S, Turbo, GT2, GT3
Porsche 986 Boxster / Boxster S
Porsche 987 Boxster / Boxster S
Porsche 987 Kaaiman / Kaaiman S
De RSS Adjustable Toe Steer Kit is ontworpen voor 996 en 997 modellen die zijn verlaagd.
Deze kit helpt veranderingen in de geometrie van de ophanging aan de voorkant van het voertuig te minimaliseren en maakt extra afstelling van de teen aan de stuurarm mogelijk. Beschikt over een zware monoballhengel met hoge tolerantie
uiteinden voor nauwkeurige ophangingsarticulatie met verbeterde handling en feedback. De stanguiteinden zijn ook in hoogte verstelbaar om hobbelsturen te verminderen/elimineren.
De schakels worden per paar verkocht voor de voorkant van de auto.
Gerelateerde referentienummers
Gerelateerde, vervangen, kruisverwijzingen of alternatieve nummers ter vergelijking.
370
Het product dat u bekijkt, verwijst naar deze nummers
Winkel veilig
12 maanden garantie
Wereldwijde levering
- Porsche Boxster 986 2.5L 1997-99
- Porsche Boxster 986 2.7L 1999-02
- Porsche Boxster S 986 3.2L 1999-02
- Porsche Boxster 986 2.7L 2003-04
- Porsche Boxster S 986 3.2L 2003-04
- Porsche Boxster 987 2.7L 2005 -08/08
- Porsche Boxster 987 S 3.2/3.4L 2005-08/08
- Porsche Boxster 987 MKII 2.9L 2009-2012
- Porsche Boxster S 987 MKII 3.4L 2009-2012
- Porsche 996 C2 3.4L 1997-08/01
- Porsche 996 C4 3.4L 1997-08/01
- Porsche 996 C2 3.6L 09/01-2005
- Porsche 996 C4 3.6L 09/01-2005
- Porsche 996 C4S 3.6L 09/01-2005
- Porsche 996 TURBO 2000-05
- Porsche 996 GT2 2001-05
- Porsche 996 GT3 MKI 1999-02
- Porsche 996 GT3 MKII 2003>>
- Porsche 996 GT3 RS 2003-04
- Porsche 997 MK1 Carrera 2 3.6L 2005-08
- Porsche 997 MK1 Carrera 2S 3.8L 2005-08
- Porsche 997 MK1 Carrera 4 3.6L 2005-08
- Porsche 997 MK1 Carrera 4S 3.8L 2005-08
- Porsche 997 MK1 TURBO 2007-09
- Porsche 997 MK1 GT3 2007-09
- Porsche 997 MK1 GT2 2007-09
- Porsche 997 MKII Carrera C2 3.6L 2009-12
- Porsche 997 MKII Carrera C4 3.6L 2009-12
- Porsche 997 MKII Carrera C2S 3.8L 2009-12
- Porsche 997 MKII Carrera C4S 3.8L 2009-12
- Porsche 997 MKII GT3 2010-11
- Porsche 997 MKII Turbo 2010-13
- Porsche 997 MKII GT2 RS 2011-13
- Porsche Cayman 2.7L 987C 2006-08
- Porsche Cayman S 3.4L 987C 2005-08
- Porsche Cayman 2.9L 987C MKII 2009-12
- Porsche Cayman S / R 3.4L 987C MKII 2009-12
voor montage op het stuurhuis

Past bij:
Porsche 986 Boxster - 1997 tot 2004
Porsche 987 Boxster/Cayman - 2005 tot 2012
Porsche 997 - 2005 tot 2012
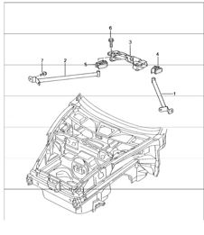
Klik op 'Inzoomen' voor een groot onderdelendiagram.
Diagramreferentienr. 10
Gerelateerde referentienummers
Gerelateerde, vervangen, kruisverwijzingen of alternatieve nummers ter vergelijking.
90037810001
Het product dat u bekijkt, verwijst naar deze nummers
Winkel veilig
12 maanden garantie
Wereldwijde levering
- Porsche Boxster 986 2.5L 1997-99
- Porsche Boxster 986 2.7L 1999-02
- Porsche Boxster S 986 3.2L 1999-02
- Porsche Boxster 986 2.7L 2003-04
- Porsche Boxster S 986 3.2L 2003-04
- Porsche Boxster 987 2.7L 2005 -08/08
- Porsche Boxster 987 S 3.2/3.4L 2005-08/08
- Porsche Boxster 987 MKII 2.9L 2009-2012
- Porsche Boxster S 987 MKII 3.4L 2009-2012
- Porsche 996 C2 3.4L 1997-08/01
- Porsche 996 C4 3.4L 1997-08/01
- Porsche 996 C2 3.6L 09/01-2005
- Porsche 996 C4 3.6L 09/01-2005
- Porsche 996 C4S 3.6L 09/01-2005
- Porsche 996 TURBO 2000-05
- Porsche 996 GT2 2001-05
- Porsche 996 GT3 MKI 1999-02
- Porsche 996 GT3 MKII 2003>>
- Porsche 996 GT3 RS 2003-04
- Porsche 997 MK1 Carrera 2 3.6L 2005-08
- Porsche 997 MK1 Carrera 2S 3.8L 2005-08
- Porsche 997 MK1 Carrera 4 3.6L 2005-08
- Porsche 997 MK1 Carrera 4S 3.8L 2005-08
- Porsche 997 MK1 TURBO 2007-09
- Porsche 997 MK1 GT3 2007-09
- Porsche 997 MK1 GT2 2007-09
- Porsche 997 MKII Carrera C2 3.6L 2009-12
- Porsche 997 MKII Carrera C4 3.6L 2009-12
- Porsche 997 MKII Carrera C2S 3.8L 2009-12
- Porsche 997 MKII Carrera C4S 3.8L 2009-12
- Porsche 997 MKII GT3 2010-11
- Porsche 997 MKII Turbo 2010-13
- Porsche 997 MKII GT2 RS 2011-13
- Porsche Cayman 2.7L 987C 2006-08
- Porsche Cayman S 3.4L 987C 2005-08
- Porsche Cayman 2.9L 987C MKII 2009-12
- Porsche Cayman S / R 3.4L 987C MKII 2009-12
- Porsche Cayman 2.7L 981 2013-16
- Porsche Cayman S / GTS 3.4L 981 2013-16

Past bij:
Porsche 986 Boxster 1997-2004
Porsche 987.1 Boxster 2005-2008
Porsche 987C.1 Kaaiman 2006-2008
Porsche 987.2 Boxster 2009-2012
Porsche 987.2 Kaaiman 2009-2012
Porsche 996 1998-2005
Porsche 997.1 2005-2008
Porsche 997.2 2009-2012
Winkel veilig
12 maanden garantie
Wereldwijde levering
- Porsche Boxster 986 2.5L 1997-99
- Porsche Boxster 986 2.7L 1999-02
- Porsche Boxster S 986 3.2L 1999-02
- Porsche Boxster 986 2.7L 2003-04
- Porsche Boxster S 986 3.2L 2003-04
- Porsche Boxster 987 2.7L 2005 -08/08
- Porsche Boxster 987 S 3.2/3.4L 2005-08/08
- Porsche Boxster 987 MKII 2.9L 2009-2012
- Porsche Boxster S 987 MKII 3.4L 2009-2012
- Porsche Boxster 981 2.7L 2012-16
- Porsche Boxster 981 S / GTS 3.4L 2012-16
- Porsche 996 C2 3.4L 1997-08/01
- Porsche 996 C4 3.4L 1997-08/01
- Porsche 996 C2 3.6L 09/01-2005
- Porsche 996 C4 3.6L 09/01-2005
- Porsche 996 C4S 3.6L 09/01-2005
- Porsche 996 TURBO 2000-05
- Porsche 996 GT2 2001-05
- Porsche 996 GT3 MKI 1999-02
- Porsche 996 GT3 MKII 2003>>
- Porsche 996 GT3 RS 2003-04
- Porsche 997 MK1 Carrera 2 3.6L 2005-08
- Porsche 997 MK1 Carrera 2S 3.8L 2005-08
- Porsche 997 MK1 Carrera 4 3.6L 2005-08
- Porsche 997 MK1 Carrera 4S 3.8L 2005-08
- Porsche 997 MK1 TURBO 2007-09
- Porsche 997 MK1 GT3 2007-09
- Porsche 997 MK1 GT2 2007-09
- Porsche 997 MKII Carrera C2 3.6L 2009-12
- Porsche 997 MKII Carrera C4 3.6L 2009-12
- Porsche 997 MKII Carrera C2S 3.8L 2009-12
- Porsche 997 MKII Carrera C4S 3.8L 2009-12
- Porsche 997 MKII GT3 2010-11
- Porsche 997 MKII Turbo 2010-13
- Porsche 997 MKII GT2 RS 2011-13
- Porsche 991.1 Carrera C2 3.4L (350Bhp) 2012-16
- Porsche 991.1 Carrera C2S 3.8L (400Bhp) 2012-16
- Porsche 991.1 Carrera C4 3.4L (350Bhp) 2012-16
- Porsche 991.1 Carrera C4S 3.8L (400Bhp) 2012-16
- Porsche 991.1 Turbo 3.8L (520bhp) 2014-16
- Porsche 991.1 Turbo S 3.8L (560Bhp) 2014-16
- Porsche 991.1 GT3 3.8L (475Bhp) 2014-16
- Porsche Cayman 2.7L 987C 2006-08
- Porsche Cayman S 3.4L 987C 2005-08
- Porsche Cayman 2.9L 987C MKII 2009-12
- Porsche Cayman S / R 3.4L 987C MKII 2009-12
- Porsche Cayman 2.7L 981 2013-16
- Porsche Cayman S / GTS 3.4L 981 2013-16
- Porsche Carrera GT
- Porsche 955 Cayenne 3.2L V6 2003-06
- Porsche 955 Cayenne S 4.5L V8 2003-06
- Porsche 955 Cayenne Turbo 4.5L 2003-06
- Porsche 955 Cayenne Turbo S 4.5L 2006>>
- Porsche 957 Cayenne 3.0L Diesel 2007-10
- Porsche 957 Cayenne 3.6L 2007-10
- Porsche 957 Cayenne S/GTS 4.8L 2007-10
- Porsche 957 Cayenne Turbo / Turbo S 4.8L 2007-10
- Porsche 958 Cayenne V6 3.6L Petrol 300Hp 2010-17
- Porsche 958 Cayenne V6 3.0L Diesel 245HP 2010-17
- Porsche 958 Cayenne S V6 3.0L Hybrid 380HP 2010-17
- Porsche 958 Cayenne S V8 4.8L Petrol 400HP 2010-17
- Porsche 958 Cayenne S V8 4.2L Diesel 382HP 2010-17
- Porsche 958 Cayenne GTS V8 4.8L Petrol 400HP 2010-17
- Porsche 958 Cayenne Turbo V8 4.8L Petrol 500HP 2010-17
- Porsche 958 Cayenne Turbo S V8 4.8L Petrol 550HP 2010-17
- Porsche 970.1 Panamera V6 3.6L 2WD 2009-13
- Porsche 970.1 Panamera 4 V6 3.6L 4WD 2009-13
- Porsche 970.1 Panamera S V8 4.8L 2009-13
- Porsche 970.1 Panamera 4S V8 4.8L 2009-13
- Porsche 970.1 Panamera GTS V8 4.8L 2011-13
- Porsche 970.1 Panamera Turbo V8 4.8L 2009-13
- Porsche 970.1 Panamera Turbo S V8 4.8L 2009-13
- Porsche 970.1 Panamera Diesel V6 3.0L 2011-13
- Porsche 970.1 Panamera S Hybrid V6 3.0L 2011-13
- Porsche 970.2 Panamera V6 3.6L 2WD (310Hp) 2014-16
- Porsche 970.2 Panamera 4 V6 3.6L 4WD (310Hp) 2014-16
- Porsche 970.2 Panamera S V6 Turbo 3.0L 2WD (420Hp) 2014-16
- Porsche 970.2 Panamera S V6 Turbo 3.0L 2WD Executive 2014-16
- Porsche 970.2 Panamera 4S V6 Turbo 3.0L 4WD (420Hp) 2014-16
- Porsche 970.2 Panamera 4S V6 Turbo 3.0L 4WD Executive 2014-16
- Porsche 970.2 Panamera GTS V8 4.8L 4WD (440Hp) 2014-16
- Porsche 970.2 Panamera Turbo V8 4.8L (520Hp) 2014-16
- Porsche 970.2 Panamera Turbo V8 Executive 2014-16
- Porsche 970.2 Panamera Turbo S V8 4.8L 2014-16
- Porsche 970.2 Panamera Diesel V6 3.0L (250Hp) 2014-16
- Porsche 970.2 Panamera S E-Hybrid V6 3.0L (416Hp) 2014-16
- Porsche 95B.1 Macan S Petrol 3.0L V6 340Bhp 2014-18
- Porsche 95B.1 Macan S Diesel 3.0L V6 258Bhp 2014-18
- Porsche 95B.1 Macan Turbo 3.6L V6 400Bhp 2014-18
- Porsche 914 (1970-1976)
Pentosin vloeistof voor hydraulisch systeem

Gerelateerde referentienummers
Gerelateerde, vervangen, kruisverwijzingen of alternatieve nummers ter vergelijking.
00004330574
Het product dat u bekijkt, verwijst naar deze nummers
Winkel veilig
12 maanden garantie
Wereldwijde levering
- Porsche Boxster 986 2.5L 1997-99
- Porsche Boxster 986 2.7L 1999-02
- Porsche Boxster S 986 3.2L 1999-02
- Porsche Boxster 986 2.7L 2003-04
- Porsche Boxster S 986 3.2L 2003-04
- Porsche 996 C2 3.4L 1997-08/01
- Porsche 996 C4 3.4L 1997-08/01
- Porsche 996 C2 3.6L 09/01-2005
- Porsche 996 C4 3.6L 09/01-2005
- Porsche 996 C4S 3.6L 09/01-2005
- Porsche 996 TURBO 2000-05
Vervangende buizen (staal) voor LHD-stuurhuis (paar)
ALLEEN voor auto's met het stuur links!
Naast de aanschaf van een compleet nieuw stuurhuis of het laten reviseren van uw bestaande stuurhuis, wat beide zeer dure opties zijn, bieden we nu vervangende stuurhuisleidingen aan die normaal gesproken niet los verkrijgbaar zijn. De twee vervangende leidingen passen op het stuurhuis, maar deze leidingen gaan normaal gesproken achteruit. Het stuurhuis van een auto met stuurbekrachtiging heeft een hydraulisch circuit nodig: een drukleiding (hoge druk) van de stuurbekrachtigingspomp (of pomp + reservoir) naar het stuurhuis, en een retourleiding (lage druk) van het stuurhuis terug naar het reservoir (of de retourzijde van de pomp).
Past op:
- Porsche Boxster 986 2.5L 1997-99
- Porsche Boxster 986 2.7L 1999-02
- Porsche Boxster S 986 3.2L 1999-02
- Porsche Boxster 986 2.7L 2003-04
- Porsche Boxster S 986 3.2L 2003-04
- Porsche 996 C2 3.4L 1997-08/01
- Porsche 996 C4 3.4L 1997-08/01
- Porsche 996 C2 3.6L 09/01-2005
- Porsche 996 C4 3.6L 09/01-2005
- Porsche 996 C4S 3.6L 09/01-2005
- Porsche 996 TURBO 2000-05
Gerelateerde referentienummers
Gerelateerde, vervangen, kruisverwijzingen of alternatieve nummers ter vergelijking.
99634701111P
Het product dat u bekijkt, verwijst naar deze nummers
Winkel veilig
12 maanden garantie
Wereldwijde levering
- Porsche Boxster 986 2.5L 1997-99
- Porsche Boxster 986 2.7L 1999-02
- Porsche Boxster S 986 3.2L 1999-02
- Porsche Boxster 986 2.7L 2003-04
- Porsche Boxster S 986 3.2L 2003-04
- Porsche 996 C2 3.4L 1997-08/01
- Porsche 996 C4 3.4L 1997-08/01
- Porsche 996 C2 3.6L 09/01-2005
- Porsche 996 C4 3.6L 09/01-2005
- Porsche 996 C4S 3.6L 09/01-2005
- Porsche 996 TURBO 2000-05
ALLEEN voor auto's met het stuur rechts!
Naast de aanschaf van een compleet nieuw stuurhuis of het laten reviseren van uw bestaande stuurhuis, wat beide zeer dure opties zijn, bieden we nu vervangende stuurhuisleidingen aan die normaal gesproken niet los verkrijgbaar zijn. De twee vervangende leidingen passen op het stuurhuis, maar deze leidingen gaan normaal gesproken achteruit. Het stuurhuis van een auto met stuurbekrachtiging heeft een hydraulisch circuit nodig: een drukleiding (hoge druk) van de stuurbekrachtigingspomp (of pomp + reservoir) naar het stuurhuis, en een retourleiding (lage druk) van het stuurhuis terug naar het reservoir (of de retourzijde van de pomp).
Past op:
- Porsche Boxster 986 2.5L 1997-99
- Porsche Boxster 986 2.7L 1999-02
- Porsche Boxster S 986 3.2L 1999-02
- Porsche Boxster 986 2.7L 2003-04
- Porsche Boxster S 986 3.2L 2003-04
- Porsche 996 C2 3.4L 1997-08/01
- Porsche 996 C4 3.4L 1997-08/01
- Porsche 996 C2 3.6L 09/01-2005
- Porsche 996 C4 3.6L 09/01-2005
- Porsche 996 C4S 3.6L 09/01-2005
- Porsche 996 TURBO 2000-05
Gerelateerde referentienummers
Gerelateerde, vervangen, kruisverwijzingen of alternatieve nummers ter vergelijking.
99634701210P
Het product dat u bekijkt, verwijst naar deze nummers
Winkel veilig
12 maanden garantie
Wereldwijde levering
- Porsche Boxster 986 2.5L 1997-99
- Porsche Boxster 986 2.7L 1999-02
- Porsche Boxster S 986 3.2L 1999-02
- Porsche Boxster 986 2.7L 2003-04
- Porsche Boxster S 986 3.2L 2003-04
- Porsche Boxster 987 2.7L 2005 -08/08
- Porsche Boxster 987 S 3.2/3.4L 2005-08/08
- Porsche Boxster 987 MKII 2.9L 2009-2012
- Porsche Boxster S 987 MKII 3.4L 2009-2012
- Porsche Boxster 981 2.7L 2012-16
- Porsche Boxster 981 S / GTS 3.4L 2012-16
- Porsche Boxster 718 2.0L Manual (300 Bhp)
- Porsche Boxster 718 2.0L PDK (300 Bhp)
- Porsche Boxster S 718 2.5L Manual (350 Bhp)
- Porsche Boxster S 718 2.5L PDK (350 Bhp)
- Porsche 996 C2 3.4L 1997-08/01
- Porsche 996 C4 3.4L 1997-08/01
- Porsche 996 C2 3.6L 09/01-2005
- Porsche 996 C4 3.6L 09/01-2005
- Porsche 996 C4S 3.6L 09/01-2005
- Porsche 996 TURBO 2000-05
- Porsche 996 GT2 2001-05
- Porsche 996 GT3 MKI 1999-02
- Porsche 996 GT3 MKII 2003>>
- Porsche 996 GT3 RS 2003-04
- Porsche 997 MK1 Carrera 2 3.6L 2005-08
- Porsche 997 MK1 Carrera 2S 3.8L 2005-08
- Porsche 997 MK1 Carrera 4 3.6L 2005-08
- Porsche 997 MK1 Carrera 4S 3.8L 2005-08
- Porsche 997 MK1 TURBO 2007-09
- Porsche 997 MK1 GT3 2007-09
- Porsche 997 MK1 GT2 2007-09
- Porsche 997 MKII Carrera C2 3.6L 2009-12
- Porsche 997 MKII Carrera C4 3.6L 2009-12
- Porsche 997 MKII Carrera C2S 3.8L 2009-12
- Porsche 997 MKII Carrera C4S 3.8L 2009-12
- Porsche 997 MKII GT3 2010-11
- Porsche 997 MKII Turbo 2010-13
- Porsche 997 MKII GT2 RS 2011-13
- Porsche 991.1 Carrera C2 3.4L (350Bhp) 2012-16
- Porsche 991.1 Carrera C2S 3.8L (400Bhp) 2012-16
- Porsche 991.1 Carrera C4 3.4L (350Bhp) 2012-16
- Porsche 991.1 Carrera C4S 3.8L (400Bhp) 2012-16
- Porsche 991.1 Turbo 3.8L (520bhp) 2014-16
- Porsche 991.1 Turbo S 3.8L (560Bhp) 2014-16
- Porsche 991.1 R 4.0L (500 Bhp) 2016
- Porsche 991.1 GT3 3.8L (475Bhp) 2014-16
- Porsche 991.1 GT3 RS 4.0L (500Bhp) 2015-16
- Porsche 991.2 Carrera 2 3.0L (370 Bhp) 2016-19
- Porsche 991.2 Carrera 2S 3.0L (420 Bhp) 2016-19
- Porsche 991.2 Carrera 4 3.0L (370 Bhp) 2016-19
- Porsche 991.2 Carrera 4S 3.0L (420 Bhp) 2016-19
- Porsche 991.2 Cabriolet 2 3.0L (370 Bhp) 2016-19
- Porsche 991.2 Cabriolet 2S 3.0L (420 Bhp) 2016-19
- Porsche 991.2 Cabriolet 4 3.0L (370 Bhp) 2016-19
- Porsche 991.2 Cabriolet 4S 3.0L (420 Bhp) 2016-19
- Porsche 991.2 Targa 4 3.0L (370 Bhp) 2016-19
- Porsche 991.2 Targa 4S 3.0L (420 Bhp) 2016-19
- Porsche 991.2 Turbo Coupe 3.8L (540 Bhp) 2016-19
- Porsche 991.2 Turbo S Coupe 3.8L (580 Bhp) 2016-19
- Porsche 991.2 Turbo Cabriolet 3.8L (540 Bhp) 2016-19
- Porsche 991.2 Turbo S Cabriolet 3.8L (580 Bhp) 2016-19
- Porsche 991.2 GT3 4.0L (500 Bhp) / GT3 RS 4.0L (520 Bhp) 2017-19
- Porsche 991.2 GT2 RS 3.8L PDK (700 bhp) 2018-19
- Porsche Cayman 2.7L 987C 2006-08
- Porsche Cayman S 3.4L 987C 2005-08
- Porsche Cayman 2.9L 987C MKII 2009-12
- Porsche Cayman S / R 3.4L 987C MKII 2009-12
- Porsche Cayman 2.7L 981 2013-16
- Porsche Cayman S / GTS 3.4L 981 2013-16
- Porsche Cayman GT4 3.8L 2015-16
- Porsche Cayman 718 2.0L Manual (300Bhp)
- Porsche Cayman 718 2.0L PDK (300Bhp)
- Porsche Cayman S 718 2.5L Manual (350Bhp)
- Porsche Cayman S 718 2.5L PDK (350Bhp)

SET VAN 2
vervanging voor 99634713104, 99634713103, 99134713100,
Past bij:
VOOR ALLE Porsche 981, 982, GT4, 991 INCLUSIEF TURBO & GT3/GT3RS.
Past ook op Porsche 986, 996, 997, 987 die extreme hoeveelheden negatief camber hebben of die de voorste spoorbreedte hebben vergroot.
De RSS Adjustable Front Toe/Bump Steer XL Kit is ontworpen voor verlaagde Porsche-modellen. Deze kit helpt de verandering van de geometrie van de ophanging aan de voorkant van het voertuig te minimaliseren. Maakt afstelling van de bumpsteer mogelijk. Verbetert handling, feedback en controle.
Gerelateerde referentienummers
Gerelateerde, vervangen, kruisverwijzingen of alternatieve nummers ter vergelijking.
371
Het product dat u bekijkt, verwijst naar deze nummers
Winkel veilig
12 maanden garantie
Wereldwijde levering
- Porsche Boxster 986 2.5L 1997-99
- Porsche Boxster 986 2.7L 1999-02
- Porsche Boxster S 986 3.2L 1999-02
- Porsche Boxster 986 2.7L 2003-04
- Porsche Boxster S 986 3.2L 2003-04
- Porsche Boxster 987 2.7L 2005 -08/08
- Porsche Boxster 987 S 3.2/3.4L 2005-08/08
- Porsche Boxster 987 MKII 2.9L 2009-2012
- Porsche Boxster S 987 MKII 3.4L 2009-2012
- Porsche Boxster 981 2.7L 2012-16
- Porsche Boxster 981 S / GTS 3.4L 2012-16
- Porsche Boxster 981 Spyder 3.8L 2016
- Porsche Boxster 718 2.0L Manual (300 Bhp)
- Porsche Boxster 718 2.0L PDK (300 Bhp)
- Porsche Boxster S 718 2.5L Manual (350 Bhp)
- Porsche Boxster S 718 2.5L PDK (350 Bhp)
- Porsche Boxster T 718 2.0L Manual (300 Bhp)
- Porsche Boxster T 718 2.0L PDK (300 Bhp)
- Porsche Boxster GTS 718 2.5L Manual (365 Bhp)
- Porsche Boxster GTS 718 2.5L PDK (365 Bhp)
- Porsche Boxster GTS 718 4.0L Manual (400 Bhp)
- Porsche Boxster GTS 718 4.0L PDK (400 Bhp)
- Porsche Boxster Spyder 718 4.0L (420 Bhp)
- Porsche Boxster 25 Years 718 4.0L Manual (400 Bhp)
- Porsche Boxster 25 Years 718 4.0L PDK (400 Bhp)
- Porsche 996 C2 3.4L 1997-08/01
- Porsche 996 C4 3.4L 1997-08/01
- Porsche 996 C2 3.6L 09/01-2005
- Porsche 996 C4 3.6L 09/01-2005
- Porsche 996 C4S 3.6L 09/01-2005
- Porsche 996 TURBO 2000-05
- Porsche 996 GT2 2001-05
- Porsche 996 GT3 MKI 1999-02
- Porsche 996 GT3 MKII 2003>>
- Porsche 996 GT3 RS 2003-04
- Porsche 997 MK1 Carrera 2 3.6L 2005-08
- Porsche 997 MK1 Carrera 2S 3.8L 2005-08
- Porsche 997 MK1 Carrera 4 3.6L 2005-08
- Porsche 997 MK1 Carrera 4S 3.8L 2005-08
- Porsche 997 MK1 TURBO 2007-09
- Porsche 997 MK1 GT3 2007-09
- Porsche 997 MK1 GT2 2007-09
- Porsche 997 MKII Carrera C2 3.6L 2009-12
- Porsche 997 MKII Carrera C4 3.6L 2009-12
- Porsche 997 MKII Carrera C2S 3.8L 2009-12
- Porsche 997 MKII Carrera C4S 3.8L 2009-12
- Porsche 991.1 Carrera C2 3.4L (350Bhp) 2012-16
- Porsche 991.1 Carrera C2S 3.8L (400Bhp) 2012-16
- Porsche 991.1 Carrera C4 3.4L (350Bhp) 2012-16
- Porsche 991.1 Carrera C4S 3.8L (400Bhp) 2012-16
- Porsche 991.1 Turbo 3.8L (520bhp) 2014-16
- Porsche 991.1 Turbo S 3.8L (560Bhp) 2014-16
- Porsche 991.1 R 4.0L (500 Bhp) 2016
- Porsche 991.1 GT3 3.8L (475Bhp) 2014-16
- Porsche 991.1 GT3 RS 4.0L (500Bhp) 2015-16
- Porsche 991.2 Carrera 2 3.0L (370 Bhp) 2016-19
- Porsche 991.2 Carrera 2S 3.0L (420 Bhp) 2016-19
- Porsche 991.2 Carrera 4 3.0L (370 Bhp) 2016-19
- Porsche 991.2 Carrera 4S 3.0L (420 Bhp) 2016-19
- Porsche 991.2 Cabriolet 2 3.0L (370 Bhp) 2016-19
- Porsche 991.2 Cabriolet 2S 3.0L (420 Bhp) 2016-19
- Porsche 991.2 Cabriolet 4 3.0L (370 Bhp) 2016-19
- Porsche 991.2 Cabriolet 4S 3.0L (420 Bhp) 2016-19
- Porsche 991.2 Targa 4 3.0L (370 Bhp) 2016-19
- Porsche 991.2 Targa 4S 3.0L (420 Bhp) 2016-19
- Porsche 991.2 Turbo Coupe 3.8L (540 Bhp) 2016-19
- Porsche 991.2 Turbo S Coupe 3.8L (580 Bhp) 2016-19
- Porsche 991.2 Turbo Cabriolet 3.8L (540 Bhp) 2016-19
- Porsche 991.2 Turbo S Cabriolet 3.8L (580 Bhp) 2016-19
- Porsche 991.2 Speedster 4.0L (510Bhp) 2019
- Porsche 991.2 GT3 4.0L (500 Bhp) / GT3 RS 4.0L (520 Bhp) 2017-19
- Porsche 991.2 GT2 RS 3.8L PDK (700 bhp) 2018-19
- Porsche Cayman 2.7L 987C 2006-08
- Porsche Cayman S 3.4L 987C 2005-08
- Porsche Cayman 2.9L 987C MKII 2009-12
- Porsche Cayman S / R 3.4L 987C MKII 2009-12
- Porsche Cayman 2.7L 981 2013-16
- Porsche Cayman S / GTS 3.4L 981 2013-16
- Porsche Cayman GT4 3.8L 2015-16
- Porsche Cayman 718 2.0L Manual (300Bhp)
- Porsche Cayman 718 2.0L PDK (300Bhp)
- Porsche Cayman S 718 2.5L Manual (350Bhp)
- Porsche Cayman S 718 2.5L PDK (350Bhp)
- Porsche Cayman T 718 2.0L Manual (300Bhp)
- Porsche Cayman T 718 2.0L PDK (300 Bhp)
- Porsche Cayman GTS 718 2.5L Manual (365 Bhp)
- Porsche Cayman GTS 718 2.5L PDK (365 Bhp)
- Porsche Cayman GTS 718 4.0L Manual (400 Bhp)
- Porsche Cayman GTS 718 4.0L PDK (400 Bhp)
- Porsche Cayman GT4 718 4.0L / GT4 RS 718 4.0L

Kit bevat : 1x conische tapeind, 1 x bovenste borgmoer, 1 x onderste borgmoer, 2 x tapeindafstandhouders/ringen.
OPMERKING VOOR DE GEBRUIKER: Een nieuwe 382-set moet worden geïnstalleerd zodra de kogelgewrichtpen van de naaf is verwijderd.
Gerelateerde referentienummers
Gerelateerde, vervangen, kruisverwijzingen of alternatieve nummers ter vergelijking.
382
Het product dat u bekijkt, verwijst naar deze nummers
Winkel veilig
12 maanden garantie
Wereldwijde levering
- Porsche Boxster 986 2.5L 1997-99
- Porsche Boxster 986 2.7L 1999-02
- Porsche Boxster S 986 3.2L 1999-02
- Porsche Boxster 986 2.7L 2003-04
- Porsche Boxster S 986 3.2L 2003-04
- Porsche 996 C2 3.4L 1997-08/01
- Porsche 996 C4 3.4L 1997-08/01
- Porsche 996 C2 3.6L 09/01-2005
- Porsche 996 C4 3.6L 09/01-2005
- Porsche 996 C4S 3.6L 09/01-2005
- Porsche 996 TURBO 2000-05
Past op:
Porsche Boxster 986 1997-04
Porsche 996 1997-04
Auto's met het stuur links (zoals in Europa)
De meest voorkomende storingen aan de stuurbekrachtiging zijn:
- Lekkende stuurbekrachtiging
- Gescheurde alligators
- Moeilijk te sturen bij stationair draaien
- Moeilijk om eenrichtingsverkeer te maken
- Stuurwiel niet zelfcentrerend
- Geluid bij stationair draaien
- Geluid bij het sturen
- Trillen bij het sturen
- Verlies van alle stuurvermogen
- Half verlies van stuurvermogen
- Problemen met de elektrische besturing
Hierboven staan slechts enkele van de problemen waarmee onze klanten dagelijks te maken hebben met hun stuurbekrachtigingssystemen.
Gerelateerde referentienummers
Gerelateerde, vervangen, kruisverwijzingen of alternatieve nummers ter vergelijking.
99634701111
Het product dat u bekijkt, verwijst naar deze nummers
Winkel veilig
12 maanden garantie
Wereldwijde levering
- Porsche Boxster 986 2.5L 1997-99
- Porsche Boxster 986 2.7L 1999-02
- Porsche Boxster S 986 3.2L 1999-02
- Porsche Boxster 986 2.7L 2003-04
- Porsche Boxster S 986 3.2L 2003-04
- Porsche 996 C2 3.4L 1997-08/01
- Porsche 996 C4 3.4L 1997-08/01
- Porsche 996 C2 3.6L 09/01-2005
- Porsche 996 C4 3.6L 09/01-2005
- Porsche 996 C4S 3.6L 09/01-2005
- Porsche 996 TURBO 2000-05
Past op:
Porsche Boxster 986 1997-04
Porsche 996 1997-04
Auto's met het stuur links (zoals in Europa)
De meest voorkomende storingen aan de stuurbekrachtiging zijn:
- Lekkende stuurbekrachtiging
- Gescheurde alligators
- Moeilijk te sturen bij stationair draaien
- Moeilijk om eenrichtingsverkeer te maken
- Stuurwiel niet zelfcentrerend
- Geluid bij stationair draaien
- Geluid bij het sturen
- Trillen bij het sturen
- Verlies van alle stuurvermogen
- Half verlies van stuurvermogen
- Problemen met de elektrische besturing
Hierboven staan slechts enkele van de problemen waarmee onze klanten dagelijks te maken hebben met hun stuurbekrachtigingssystemen.
Gerelateerde referentienummers
Gerelateerde, vervangen, kruisverwijzingen of alternatieve nummers ter vergelijking.
99634701111
Het product dat u bekijkt, verwijst naar deze nummers
Winkel veilig
12 maanden garantie
Wereldwijde levering
- Porsche Boxster 986 2.5L 1997-99
- Porsche Boxster 986 2.7L 1999-02
- Porsche Boxster S 986 3.2L 1999-02
- Porsche Boxster 986 2.7L 2003-04
- Porsche Boxster S 986 3.2L 2003-04
- Porsche 996 C2 3.4L 1997-08/01
- Porsche 996 C4 3.4L 1997-08/01
- Porsche 996 C2 3.6L 09/01-2005
- Porsche 996 C4 3.6L 09/01-2005
- Porsche 996 C4S 3.6L 09/01-2005
- Porsche 996 TURBO 2000-05

Gereviseerde stuurinrichting, voor LHD-AUTO'S (stuur links)

Past op:
Porsche Boxster 986 1997-04
Porsche 996 1997-04
* Auto's met het stuur links (zoals in Europa)
Let op: gereviseerde units worden verkocht op basis van ruil. Er wordt een toeslag van £ 295,00 ingehouden, die u terugkrijgt wanneer u de oude unit inlevert.
De meest voorkomende storingen aan de stuurbekrachtiging zijn:
- Lekkende stuurbekrachtiging
- Gescheurde alligators
- Moeilijk te sturen bij stationair draaien
- Moeilijk om eenrichtingsverkeer te sturen
- Stuurwiel niet zelfcentrerend
- Geluid bij stationair draaien
- Geluid bij het sturen
- Schokken bij het sturen
- Verlies van alle stuurvermogen
- Half verlies van stuurvermogen
- Problemen met elektrische besturing
Hierboven staan slechts enkele problemen waar onze klanten dagelijks mee te maken krijgen met hun stuurbekrachtigingsunits. Wij kunnen uw oude unit vervangen door een gereviseerde unit. Als we geen vervangende unit beschikbaar hebben, kunnen we uw eigen unit meenemen en deze voor u reviseren. Waar een nieuwe unit £1000's kan kosten, kunnen wij gereviseerde units reviseren/leveren voor een fractie van deze prijs!
Alle gereviseerde rekken worden geleverd met 1 jaar of 12.000 mijl garantie!
Gerelateerde referentienummers
Gerelateerde, vervangen, kruisverwijzingen of alternatieve nummers ter vergelijking.
99634701111
Het product dat u bekijkt, verwijst naar deze nummers
Winkel veilig
12 maanden garantie
Wereldwijde levering
- Porsche Boxster 986 2.5L 1997-99
- Porsche Boxster 986 2.7L 1999-02
- Porsche Boxster S 986 3.2L 1999-02
- Porsche Boxster 986 2.7L 2003-04
- Porsche Boxster S 986 3.2L 2003-04
- Porsche 996 C2 3.4L 1997-08/01
- Porsche 996 C4 3.4L 1997-08/01
- Porsche 996 C2 3.6L 09/01-2005
- Porsche 996 C4 3.6L 09/01-2005
- Porsche 996 C4S 3.6L 09/01-2005
- Porsche 996 TURBO 2000-05
Past op:
Porsche Boxster 986 1997-04
Porsche 996 1997-04
Auto's met het stuur rechts (zoals in het VK)
De meest voorkomende storingen aan de stuurbekrachtiging zijn:
- Lekkende stuurbekrachtiging
- Gescheurde alligators
- Moeilijk te sturen bij stationair draaien
- Moeilijk om eenrichtingsverkeer te maken
- Stuurwiel niet zelfcentrerend
- Geluid bij stationair draaien
- Geluid bij het sturen
- Trillen bij het sturen
- Verlies van alle stuurvermogen
- Half verlies van stuurvermogen
- Problemen met de elektrische besturing
Hierboven staan slechts enkele van de problemen waarmee onze klanten dagelijks te maken hebben met hun stuurbekrachtigingssystemen.
Gerelateerde referentienummers
Gerelateerde, vervangen, kruisverwijzingen of alternatieve nummers ter vergelijking.
99634701211
Het product dat u bekijkt, verwijst naar deze nummers
Winkel veilig
12 maanden garantie
Wereldwijde levering
- Porsche Boxster 986 2.5L 1997-99
- Porsche Boxster 986 2.7L 1999-02
- Porsche Boxster S 986 3.2L 1999-02
- Porsche Boxster 986 2.7L 2003-04
- Porsche Boxster S 986 3.2L 2003-04
- Porsche 996 C2 3.4L 1997-08/01
- Porsche 996 C4 3.4L 1997-08/01
- Porsche 996 C2 3.6L 09/01-2005
- Porsche 996 C4 3.6L 09/01-2005
- Porsche 996 C4S 3.6L 09/01-2005
- Porsche 996 TURBO 2000-05


Past op:
Porsche Boxster 986 1997-04
Porsche 996 1997-04
Auto's met het stuur rechts (zoals in het VK)
De meest voorkomende storingen aan de stuurbekrachtiging zijn:
- Lekkende stuurbekrachtiging
- Gescheurde alligators
- Moeilijk te sturen bij stationair draaien
- Moeilijk om eenrichtingsverkeer te sturen
- Stuurwiel niet zelfcentrerend
- Geluid bij stationair draaien
- Geluid bij het sturen
- Schokken bij het sturen
- Verlies van alle stuurvermogen
- Half verlies van stuurvermogen
- Problemen met elektrische besturing
Hierboven staan slechts enkele problemen waar onze klanten dagelijks mee te maken krijgen met hun stuurbekrachtigingsunits. Wij kunnen uw oude unit vervangen door een gereviseerde unit. Als we geen vervangende unit beschikbaar hebben, kunnen we uw eigen unit meenemen en deze voor u reviseren. Waar een nieuwe unit £1000's kan kosten, kunnen wij gereviseerde units reviseren/leveren voor een fractie van deze prijs!
Alle gereviseerde rekken worden geleverd met 1 jaar of 12.000 mijl garantie!
LET OP:
Gerelateerde referentienummers
Gerelateerde, vervangen, kruisverwijzingen of alternatieve nummers ter vergelijking.
99634701210
Het product dat u bekijkt, verwijst naar deze nummers
Winkel veilig
12 maanden garantie
Wereldwijde levering
Porsche stuurhuizen | Design911 Precisie stuurhuizen voor controle en prestaties
Het stuurhuis is het hart van het stuursysteem van uw Porsche en vertaalt de stuurinput van de bestuurder naar een nauwkeurige richtingsbeweging van de wielen. Het is een cruciaal onderdeel dat zorgt voor een responsieve wegligging, stabiliteit en controle onder alle rijomstandigheden. Of uw Porsche nu een hydraulische, handmatige of elektrische stuurbekrachtiging heeft, een soepele en nauwkeurige stuurhuisconstructie is essentieel voor zowel de prestaties als de veiligheid.
Bij Design911 leveren we een compleet assortiment stuurhuizen, inclusief hydraulische, elektrische en handmatige systemen voor zowel klassieke als moderne modellen. Elk onderdeel is gebouwd volgens hoge technische normen en biedt een uitzonderlijk stuurgevoel, precisie en betrouwbaarheid. Onze stuurhuizen zijn perfect voor routineonderhoud, prestatieherstel of volledige revisies en zorgen ervoor dat uw Porsche precies zo stuurt als hij bedoeld is: scherp, soepel en voorspelbaar.
Wat doen stuurhuizen?
De stuurinrichting zet de draaiende beweging van het stuurwiel om in een lineaire beweging, waardoor de voorwielen van het voertuig nauwkeurig in de gewenste richting worden gestuurd.
Kernfuncties:
• Zet stuurinput om in vloeiende, nauwkeurige wielbewegingen.
• Werkt samen met het stuurbekrachtigingssysteem voor een eenvoudige bediening.
• Zorg voor een correcte uitlijning en sporing van de wielen.
• Zorgt voor een evenwichtige feedback en een goed weggevoel.
• Zorgt voor stabiliteit en stuurnauwkeurigheid bij alle snelheden.
Een goed functionerend stuurhuis zorgt voor een vertrouwenwekkend rijgedrag, zowel op hoge snelheid op de snelweg als in krappe bochten op het circuit.
Waarom gaan stuurhuizen kapot of verslechteren ze?
Stuurhuizen staan bloot aan constante druk, beweging en hitte en verontreinigingen, waardoor er na verloop van tijd geleidelijke slijtage optreedt.
Veelvoorkomende oorzaken van storingen zijn onder meer:
• Slijtage van de afdichting, wat leidt tot lekkage van hydraulische vloeistof.
• Corrosie of putcorrosie op de interne oppervlakken van het rek.
• Speling of losheid in de besturing als gevolg van versleten bussen of gewrichten.
• Verontreiniging van de stuurbekrachtigingsvloeistof veroorzaakt interne schade.
• Door leeftijd veroorzaakte degradatie van pakkingen of bevestigingen.
Wanneer stuurhuizen beginnen te falen, zijn de symptomen onder meer overmatige speling, trillingen, vloeistoflekken, onregelmatige stuurinspanning en kloppende geluiden. Allemaal tekenen dat vervanging of renovatie nodig is.
Waarom moet u uw Porsche-stuurhuis vervangen of upgraden?
Het vervangen of upgraden van uw stuurhuis herstelt de stuurprecisie, stabiliteit en stuurfeedback. Moderne of prestatiegerichte vervangingen bieden verbeterde duurzaamheid en respons voor zowel weg- als motorsportgebruik.
Belangrijkste voordelen:
• Herstelt scherpe, responsieve stuurprestaties.
• Voorkomt vloeistoflekken en ongewenste speling.
• Verbetert het weggevoel en de stabiliteit van het voertuig.
• Verkrijgbaar in handmatige, hydraulische en elektrische configuraties.
• Geschikt voor Porsche 911, 944, 968, Boxster, Cayman, Panamera en Cayenne modellen.
• Ideaal voor restauratie, onderhoud of voorbereiding van het spoor.
De Porsche-stuurhuizen van Design911 zijn nauwkeurig ontworpen om de prestaties, feedback en controle te leveren die Porsche-bezitters verwachten. Zo bent u verzekerd van betrouwbaarheid tijdens elke reis.
Hoogtepunten
• Premium Porsche stuurhuizen voor alle modellen.
• Nauwkeurig ontworpen voor sterkte, uitlijning en feedback.
• Verkrijgbaar in hydraulische, handmatige en elektrische varianten.
• Herstelt de nauwkeurige besturing en het stuurgevoel.
• Gemaakt van corrosiebestendige, hoogwaardige materialen.
• Ideaal voor onderhoud, upgrades en restauraties.