do not press the back button…
-
Engine Parts
-
- Engine Rebuild Parts Intermediate shaft (IMS) Oil System Parts Fuel System Parts Gaskets & Sets Radial Seal / RMS / Camshaft / Balance shaft Belts / Tensioners / Rollers Chains & Tensioners Timing covers and gaskets Engine Bearings / Shells Engine Valves / Guides / Springs Rocker Arms & Tappets Engine Bolts / Studs Engine Mounts Piston Rings Engine Cylinders / Liners / Pistons Connecting Rod Cylinder Head / Camshaft Carrier Camshaft covers / Gaskets Camshafts Camshaft gears / sprockets and fixings Crankcase Parts Crankshaft & Parts All Categories
-
Brakes
-
- Brakes Brake Pads & Disc Package Brake Disc Standard Brake Pads Standard SPORTS Brake Disc Brembo Standard brakes Brembo Racing brakes TEXTAR Brakes PAGID Racing Brakes Zimmermann Brakes Performance Friction Brakes SHW Performance Brakes EBC Brakes Black Diamond Performance Brakes Brake Pad Wear Sensors Brake Pad Anti-vibration shims Caliper Bolts / Disc Screws Pin Kit and Guide Plates Performance Brake Hoses Standard Brake Hoses Caliper and Brake Lines Brake Calipers Brake Caliper Upgrades All Categories
-
-
Suspension & Steering
-
Transmission
-
- Gearbox / Transmission Clutch Kits Clutch Kits - High Performance Clutch Friction Plate Clutch Pressure Plate Clutch Release Bearings Clutch Guide Tube Clutch Forks & Levers Clutch Bolts Gearbox Parts Driveshafts & Parts Gasket Sets / Gaskets / Seals / Lock Nuts Gearbox Mounts Gearshift Control Parts Flywheel / Torque CV Joints Kits CV Boots and Kits Cardan Shaft / Prop Shaft Gearbox / Differential Oil Gearbox Sump / Oil Pan Used Transmissions / Gearboxes Front Differential Rear Differential All Categories
-
-
Cooling & Heating
-
- Heating / Air Conditioning Air con condensers & desiccators Air con evaporators & expansion valves Air con pipes Air con belts Fans & cowlings Relays / Sensors / Resistors Compressors Heater flaps Blower Motors & Fans Heater blowers Heater hoses & pipes Vents / Grilles Climate Control Temperature Sensors / Switches Heating / Air conditioning Housings
-
-
Electrical & Lighting
-
- Electrical & Relays Fuel Pumps Brake Light Switch Hazard Warning Switch Handbrake Switch Reverse Light Switch Headlamp Switch Window Switch Window Motors Window Mechanism Wiper Motor Wiper Mechanism Electric Horn Ignition Switch Seat Switch Indicator / Wiper Stalk Switch Roof / Sun Roof Switch Relays / Fuses Washer pumps / bottles / jets Alarms / Security / Central Locking Electronic Control Units Wiper Switches Dashboard / Console Parts & Switches All Categories
-
-
Body & Exhaust
-
- Chassis / Bodywork Restoration Chassis / Repair Panels Front Lid Damper Rear Lid Damper Bonnets / Locks & Latches Boots / Rear Lid / Locks and Latches Rear lid / Tailgate Bumpers Front Bumpers Rear Door Handles | Locks | Keys Door Panels | Hinges | Striker Plates Window Lifters | Motors Wings Front & Parts Wings Rear & Parts Side Sill Panels Exterior Chassis Mouldings Mirrors & Parts Stone Chip Foils / Stickers Undertrays Chassis & Engine Front Wiper Arms & Blades Rear Wiper Arms & Blades Wheel Arch Liners & Covers Roof - Cabrio / Targa / Coupe / Speedster All Categories
-
-
Lubricants & Fluids
-
- Service Parts Service Kits Service Kits OE Parts Oil Filters Air Filters Fuel Filters Belts All Types Spark Plugs IRIDIUM POWER Spark Plugs IRIDIUM RACING Spark Plugs Ignition Coils Front Wiper Arms & Blades Rear Wiper Arms & Blades Gearbox Service Parts Porsche Classic Motor oil Engine Oil & Lubricants - Mobil Engine Oil & Lubricants - Total Engine Oil & Lubricants - Castrol Engine Oil & Lubricants - Motul Engine Oil & Lubricants - Millers Oils NanoDrive Engine Oil & Lubricants - Millers Oils Fuel Additives Garage PPE
-
-
All Parts
-
- Parts Accessories Chassis / Bodywork Brakes Clothing & Gifts Electrical & Relays Engine Cooling Engine Electrical Engine Rebuild Parts Engine Tuning Exhausts Exterior Styling / Spoilers Gearbox / Transmission Heating / Air Conditioning Hydraulics Interior & Accessories Incar / Multimedia Lighting Mats & Carpets Motorsport and Off-Road Pedal Cluster Rubber Seals Seats & Seat Belts All Categories
-
- Back to main website
Enter your VAT number here and click Verify:
Your details have been verified. VAT number registered to:
,
.
Your order will now be zero rated for VAT purposes. We reserve the right to verify these details after your order request has been made and reinstate VAT if required.
Your VAT details were not recognised or were invalid. Your VAT number must be matched to your Billing Country as specified above. This is currently specified as . You do not need to enter the country code part of your VAT number as this has already been selected in your billing address details above.
The VAT number checking service is currently offline. Please supply your VAT details within the comments or special instructions field below and we will apply a VAT discount after placing your order request.
Carbon canister hose kit. Porsche 930 Turbo 1978-1989 ❭ DO88-KIT146S
- Porsche 911 1978-1989 3.3L Turbo (930)
- Porsche 928 4.5L 1978-82
- Porsche 928S 4.7L 1981-83
- Porsche 928S2 4.7L 1984-86
- Porsche 928S4 5.0L 1987-92
- Porsche 928GT 5.0L 1989-91
- Porsche 928GTS 5.4L 1992-95

To Fit:
Porsche 911 (930 Turbo) 1978-1989 with 3.3 Litre Turbo engine
Carbon canister hoses OEM Reference: N0203612, N0203621
A hose kit developed by dO88 to replace the OEM carbon canister hoses.
These hoses are manufactured entirely in high quality silicone for the best finish and durability. With three to five layers of armour, dependant on the inner diameter, these hoses withstand high pressure rates and high temperatures for extended periods of time. The original hoses are manufactured in rubber that can perish and crack with age. This DO88 hose is a durable solution, that also improves the looks!
Related reference numbers
Related, superseded, cross reference or alternative numbers for comparison.
DO88-KIT146S
The product you are viewing cross references to these numbers
- Porsche 964 (911) C2 1989-93
- Porsche 964 (911) C4 1989-93
- Porsche 964 (911) RS 3.6L 1991-93
- Porsche 964 (911) RS 3.8L 1991-93
- Porsche 964 (911) TURBO 3.3L 1991-93
- Porsche 964 (911) TURBO 3.6L 1991-93
- Porsche 993 (911) C2 1994-97
- Porsche 993 (911) C4 1994-97
- Porsche 993 (911) RS 1994-97
- Porsche 993 (911) C2S 1994-97
- Porsche 993 (911) C4S 1994-97
- Porsche 993 (911) TURBO 1994-96
- Porsche 993 (911) GT2 1994-97
- Porsche 993 (911) TURBO S 1994-97
Fits:
Porsche 964 1989-94
Porsche 993 1995-98
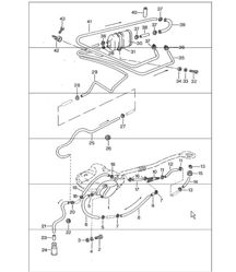
Click 'Zoom in' for large parts diagram.
Diagram ref no 2
Related reference numbers
Related, superseded, cross reference or alternative numbers for comparison.
PCG51250602
The product you are viewing cross references to these numbers
- Porsche 964 (911) C2 1989-93
- Porsche 964 (911) C4 1989-93
- Porsche 964 (911) RS 3.6L 1991-93
- Porsche 964 (911) RS 3.8L 1991-93
- Porsche 964 (911) TURBO 3.3L 1991-93
- Porsche 964 (911) TURBO 3.6L 1991-93
- Porsche 993 (911) C2 1994-97
- Porsche 993 (911) C4 1994-97
- Porsche 993 (911) RS 1994-97
- Porsche 993 (911) C2S 1994-97
- Porsche 993 (911) C4S 1994-97
- Porsche 993 (911) TURBO 1994-96
- Porsche 993 (911) GT2 1994-97
- Porsche 993 (911) TURBO S 1994-97

Fits:
Porsche 964 3.3L-3.6L 1989-94
Porsche 993 3.6L-3.8L 1993-97
Click "Zoom in" for large parts diagram.
Diagram ref no 2
Related reference numbers
Related, superseded, cross reference or alternative numbers for comparison.
92820119502
The product you are viewing cross references to these numbers
- Porsche 911 1984-1986 3.2L
- Porsche 911 1987-1989 3.2L G50
- Porsche 911 1978-1989 3.3L Turbo (930)
- Porsche 964 (911) C2 1989-93
- Porsche 964 (911) C4 1989-93
- Porsche 964 (911) RS 3.6L 1991-93
- Porsche 964 (911) RS 3.8L 1991-93
- Porsche 964 (911) TURBO 3.3L 1991-93
- Porsche 964 (911) TURBO 3.6L 1991-93
- Porsche 993 (911) C2 1994-97
- Porsche 993 (911) C4 1994-97
- Porsche 993 (911) RS 1994-97
- Porsche 993 (911) C2S 1994-97
- Porsche 993 (911) C4S 1994-97
- Porsche 993 (911) TURBO 1994-96
- Porsche 993 (911) GT2 1994-97
- Porsche 993 (911) TURBO S 1994-97
- Porsche 924 2.0L 1976-79
- Porsche 924 2.0L 1980-85
- Porsche 924 Turbo 2.0L 1979-81
- Porsche 924 Turbo 2.0L 1982-84
- Porsche 924 Carrera GT 2.0L 1981
- Porsche 924 Carrera GTS 2.0L 1982
- Porsche 968 3.0L 1992-94
- Porsche 968 Sport 3.0L 1994-95
- Porsche 968 CS 3.0L 1993-95
- Porsche 968 Turbo S 3.0L 1993-94
- Porsche 928 4.5L 1978-82
- Porsche 928S 4.7L 1981-83
- Porsche 928S2 4.7L 1984-86
- Porsche 928S4 5.0L 1987-92
- Porsche 928GT 5.0L 1989-91
- Porsche 928GTS 5.4L 1992-95

Fits:
Porsche 911 1984-89
Porsche 964 1989-94
Porsche 993 1995-98
Porsche 924 1976-85
Porsche 928 1978-95
Porsche 968 1992-95 Coupe / Cabrio
Click 'Zoom in' for large parts diagram.
Diagram ref no 1
Related reference numbers
Related, superseded, cross reference or alternative numbers for comparison.
99320122103
The product you are viewing cross references to these numbers
Monday-Friday: 8.30am - 5.30pm (GMT)
Saturday: Closed
Sunday: Closed