do not press the back button…
-
Engine Parts
-
- Engine Rebuild Parts Oil System Parts Fuel System Parts Gaskets & Sets Radial Seal / RMS / Camshaft / Balance shaft Belts / Tensioners / Rollers Chains & Tensioners Timing covers and gaskets Engine Bearings / Shells Engine Valves / Guides / Springs Rocker Arms & Tappets Engine Bolts / Studs Engine Mounts Piston Rings Engine Cylinders / Liners / Pistons Connecting Rod Cylinder Head / Camshaft Carrier Camshaft covers / Gaskets Crankcase Parts Crankshaft & Parts Turbo Chargers / Intercoolers & Parts Air Intake & Injection Cylinder Liner All Categories
-
Brakes
-
- Brakes Brake Pads & Disc Package SPORTS Brake Pads & Disc Package Brake Disc Standard Brake Pads Standard SPORTS Brake Disc Brembo Standard brakes Brembo Racing brakes TEXTAR Brakes PAGID Racing Brakes Zimmermann Brakes Performance Friction Brakes SHW Performance Brakes EBC Brakes Black Diamond Performance Brakes Rotinger Graphite Line Replacement for Ceramic Disc Brake Pad Wear Sensors Brake Pad Anti-vibration shims Caliper Bolts / Disc Screws Pin Kit and Guide Plates Performance Brake Hoses Standard Brake Hoses All Categories
-
-
Suspension & Steering
-
Transmission
-
- Gearbox / Transmission Clutch Kits Clutch Release Bearings Clutch Guide Tube Clutch Forks & Levers Clutch Bolts Gearbox Parts Driveshafts & Parts Gasket Sets / Gaskets / Seals / Lock Nuts Gearbox Mounts Flywheel / Torque CV Joints Kits CV Boots and Kits Cardan Shaft / Prop Shaft Gearbox / Differential Oil Gearbox Sump / Oil Pan Front Differential Rear Differential Sensors Transmission Cooling Transfer Box & parts
-
- Cooling & Heating
-
Electrical & Lighting
-
- Electrical & Relays Fuel Pumps Brake Light Switch Brake & Clutch Switch Headlamp Switch Window Switch Window Motors Window Mechanism Wiper Motor Wiper Mechanism Electric Horn Ignition Switch Seat Switch Indicator / Wiper Stalk Switch Relays / Fuses Washer pumps / bottles / jets Alarms / Security / Central Locking Electronic Control Units Dashboard / Console Parts & Switches Door Mirror Switch Bonnet / Rear Lid / Spoiler Activators & Motors Air Bags & Parts Tracker All Categories
-
-
Body & Exhaust
-
- Chassis / Bodywork Front Lid Damper Rear Lid Damper Bonnets / Locks & Latches Boots / Rear Lid / Locks and Latches Rear lid / Tailgate Bumpers Front Bumpers Rear Door Handles | Locks | Keys Door Panels | Hinges | Striker Plates Window Lifters | Motors Wings Front & Parts Wings Rear & Parts Side Sill Panels Exterior Chassis Mouldings Mirrors & Parts Stone Chip Foils / Stickers Undertrays Chassis & Engine Front Wiper Arms & Blades Rear Wiper Arms & Blades Wheel Arch Liners & Covers Roof - Cabrio / Targa / Coupe / Speedster Plastic Covers All Categories
-
-
Lubricants & Fluids
-
- Service Parts Service Kits Oil Filters Air Filters Pollen/Particle Filters Belts All Types Spark Plugs IRIDIUM POWER Spark Plugs IRIDIUM RACING Spark Plugs Ignition Coils Front Wiper Arms & Blades Rear Wiper Arms & Blades Gearbox Service Parts Engine Oil & Lubricants - Mobil Engine Oil & Lubricants - Total Engine Oil & Lubricants - Castrol Engine Oil & Lubricants - Motul Engine Oil & Lubricants - Millers Oils NanoDrive Engine Oil & Lubricants - Millers Oils Fuel Additives Coolant / Antifreeze Power Steering Oil Garage PPE
-
-
All Parts
-
- Parts Accessories Chassis / Bodywork Brakes Clothing & Gifts Electrical & Relays Engine Cooling Engine Electrical Engine Rebuild Parts Engine Tuning Exhausts Exterior Styling / Spoilers Gearbox / Transmission Heating / Air Conditioning Hydraulics Interior & Accessories Incar / Multimedia Lighting Mats & Carpets Motorsport and Off-Road Pedal Cluster Rubber Seals Seats & Seat Belts All Categories
-
- Back to main website
Enter your VAT number here and click Verify:
Your details have been verified. VAT number registered to:
,
.
Your order will now be zero rated for VAT purposes. We reserve the right to verify these details after your order request has been made and reinstate VAT if required.
Your VAT details were not recognised or were invalid. Your VAT number must be matched to your Billing Country as specified above. This is currently specified as . You do not need to enter the country code part of your VAT number as this has already been selected in your billing address details above.
The VAT number checking service is currently offline. Please supply your VAT details within the comments or special instructions field below and we will apply a VAT discount after placing your order request.
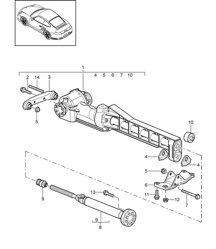
Cardan Shaft Boot. Porsche 996 / 997 ❭ 99642114501
- Porsche 996 C4 3.4L 1997-08/01
- Porsche 996 C4 3.6L 09/01-2005
- Porsche 996 C4S 3.6L 09/01-2005
- Porsche 996 TURBO 2000-05
- Porsche 997 MK1 Carrera 4 3.6L 2005-08
- Porsche 997 MK1 TURBO 2007-09
- Porsche 997 MKII Turbo 2010-13
Fits:
Porsche 996 C4 / C4S 1999-2005 All-Wheel Drive
Porsche 996 Turbo 2001-05
Porsche 997 C4 2006-08
Porsche 997 Turbo MKI & MKII 2007-13
Click picture for large parts diagram.
Diagram parts Ref No 9.
Related reference numbers
Related, superseded, cross reference or alternative numbers for comparison.
99642114501
The product you are viewing cross references to these numbers
- Porsche 955 Cayenne 3.2L V6 2003-06
- Porsche 955 Cayenne S 4.5L V8 2003-06
- Porsche 955 Cayenne Turbo 4.5L 2003-06
- Porsche 957 Cayenne 3.0L Diesel 2007-10
- Porsche 957 Cayenne 3.6L 2007-10
- Porsche 957 Cayenne S / GTS 4.8L 2007-10
- Porsche 957 Cayenne Turbo / Turbo S 4.8L 2007-10

Fits:
Porsche Cayenne 955 V6 3.2L MK I 2003-2006
Porsche Cayenne 955 V8 S 4.5L MK I 2003-2006
Porsche Cayenne 955 V8 4.5L Turbo MK I 2003-2006
Porsche Cayenne 957 6cyl 3.0L MK II 2007-2008
Porsche Cayenne 957 V8 3.6L MK II 2007-2008
Porsche Cayenne 957 V8 4.8L MK II 2007-2008
Porsche Cayenne 957 V8 4.8L GTS MK II 2007-2008
Porsche Cayenne 957 V8 4.8L Turbo MK II 2007-2008
Previous part numbers:
- 95542102010
- 95542102011
- 95542102012
- 95542102013
- 95542102014
Click 'Zoom in' for large parts diagram.
Diagram parts Ref No 4.
Related reference numbers
Related, superseded, cross reference or alternative numbers for comparison.
95542102015
The product you are viewing cross references to these numbers
- Porsche 955 Cayenne 3.2L V6 2003-06
- Porsche 955 Cayenne S 4.5L V8 2003-06
- Porsche 955 Cayenne Turbo 4.5L 2003-06
- Porsche 955 Cayenne Turbo S 4.5L 2006>>
- Porsche 957 Cayenne 3.6L 2007-10
- Porsche 957 Cayenne S / GTS 4.8L 2007-10
- Porsche 957 Cayenne Turbo / Turbo S 4.8L 2007-10

Fits:
Fits cars with petrol engine only
Porsche 955 Cayenne MKI 2003-06
Porsche 957 Cayenne MKII 2007>>
Previous part numbers:
- 95542102000
- 95542102001
- 95542102002
- 95542102003
Click 'Zoom in' for large parts diagram.
Diagram parts Ref No 1.
Related reference numbers
Related, superseded, cross reference or alternative numbers for comparison.
95542102004
The product you are viewing cross references to these numbers
- Porsche 955 Cayenne 3.2L V6 2003-06
- Porsche 955 Cayenne S 4.5L V8 2003-06
- Porsche 955 Cayenne Turbo 4.5L 2003-06
- Porsche 955 Cayenne Turbo S 4.5L 2006>>
- Porsche 957 Cayenne 3.0L Diesel 2007-10
- Porsche 957 Cayenne 3.6L 2007-10
- Porsche 957 Cayenne S / GTS 4.8L 2007-10
- Porsche 957 Cayenne Turbo / Turbo S 4.8L 2007-10

Fits:
Porsche Cayenne 955 V6 3.2L MK I 2003-2006
Porsche Cayenne 955 V8 S 4.5L MK I 2003-2006
Porsche Cayenne 955 V8 4.5L Turbo MK I 2003-2006
Porsche Cayenne 957 6cyl 3.0L MK II 2007-2008
Porsche Cayenne 957 V8 3.6L MK II 2007-2008
Porsche Cayenne 957 V8 4.8L MK II 2007-2008
Porsche Cayenne 957 V8 4.8L GTS MK II 2007-2008
Porsche Cayenne 957 V8 4.8L Turbo MK II 2007-2008
Related reference numbers
Related, superseded, cross reference or alternative numbers for comparison.
95542102099
The product you are viewing cross references to these numbers
Monday-Friday: 8.30am - 5.30pm (GMT)
Saturday: Closed
Sunday: Closed