do not press the back button…
-
Engine Parts
-
- Engine Rebuild Parts Oil System Parts Fuel System Parts Gaskets & Sets Belts / Tensioners / Rollers Chains & Tensioners Engine Bearings / Shells Engine Valves / Guides / Springs Rocker Arms & Tappets Engine Bolts / Studs Engine Mounts Piston Rings Engine Cylinders / Liners / Pistons Connecting Rod Cylinder Head / Camshaft Carrier Camshafts Camshaft gears / sprockets and fixings Crankcase Parts Crankshaft & Parts Turbo Chargers / Intercoolers & Parts Air Intake & Injection Vacuum Pump Specialist Tools
-
Brakes
-
- Brakes Brake Pads & Disc Package Brake Disc Standard Brake Pads Standard SPORTS Brake Disc Brembo Standard brakes Brembo Racing brakes TEXTAR Brakes PAGID Racing Brakes Zimmermann Brakes SHW Performance Brakes EBC Brakes Replacement for Ceramic Disc Brake Pad Wear Sensors Brake Pad Anti-vibration shims Caliper Bolts / Disc Screws Pin Kit and Guide Plates Performance Brake Hoses Standard Brake Hoses Caliper and Brake Lines Brake Calipers Brake Caliper Upgrades Handbrake Shoes All Categories
-
-
Suspension & Steering
-
Transmission
-
- Gearbox / Transmission Clutch Bolts Gearbox Parts Driveshafts & Parts Gasket Sets / Gaskets / Seals / Lock Nuts Gearbox Mounts CV Joints Kits CV Boots and Kits Cardan Shaft / Prop Shaft Transmission Parts Gearbox / Differential Oil Gearbox Sump / Oil Pan Front Differential Rear Differential Transfer Box & parts
-
- Cooling & Heating
-
Electrical & Lighting
-
Body & Exhaust
-
- Chassis / Bodywork Front Lid Damper Rear Lid Damper Bonnets / Locks & Latches Boots / Rear Lid / Locks and Latches Rear lid / Tailgate Bumpers Front Bumpers Rear Door Handles | Locks | Keys Door Panels | Hinges | Striker Plates Window Lifters | Motors Wings Front & Parts Wings Rear & Parts Side Sill Panels Exterior Chassis Mouldings Mirrors & Parts Stone Chip Foils / Stickers Undertrays Chassis & Engine Front Wiper Arms & Blades Rear Wiper Arms & Blades Wheel Arch Liners & Covers Roof - Cabrio / Targa / Coupe / Speedster Plastic Covers All Categories
-
-
Lubricants & Fluids
-
- Service Parts Oil Filters Air Filters Pollen/Particle Filters Belts All Types Spark Plugs Front Wiper Arms & Blades Rear Wiper Arms & Blades Gearbox Service Parts Engine Oil & Lubricants - Mobil Engine Oil & Lubricants - Total Engine Oil & Lubricants - Castrol Engine Oil & Lubricants - Motul Engine Oil & Lubricants - Millers Oils NanoDrive Engine Oil & Lubricants - Millers Oils Fuel Additives Coolant / Antifreeze Garage PPE
-
-
All Parts
-
- Parts Accessories Chassis / Bodywork Brakes Clothing & Gifts Electrical & Relays Engine Cooling Engine Electrical Engine Rebuild Parts Engine Tuning Exhausts Exterior Styling / Spoilers Gearbox / Transmission Heating / Air Conditioning Interior & Accessories Incar / Multimedia Lighting Mats & Carpets Motorsport and Off-Road Pedal Cluster Rubber Seals Seats & Seat Belts Service Parts All Categories
-
- Back to main website
Enter your VAT number here and click Verify:
Your details have been verified. VAT number registered to:
,
.
Your order will now be zero rated for VAT purposes. We reserve the right to verify these details after your order request has been made and reinstate VAT if required.
Your VAT details were not recognised or were invalid. Your VAT number must be matched to your Billing Country as specified above. This is currently specified as . You do not need to enter the country code part of your VAT number as this has already been selected in your billing address details above.
The VAT number checking service is currently offline. Please supply your VAT details within the comments or special instructions field below and we will apply a VAT discount after placing your order request.
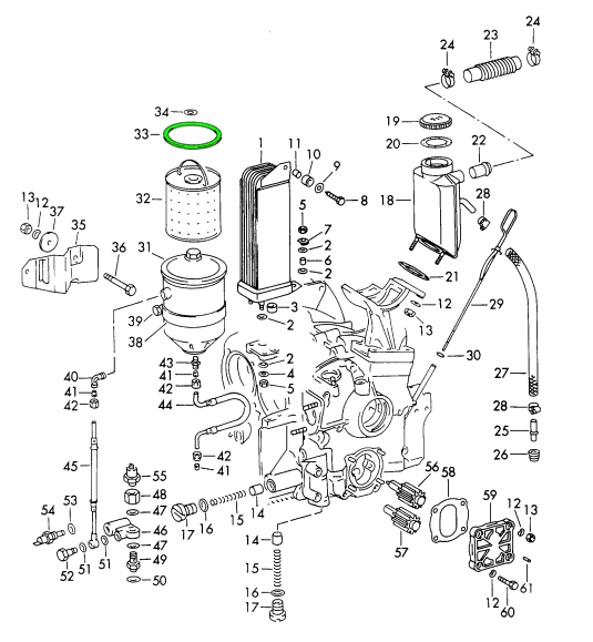
Oil filter insert. Porsche 718 (982) Boxster / 718C (982C) Cayman ❭ 0PC115466
- Porsche Boxster 718 2.0L Manual (300 Bhp) 2017>>
- Porsche Boxster 718 2.0L PDK (300 Bhp) 2017>>
- Porsche Boxster S 718 2.5L Manual (350 Bhp) 05/2017>>
- Porsche Boxster S 718 2.5L PDK (350 Bhp) 05/2017>>
- Porsche Boxster T 718 2.0L Manual (300 Bhp) 01/2019>>
- Porsche Boxster T 718 2.0L PDK (300 Bhp) 01/2019>>
- Porsche Boxster GTS 718 2.5L Manual (365 Bhp) 05/2017>>
- Porsche Boxster GTS 718 2.5L PDK (365 Bhp) 05/2017>>
- Porsche Cayman 718 2.0L Manual (300 Bhp)
- Porsche Cayman 718 2.0L PDK (300 Bhp)
- Porsche Cayman S 718 2.5L Manual (350 Bhp)
- Porsche Cayman S 718 2.5L PDK (350 Bhp)
- Porsche Cayman T 718 2.0L Manual (300 Bhp)
- Porsche Cayman T 718 2.0L PDK (300 Bhp)
- Porsche Cayman GTS 718 2.5L Manual (365 Bhp)
- Porsche Cayman GTS 718 2.5L PDK (365 Bhp)

Fits:
Porsche 718 (982) Boxster 2.0Ltr and 2.5Ltr 2017>>
Porsche 718C (982C) Cayman 2.0Ltr and 2.5Ltr 2017>>
Click 'Zoom in' for large parts diagram.
Diagram ref no 4
Related reference numbers
Related, superseded, cross reference or alternative numbers for comparison.
0PC115466
The product you are viewing cross references to these numbers
- Porsche 958 Cayenne V6 3.0L Diesel (245Hp) 2010-17
- Porsche 9YA Cayenne V6 3.0L Petrol (340Hp) 2018-23
- Porsche 9YA Cayenne S V6 2.9L Petrol (440Hp) 2018-23
- Porsche 9YA Cayenne Turbo V8 4.0L Petrol (550Hp) 2020-23
- Porsche 970.1 Panamera Diesel V6 3.0L 2011-13
- Porsche 970.2 Panamera Diesel V6 3.0L (250Hp) 2014-16
- Porsche 971.1 Panamera V6 3.0L 2WD (330 Hp) 2017-20
- Porsche 971.1 Panamera 4 V6 3.0L 4WD (330 Hp) 2017-20
- Porsche 971.1 Panamera 4 V6 3.0L 4WD Executive 2017-20
- Porsche 971.1 Panamera 4 3.0L Turbocharged V6 Sport Turismo 2017-20
- Porsche 971.1 Panamera 4S V6 3.0L 4WD (440 Hp) 2017-20
- Porsche 971.1 Panamera 4S V6 3.0L 4WD Executive 2017-20
- Porsche 971.1 Panamera 4S 2.9L Twin-Turbo V6 Sport Turismo 2017-20
- Porsche 971.1 Panamera Turbo V8 4.0L 4WD (550 Hp) 2017-20
- Porsche 971.1 Panamera Turbo V8 4.0L 4WD Executive 2017-20
- Porsche 95B.1 Macan S Diesel 3.0L V6 (258Bhp) 2014-18

Fits:
Porsche 958 Cayenne 3.0L Diesel 2012-18
Porsche 9YA Cayenne 3.0L / S 2.9L 2018>>
Porsche 9YA Cayenne 4.0 V8 Turbo 2018>>
Porsche 970 Panamera 3.0L Diesel 2012-16
Porsche 971 Panamera 3.0L / S 2.9L 2017>>
Porsche 971 Panamera 4.0L V8 Diesel 2017>>
Porsche 971 Panamera 4.0L V8 Turbo 2017>>
Porsche 95B Macan V6 TDI 3.0L 2014-18
Click 'Zoom in' for large parts diagram.
Diagram ref no 30
Related reference numbers
Related, superseded, cross reference or alternative numbers for comparison.
PAF911679
The product you are viewing cross references to these numbers
- Porsche 958 Cayenne V6 3.0L Diesel (245Hp) 2010-17
- Porsche 9YA Cayenne V6 3.0L Petrol (340Hp) 2018-23
- Porsche 9YA Cayenne S V6 2.9L Petrol (440Hp) 2018-23
- Porsche 9YA Cayenne Turbo V8 4.0L Petrol (550Hp) 2020-23
- Porsche 970.1 Panamera Diesel V6 3.0L 2011-13
- Porsche 970.2 Panamera Diesel V6 3.0L (250Hp) 2014-16
- Porsche 971.1 Panamera V6 3.0L 2WD (330 Hp) 2017-20
- Porsche 971.1 Panamera 4 V6 3.0L 4WD (330 Hp) 2017-20
- Porsche 971.1 Panamera 4 V6 3.0L 4WD Executive 2017-20
- Porsche 971.1 Panamera 4 3.0L Turbocharged V6 Sport Turismo 2017-20
- Porsche 971.1 Panamera 4S V6 3.0L 4WD (440 Hp) 2017-20
- Porsche 971.1 Panamera 4S V6 3.0L 4WD Executive 2017-20
- Porsche 971.1 Panamera 4S 2.9L Twin-Turbo V6 Sport Turismo 2017-20
- Porsche 971.1 Panamera Turbo V8 4.0L 4WD (550 Hp) 2017-20
- Porsche 971.1 Panamera Turbo V8 4.0L 4WD Executive 2017-20
- Porsche 971.2 Panamera 2.9L V6 2021-23
- Porsche 971.2 Panamera 4 2.9L V6 2021-23
- Porsche 971.2 Panamera 4 Sport Turismo 2.9L V6 2021-23
- Porsche 971.2 Panamera 4S 2.9L V6 2021-23
- Porsche 971.2 Panamera 4S Sport Turismo 2.9L V6 2021-23
- Porsche 971.2 Panamera 4 E-Hybrid 2.9L V6 2021-23
- Porsche 971.2 Panamera 4 E-Hybrid Sport Turismo 2.9L V6 2021-23
- Porsche 971.2 Panamera 4S E-Hybrid 2.9L V6 2021-23
- Porsche 971.2 Panamera 4S E-Hybrid Sport Turismo 2.9L V6 2021-23
- Porsche 971.2 Panamera GTS 4.0L V8 2021-23
- Porsche 971.2 Panamera GTS Sport Turismo 4.0L V8 2021-23
- Porsche 971.2 Panamera Turbo S 4.0L V8 2021-23
- Porsche 971.2 Panamera Turbo S Sport Turismo 4.0L V8 2021-23
- Porsche 971.2 Panamera Turbo S E-Hybrid 4.0L V8 2021-23
- Porsche 971.2 Panamera Turbo S E-Hybrid Sport Turismo 4.0L V8 2021-23
- Porsche 95B.1 Macan S Diesel 3.0L V6 (258Bhp) 2014-18

Fits:
Porsche 958 Cayenne 3.0L Diesel 2012-18
Porsche 9YA Cayenne 3.0L / S 2.9L 2018>>
Porsche 9YA Cayenne 4.0 V8 Turbo 2018>>
Porsche 970 Panamera 3.0L Diesel 2012-16
Porsche 971 Panamera 3.0L / S 2.9L 2017>>
Porsche 971 Panamera 4.0L V8 Diesel 2017>>
Porsche 971 Panamera 4.0L V8 Turbo 2017>>
Porsche 95B Macan V6 TDI 3.0L 2014-18
Click 'Zoom in' for large parts diagram.
Diagram ref no 31
Related reference numbers
Related, superseded, cross reference or alternative numbers for comparison.
N0138495
The product you are viewing cross references to these numbers
- Porsche 9YA Cayenne V6 3.0L Petrol (340Hp) 2018-23
- Porsche 9YA Cayenne Coupe V6 3.0L Petrol (340Hp) 2019-23
- Porsche 9YA Cayenne S V6 2.9L Petrol (440Hp) 2018-23
- Porsche 9YA Cayenne Coupe S V6 2.9L Petrol (440Hp) 2019-23
- Porsche 9YA Cayenne Turbo V8 4.0L Petrol (550Hp) 2020-23
- Porsche 9YA Cayenne Coupe Turbo V8 4.0L Petrol (550Hp) 2019-23
- Porsche 971.1 Panamera V6 3.0L 2WD (330 Hp) 2017-20
- Porsche 971.1 Panamera 4 V6 3.0L 4WD (330 Hp) 2017-20
- Porsche 971.1 Panamera 4 V6 3.0L 4WD Executive 2017-20
- Porsche 971.1 Panamera 4 3.0L Turbocharged V6 Sport Turismo 2017-20
- Porsche 971.1 Panamera 4S V6 3.0L 4WD (440 Hp) 2017-20
- Porsche 971.1 Panamera 4S V6 3.0L 4WD Executive 2017-20
- Porsche 971.1 Panamera 4S 2.9L Twin-Turbo V6 Sport Turismo 2017-20
- Porsche 971.1 Panamera 4 E-Hybrid V6 2.9L 4WD 2017-20
- Porsche 971.1 Panamera 4 E-Hybrid V6 2.9L 4WD Executive 2017-20
- Porsche 971.1 Panamera 4 E-Hybrid 2.9L Twin-Turbo V6 Sport Turismo 2017-20
- Porsche 971.1 Panamera Turbo V8 4.0L 4WD (550 Hp) 2017-20
- Porsche 971.1 Panamera Turbo V8 4.0L 4WD Executive 2017-20
- Porsche 971.1 Panamera Turbo 4.0L Twin-Turbo V8 Sport Turismo 2017-20
- Porsche 971.1 Panamera Turbo S E-Hybrid V8 4.0L 4WD 2017-20
- Porsche 971.1 Panamera Turbo S E-Hybrid V8 4.0L 4WD Executive 2017-20
- Porsche 971.2 Panamera 2.9L V6 2021-23
- Porsche 971.2 Panamera 4 2.9L V6 2021-23
- Porsche 971.2 Panamera 4 Sport Turismo 2.9L V6 2021-23
- Porsche 971.2 Panamera 4S 2.9L V6 2021-23
- Porsche 971.2 Panamera 4S Sport Turismo 2.9L V6 2021-23
- Porsche 971.2 Panamera 4 E-Hybrid 2.9L V6 2021-23
- Porsche 971.2 Panamera 4 E-Hybrid Sport Turismo 2.9L V6 2021-23
- Porsche 971.2 Panamera 4S E-Hybrid 2.9L V6 2021-23
- Porsche 971.2 Panamera 4S E-Hybrid Sport Turismo 2.9L V6 2021-23
- Porsche 971.2 Panamera GTS 4.0L V8 2021-23
- Porsche 971.2 Panamera GTS Sport Turismo 4.0L V8 2021-23
- Porsche 971.2 Panamera Turbo S 4.0L V8 2021-23
- Porsche 971.2 Panamera Turbo S Sport Turismo 4.0L V8 2021-23
- Porsche 971.2 Panamera Turbo S E-Hybrid 4.0L V8 2021-23
- Porsche 971.2 Panamera Turbo S E-Hybrid Sport Turismo 4.0L V8 2021-23
- Porsche 95B.2 Macan S Petrol 3.0L V6 (354Bhp) 2019-21
- Porsche 95B.2 Macan GTS Petrol 2.9L V6 (380Bhp) 2019-21
- Porsche 95B.2 Macan Turbo 2.9L V6 (440Bhp) 2019-21

Fits:
Porsche 95B.2 Macan 2.9L / 3.0L 2018>>
Porsche 9YA Cayenne 2.9L / 3.0L V6 2017>>
Porsche 9YA Cayenne 4.0L V8 2017>>
Porsche 971.1 Panamera 3.0L / 4.0L HYBRID 2017-2021
Porsche 971.1 Panamera GTS 4.0L 2017-20
Porsche 971.1 Panamera 2.9L / 3.0L V6 2017>>
Porsche 971.2 Panamera / 4 / 4S 2.9L V6 2021>>
Porsche 971.2 Panamera 4 / 4S E-Hybrid 2.9L V6 2021>>
Porsche 971.2 Panamera GTS / turbo V8 4.0L 2021>>
Click 'Zoom in' for large parts diagram.
Diagram ref no 3
Related reference numbers
Related, superseded, cross reference or alternative numbers for comparison.
9A719840500
The product you are viewing cross references to these numbers
Monday-Friday: 8.30am - 5.30pm (GMT)
Saturday: Closed
Sunday: Closed