do not press the back button…
-
Engine Parts
-
- Engine Rebuild Parts Oil System Parts Fuel System Parts Gaskets & Sets Belts / Tensioners / Rollers Chains & Tensioners Engine Bearings / Shells Engine Valves / Guides / Springs Rocker Arms & Tappets Engine Bolts / Studs Engine Mounts Piston Rings Engine Cylinders / Liners / Pistons Connecting Rod Cylinder Head / Camshaft Carrier Camshafts Camshaft gears / sprockets and fixings Crankcase Parts Crankshaft & Parts Turbo Chargers / Intercoolers & Parts Air Intake & Injection Vacuum Pump Specialist Tools
-
Brakes
-
- Brakes Brake Pads & Disc Package Brake Disc Standard Brake Pads Standard SPORTS Brake Disc Brembo Standard brakes Brembo Racing brakes TEXTAR Brakes PAGID Racing Brakes Zimmermann Brakes SHW Performance Brakes EBC Brakes Brake Pad Wear Sensors Brake Pad Anti-vibration shims Caliper Bolts / Disc Screws Pin Kit and Guide Plates Performance Brake Hoses Standard Brake Hoses Caliper and Brake Lines Brake Calipers Brake Caliper Upgrades Handbrake Shoes HandBrake Cables All Categories
-
-
Suspension & Steering
-
Transmission
-
- Gearbox / Transmission Gearbox Parts Driveshafts & Parts Gasket Sets / Gaskets / Seals / Lock Nuts Gearshift Control Parts Flywheel / Torque CV Joints Kits CV Boots and Kits Cardan Shaft / Prop Shaft Transmission Parts Gearbox / Differential Oil Gearbox Sump / Oil Pan Front Differential Rear Differential Transmission Cooling Transfer Box & parts
-
- Cooling & Heating
-
Electrical & Lighting
-
- Electrical & Relays Brake Light Switch Handbrake Switch Window Switch Electric Horn SmartTop Control Units Washer pumps / bottles / jets Alarms / Security / Central Locking Electronic Control Units Dashboard / Console Parts & Switches Door Mirror Switch Air Bags & Parts Tracker Connector housing Wiring harness
-
-
Body & Exhaust
-
- Chassis / Bodywork Front Lid Damper Rear Lid Damper Bonnets / Locks & Latches Rear lid / Tailgate Bumpers Front Bumpers Rear Door Handles | Locks | Keys Door Panels | Hinges | Striker Plates Window Lifters | Motors Wings Front & Parts Wings Rear & Parts Mirrors & Parts Stone Chip Foils / Stickers Undertrays Chassis & Engine Rear Wiper Arms & Blades Wheel Arch Liners & Covers Roof - Cabrio / Targa / Coupe / Speedster Plastic Covers Sound Proofing Front screen Rear screen Rear side glass All Categories
-
-
Lubricants & Fluids
-
- Service Parts Oil Filters Air Filters Pollen/Particle Filters Belts All Types Spark Plugs Front Wiper Arms & Blades Rear Wiper Arms & Blades Gearbox Service Parts Engine Oil & Lubricants - Mobil Engine Oil & Lubricants - Total Engine Oil & Lubricants - Castrol Engine Oil & Lubricants - Motul Engine Oil & Lubricants - Millers Oils NanoDrive Engine Oil & Lubricants - Millers Oils Fuel Additives Garage PPE
-
-
All Parts
-
- Parts Accessories Chassis / Bodywork Brakes Clothing & Gifts Electrical & Relays Engine Cooling Engine Electrical Engine Rebuild Parts Engine Tuning Exhausts Exterior Styling / Spoilers Gearbox / Transmission Heating / Air Conditioning Hydraulics Interior & Accessories Incar / Multimedia Lighting Mats & Carpets Motorsport and Off-Road Pedal Cluster Rubber Seals Seats & Seat Belts All Categories
-
- Back to main website
Enter your VAT number here and click Verify:
Your details have been verified. VAT number registered to:
,
.
Your order will now be zero rated for VAT purposes. We reserve the right to verify these details after your order request has been made and reinstate VAT if required.
Your VAT details were not recognised or were invalid. Your VAT number must be matched to your Billing Country as specified above. This is currently specified as . You do not need to enter the country code part of your VAT number as this has already been selected in your billing address details above.
The VAT number checking service is currently offline. Please supply your VAT details within the comments or special instructions field below and we will apply a VAT discount after placing your order request.
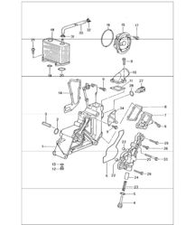
Water temperature sensor. Porsche Boxster 986 / 996 ❭ 99660640501
- Porsche Boxster 986 2.5L 1997-99
- Porsche 996 C2 3.4L 1997-08/01
- Porsche 996 C4 3.4L 1997-08/01
- Porsche 996 TURBO 2000-05
- Porsche 996 GT3 MKI 1999-02

Fits:
Porsche 986 Boxster 2.5L 1997-99
Porsche 996 >>2001
Click 'Zoom in' for large parts diagram.
Diagram Ref No 29.
- Porsche Boxster 981 2.7L 2012-16
- Porsche Boxster 981 S / GTS 3.4L 2012-16
- Porsche Boxster 981 Spyder 3.8L 2016
- Porsche Boxster 718 2.0L Manual (300 Bhp)
- Porsche Boxster 718 2.0L PDK (300 Bhp)
- Porsche Boxster S 718 2.5L Manual (350 Bhp)
- Porsche Boxster S 718 2.5L PDK (350 Bhp)
- Porsche Boxster T 718 2.0L Manual (300 Bhp)
- Porsche Boxster T 718 2.0L PDK (300 Bhp)
- Porsche Boxster GTS 718 2.5L Manual (365 Bhp)
- Porsche Boxster GTS 718 2.5L PDK (365 Bhp)
- Porsche Boxster GTS 718 4.0L Manual (400 Bhp)
- Porsche Boxster GTS 718 4.0L PDK (400 Bhp)
- Porsche Boxster Spyder 718 4.0L (420 Bhp)
- Porsche Boxster 25 Years 718 4.0L Manual (400 Bhp)
- Porsche Boxster 25 Years 718 4.0L PDK (400 Bhp)
- Porsche 991.1 Carrera C2 3.4L (350Bhp) 2012-16
- Porsche 991.1 Carrera C2S / GTS 3.8L (400/430 Bhp) 2012-16
- Porsche 991.1 Carrera C4 3.4L (350Bhp) 2012-16
- Porsche 991.1 Carrera C4S / GTS 3.8L (400/430 Bhp) 2012-16
- Porsche 991.1 Turbo 3.8L (520bhp) 2014-16
- Porsche 991.1 Turbo S 3.8L (560Bhp) 2014-16
- Porsche 991.2 Carrera 2 3.0L (370 Bhp) 2016-19
- Porsche 991.2 Carrera 2S / GTS 3.0L (420/450 Bhp) 2016-19
- Porsche 991.2 Carrera 4 3.0L (370 Bhp) 2016-19
- Porsche 991.2 Carrera 4S / GTS 3.0L (420/450 Bhp) 2016-19
- Porsche 991.2 Cabriolet 2 3.0L (370 Bhp) 2016-19
- Porsche 991.2 Cabriolet 2S / GTS 3.0L (420/450 Bhp) 2016-19
- Porsche 991.2 Cabriolet 4 3.0L (370 Bhp) 2016-19
- Porsche 991.2 Cabriolet 4S / GTS 3.0L (420/450 Bhp) 2016-19
- Porsche 991.2 Targa 4 3.0L (370 Bhp) 2016-19
- Porsche 991.2 Targa 4S / GTS 3.0L (420/450 Bhp) 2016-19
- Porsche 991.2 Turbo Coupe 3.8L (540 Bhp) 2016-19
- Porsche 991.2 Turbo S Coupe 3.8L (580 Bhp) 2016-19
- Porsche 991.2 Turbo Cabriolet 3.8L (540 Bhp) 2016-19
- Porsche 991.2 Turbo S Cabriolet 3.8L (580 Bhp) 2016-19
- Porsche 992.1 Carrera 2 3.0L 2019-24
- Porsche 992.1 Carrera 4 3.0L 2019-24
- Porsche 992.1 Carrera 2 Cabriolet 3.0L 2019-24
- Porsche 992.1 Carrera 4 Cabriolet 3.0L 2019-24
- Porsche 992.1 Carrera 2S / GTS 3.0L 2019-24
- Porsche 992.1 Carrera 4S / GTS 3.0L 2019-24
- Porsche 992.1 Carrera 2S / GTS Cabriolet 3.0L 2019-24
- Porsche 992.1 Carrera 4S / GTS Cabriolet 3.0L 2019-24
- Porsche 992.1 Targa 4 3.0L 2020-24
- Porsche 992.1 Targa 4S / GTS 3.0L 2020-24
- Porsche 992.1 Turbo 3.8L 2020-24
- Porsche 992.1 Turbo S 3.8L 2020-24
- Porsche 992.1 Turbo Cabriolet 3.8L 2020-24
- Porsche 992.1 Turbo S Cabriolet 3.8L 2020-24
- Porsche 992.2 Carrera 2 3.0L 2024>>
- Porsche 992.2 Carrera 2 3.0L Cabriolet 2024>>
- Porsche Cayman 2.7L 981 2013-16
- Porsche Cayman S / GTS 3.4L 981 2013-16
- Porsche Cayman GT4 3.8L 2015-16
- Porsche Cayman 718 2.0L Manual (300Bhp)
- Porsche Cayman 718 2.0L PDK (300Bhp)
- Porsche Cayman S 718 2.5L Manual (350Bhp)
- Porsche Cayman S 718 2.5L PDK (350Bhp)
- Porsche Cayman T 718 2.0L Manual (300Bhp)
- Porsche Cayman T 718 2.0L PDK (300 Bhp)
- Porsche Cayman GTS 718 2.5L Manual (365 Bhp)
- Porsche Cayman GTS 718 2.5L PDK (365 Bhp)
- Porsche Cayman GTS 718 4.0L Manual (400 Bhp)
- Porsche Cayman GTS 718 4.0L PDK (400 Bhp)
- Porsche Cayman GT4 718 4.0L / GT4 RS 718 4.0L
- Porsche Cayman GT4 Clubsport
- Porsche Cayman GT4 RS Clubsport 2020-2024
- Porsche 9YA Cayenne V6 3.0L Petrol 340Hp 2018-23
- Porsche 9YA Cayenne Coupe V6 3.0L Petrol 340Hp 2019-23
- Porsche 9YA Cayenne E-Hybrid V6 3.0L V6 340Hp 2018-23
- Porsche 9YA Cayenne Coupe E-Hybrid V6 3.0L 340Hp 2020-23
- Porsche 9YA Cayenne S V6 2.9L Petrol 440Hp 2018-23
- Porsche 9YA Cayenne Coupe S V6 2.9L Petrol 440Hp 2019-23
- Porsche 9YA Cayenne GTS V8 4.0L Petrol 460Hp 2020-23
- Porsche 9YA Cayenne Coupe GTS V8 4.0L Petrol 460Hp 2021-23
- Porsche 9YA Cayenne Turbo V8 4.0L Petrol 550Hp 2020-23
- Porsche 9YA Cayenne Coupe Turbo V8 4.0L Petrol 550Hp 2019-23
- Porsche 9YA Cayenne Turbo S E-Hybrid V8 4.0L 550Hp 2019-23
- Porsche 9YA Cayenne Coupe Turbo S E-Hybrid V8 4.0L 550Hp 2020-23
- Porsche 9YA Cayenne Coupe Turbo GT V8 4.0L 640Hp 2021-23
- Porsche 971.1 Panamera V6 3.0L 2WD (330 Hp) 2017-20
- Porsche 971.1 Panamera 4 V6 3.0L 4WD (330 Hp) 2017-20
- Porsche 971.1 Panamera 4 V6 3.0L 4WD Executive 2017-20
- Porsche 971.1 Panamera 4 3.0L Turbocharged V6 Sport Turismo 2017-20
- Porsche 971.1 Panamera 4S V6 3.0L 4WD (440 Hp) 2017-20
- Porsche 971.1 Panamera 4S V6 3.0L 4WD Executive 2017-20
- Porsche 971.1 Panamera 4S 2.9L Twin-Turbo V6 Sport Turismo 2017-20
- Porsche 971.1 Panamera 4 E-Hybrid V6 2.9L 4WD 2017-20
- Porsche 971.1 Panamera 4 E-Hybrid V6 2.9L 4WD Executive 2017-20
- Porsche 971.1 Panamera 4 E-Hybrid 2.9L Twin-Turbo V6 Sport Turismo 2017-20
- Porsche 971.1 Panamera Turbo V8 4.0L 4WD (550 Hp) 2017-20
- Porsche 971.1 Panamera Turbo V8 4.0L 4WD Executive 2017-20
- Porsche 971.1 Panamera Turbo 4.0L Twin-Turbo V8 Sport Turismo 2017-20
- Porsche 971.1 Panamera Turbo S E-Hybrid V8 4.0L 4WD 2017-20
- Porsche 971.1 Panamera Turbo S E-Hybrid V8 4.0L 4WD Executive 2017-20
- Porsche 971.2 Panamera 2.9L V6 2021-23
- Porsche 971.2 Panamera 4 2.9L V6 2021-23
- Porsche 971.2 Panamera 4 Sport Turismo 2.9L V6 2021-23
- Porsche 971.2 Panamera 4S 2.9L V6 2021-23
- Porsche 971.2 Panamera 4S Sport Turismo 2.9L V6 2021-23
- Porsche 971.2 Panamera 4 E-Hybrid 2.9L V6 2021-23
- Porsche 971.2 Panamera 4 E-Hybrid Sport Turismo 2.9L V6 2021-23
- Porsche 971.2 Panamera 4S E-Hybrid 2.9L V6 2021-23
- Porsche 971.2 Panamera 4S E-Hybrid Sport Turismo 2.9L V6 2021-23
- Porsche 971.2 Panamera GTS 4.0L V8 2021-23
- Porsche 971.2 Panamera GTS Sport Turismo 4.0L V8 2021-23
- Porsche 971.2 Panamera Turbo S 4.0L V8 2021-23
- Porsche 971.2 Panamera Turbo S Sport Turismo 4.0L V8 2021-23
- Porsche 971.2 Panamera Turbo S E-Hybrid 4.0L V8 2021-23
- Porsche 971.2 Panamera Turbo S E-Hybrid Sport Turismo 4.0L V8 2021-23
- Porsche 976 Panamera V6 2.9L 2023>>
- Porsche 976 Panamera 4 V6 2.9L 2023>>
- Porsche 976 Panamera 4 E-Hybrid V6 2.9L 2023>>
- Porsche 976 Panamera 4S E-Hybrid V6 2.9L 2023>>
- Porsche 976 Panamera GTS V8 4.0L 2023>>
- Porsche 976 Panamera Turbo E-Hybrid V8 4.0L 2023>>
- Porsche 976 Panamera Turbo S E-Hybrid V8 4.0L 2023>>
- Porsche 95B.2 Macan S Petrol 3.0L V6 354Bhp 2019-21
- Porsche 95B.2 Macan GTS Petrol 2.9L V6 380Bhp 2019-21
- Porsche 95B.2 Macan Turbo 2.9L V6 440Bhp 2019-21
Fits:
- Porsche Boxster 981
- Porsche Boxster 718
- Porsche 991.1
- Porsche 991.
- Porsche 992.1
- Porsche 992.2 Carrera
- Porsche Cayman 981
- Porsche Cayman 718
- Porsche 9YA Cayenne
- Porsche 971.1 Panamera
- Porsche 971.2 Panamera
- Porsche 976 Panamera
- Porsche 95B.2 Macan
Diagram ref no 5
Related reference numbers
Related, superseded, cross reference or alternative numbers for comparison.
0PB121688
The product you are viewing cross references to these numbers
- Porsche 9YA Cayenne V6 3.0L Petrol 340Hp 2018-23
- Porsche 9YA Cayenne Coupe V6 3.0L Petrol 340Hp 2019-23
- Porsche 9YA Cayenne E-Hybrid V6 3.0L V6 340Hp 2018-23
- Porsche 9YA Cayenne Coupe E-Hybrid V6 3.0L 340Hp 2020-23
- Porsche 9YA Cayenne S V6 2.9L Petrol 440Hp 2018-23
- Porsche 9YA Cayenne Coupe S V6 2.9L Petrol 440Hp 2019-23
- Porsche 971.1 Panamera V6 3.0L 2WD (330 Hp) 2017-20
- Porsche 971.1 Panamera 4 V6 3.0L 4WD (330 Hp) 2017-20
- Porsche 971.1 Panamera 4 V6 3.0L 4WD Executive 2017-20
- Porsche 971.1 Panamera 4 3.0L Turbocharged V6 Sport Turismo 2017-20
- Porsche 971.1 Panamera 4S V6 3.0L 4WD (440 Hp) 2017-20
- Porsche 971.1 Panamera 4S V6 3.0L 4WD Executive 2017-20
- Porsche 971.1 Panamera 4S 2.9L Twin-Turbo V6 Sport Turismo 2017-20
- Porsche 971.1 Panamera 4 E-Hybrid V6 2.9L 4WD 2017-20
- Porsche 971.1 Panamera 4 E-Hybrid V6 2.9L 4WD Executive 2017-20
- Porsche 971.1 Panamera 4 E-Hybrid 2.9L Twin-Turbo V6 Sport Turismo 2017-20
- Porsche 971.2 Panamera 2.9L V6 2021-23
- Porsche 971.2 Panamera 4 2.9L V6 2021-23
- Porsche 971.2 Panamera 4 Sport Turismo 2.9L V6 2021-23
- Porsche 971.2 Panamera 4S 2.9L V6 2021-23
- Porsche 971.2 Panamera 4S Sport Turismo 2.9L V6 2021-23
- Porsche 971.2 Panamera 4 E-Hybrid 2.9L V6 2021-23
- Porsche 971.2 Panamera 4 E-Hybrid Sport Turismo 2.9L V6 2021-23
- Porsche 971.2 Panamera 4S E-Hybrid 2.9L V6 2021-23
- Porsche 971.2 Panamera 4S E-Hybrid Sport Turismo 2.9L V6 2021-23
- Porsche 95B.2 Macan S Petrol 3.0L V6 354Bhp 2019-21
- Porsche 95B.2 Macan GTS Petrol 2.9L V6 380Bhp 2019-21
- Porsche 95B.2 Macan Turbo 2.9L V6 440Bhp 2019-21

Fits:
Porsche 95B.2 Macan S / GTS / turbo - 2019 to 2021
Porsche 971.1 Panamera / 4 / 4S / E-Hybrid V6- 2017 to 2020
Porsche 971.2 Panamera / 4 / 4S / E-Hybrid V6 - 2021 to 2023
Porsche 9YA Cayenne / S / E-Hybrid V6 - 2018 to 2023
Click 'Zoom in' for large parts diagram.
Diagram ref no 19
Related reference numbers
Related, superseded, cross reference or alternative numbers for comparison.
PAB121678A
The product you are viewing cross references to these numbers
- Porsche 9YA Cayenne GTS V8 4.0L Petrol 460Hp 2020-23
- Porsche 9YA Cayenne Coupe GTS V8 4.0L Petrol 460Hp 2021-23
- Porsche 9YA Cayenne Turbo V8 4.0L Petrol 550Hp 2020-23
- Porsche 9YA Cayenne Coupe Turbo V8 4.0L Petrol 550Hp 2019-23
- Porsche 9YA Cayenne Turbo S E-Hybrid V8 4.0L 550Hp 2019-23
- Porsche 9YA Cayenne Coupe Turbo S E-Hybrid V8 4.0L 550Hp 2020-23
- Porsche 9YA Cayenne Coupe Turbo GT V8 4.0L 640Hp 2021-23
- Porsche 9YA.2 Cayenne S V8 4.0L Petrol 474 Hp 2023>>
- Porsche 9YA.2 Cayenne S Coupe V8 4.0L 474Hp 2023>>
- Porsche 9YA.2 Cayenne Turbo E-Hybrid V8 4.0L 739Hp 2023>>
- Porsche 9YA.2 Cayenne Turbo E-Hybrid Coupe V8 4.0L 739Hp 2023>>
- Porsche 9YA.2 Cayenne Turbo E-Hybrid Coupe with GT Package V8 4.0 739Hp 2023>>
- Porsche 971.1 Panamera Turbo V8 4.0L 4WD (550 Hp) 2017-20
- Porsche 971.1 Panamera Turbo V8 4.0L 4WD Executive 2017-20
- Porsche 971.1 Panamera Turbo 4.0L Twin-Turbo V8 Sport Turismo 2017-20
- Porsche 971.1 Panamera Turbo S E-Hybrid V8 4.0L 4WD 2017-20
- Porsche 971.1 Panamera Turbo S E-Hybrid V8 4.0L 4WD Executive 2017-20
- Porsche 971.2 Panamera GTS 4.0L V8 2021-23
- Porsche 971.2 Panamera GTS Sport Turismo 4.0L V8 2021-23
- Porsche 971.2 Panamera Turbo S 4.0L V8 2021-23
- Porsche 971.2 Panamera Turbo S Sport Turismo 4.0L V8 2021-23
- Porsche 971.2 Panamera Turbo S E-Hybrid 4.0L V8 2021-23
- Porsche 971.2 Panamera Turbo S E-Hybrid Sport Turismo 4.0L V8 2021-23
- Porsche 976 Panamera Turbo E-Hybrid V8 4.0L 2023>>
O-ring (80 x 4) - seals between the thermostat housing and the coolant pump.
Fits:
Porsche 971-1 Panamera GTS 4.0L V8 2017-21
Porsche 971-1 Panamera Turbo 4.0L V8 2017-21
Porsche 971-1 Panamera Turbo S E-Hybrid 4.0L V8 2017-21
Porsche 971-2 Panamera GTS 4.0L V8 2021-24
Porsche 971-2 Panamera Turbo S 4.0L V8 2021-24
Porsche 971-2 Panamera Turbo S E-Hybrid 4.0L V8 2021-24
Porsche 976 Panamera Turbo E-Hybrid 4.0L V8 2021-24
Porsche 9YA-1 Cayenne GTS 4.0L V8 2018-24
Porsche 9YA-1 Cayenne Turbo 4.0L V8 2018-24
Porsche 9YA-1 Cayenne Turbo S E-Hybrid 4.0L V8 2018-24
Porsche 9YA-1 Cayenne Turbo GT 4.0L V8 2018-24
Porsche 9YA-2 Cayenne S 4.0L V8 2023>>
Porsche 9YA-2 Cayenne GTS 4.0L V8 2023>>
Porsche 9YA-2 Cayenne Turbo E-Hybrid 4.0L V8 2023>>
Porsche 9YA-2 Cayenne Turbo GT 4.0L V8 2023>>
Diagram ref. 8.
Related reference numbers
Related, superseded, cross reference or alternative numbers for comparison.
9A700780900
The product you are viewing cross references to these numbers
Monday-Friday: 8.30am - 5.30pm (GMT)
Saturday: Closed
Sunday: Closed