do not press the back button…
-
Engine Parts
-
- Engine Rebuild Parts Oil System Parts Fuel System Parts Gaskets & Sets Radial Seal / RMS / Camshaft / Balance shaft Belts / Tensioners / Rollers Chains & Tensioners Timing covers and gaskets Engine Bearings / Shells Engine Valves / Guides / Springs Engine Bolts / Studs Engine Mounts Piston Rings Engine Cylinders / Liners / Pistons Connecting Rod Cylinder Head / Camshaft Carrier Camshaft covers / Gaskets Camshaft gears / sprockets and fixings Crankcase Parts Crankshaft & Parts Air Intake & Injection Vacuum Pump Cylinder Liner All Categories
-
Brakes
-
- Brakes Brake Pads & Disc Package SPORTS Brake Pads & Disc Package Brake Pads Packages Brake Disc Standard Brake Pads Standard SPORTS Brake Disc Brembo Standard brakes Brembo Racing brakes TEXTAR Brakes PAGID Racing Brakes Zimmermann Brakes Performance Friction Brakes Giro Slotted Brake Disc SHW Performance Brakes EBC Brakes O-Brake Brake Discs Replacement for Ceramic Disc Brake Pad Wear Sensors Brake Pad Anti-vibration shims Caliper Bolts / Disc Screws Pin Kit and Guide Plates Performance Brake Hoses All Categories
-
-
Suspension & Steering
-
Transmission
-
- Gearbox / Transmission Clutch Kits Clutch Kits - High Performance Clutch Friction Plate Clutch Pressure Plate Clutch Release Bearings Clutch Cables & Parts Clutch Guide Tube Clutch Forks & Levers Clutch Bolts Gearbox Parts Driveshafts & Parts Gasket Sets / Gaskets / Seals / Lock Nuts Gearbox Mounts Gearshift Control Parts Flywheel / Torque CV Joints Kits CV Boots and Kits Cardan Shaft / Prop Shaft Transmission Parts Gearbox / Differential Oil Gearbox Sump / Oil Pan Rear Differential All Categories
-
-
Cooling & Heating
-
- Heating / Air Conditioning Air con condensers & desiccators Air con evaporators & expansion valves Air con pipes Fans & cowlings Relays / Sensors / Resistors Compressors Blower Motors & Fans Heater hoses & pipes Heat Exchanger Vents / Grilles Climate Control Temperature Sensors / Switches Heating / Air conditioning Housings
-
-
Electrical & Lighting
-
- Electrical & Relays Fuel Pumps Brake & Clutch Switch Hazard Warning Switch Handbrake Switch Reverse Light Switch Headlamp Switch Window Switch Window Motors Window Mechanism Wiper Motor Electric Horn SmartTop Control Units Ignition Switch Seat Switch Indicator / Wiper Stalk Switch Relays / Fuses Washer pumps / bottles / jets Alarms / Security / Central Locking Electronic Control Units Dashboard / Console Parts & Switches Door Mirror Switch Phone Kits / Bluetooth / Ipod All Categories
-
-
Body & Exhaust
-
- Chassis / Bodywork Restoration Chassis / Repair Panels Front Lid Damper Rear Lid Damper Bonnets / Locks & Latches Boots / Rear Lid / Locks and Latches Bumpers Front Bumpers Rear Door Handles | Locks | Keys Door Panels | Hinges | Striker Plates Window Lifters | Motors Wings Front & Parts Wings Rear & Parts Side Sill Panels Mirrors & Parts Stone Chip Foils / Stickers Undertrays Chassis & Engine Front Wiper Arms & Blades Rear Wiper Arms & Blades Wheel Arch Liners & Covers Roof - Cabrio / Targa / Coupe / Speedster Plastic Covers Sound Proofing All Categories
-
-
Lubricants & Fluids
-
- Service Parts Service Kits Oil Filters Air Filters Pollen/Particle Filters Belts All Types Spark Plugs IRIDIUM POWER Spark Plugs Ignition Coils Front Wiper Arms & Blades Rear Wiper Arms & Blades Gearbox Service Parts Engine Oil & Lubricants - Mobil Engine Oil & Lubricants - Total Engine Oil & Lubricants - Castrol Engine Oil & Lubricants - Motul Engine Oil & Lubricants - Millers Oils NanoDrive Engine Oil & Lubricants - Millers Oils Fuel Additives Coolant / Antifreeze Power Steering Oil Garage PPE
-
-
All Parts
-
- Parts Accessories Chassis / Bodywork Brakes Clothing & Gifts Electrical & Relays Engine Cooling Engine Electrical Engine Rebuild Parts Engine Tuning Exhausts Exterior Styling / Spoilers Gearbox / Transmission Heating / Air Conditioning Hydraulics Interior & Accessories Incar / Multimedia Lighting Mats & Carpets Motorsport and Off-Road Pedal Cluster Rubber Seals Seats & Seat Belts All Categories
-
- Back to main website
Enter your VAT number here and click Verify:
Your details have been verified. VAT number registered to:
,
.
Your order will now be zero rated for VAT purposes. We reserve the right to verify these details after your order request has been made and reinstate VAT if required.
Your VAT details were not recognised or were invalid. Your VAT number must be matched to your Billing Country as specified above. This is currently specified as . You do not need to enter the country code part of your VAT number as this has already been selected in your billing address details above.
The VAT number checking service is currently offline. Please supply your VAT details within the comments or special instructions field below and we will apply a VAT discount after placing your order request.
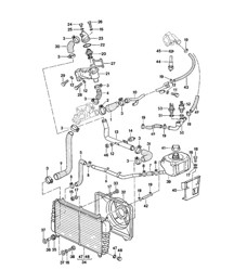
Radiator to water pump hose. Porsche 924
- Porsche 924 2.0L 1976-79
- Porsche 924 2.0L 1980-85
- Porsche 924 Turbo 2.0L 1979-81
- Porsche 924 Turbo 2.0L 1982-84
Fits:
Porsche 924 (1976 - 1985)
Porsche 924 Turbo (1979 - 1982)
Click 'Zoom in' for large parts diagram.
Diagram ref no 7
Related reference numbers
Related, superseded, cross reference or alternative numbers for comparison.
046121061
The product you are viewing cross references to these numbers
- Porsche Boxster 987 2.7L 2005 -08/08
- Porsche Boxster 987 S 3.2/3.4L 2005-08/08
- Porsche Boxster 987 MKII 2.9L 2009-2012
- Porsche Boxster S 987 MKII 3.4L 2009-2012
- Porsche 997 MK1 Carrera 2 3.6L 2005-08
- Porsche 997 MK1 Carrera 2S 3.8L 2005-08
- Porsche 997 MK1 Carrera 4 3.6L 2005-08
- Porsche 997 MK1 Carrera 4S 3.8L 2005-08
- Porsche 997 MK1 GT3 2007-09
- Porsche 997 MKII Carrera C2 3.6L 2009-12
- Porsche 997 MKII Carrera C4 3.6L 2009-12
- Porsche 997 MKII Carrera C2S 3.8L 2009-12
- Porsche 997 MKII Carrera C4S 3.8L 2009-12
- Porsche 997 MKII GT3 2010-11
- Porsche Cayman 2.7L 987C 2006-08
- Porsche Cayman S 3.4L 987C 2005-08
- Porsche Cayman 2.9L 987C MKII 2009-12
- Porsche Cayman S / R 3.4L 987C MKII 2009-12
Fits:
Porsche 987 Boxster - 2005 to 2012
Porsche 987C Cayman - 2005 to 2012
Porsche 997 - 2005 to 2012
Related reference numbers
Related, superseded, cross reference or alternative numbers for comparison.
99710613
The product you are viewing cross references to these numbers
- Porsche Boxster 987 2.7L 2005 -08/08
- Porsche Boxster 987 S 3.2/3.4L 2005-08/08
- Porsche Boxster 987 MKII 2.9L 2009-2012
- Porsche Boxster S 987 MKII 3.4L 2009-2012
- Porsche 997 MK1 Carrera 2 3.6L 2005-08
- Porsche 997 MK1 Carrera 2S 3.8L 2005-08
- Porsche 997 MK1 Carrera 4 3.6L 2005-08
- Porsche 997 MK1 Carrera 4S 3.8L 2005-08
- Porsche 997 MKII Carrera C2 3.6L 2009-12
- Porsche 997 MKII Carrera C4 3.6L 2009-12
- Porsche 997 MKII Carrera C2S 3.8L 2009-12
- Porsche 997 MKII Carrera C4S 3.8L 2009-12
- Porsche Cayman 2.7L 987C 2006-08
- Porsche Cayman S 3.4L 987C 2005-08
- Porsche Cayman 2.9L 987C MKII 2009-12
- Porsche Cayman S / R 3.4L 987C MKII 2009-12
Fits:
Porsche 987 Boxster S 3.2L 2005-08 (ONLY for Tiptronic cars)
Porsche 987 Boxster S 3.4L 2009>>
Porsche 987C Cayman S 3.4L 2006-08 (ONLY for Tiptronic cars)
Porsche 987C Cayman S 3.4L 2009>>
Porsche 997 Carrera 2005-08
Porsche 997 Carrera 2009>>
Click 'Zoom in' for large parts diagram.
Diagram Ref No 1.
Related reference numbers
Related, superseded, cross reference or alternative numbers for comparison.
99710603702
The product you are viewing cross references to these numbers
- Porsche Boxster 987 2.7L 2005 -08/08
- Porsche Boxster 987 S 3.2/3.4L 2005-08/08
- Porsche Boxster 987 MKII 2.9L 2009-2012
- Porsche Boxster S 987 MKII 3.4L 2009-2012
- Porsche 997 MK1 Carrera 2 3.6L 2005-08
- Porsche 997 MK1 Carrera 2S 3.8L 2005-08
- Porsche 997 MK1 Carrera 4 3.6L 2005-08
- Porsche 997 MK1 Carrera 4S 3.8L 2005-08
- Porsche 997 MK1 TURBO 2007-09
- Porsche 997 MK1 GT3 2007-09
- Porsche 997 MK1 GT2 2007-09
- Porsche 997 MKII Carrera C2 3.6L 2009-12
- Porsche 997 MKII Carrera C4 3.6L 2009-12
- Porsche 997 MKII Carrera C2S 3.8L 2009-12
- Porsche 997 MKII Carrera C4S 3.8L 2009-12
- Porsche 997 MKII GT3 2010-11
- Porsche 997 MKII Turbo 2010-13
- Porsche 997 MKII GT2 RS 2011-13
- Porsche Cayman 2.7L 987C 2006-08
- Porsche Cayman S 3.4L 987C 2005-08
- Porsche Cayman 2.9L 987C MKII 2009-12
- Porsche Cayman S / R 3.4L 987C MKII 2009-12

Fits:
Porsche 987.1 Boxster 2005-08
Porsche 987.2 Boxster 2009-12
Porsche 987C.1 Cayman 2006-08
Porsche 987C.2 Cayman 2009-12
Porsche 997.1 2005-08
Porsche 997.2 2009-12
Click 'Zoom in' for large parts diagram.
Diagram ref no 3.
Related reference numbers
Related, superseded, cross reference or alternative numbers for comparison.
99762413
The product you are viewing cross references to these numbers
Monday-Friday: 8.30am - 5.30pm (GMT)
Saturday: Closed
Sunday: Closed