do not press the back button…
-
Engine Parts
-
- Engine Rebuild Parts Intermediate shaft (IMS) Oil System Parts Fuel System Parts Gaskets & Sets Radial Seal / RMS / Camshaft / Balance shaft Belts / Tensioners / Rollers Chains & Tensioners Timing covers and gaskets Engine Bearings / Shells Engine Valves / Guides / Springs Rocker Arms & Tappets Engine Bolts / Studs Engine Mounts Piston Rings Engine Cylinders / Liners / Pistons Connecting Rod Cylinder Head / Camshaft Carrier Camshaft covers / Gaskets Camshafts Camshaft gears / sprockets and fixings Crankcase Parts Crankshaft & Parts All Categories
-
Brakes
-
- Brakes Brake Pads & Disc Package Brake Disc Standard Brake Pads Standard SPORTS Brake Disc Brembo Standard brakes Brembo Racing brakes TEXTAR Brakes PAGID Racing Brakes Zimmermann Brakes Performance Friction Brakes Giro Slotted Brake Disc SHW Performance Brakes EBC Brakes Replacement for Ceramic Disc Brake Pad Wear Sensors Brake Pad Anti-vibration shims Caliper Bolts / Disc Screws Pin Kit and Guide Plates Performance Brake Hoses Standard Brake Hoses Caliper and Brake Lines Brake Calipers All Categories
-
-
Suspension & Steering
-
Transmission
-
- Gearbox / Transmission Clutch Kits Clutch Kits - High Performance Clutch Friction Plate Clutch Pressure Plate Clutch Release Bearings Clutch Guide Tube Clutch Forks & Levers Clutch Bolts Gearbox Parts Driveshafts & Parts Gasket Sets / Gaskets / Seals / Lock Nuts Gearbox Mounts Gearshift Control Parts Flywheel / Torque CV Joints Kits CV Boots and Kits Cardan Shaft / Prop Shaft Gearbox / Differential Oil Gearbox Sump / Oil Pan Used Transmissions / Gearboxes Front Differential Rear Differential All Categories
-
-
Cooling & Heating
-
- Heating / Air Conditioning Air con condensers & desiccators Air con evaporators & expansion valves Air con pipes Air con belts Fans & cowlings Relays / Sensors / Resistors Compressors Heater flaps Blower Motors & Fans Heater blowers Heater hoses & pipes Vents / Grilles Climate Control Temperature Sensors / Switches Heating / Air conditioning Housings
-
-
Electrical & Lighting
-
- Electrical & Relays Fuel Pumps Brake Light Switch Hazard Warning Switch Handbrake Switch Reverse Light Switch Headlamp Switch Window Switch Window Motors Window Mechanism Wiper Motor Wiper Mechanism Electric Horn Ignition Switch Seat Switch Indicator / Wiper Stalk Switch Roof / Sun Roof Switch Relays / Fuses Washer pumps / bottles / jets Alarms / Security / Central Locking Electronic Control Units Wiper Switches Dashboard / Console Parts & Switches All Categories
-
-
Body & Exhaust
-
- Chassis / Bodywork Restoration Chassis / Repair Panels Front Lid Damper Rear Lid Damper Bonnets / Locks & Latches Boots / Rear Lid / Locks and Latches Rear lid / Tailgate Bumpers Front Bumpers Rear Door Handles | Locks | Keys Door Panels | Hinges | Striker Plates Window Lifters | Motors Wings Front & Parts Wings Rear & Parts Side Sill Panels Exterior Chassis Mouldings Mirrors & Parts Stone Chip Foils / Stickers Undertrays Chassis & Engine Front Wiper Arms & Blades Rear Wiper Arms & Blades Wheel Arch Liners & Covers Roof - Cabrio / Targa / Coupe / Speedster All Categories
-
-
Lubricants & Fluids
-
- Service Parts Service Kits OE Parts Oil Filters Air Filters Fuel Filters Belts All Types Spark Plugs IRIDIUM POWER Spark Plugs IRIDIUM RACING Spark Plugs Front Wiper Arms & Blades Rear Wiper Arms & Blades Gearbox Service Parts Porsche Classic Motor oil Engine Oil & Lubricants - Mobil Engine Oil & Lubricants - Total Engine Oil & Lubricants - Castrol Engine Oil & Lubricants - Motul Engine Oil & Lubricants - Millers Oils NanoDrive Engine Oil & Lubricants - Millers Oils Fuel Additives Garage PPE
-
-
All Parts
-
- Parts Accessories Chassis / Bodywork Brakes Clothing & Gifts Electrical & Relays Engine Cooling Engine Electrical Engine Rebuild Parts Engine Tuning Exhausts Exterior Styling / Spoilers Gearbox / Transmission Heating / Air Conditioning Hydraulics Interior & Accessories Incar / Multimedia Lighting Mats & Carpets Motorsport and Off-Road Pedal Cluster Rubber Seals Seats & Seat Belts All Categories
-
- Back to main website
Enter your VAT number here and click Verify:
Your details have been verified. VAT number registered to:
,
.
Your order will now be zero rated for VAT purposes. We reserve the right to verify these details after your order request has been made and reinstate VAT if required.
Your VAT details were not recognised or were invalid. Your VAT number must be matched to your Billing Country as specified above. This is currently specified as . You do not need to enter the country code part of your VAT number as this has already been selected in your billing address details above.
The VAT number checking service is currently offline. Please supply your VAT details within the comments or special instructions field below and we will apply a VAT discount after placing your order request.
Door mirror base cover, Front part. Porsche 958 Cayenne >>2014 LHD ❭ 95873108
- Porsche 958 Cayenne V6 3.6L Petrol (300Hp) 2010-17
- Porsche 958 Cayenne V6 3.0L Diesel (245Hp) 2010-17
- Porsche 958 Cayenne S V6 3.0L Hybrid (380Hp) 2010-17
- Porsche 958 Cayenne S V8 4.8L Petrol (400Hp) 2010-17
- Porsche 958 Cayenne S V8 4.2L Diesel (382Hp) 2010-17
- Porsche 958 Cayenne GTS V8 4.8L Petrol (400Hp) 2010-17
- Porsche 958 Cayenne Turbo V8 4.8L Petrol (500Hp) 2010-17
- Porsche 958 Cayenne Turbo S V8 4.8L Petrol (550Hp) 2010-17
Fits:
Porsche 958 Cayenne >>2014 LHD
Codes:
IL0L - Left hand drive version
I5RQ - Door mirror, RIGHT, convex
I5RR - Door mirror, RIGHT, convex (USA)
I5RT - Door mirror, RIGHT, convex (AGCC)
I5SG - Door mirror, LEFT, flat
I5SL - Door mirror, LEFT, Aspherical
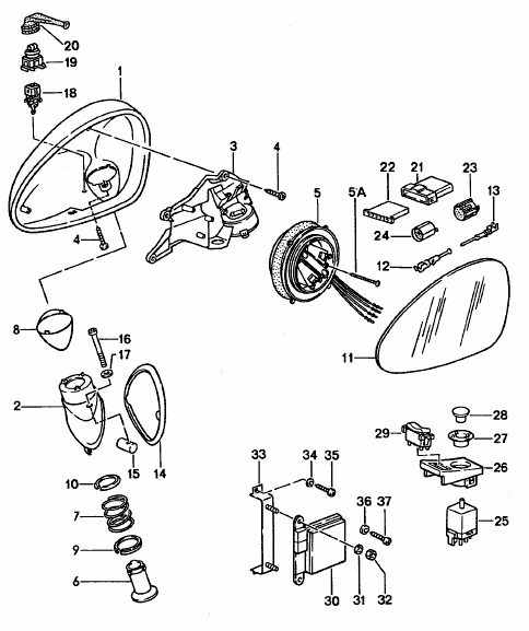
Click 'Zoom in' for large parts diagram.
Diagram ref no 10
Related reference numbers
Related, superseded, cross reference or alternative numbers for comparison.
95873108
The product you are viewing cross references to these numbers
- Porsche 911 1974-1977 2.7L / 1976-77 3.0 Carrera
- Porsche 911 1978-1983 3.0L / SC
- Porsche 911 1984-1986 3.2L
- Porsche 911 1987-1989 3.2L G50
- Porsche 911 1975-1977 3.0L Turbo (930)
- Porsche 911 1978-1989 3.3L Turbo (930)
- Porsche 964 (911) C2 1989-93
- Porsche 964 (911) C4 1989-93
- Porsche 964 (911) RS 3.6L 1991-93
- Porsche 964 (911) RS 3.8L 1991-93
- Porsche 964 (911) TURBO 3.3L 1991-93
- Porsche 964 (911) TURBO 3.6L 1991-93
- Porsche 993 (911) C2 1994-97
- Porsche 993 (911) C4 1994-97
- Porsche 993 (911) RS 1994-97
- Porsche 993 (911) C2S 1994-97
- Porsche 993 (911) C4S 1994-97
- Porsche 993 (911) TURBO 1994-96
- Porsche 993 (911) GT2 1994-97
- Porsche 993 (911) TURBO S 1994-97

2 options:
- For RHD Cars (like UK), part number 96473190101
- For LHD Cars (like Europe), part number 96473190100
Fits:
Porsche 911 1974-89*
Porsche 964 1990-94*
Porsche 993 1994-94
*Please note when retro fitting this set you will need an auto electrician to sort out the wiring as the colours might be different to what coming out of your car.
For Instructions please CLICK HERE
Related reference numbers
Related, superseded, cross reference or alternative numbers for comparison.
964731901
The product you are viewing cross references to these numbers
- Porsche 911 1974-1977 2.7L / 1976-77 3.0 Carrera
- Porsche 911 1978-1983 3.0L / SC
- Porsche 911 1984-1986 3.2L
- Porsche 911 1987-1989 3.2L G50
- Porsche 911 1975-1977 3.0L Turbo (930)
- Porsche 911 1978-1989 3.3L Turbo (930)
- Porsche 964 (911) C2 1989-93
- Porsche 964 (911) C4 1989-93
- Porsche 964 (911) RS 3.6L 1991-93
- Porsche 964 (911) RS 3.8L 1991-93
- Porsche 964 (911) TURBO 3.3L 1991-93
- Porsche 964 (911) TURBO 3.6L 1991-93
- Porsche 993 (911) C2 1994-97
- Porsche 993 (911) C4 1994-97
- Porsche 993 (911) RS 1994-97
- Porsche 993 (911) C2S 1994-97
- Porsche 993 (911) C4S 1994-97
- Porsche 993 (911) TURBO 1994-96
- Porsche 993 (911) GT2 1994-97
- Porsche 993 (911) TURBO S 1994-97
- Porsche 968 CS 3.0L 1993-95
- Porsche 928 4.5L 1978-82
- Porsche 928S 4.7L 1981-83
- Porsche 928S2 4.7L 1984-86
- Porsche 928S4 5.0L 1987-92
- Porsche 928GT 5.0L 1989-91
- Porsche 928GTS 5.4L 1992-95

Fits:
Porsche 911 1974-89*
Porsche 964 1990-94*
Porsche 928 1978-95*
Porsche 993 1994-94
*Fit your car is fitting with Teardrop mirrors.
Related reference numbers
Related, superseded, cross reference or alternative numbers for comparison.
96573103
The product you are viewing cross references to these numbers
- Porsche 911 1984-1986 3.2L
- Porsche 911 1987-1989 3.2L G50
- Porsche 964 (911) C2 1989-93
- Porsche 964 (911) C4 1989-93
- Porsche 964 (911) RS 3.6L 1991-93
- Porsche 964 (911) RS 3.8L 1991-93
- Porsche 964 (911) TURBO 3.3L 1991-93
- Porsche 964 (911) TURBO 3.6L 1991-93
- Porsche 944 2.5L 8V 1982-87
- Porsche 944 2.7L 8V 1988-89
- Porsche 944S 2.5L 16V 1987-88
- Porsche 944S2 3.0L 16V 1989-91
- Porsche 944 Turbo 2.5L 8V 1985-88
- Porsche 944 Turbo 2.5L 8V 1989-91
- Porsche 944 Turbo S 2.5L 8V 1988
- Porsche 928S4 5.0L 1987-92
- Porsche 928GT 5.0L 1989-91
- Porsche 928GTS 5.4L 1992-95
Fits: Left or right side
Fits:
Porsche 911 1987-89
Porsche 964 1989-91
Porsche 928 1987-91
Porsche 944 1985-91
Related reference numbers
Related, superseded, cross reference or alternative numbers for comparison.
94473103502
The product you are viewing cross references to these numbers
Monday-Friday: 8.30am - 5.30pm (GMT)
Saturday: Closed
Sunday: Closed