Enter your VAT number here and click Verify:
Your details have been verified. VAT number registered to:
,
.
Your order will now be zero rated for VAT purposes. We reserve the right to verify these details after your order request has been made and reinstate VAT if required.
Your VAT details were not recognised or were invalid. Your VAT number must be matched to your Billing Country as specified above. This is currently specified as . You do not need to enter the country code part of your VAT number as this has already been selected in your billing address details above.
The VAT number checking service is currently offline. Please supply your VAT details within the comments or special instructions field below and we will apply a VAT discount after placing your order request.
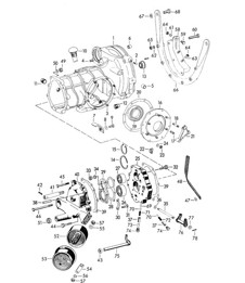
Gearbox Casing / Casing Parts
- Porsche 911 1965-1968 2.0L / 912 SWB (F)
- Porsche 356 1950-55
- Porsche 356A 1955-59
- Porsche 356B 1959-63
- Porsche 356C 1963-65

Fits:
Porsche 356 1950-65
Porsche 911 1965-70
Porsche 911 1965-68 Sportomatic Gearbox
Porsche 914 1970-76
Click 'Zoom in' for large parts diagram.
Diagram ref no 8
Related reference numbers
Related, superseded, cross reference or alternative numbers for comparison.
99911318540
The product you are viewing cross references to these numbers
- Porsche 911 1965-1968 2.0L / 912 SWB (F)
- Porsche 911 1968-1973 2.2L / 2.4L / 2.7L RS LWB (F)
- Porsche 911 1974-1977 2.7L / 1976-77 3.0 Carrera
- Porsche 911 1978-1983 3.0L / SC
- Porsche 911 1984-1986 3.2L
- Porsche 356 1950-55
- Porsche 356A 1955-59
- Porsche 356B 1959-63
- Porsche 356C 1963-65
Fits:
Porsche 911 - 1965 to 1973 Manual and Sportomatic
Porsche 911 - 1974 to 1983 Sportomatic
Porsche 356 - 1950 to 1965
Click 'Zoom in' for large parts diagram.
Diagram ref no 62
Related reference numbers
Related, superseded, cross reference or alternative numbers for comparison.
99961191820
The product you are viewing cross references to these numbers
- Porsche 356 1950-55
- Porsche 356A 1955-59
- Porsche 356B 1959-63
- Porsche 356C 1963-65
The magnetic screw collects metallic shavings from the inside of the transmission. This is immediately apparent when the screw is unscrewed, allowing mechanical problems to be detected at an early stage.
Fits:
Porsche 356 Pre A (1948 - 1955)
Porsche 356 A (1955 - 1959)
Porsche 356 B (1959 - 1963)
Porsche 356 C (1963 - 1965)
Click 'Zoom in' for large parts diagram.
Diagram ref no 6
Related reference numbers
Related, superseded, cross reference or alternative numbers for comparison.
51920116
The product you are viewing cross references to these numbers
- Porsche 356 1950-55
- Porsche 356A 1955-59
- Porsche 356B 1959-63
- Porsche 356C 1963-65
Silver-galvanised screw plug for the transmission fluid filling opening on the transmission housing.
Fits:
Porsche 356 Pre A (1948 - 1955)
Porsche 356 A (1955 - 1959)
Porsche 356 B (1959 - 1963)
Porsche 356 C (1963 - 1965)
Click 'Zoom in' for large parts diagram.
Diagram ref no 5
Related reference numbers
Related, superseded, cross reference or alternative numbers for comparison.
51920115
The product you are viewing cross references to these numbers
- Porsche 356 1950-55

Fits:
Porsche 356 Pre-A
Related reference numbers
Related, superseded, cross reference or alternative numbers for comparison.
51920105
The product you are viewing cross references to these numbers
- Porsche 356 1950-55

Fits:
Porsche 356 with 519 gearbox
This Spacer ring is for the upper drive shaft bearing in the intermediate plate. This spacer is 5.0 mm and need to be grinded to the correct size. The cars and gearboxes are 50 years or older and due the history of the car, and worn out or re machined gearbox case this ring is an oversize and can be grinded down to the correct size that fit your gearbox. CNC machined.
Click 'Zoom in' for large parts diagram.
Fits no 16 on diagram.
Related reference numbers
Related, superseded, cross reference or alternative numbers for comparison.
51920251
The product you are viewing cross references to these numbers
- Porsche 356 1950-55
- Porsche 356A 1955-59
- Porsche 356B 1959-63
- Porsche 356C 1963-65

Fits:
Porsche 356 Pre A (1948 - 1955)
Porsche 356 A (1955 - 1959)
Porsche 356 B (1959 - 1963)
Porsche 356 C (1963 - 1965)
Click 'Zoom in' for large parts diagram.
Diagram ref no 17
Related reference numbers
Related, superseded, cross reference or alternative numbers for comparison.
00095135
The product you are viewing cross references to these numbers
- Porsche 356 1950-55
- Porsche 356A 1955-59

Fits:
Porsche 356 Pre A / 356A (1948-59)
G 11 001 >> 25 000
Click 'Zoom in' for large parts diagram.
Diagram ref no 18
Related reference numbers
Related, superseded, cross reference or alternative numbers for comparison.
90006101000
The product you are viewing cross references to these numbers
Porsche Gearbox Casings & Casing Parts | Strength, Precision & Thermal Stability for Reliable Transmission Performance
The gearbox casing is the structural foundation of your Porsche’s transmission system. It houses and supports all internal components — including gears, bearings, shafts, and seals — ensuring correct alignment, strength, and efficient operation. High-quality casing components are essential for maintaining gearbox integrity, preventing leaks, and reducing vibration or mechanical stress.
At Design911, we supply precision-engineered gearbox casings and casing components designed to meet or exceed original performance specifications. Manufactured from high-strength aluminium or magnesium alloys, each casing ensures excellent rigidity, heat dissipation, and dimensional accuracy.
Whether you’re rebuilding a classic 911 transmission, repairing a damaged casing, or upgrading for performance reliability, our range of Porsche gearbox casings and casing parts guarantees strength, fitment precision, and long-term durability.
What Do Gearbox Casings & Casing Parts Do?
The gearbox casing acts as a rigid housing that protects internal components from damage, contamination, and misalignment while maintaining lubrication and temperature control.
Core Functions:
- Provides structural support and alignment for all internal gearbox components.
- Protects gears, shafts, and bearings from debris and external damage.
- Maintains correct oil levels and internal pressure.
- Ensures efficient heat dissipation for optimal transmission operation.
- Prevents leaks through integrated seals and machined joints.
Without a properly functioning casing, gearbox alignment and performance can degrade — leading to premature wear, oil leaks, and even transmission failure.
Why Do Gearbox Casings & Components Fail or Get Damaged?
Gearbox casings are exposed to mechanical stress, vibration, and heat over time, which can cause fatigue, cracking, or oil leaks.
Common Causes of Failure Include:
- Cracks or fractures from impact or over-torqued bolts.
- Corrosion or oxidation, particularly on older magnesium casings.
- Warping due to overheating or poor heat dissipation.
- Damaged or worn sealing surfaces causing oil leaks.
- Incorrect assembly or misalignment during installation.
When the casing or its mating surfaces fail, it can cause oil leakage, misaligned gears, excessive noise, or internal component wear — compromising gearbox performance and reliability.
Why Replace Your Porsche Gearbox Casing or Casing Parts?
Replacing a damaged or worn gearbox casing ensures structural integrity, correct alignment, and proper sealing — vital for transmission efficiency and performance. Upgraded or remanufactured casings also enhance durability and thermal control in high-performance applications.
Key Benefits:
- Restores proper gearbox alignment and internal balance.
- Prevents oil leaks and contamination of internal components.
- Improves heat management and mechanical strength.
- Reduces vibration and driveline noise.
- Ensures long-term reliability during rebuilds or performance upgrades.
- Available for manual, automatic, and PDK Porsche transmissions.
A high-quality gearbox casing or replacement part is essential during transmission rebuilds to maintain correct tolerances and optimal drivetrain function.
Highlights
- Precision Porsche gearbox casings and casing parts.
- Manufactured from high-strength aluminium or magnesium alloys.
- Perfect fitment for Porsche 911, Cayman, Boxster, and classic models.
- Designed for strength, rigidity, and long-term reliability.
- Restores transmission efficiency and structural integrity.
- Ideal for rebuilds, repairs, or performance transmission upgrades.