Enter your VAT number here and click Verify:
Your details have been verified. VAT number registered to:
,
.
Your order will now be zero rated for VAT purposes. We reserve the right to verify these details after your order request has been made and reinstate VAT if required.
Your VAT details were not recognised or were invalid. Your VAT number must be matched to your Billing Country as specified above. This is currently specified as . You do not need to enter the country code part of your VAT number as this has already been selected in your billing address details above.
The VAT number checking service is currently offline. Please supply your VAT details within the comments or special instructions field below and we will apply a VAT discount after placing your order request.
Temperature Sensor
- Porsche 356 1950-55
- Porsche 356A 1955-59
- Porsche 356B 1959-63
- Porsche 356C 1963-65
Fits:
Porsche 356 (6 Volt)
Related reference numbers
Related, superseded, cross reference or alternative numbers for comparison.
61610780502
The product you are viewing cross references to these numbers
- Porsche 356A 1955-59
- Porsche 356B 1959-63
Genuine

Fits:
Porsche 356 TYP 692/2/3
Porsche 356B
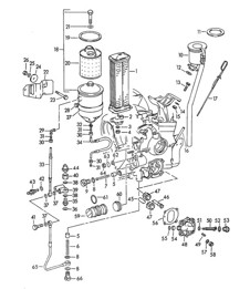
Click 'Zoom in' for large parts diagram.
Diagram ref no 48
Related reference numbers
Related, superseded, cross reference or alternative numbers for comparison.
61610780600
The product you are viewing cross references to these numbers
-
Engine lubrication - M >> 67 000, M >> 81 200 - (Model: 1300 /S, 1600, 1600 S) 356, 356A 1950-1959 104-000
-
Engine lubrication - M 67 001 >>, M 81 201 >> - (Model: 1600, 1600 S) 356, 356A 1950-1959 104-005
-
Oil tank - M 90 501 >> 91 000 - (Model: CARRERA 1500 GS/GT) 356, 356A 1950-1959 104-010
-
Oil tank / Oil filter (Model: CARRERA, 1600 GS/GT, 692/1/2/3) 356, 356A 1950-1959 104-012
Temperature Sensors – Accurate Engine Monitoring for
Porsche Performance
Temperature sensors play a critical role in your
Porsche’s engine and cooling system by constantly monitoring temperatures such
as coolant, oil, intake air, and exhaust gases. These sensors send real-time
data to the engine control unit (ECU), helping to regulate performance,
emissions, and fuel efficiency.
At Design911, we stock a comprehensive selection of genuine and high-quality temperature sensors for various Porsche models such as 911, Boxster, Cayman, Cayenne, Macan, and Panamera models. Each sensor is designed for precision, reliability, and longevity — ensuring accurate readings and smooth engine operation in all driving conditions.
What Do Temperature Sensors Do?
Temperature sensors are vital to maintaining your Porsche’s
performance, safety, and efficiency. Their main functions include:
- Monitoring
coolant and engine temperature to prevent overheating.
- Feeding
data to the ECU to adjust fuel mixture and ignition timing.
- Controlling
fan activation and emission systems.
- Ensuring optimal engine performance under all loads and climates.
Accurate sensor readings are essential for protecting your engine, maximising power, and improving fuel economy.
Why Do Temperature Sensors Fail?
Constant exposure to heat, vibration, and contaminants can
cause temperature sensors to degrade or fail. Common causes include:
- Thermal
fatigue leading to inaccurate readings.
- Corrosion
or oxidation on connectors.
- Coolant
or oil contamination damaging sensor elements.
- Wiring
faults or loose electrical connections.
- Age-related wear causing signal irregularities.
Symptoms of a failing temperature sensor include fluctuating temperature gauge readings, poor fuel economy, rough idle, overheating, or an illuminated check engine light.
Why Replace Faulty Temperature Sensors?
Replacing a faulty temperature sensor is essential for accurate engine management and protection. A malfunctioning sensor can cause incorrect fueling, overheating, and even engine damage.
Benefits of replacement include:
- Accurate temperature readings and ECU adjustments.
- Enhanced fuel efficiency and performance.
- Prevention of overheating and engine damage.
- Reliable operation with manufacturer-quality precision.
All sensors in our range are made using high-grade materials and advanced sensing elements to provide reliable data, quick response times, and long service life in even the most demanding conditions.