Enter your VAT number here and click Verify:
Your details have been verified. VAT number registered to:
,
.
Your order will now be zero rated for VAT purposes. We reserve the right to verify these details after your order request has been made and reinstate VAT if required.
Your VAT details were not recognised or were invalid. Your VAT number must be matched to your Billing Country as specified above. This is currently specified as . You do not need to enter the country code part of your VAT number as this has already been selected in your billing address details above.
The VAT number checking service is currently offline. Please supply your VAT details within the comments or special instructions field below and we will apply a VAT discount after placing your order request.
Breather Pipes
- Porsche 911 1965-1968 2.0L / 912 SWB (F)
- Porsche 911 1968-1973 2.2L / 2.4L / 2.7L RS LWB (F)
- Porsche 911 1974-1977 2.7L / 1976-77 3.0 Carrera
- Porsche 911 1978-1983 3.0L / SC

Fits:
Porsche 911 1965-83
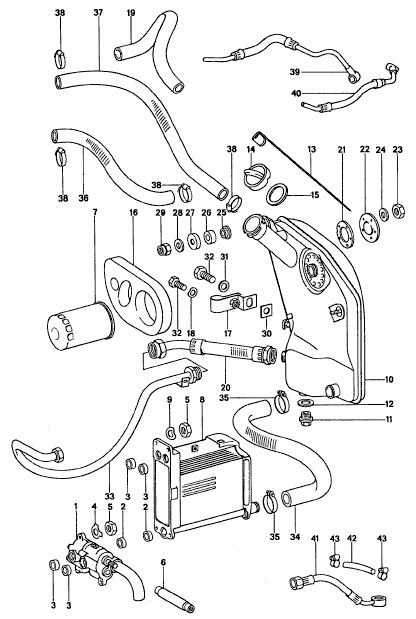
Click picture for large parts diagram.
Diagram Ref No 37.
- Porsche 911 1974-1977 2.7L / 1976-77 3.0 Carrera
- Porsche 911 1978-1983 3.0L / SC
Fits:
Porsche 911 1980-83
Diagram ref no 35B
Related reference numbers
Related, superseded, cross reference or alternative numbers for comparison.
93010739409
The product you are viewing cross references to these numbers
- Porsche 911 1974-1977 2.7L / 1976-77 3.0 Carrera
- Porsche 911 1978-1983 3.0L / SC

Fits:
Porsche 911 1980-83
Click 'Zoom in' for large parts diagram.
Diagram ref no 35A
Related reference numbers
Related, superseded, cross reference or alternative numbers for comparison.
93010739410
The product you are viewing cross references to these numbers
- Porsche 911 1965-1968 2.0L / 912 SWB (F)
- Porsche 911 1968-1973 2.2L / 2.4L / 2.7L RS LWB (F)
- Porsche 911 1974-1977 2.7L / 1976-77 3.0 Carrera
- Porsche 911 1978-1983 3.0L / SC
Fits:
Porsche 911 1965-83
This hose runs from the oil reservoir tank to the rear of the engine. Fits all 2.7L and 3.0L naturally aspirated 911 models built between 1974 and 1983, as well as all 3.0L 911 Turbo models built between 1976 and 1977.
This product supersedes Porsche's old part numbers:
- 90110739300
- 90110739400
- 90110739301
- 99923600850
- 00004320516
Diagram Ref No 12
Related reference numbers
Related, superseded, cross reference or alternative numbers for comparison.
PCG236008A
The product you are viewing cross references to these numbers
- Porsche 911 1965-1968 2.0L / 912 SWB (F)
- Porsche 911 1968-1973 2.2L / 2.4L / 2.7L RS LWB (F)
- Porsche 911 1974-1977 2.7L / 1976-77 3.0 Carrera
- Porsche 911 1978-1983 3.0L / SC
Fits:
Porsche 911 1965-83
This product supersedes Porsche's old part numbers:
- 90110739300
- 90110739400
- 90110739301
- 99923600850
Diagram Ref No 12
Related reference numbers
Related, superseded, cross reference or alternative numbers for comparison.
PCG236008A
The product you are viewing cross references to these numbers
- Porsche 911 1965-1968 2.0L / 912 SWB (F)
- Porsche 911 1968-1973 2.2L / 2.4L / 2.7L RS LWB (F)
- Porsche 911 1974-1977 2.7L / 1976-77 3.0 Carrera
- Porsche 911 1978-1983 3.0L / SC
- Porsche 911 1984-1986 3.2L
- Porsche 911 1987-1989 3.2L G50
Vapour block kit for water shield air cleaners. 
Fits:
Porsche 911 - 1965 to 1989
Mounted Inline between the engine oil tank and the evaporative unit, the PMO Vapor Block Kit is used to limit the amount of oil vapor that enters the induction system when using Water Shield Air Cleaners.
Engine Oil System Breather Pipes – Precision Ventilation for Porsche Performance
The engine oil breather system plays a crucial role in maintaining internal pressure balance, oil circulation, and overall engine health. The breather pipes allow gases, vapour, and excess pressure to escape from the crankcase, preventing oil contamination, leaks, and performance loss.
At Design911, we supply a comprehensive selection of oil system breather pipes and ventilation components designed for Porsche engines across all generations. Built from high-quality, oil- and heat-resistant materials, our breather pipes are engineered for long service life, durability, and a direct-fit installation — ensuring your Porsche continues to run smoothly under all driving conditions.
Whether you’re maintaining a daily-driven 911 or restoring a classic air-cooled model, our breather pipes help safeguard your engine’s lubrication system and performance.
What Do Engine Oil Breather Pipes Do?
Oil breather pipes are essential to the proper function of your Porsche’s oil system. They manage pressure and vapour within the crankcase, ensuring oil flow remains consistent and clean.
Core Functions:
- Vent
crankcase pressure to maintain oil system stability.
- Prevent
oil leaks by balancing internal engine pressure.
- Reduce
contamination by separating oil vapour from blow-by gases.
- Improve efficiency by maintaining clean airflow and optimal oil return.
Properly functioning breather pipes ensure your Porsche’s engine stays free of excessive pressure and sludge build-up, promoting smooth operation and extended engine life.
Why Do Oil Breather Pipes Fail?
Over time, breather pipes are exposed to intense heat, oil vapour, and pressure changes that can cause deterioration and leaks.
Common Causes of Failure Include:
- Cracking
or hardening of rubber or plastic due to heat cycles.
- Oil
residue build-up, leading to restricted airflow.
- Blockages
caused by sludge or carbon deposits.
- Loose
fittings or seals allowing air or oil leaks.
- Age-related wear in high-mileage or older engines.
Symptoms of failing breather pipes include oil leaks, rough idling, increased crankcase pressure, or smoke from the exhaust — all signs that the ventilation system is compromised.
Why Replace with Precision-Engineered Breather Pipes?
Replacing worn or damaged breather pipes is essential for maintaining optimal oil pressure and engine performance. Our precision-fit, high-durability replacements are designed to restore proper ventilation and prevent costly oil-related issues.
Key Benefits:
- Restores optimal crankcase ventilation and pressure control.
- Prevents oil leaks and blow-by contamination.
- Improves idle stability and engine efficiency.
- Constructed from heat- and oil-resistant materials.
- Direct-fit
compatibility for classic and modern Porsche engines.
- Ideal for regular maintenance or full engine rebuilds.
These parts are engineered to deliver long-term reliability and protect your Porsche’s engine from unnecessary wear.
Highlights:
- Precision-engineered oil breather pipes for Porsche engines.
- High-quality
materials for maximum durability and heat resistance.
- Direct-fit
replacements ensuring leak-free performance.
- Improves oil system efficiency and longevity.
- Compatible with air-cooled and water-cooled Porsche models.
- Perfect for rebuilds, maintenance, or performance upgrades.