Enter your VAT number here and click Verify:
Your details have been verified. VAT number registered to:
,
.
Your order will now be zero rated for VAT purposes. We reserve the right to verify these details after your order request has been made and reinstate VAT if required.
Your VAT details were not recognised or were invalid. Your VAT number must be matched to your Billing Country as specified above. This is currently specified as . You do not need to enter the country code part of your VAT number as this has already been selected in your billing address details above.
The VAT number checking service is currently offline. Please supply your VAT details within the comments or special instructions field below and we will apply a VAT discount after placing your order request.
Dashboard Parts
- Porsche 924 2.0L 1976-79
- Porsche 924 2.0L 1980-85
- Porsche 924 Turbo 2.0L 1979-81
- Porsche 924 Turbo 2.0L 1982-84
- Porsche 924 Carrera GT 2.0L 1981
- Porsche 924 Carrera GTS 2.0L 1982
- Porsche 924S 2.5L 1986-87
- Porsche 924S 2.5L 1988
- Porsche 944 2.5L 8V 1982-87
Fits:
Porsche 924 2.0L 1976-85
Porsche 924 Turbo 2.0L 1980-84
Porsche 924 Carrera GT / GTS 2.0L 1981
Porsche 924 S 2.5L 1986-88
Please Note: This insert is intended to be used with your existing housing - no new housing is included.
Related reference numbers
Related, superseded, cross reference or alternative numbers for comparison.
477919305USB
The product you are viewing cross references to these numbers
- Porsche 911 1974-1977 2.7L / 1976-77 3.0 Carrera
- Porsche 911 1978-1983 3.0L / SC
- Porsche 911 1984-1986 3.2L
- Porsche 911 1975-1977 3.0L Turbo (930)
- Porsche 911 1978-1989 3.3L Turbo (930)
- Porsche 924 2.0L 1976-79
- Porsche 924 2.0L 1980-85
- Porsche 924 Turbo 2.0L 1979-81
- Porsche 924 Turbo 2.0L 1982-84
- Porsche 924 Carrera GT 2.0L 1981
- Porsche 924 Carrera GTS 2.0L 1982
- Porsche 944 2.5L 8V 1982-87
- Porsche 928 4.5L 1978-82
- Porsche 928S 4.7L 1981-83
- Porsche 928S2 4.7L 1984-86

Fits:
Porsche 911 1974-86
Porsche 911 (930) Turbo 1975-86
Porsche 924 1976-85
Porsche 928 1978-86
Porsche 944 1982-85
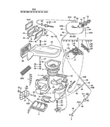
Click 'Zoom in' for large parts diagram.
Diagram ref no 10.
Related reference numbers
Related, superseded, cross reference or alternative numbers for comparison.
91161311301
The product you are viewing cross references to these numbers
- Porsche 924 2.0L 1976-79
- Porsche 924 2.0L 1980-85
- Porsche 924 Turbo 2.0L 1979-81
- Porsche 924 Turbo 2.0L 1982-84
- Porsche 924 Carrera GT 2.0L 1981
- Porsche 924 Carrera GTS 2.0L 1982
- Porsche 924S 2.5L 1986-87
- Porsche 924S 2.5L 1988
- Porsche 944 2.5L 8V 1982-87

Fits:
for LHD cars
Porsche 924 / Turbo / Carrera GT 1976-85
Porsche 924 S 1986-88
Porsche 944 1982-84
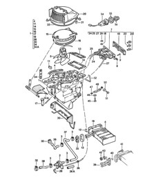
Click 'Zoom in' for large parts diagram.
Diagram ref no 11
Related reference numbers
Related, superseded, cross reference or alternative numbers for comparison.
477857123B1DB
The product you are viewing cross references to these numbers
- Porsche 924 2.0L 1976-79
- Porsche 924 2.0L 1980-85
- Porsche 924 Turbo 2.0L 1979-81
- Porsche 924 Turbo 2.0L 1982-84
- Porsche 924 Carrera GT 2.0L 1981
- Porsche 924 Carrera GTS 2.0L 1982
Sold each.

Fits:
Porsche 924 1976-85
Diagram ref no 22
Related reference numbers
Related, superseded, cross reference or alternative numbers for comparison.
477819319
The product you are viewing cross references to these numbers
- Porsche 924 2.0L 1976-79
- Porsche 924 2.0L 1980-85
- Porsche 924 Turbo 2.0L 1979-81
- Porsche 924 Turbo 2.0L 1982-84
- Porsche 924 Carrera GT 2.0L 1981
- Porsche 924 Carrera GTS 2.0L 1982
Sold each.

Fits:
Porsche 924 1976-85
Diagram ref no 23
Related reference numbers
Related, superseded, cross reference or alternative numbers for comparison.
477819319A
The product you are viewing cross references to these numbers
Porsche Dashboard Parts | Precision Components for Restoration & Repair
Dashboard parts play a crucial role in your Porsche’s interior design, functionality, and driver experience. From switches, vents, and trims to instrument housings and brackets, these components ensure your dashboard remains solid, stylish, and fully functional. Over time, dashboard parts can wear, crack, or loosen — affecting both aesthetics and usability.
At Design911, we offer high-quality dashboard parts engineered for exact fitment, performance, and finish. Our selection includes everything from dashboard panels and vent covers to switch bezels, mounts, and supporting structures — all crafted to meet or exceed original quality standards.
Whether you’re repairing a damaged dashboard or restoring a classic Porsche interior, our parts ensure precision, durability, and a perfect match to your car’s original design.
What Do Dashboard Parts Do?
Dashboard components work together to provide structure, function, and style within your Porsche’s cockpit.
Core Functions:
- Support gauges, switches, vents, and multimedia units.
- Maintain dashboard rigidity and fitment.
- Protect electrical and mechanical systems behind the fascia.
- Contribute to the overall design and tactile experience.
- Provide mounting points for interior accessories and controls.
Properly functioning dashboard parts are essential for maintaining safety, ergonomics, and the refined feel Porsche interiors are known for.
Why Do Dashboard Parts Fail or Degrade?
Even with precision engineering, dashboard parts are exposed to heat, vibration, and wear over time — leading to performance and aesthetic issues.
Common Causes of Failure Include:
- Cracking or fading from UV exposure.
- Warping due to heat or material fatigue.
- Broken clips, mounts, or retaining brackets.
- Wear and tear from regular use or vibration.
- Detachment of trim, switches, or vents.
These problems can cause rattling, misalignment, or visual deterioration, reducing comfort and devaluing the interior.
Why Replace Your Porsche Dashboard Parts?
Replacing worn or broken dashboard parts restores the integrity and appearance of your Porsche’s interior. High-quality replacements ensure precise fitment, quiet operation, and a like-new finish — essential for both restorations and modernisation projects.
Key Benefits:
A refreshed dashboard not only looks better but enhances driver satisfaction and the tactile feel of every journey.
Highlights
- Premium Porsche dashboard parts and trim components.
- Precision fitment and durable construction.
- UV- and heat-resistant materials for lasting performance.
- Designed for all Porsche models — classic and modern.
- Ideal for restorations, repairs, and upgrades.
- Maintains the authentic Porsche interior aesthetic.