Enter your VAT number here and click Verify:
Your details have been verified. VAT number registered to:
,
.
Your order will now be zero rated for VAT purposes. We reserve the right to verify these details after your order request has been made and reinstate VAT if required.
Your VAT details were not recognised or were invalid. Your VAT number must be matched to your Billing Country as specified above. This is currently specified as . You do not need to enter the country code part of your VAT number as this has already been selected in your billing address details above.
The VAT number checking service is currently offline. Please supply your VAT details within the comments or special instructions field below and we will apply a VAT discount after placing your order request.
Belts All Types
- Porsche 928S4 5.0L 1987-92
- Porsche 928GT 5.0L 1989-91
- Porsche 928GTS 5.4L 1992-95
Fits:
- Porsche 928S4 5.0L 1987-92
- Porsche 928GT 5.0L 1989-91
- Porsche 928GTS 5.4L 1992-95
Diagram ref no; 1, 9, 10
Related reference numbers
Related, superseded, cross reference or alternative numbers for comparison.
92810557104
The product you are viewing cross references to these numbers
This kit is comprised of the following items:
- Porsche 928 4.5L 1978-82
- Porsche 928S4 5.0L 1987-92
- Porsche 928GT 5.0L 1989-91
- Porsche 928GTS 5.4L 1992-95
Fits:
Porsche 928 1990-95
Car with option:
M637 Club Sport CS
M573 Air Conditioner
M639 Version GT
Related reference numbers
Related, superseded, cross reference or alternative numbers for comparison.
99919233550
The product you are viewing cross references to these numbers
- Porsche 928S4 5.0L 1987-92
- Porsche 928GT 5.0L 1989-91
- Porsche 928GTS 5.4L 1992-95
Fits:
Porsche 928 S4 / GT / GTS 1987-95
Click 'Zoom in' for large parts diagram.
Diagram ref no 11
Related reference numbers
Related, superseded, cross reference or alternative numbers for comparison.
99919230650
The product you are viewing cross references to these numbers
- Porsche 928S4 5.0L 1987-92
- Porsche 928GT 5.0L 1989-91
- Porsche 928GTS 5.4L 1992-95
Width: 13,0 mm, Length: 950,0 mm.

Fits:
Porsche 928 S4 / GT / GTS 1987-95
Click 'Zoom in' for large parts diagram.
Diagram ref no 11
Related reference numbers
Related, superseded, cross reference or alternative numbers for comparison.
99919230650
The product you are viewing cross references to these numbers
- Porsche 928S2 4.7L 1984-86
- Porsche 928S4 5.0L 1987-92
- Porsche 928GT 5.0L 1989-91
- Porsche 928GTS 5.4L 1992-95
Fits:
Porsche 928 1985-95
Cars with manual transmission only
Related reference numbers
Related, superseded, cross reference or alternative numbers for comparison.
99919226650
The product you are viewing cross references to these numbers
- Porsche 928S2 4.7L 1984-86
- Porsche 928S4 5.0L 1987-92
- Porsche 928GT 5.0L 1989-91
- Porsche 928GTS 5.4L 1992-95

Fits:
Porsche 928 1985-95
Cars with manual transmission only
Related reference numbers
Related, superseded, cross reference or alternative numbers for comparison.
99919226650
The product you are viewing cross references to these numbers
- Porsche 928S4 5.0L 1987-92
- Porsche 928GT 5.0L 1989-91
- Porsche 928GTS 5.4L 1992-95
Fits:
Porsche 928 1987-95
Automatic cars only
Related reference numbers
Related, superseded, cross reference or alternative numbers for comparison.
99919234750
The product you are viewing cross references to these numbers
- Porsche 928S4 5.0L 1987-92
- Porsche 928GT 5.0L 1989-91
- Porsche 928GTS 5.4L 1992-95

Fits:
Porsche 928 1987-95
Automatic cars only
Related reference numbers
Related, superseded, cross reference or alternative numbers for comparison.
99919234750
The product you are viewing cross references to these numbers
- Porsche 928S4 5.0L 1987-92
- Porsche 928GT 5.0L 1989-91
- Porsche 928GTS 5.4L 1992-95
Fits:
Porsche 928 1986-95
M28.41/50
Click 'Zoom in' for large parts diagram.
Diagram Ref No 10.
Related reference numbers
Related, superseded, cross reference or alternative numbers for comparison.
92810557104
The product you are viewing cross references to these numbers
- Porsche 928S4 5.0L 1987-92
- Porsche 928GT 5.0L 1989-91
- Porsche 928GTS 5.4L 1992-95
Fits:
Porsche 928 1986-95
M28.41/50
Click 'Zoom in' for large parts diagram.
Diagram Ref No 10.
Related reference numbers
Related, superseded, cross reference or alternative numbers for comparison.
92810557104
The product you are viewing cross references to these numbers
- Porsche 928S2 4.7L 1984-86
- Porsche 928S4 5.0L 1987-92
- Porsche 928GT 5.0L 1989-91
- Porsche 928GTS 5.4L 1992-95

Fits:
Porsche 928 S2 / S4 / GT / GTS 1983-95
Click 'Zoom in' for large parts diagram.
Diagram ref no 9.
Related reference numbers
Related, superseded, cross reference or alternative numbers for comparison.
92810551212
The product you are viewing cross references to these numbers
- Porsche 928S2 4.7L 1984-86
- Porsche 928S4 5.0L 1987-92
- Porsche 928GT 5.0L 1989-91
- Porsche 928GTS 5.4L 1992-95

Fits:
Porsche 928 S2 / S4 / GT / GTS 1983-95
Click 'Zoom in' for large parts diagram.
Diagram ref no 9.
Related reference numbers
Related, superseded, cross reference or alternative numbers for comparison.
92810551212
The product you are viewing cross references to these numbers
- Porsche 928S2 4.7L 1984-86
- Porsche 928S4 5.0L 1987-92
- Porsche 928GT 5.0L 1989-91
- Porsche 928GTS 5.4L 1992-95
Fits:
Porsche 928 1985-95
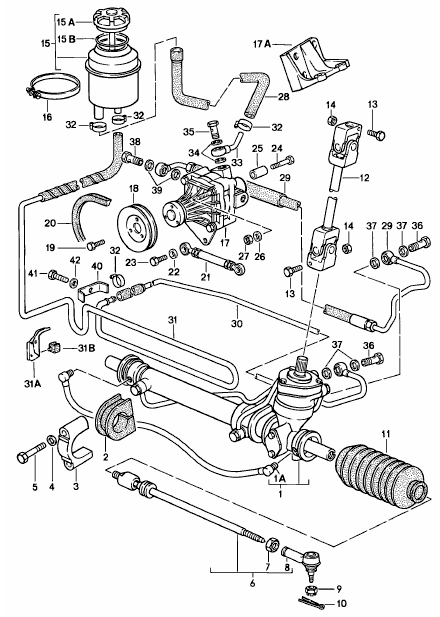
Fits cars with power steering.
Click picture for large parts diagram.
Diagram Ref No 20.
Related reference numbers
Related, superseded, cross reference or alternative numbers for comparison.
99919228650
The product you are viewing cross references to these numbers
- Porsche 928S2 4.7L 1984-86
- Porsche 928S4 5.0L 1987-92
- Porsche 928GT 5.0L 1989-91
- Porsche 928GTS 5.4L 1992-95
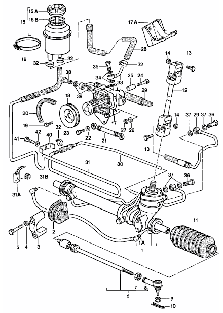
Fits:
Porsche 928 1985-95
Fits cars with power steering.
Diagram Ref No 20
Related reference numbers
Related, superseded, cross reference or alternative numbers for comparison.
99919228650
The product you are viewing cross references to these numbers
- Porsche 928S2 4.7L 1984-86
- Porsche 928S4 5.0L 1987-92
- Porsche 928GT 5.0L 1989-91
- Porsche 928GTS 5.4L 1992-95
Width: 13 mm | Length: 1000 mm

Fits:
Porsche 928 1985-95
Fits cars with power steering.
Click 'Zoom in' for large parts diagram.
Diagram Ref No 20.
Related reference numbers
Related, superseded, cross reference or alternative numbers for comparison.
99919228650
The product you are viewing cross references to these numbers
- Porsche 928S2 4.7L 1984-86
- Porsche 928S4 5.0L 1987-92
- Porsche 928GT 5.0L 1989-91
- Porsche 928GTS 5.4L 1992-95
Cam belt 219 Round Tooth.

Fits:
Porsche 928 S2/S4/GT/GTS 1983-96
Click 'Zoom in' for large parts diagram.
Diagram Ref No 1.
Related reference numbers
Related, superseded, cross reference or alternative numbers for comparison.
92810515750
The product you are viewing cross references to these numbers
Belts – all types for alternator, fan, power steering and more
At Design911, we supply a wide range of engine and accessory drive belts for Porsche models, covering alternator, cooling fan, power steering and other auxiliary systems, plus related tensioners and pulleys. Whether you are carrying out routine maintenance or refreshing a higher‑mileage engine bay, you can choose from Genuine-style and carefully selected aftermarket options to suit how you use your Porsche.
Why do Porsche belts matter?
Belts are critical to how reliably your Porsche runs from day to day. They transfer drive from the crankshaft to key ancillaries such as the alternator, power steering pump and cooling fan, and in some applications form part of the engine’s timing system. Over time, heat, mileage, contamination and simple ageing can cause cracking, glazing, stretch or noise, while bearings in tensioners and idlers can wear. Replacing tired belts and related components with correctly specified parts helps keep your Porsche dependable, avoids inconvenience from belt slip or failure and supports the long‑term health of driven accessories.
- Keep your Porsche running smoothly by maintaining drive to essential ancillaries
- Help protect engine and charging systems where correct belt drive is required
- Reduce niggles such as squealing, chirping, belt dust or visible cracking
- Support long‑term enjoyment, pride of ownership and potential resale value with evidence of proper maintenance
Common options & kits
Individual replacement parts
Specific belts, tensioners, idlers or pulleys to address a particular drive run without changing everything at once. This is ideal when you are solving a localised issue or following a service schedule item on a particular belt.
- Ideal for targeted maintenance or repairs on a single belt circuit
- Lets you replace only what is required at a given service
- Helps keep initial outlay under control while still using quality components
Matched sets or pairs
Belts and related parts supplied together so both sides of a system, or closely linked items, are renewed at the same time. This is a sensible approach where access is involved or where you want consistent age and condition across the drive.
- Consistent behaviour and wear characteristics across the drive system
- Helps avoid mixing very old and brand‑new parts on the same run
- Well suited to scheduled maintenance or preparation ahead of long trips
Complete kits
Grouped parts designed to refresh a whole belt system in one go, for example an auxiliary drive kit including belt, tensioner and idlers. These are particularly useful during engine rebuilds or when you want peace of mind that all related items have been changed together.
- Everything specified for a given belt run in a single matched package
- Saves time compared with sourcing each component individually
- Ideal when overhauling or restoring your Porsche’s engine bay
Brands available in this category
For this category we stock a wide choice of trusted brands for Porsche models. You can also browse and filter by brand on this page to focus on your preferred manufacturers.
Dayco
Dayco is a leader in the Original Equipment market and supplies many Porsche belt applications as OE or OE‑equivalent parts. Their belts are engineered to closely follow original dimensions and construction, making them a strong choice for routine servicing, higher‑mileage refreshes and rebuild projects where you want Porsche‑specific fitment backed by a global belt specialist.
Gates
Gates develops automotive and heavy‑duty drive system components with a focus on robust construction and consistent running. For Porsche models this typically includes auxiliary drive belts, tensioners and idlers, offering dependable options when you are maintaining or refreshing driven systems used in everyday and demanding conditions.
Kits / package solutions
Design911 also offers curated kit solutions that bundle compatible parts for particular Porsche applications. These can simplify ordering, reduce the chance of missing small but important items, and help ensure the components you fit are intended to work together on your specific model and engine code.
Meyle
Meyle is known for practical replacement parts, often with “HD” variants aimed at durability. While widely associated with suspension and steering, Meyle components are chosen by many Porsche workshops as a value‑conscious alternative where a robust everyday solution is required.
OE Match
OE Match focuses on parts designed to mirror original equipment specification at a sensible cost. For belt‑related components this makes OE Match a useful option when you want OEM‑equivalent fit and function while keeping ongoing running costs under control on regularly used Porsche models.
When should you review or replace your Porsche belts?
Checking belts and related components regularly helps you spot wear, damage or age‑related deterioration before it affects refinement or leads to more extensive repairs. On a Porsche, this is especially relevant as many belts are exposed to heat, fluid contamination and long service intervals.
- Existing belts show cracking, frayed edges, glazing (shiny surfaces) or visible splitting
- You notice squealing, chirping, belt dust or signs of slip, particularly on start‑up or under load
- Charging, cooling or power steering performance feels inconsistent due to possible belt issues
- You are already replacing items such as water pump, alternator or tensioner and want fresh belts at the same time
- The belts are oil or coolant contaminated, or have been in service for an extended interval
If any of these apply, it is a good time to review the belts on your Porsche and replace anything that is past its best so your car stays dependable and enjoyable to drive.
Explore belts with Design911
Browse belts of all types for Porsche at Design911 — from individual auxiliary belts and tensioners to complete drive kits — and find options to suit routine maintenance, preventative refreshes and full engine projects across a wide range of Porsche models.