Enter your VAT number here and click Verify:
Your details have been verified. VAT number registered to:
,
.
Your order will now be zero rated for VAT purposes. We reserve the right to verify these details after your order request has been made and reinstate VAT if required.
Your VAT details were not recognised or were invalid. Your VAT number must be matched to your Billing Country as specified above. This is currently specified as . You do not need to enter the country code part of your VAT number as this has already been selected in your billing address details above.
The VAT number checking service is currently offline. Please supply your VAT details within the comments or special instructions field below and we will apply a VAT discount after placing your order request.
.
- Porsche 964 (911) C2 1989-93
- Porsche 964 (911) C4 1989-93
- Porsche 964 (911) TURBO 3.3L 1991-93
- Porsche 964 (911) TURBO 3.6L 1991-93
Fits REAR Calipers.
Geniune Porsche product.
Fits:
Porsche 964 Turbo
Porsche 964 Turbo-Look C2/C4
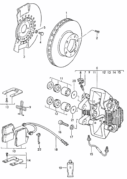
Diagram ref No 12.
Related reference numbers
Related, superseded, cross reference or alternative numbers for comparison.
90008214501
The product you are viewing cross references to these numbers
- Porsche 964 (911) C2 1989-93
- Porsche 964 (911) C4 1989-93
Fits front Calipers.
Geniune Porsche product.
Fits:
Porsche 964 C2 / C4 1989-94
Porsche 964 Turbo-Look 4
Click 'Zoom in' for large parts diagram.
Diagram ref No 16.
This product supersedes Porsche's old part numbers:
- N0101372
Related reference numbers
Related, superseded, cross reference or alternative numbers for comparison.
90008307301
The product you are viewing cross references to these numbers
- Porsche Boxster 986 2.5L 1997-99
- Porsche Boxster 986 2.7L 1999-02
- Porsche Boxster S 986 3.2L 1999-02
- Porsche Boxster 986 2.7L 2003-04
- Porsche Boxster S 986 3.2L 2003-04
- Porsche Boxster 987 2.7L 2005 -08/08
- Porsche Boxster 987 S 3.2/3.4L 2005-08/08
- Porsche 911 1965-1968 2.0L / 912 SWB (F)
- Porsche 911 1968-1973 2.2L / 2.4L / 2.7L RS LWB (F)
- Porsche 911 1974-1977 2.7L / 1976-77 3.0 Carrera
- Porsche 911 1978-1983 3.0L / SC
- Porsche 911 1984-1986 3.2L
- Porsche 911 1987-1989 3.2L G50
- Porsche 911 1975-1977 3.0L Turbo (930)
- Porsche 911 1978-1989 3.3L Turbo (930)
- Porsche 964 (911) C2 1989-93
- Porsche 964 (911) C4 1989-93
- Porsche 964 (911) RS 3.6L 1991-93
- Porsche 964 (911) RS 3.8L 1991-93
- Porsche 964 (911) TURBO 3.3L 1991-93
- Porsche 964 (911) TURBO 3.6L 1991-93
- Porsche 993 (911) C2 1994-97
- Porsche 993 (911) C4 1994-97
- Porsche 993 (911) RS 1994-97
- Porsche 993 (911) C2S 1994-97
- Porsche 993 (911) C4S 1994-97
- Porsche 993 (911) TURBO 1994-96
- Porsche 993 (911) GT2 1994-97
- Porsche 993 (911) TURBO S 1994-97
- Porsche 996 C2 3.4L 1997-08/01
- Porsche 996 C4 3.4L 1997-08/01
- Porsche 996 C2 3.6L 09/01-2005
- Porsche 996 C4 3.6L 09/01-2005
- Porsche 996 C4S 3.6L 09/01-2005
- Porsche 996 TURBO 2000-05
- Porsche 996 GT2 2001-05
- Porsche 996 GT3 MKI 1999-02
- Porsche 996 GT3 MKII 2003>>
- Porsche 996 GT3 RS 2003-04
- Porsche 997 MK1 Carrera 2 3.6L 2005-08
- Porsche 997 MK1 Carrera 2S 3.8L 2005-08
- Porsche 997 MK1 Carrera 4 3.6L 2005-08
- Porsche 997 MK1 Carrera 4S 3.8L 2005-08
- Porsche 997 MK1 TURBO 2007-09
- Porsche 997 MK1 GT3 2007-09
- Porsche 997 MK1 GT2 2007-09
- Porsche Cayman 2.7L 987C 2006-08
- Porsche Cayman S 3.4L 987C 2005-08
- Porsche 944 2.5L 8V 1982-87
- Porsche 944 2.7L 8V 1988-89
- Porsche 944S 2.5L 16V 1987-88
- Porsche 944S2 3.0L 16V 1989-91
- Porsche 944 Turbo 2.5L 8V 1985-88
- Porsche 944 Turbo 2.5L 8V 1989-91
- Porsche 944 Turbo S 2.5L 8V 1988
2 x Brake disc screws are required per disc.

Fits:
Porsche 911
Porsche 924S
Porsche 944
Porsche 964
Porsche 993
Porsche 996
Porsche 997
Porsche Boxster 986
Porsche Boxster 987
Porsche Cayman
- Porsche Boxster 986 2.5L 1997-99
- Porsche Boxster 986 2.7L 1999-02
- Porsche Boxster S 986 3.2L 1999-02
- Porsche Boxster 986 2.7L 2003-04
- Porsche Boxster S 986 3.2L 2003-04
- Porsche Boxster 987 2.7L 2005 -08/08
- Porsche Boxster 987 S 3.2/3.4L 2005-08/08
- Porsche 911 1965-1968 2.0L / 912 SWB (F)
- Porsche 911 1968-1973 2.2L / 2.4L / 2.7L RS LWB (F)
- Porsche 911 1974-1977 2.7L / 1976-77 3.0 Carrera
- Porsche 911 1978-1983 3.0L / SC
- Porsche 911 1984-1986 3.2L
- Porsche 911 1987-1989 3.2L G50
- Porsche 911 1975-1977 3.0L Turbo (930)
- Porsche 911 1978-1989 3.3L Turbo (930)
- Porsche 964 (911) C2 1989-93
- Porsche 964 (911) C4 1989-93
- Porsche 964 (911) RS 3.6L 1991-93
- Porsche 964 (911) RS 3.8L 1991-93
- Porsche 964 (911) TURBO 3.3L 1991-93
- Porsche 964 (911) TURBO 3.6L 1991-93
- Porsche 993 (911) C2 1994-97
- Porsche 993 (911) C4 1994-97
- Porsche 993 (911) RS 1994-97
- Porsche 993 (911) C2S 1994-97
- Porsche 993 (911) C4S 1994-97
- Porsche 993 (911) TURBO 1994-96
- Porsche 993 (911) GT2 1994-97
- Porsche 993 (911) TURBO S 1994-97
- Porsche 996 C2 3.4L 1997-08/01
- Porsche 996 C4 3.4L 1997-08/01
- Porsche 996 C2 3.6L 09/01-2005
- Porsche 996 C4 3.6L 09/01-2005
- Porsche 996 C4S 3.6L 09/01-2005
- Porsche 996 TURBO 2000-05
- Porsche 996 GT2 2001-05
- Porsche 996 GT3 MKI 1999-02
- Porsche 996 GT3 MKII 2003>>
- Porsche 996 GT3 RS 2003-04
- Porsche 997 MK1 Carrera 2 3.6L 2005-08
- Porsche 997 MK1 Carrera 2S 3.8L 2005-08
- Porsche 997 MK1 Carrera 4 3.6L 2005-08
- Porsche 997 MK1 Carrera 4S 3.8L 2005-08
- Porsche 997 MK1 TURBO 2007-09
- Porsche 997 MK1 GT3 2007-09
- Porsche 997 MK1 GT2 2007-09
- Porsche Cayman 2.7L 987C 2006-08
- Porsche Cayman S 3.4L 987C 2005-08
- Porsche 944 2.5L 8V 1982-87
- Porsche 944 2.7L 8V 1988-89
- Porsche 944S 2.5L 16V 1987-88
- Porsche 944S2 3.0L 16V 1989-91
- Porsche 944 Turbo 2.5L 8V 1985-88
- Porsche 944 Turbo 2.5L 8V 1989-91
- Porsche 944 Turbo S 2.5L 8V 1988
2 x Brake disc screws are required per disc/5mm spacer.

Fits:
Porsche 911
Porsche 924S
Porsche 944
Porsche 964
Porsche 993
Porsche 996
Porsche 997
Porsche Boxster 986
Porsche Boxster 987
Porsche Cayman

For brake systems and is highly temperature-resistant (up to 1,000°C).
Available in 75ml tube and 5ml sachet
The advantages of Cera Tec:
• Non-conductive and contains no solids
• Suitable for ABS
• Facilitates brake installation
• Reduces brake squealing
• Protects against scoring and corrosion
• Free of copper and acids
• Pressure-resistant / high viscosity
Cera Tec is also suitable for lubricating:• Disc- and drum-brake systems
• Compressors
• Centralised lubrication systems
• Axle bearings
• Chains
• Seat rails
• Sunroof tracks
• Battery terminals
Application:
Apply a thin layer of Cera Tec on the marked sections
Find out about Textar product verification here
Hydra tec lubricant for maintenance work and protection Textar
Available in 75ml Tube or 5ml Sachet
The Advantages of Hydra Tec:
- Facilitates the installation of hydraulic brake components
- Tested compatibility with commercially available braking fluids (DOT3, DOT4, DOT4LV, DOT5.1)
- Free of mineral oils and compatible with EPDM rubber
- In addition, running surfaces are protected against corrosion
Hydra Tec is suitable for lubricating:
- Cylinder running surfaces
- Pistons
- Sealing elements
Application:
Apply a thin layer of Hydra Tec on the marked sections.
Note:
Hydra Tec should be applied thinly and evenly.
Never use mineral oils or greases as substitutes.
Do not apply the product on friction surfaces of brake pads or brake discs.
Find out about Textar product verification here
-
central tube 964 1989-94 301-15
-
disc brake front axle 964 CARRERA 2 1990-94 602-00
-
disc brake front axle 964 CARRERA 4 and TURBO-LOOK CARRERA 4 1989-94 602-01
-
disc brake front axle 964 TURBO, TURBO 3,6, TURBO-LOOK CARRERA 2 and CARRERA RS 1989-94 602-05
-
disc brake rear axle 964 CARRERA 4 and TURBO-LOOK CARRERA 4 1989 ONWARDS 603-00
-
disc brake rear axle 964 CARRERA 2 and TURBO-LOOK CARRERA 2 1992 ONWARDS 603-01
-
disc brake rear axle 964 TURBO, TURBO 3,6 and CARRERA RS 1989-94 603-03
-
disc brake rear axle 964 CARRERA 2 1989-94 603-05
Porsche Caliper Bolts & Disc Screws | Design911 Precision Fasteners for Secure, Reliable Braking Performance
Caliper bolts and disc screws are small but vital components of your Porsche’s braking system, ensuring your brake calipers and discs are mounted securely for safe, consistent performance. These fasteners maintain the correct torque and alignment under extreme temperatures and vibration. Over time, they can corrode, stretch, or lose tension — compromising braking safety and component integrity. Replacing them during brake servicing or restoration is essential for long-term reliability and precise fitment.
At Design911, we supply a wide range of caliper bolts and brake disc screws, crafted from high-tensile steel and corrosion-resistant alloys. Each component is engineered for exact fitment, durability, and consistent torque application. Ideal for servicing, upgrades, or full restorations, our fasteners ensure your Porsche’s braking system remains safe, precise, and true to its performance heritage.
What Do Caliper Bolts & Disc Screws Do?
Caliper bolts and disc screws secure the main braking components to the hub and suspension system, ensuring stability and proper braking alignment.
Core Functions:
• Fasten brake calipers to their mounting brackets.
• Secure brake discs (rotors) to wheel hubs.
• Maintain proper alignment under braking load.
• Prevent component movement, vibration, or uneven wear.
• Support safety and consistency under high heat and pressure.
These precision-engineered fasteners are key to the structural integrity of your Porsche’s braking system, maintaining consistent performance and driver confidence.
Why Do Caliper Bolts & Disc Screws Fail or Degrade?
Given their exposure to heat, moisture, and torque stress, caliper bolts and disc screws naturally experience wear and fatigue over time.
Common Causes of Failure Include:
• Corrosion or rust from moisture and road salt exposure.
• Thread wear or stretching from repeated tightening.
• Heat fatigue caused by intense braking cycles.
• Seized bolts from oxidation or incorrect torque application.
• Sheared or stripped heads during maintenance.
When fasteners degrade, they can loosen or fail — leading to brake vibration, noise, or unsafe component movement. Replacing them ensures reliability and safety under all driving conditions.
Why Replace or Upgrade Your Porsche Caliper Bolts & Disc Screws?
Replacing worn or corroded fasteners restores secure mounting and structural stability across your braking system. Design911’s precision-grade replacements are designed to meet Porsche specifications for torque and material strength, ensuring long-lasting performance.
Key Benefits:
• Restores secure and stable brake mounting.
• Prevents vibration, movement, or component wear.
• Resistant to corrosion, heat, and mechanical stress.
• Manufactured from high-tensile, treated steel or alloy.
• Direct-fit design for all Porsche applications.
• Ideal for servicing, upgrades, or restoration projects.
Design911’s Porsche caliper bolts and disc screws provide the strength, precision, and durability required for every braking system — ensuring your Porsche remains safe, responsive, and road-ready.
Highlights
• Premium Porsche caliper bolts and brake disc screws.
• High-strength steel construction with anti-corrosion coating.
• Designed for secure, vibration-free brake mounting.
• Essential for brake servicing, restoration, or upgrades.
• Fits a wide range of Porsche classic and modern models.
• Engineered for long-lasting strength and reliability.