Clutch Hoses & Lines
- Porsche 964 (911) C2 1989-93
- Porsche 964 (911) C4 1989-93
- Porsche 964 (911) RS 3.6L 1991-93
- Porsche 964 (911) RS 3.8L 1991-93
- Porsche 964 (911) TURBO 3.3L 1991-93
- Porsche 964 (911) TURBO 3.6L 1991-93
- Porsche 993 (911) C2 1994-97
- Porsche 993 (911) C4 1994-97
- Porsche 993 (911) RS 1994-97
- Porsche 993 (911) C2S 1994-97
- Porsche 993 (911) C4S 1994-97
- Porsche 993 (911) TURBO 1994-96
- Porsche 993 (911) GT2 1994-97
- Porsche 993 (911) TURBO S 1994-97
Fits:
Porsche 964 1989-94 RHD Cars
Porsche 993 1995-98 RHD Cars
Click 'Zoom in' for large parts diagram.
Diagram ref no 12
Related reference numbers
Related, superseded, cross reference or alternative numbers for comparison.
96442311001
The product you are viewing cross references to these numbers
Shop Securely
12 Month Warranty
Worldwide Delivery
- Porsche 964 (911) C2 1989-93
- Porsche 964 (911) C4 1989-93
Fits:
Porsche 964 Carrera 2/4 1989-94 LHD vehicles
Click 'Zoom in' for large parts diagram.
Diagram ref no 12
Related reference numbers
Related, superseded, cross reference or alternative numbers for comparison.
96442310903
The product you are viewing cross references to these numbers
Shop Securely
12 Month Warranty
Worldwide Delivery
- Porsche 964 (911) C4 1989-93
Fits:
Porsche 964 C4 1989-94 only with M339
Diagram ref no 12
Related reference numbers
Related, superseded, cross reference or alternative numbers for comparison.
96431534302
The product you are viewing cross references to these numbers
Shop Securely
12 Month Warranty
Worldwide Delivery
- Porsche 964 (911) C2 1989-93
- Porsche 964 (911) C4 1989-93
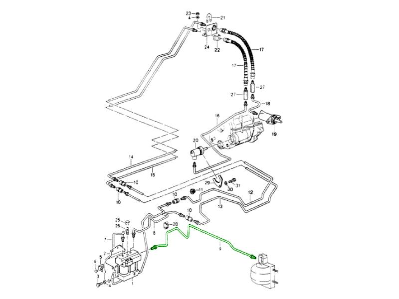
The Porsche Pressure Line Between Control Valve and Pressure Accumulator is a genuine OEM hydraulic line designed to ensure proper operation of your differential lock system. This high-pressure line connects the control valve to the pressure accumulator, transferring hydraulic fluid securely and reliably under load.
Fits:
- Porsche 964 (911) C2 1989-93 (5-Speed Gearbox)
- Porsche 964 (911) C4 1989-93 (5-Speed Gearbox)
What This Product Does:
The pressure line is part of the hydraulic system for the locking differential in Porsche models. It connects the control valve to the pressure accumulator, ensuring that hydraulic pressure is properly stored and delivered to the system when needed.
Functions:
- Transfers hydraulic pressure between the control valve and pressure accumulator.
- Maintains reliable operation of the differential lock system.
- Ensures smooth engagement and disengagement of the diff lock under load.
- Designed to withstand high hydraulic pressures without leakage or deformation.
Symptoms Of A Faulty Pressure Line:
- Differential lock not engaging or releasing correctly.
- Hydraulic fluid leaks near the accumulator or valve.
- Warning lights or fault codes related to the diff lock system.
- Reduced traction when the lock fails to operate.
- Visible wear or damage on the line itself.
This pressure line is a high-pressure hydraulic component—if it fails, the differential lock system won’t function correctly, reducing performance and safety. Replacing it with a genuine OEM Porsche line ensures:
- Leak-free and reliable hydraulic pressure transfer.
- Correct fitment within the diff lock hydraulic system.
- Restored function of the accumulator and control valve connection.
- Long-term reliability under demanding driving conditions.
Diagram Ref No 9
Related reference numbers
Related, superseded, cross reference or alternative numbers for comparison.
96431530151
The product you are viewing cross references to these numbers
Shop Securely
12 Month Warranty
Worldwide Delivery
- Porsche 964 (911) C2 1989-93
- Porsche 964 (911) C4 1989-93
- Porsche 964 (911) RS 3.6L 1991-93

Fits:
Porsche 964 3.6L Carrera 1989-94 (G64.00 / G64.01 / G64.02)
Click 'Zoom in' for large parts diagram.
Diagram ref no 13
Related reference numbers
Related, superseded, cross reference or alternative numbers for comparison.
96431534455
The product you are viewing cross references to these numbers
Shop Securely
12 Month Warranty
Worldwide Delivery