Enter your VAT number here and click Verify:
Your details have been verified. VAT number registered to:
,
.
Your order will now be zero rated for VAT purposes. We reserve the right to verify these details after your order request has been made and reinstate VAT if required.
Your VAT details were not recognised or were invalid. Your VAT number must be matched to your Billing Country as specified above. This is currently specified as . You do not need to enter the country code part of your VAT number as this has already been selected in your billing address details above.
The VAT number checking service is currently offline. Please supply your VAT details within the comments or special instructions field below and we will apply a VAT discount after placing your order request.
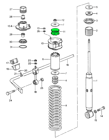
Shock Absorber Parts REAR
- Porsche 964 (911) C2 1989-93
- Porsche 964 (911) C4 1989-93
- Porsche 964 (911) TURBO 3.3L 1991-93
- Porsche 964 (911) TURBO 3.6L 1991-93


Porsche 964 1991>> (not Carrera RS)
Click 'Zoom in' for large parts diagram.
Diagram ref no 10
Related reference numbers
Related, superseded, cross reference or alternative numbers for comparison.
96433305900
The product you are viewing cross references to these numbers
- Porsche 964 (911) C2 1989-93
- Porsche 964 (911) C4 1989-93
- Porsche 964 (911) TURBO 3.3L 1991-93
- Porsche 964 (911) TURBO 3.6L 1991-93
This mount is designed to provide correct bearing support, mounting geometry, and durable rubber/metal construction for the rear suspension strut assembly. According to parts listings, it fits the rear upper shock mount position.

Porsche 964 1991>> (not Carrera RS)
Diagram ref no 10
• Direct-fit replacement matching OEM dimensions and mounting points.
• Built for the load and motion characteristics of the rear suspension—ensuring accurate alignment and ride stability.
• Application: Rear suspension mount, strut/upper shock mount, Porsche 964 models.
The rear strut mount is subjected to road loads, suspension articulation, vibrations and bearing wear. When the mount becomes worn or the bearing fails, you may experience clunking, excessive movement, misalignment of the rear suspension, or compromised ride quality. Replacing this mount restores proper mounting integrity, correct wheel alignment and helps maintain the factory ride & handling characteristics.
Related reference numbers
Related, superseded, cross reference or alternative numbers for comparison.
96433305900
The product you are viewing cross references to these numbers
- Porsche 964 (911) C2 1989-93
- Porsche 964 (911) C4 1989-93
Fits:
Porsche 964 >>1990
Click 'Zoom in' for large parts diagram.
Diagram ref no 10
Related reference numbers
Related, superseded, cross reference or alternative numbers for comparison.
96433306404
The product you are viewing cross references to these numbers
- Porsche 964 (911) C2 1989-93
- Porsche 964 (911) C4 1989-93
Fits:
Porsche 964 >>1990
Click 'Zoom in' for large parts diagram.
Diagram ref no 10
Related reference numbers
Related, superseded, cross reference or alternative numbers for comparison.
96433306404
The product you are viewing cross references to these numbers
- Porsche 964 (911) C2 1989-93
- Porsche 964 (911) C4 1989-93
REAR
Fits:
Porsche 964 >>1990
Click 'Zoom in' for large parts diagram.
Diagram ref no 4.
Related reference numbers
Related, superseded, cross reference or alternative numbers for comparison.
92833355100
The product you are viewing cross references to these numbers
- Porsche 964 (911) C2 1989-93
- Porsche 964 (911) C4 1989-93
- Porsche 964 (911) RS 3.6L 1991-93
- Porsche 964 (911) RS 3.8L 1991-93
- Porsche 964 (911) TURBO 3.3L 1991-93
- Porsche 964 (911) TURBO 3.6L 1991-93
Rear
Fits:
Porsche 964 1989-94
Click 'Zoom in' for large parts diagram.
Diagram ref no 2.
Related reference numbers
Related, superseded, cross reference or alternative numbers for comparison.
96433351100
The product you are viewing cross references to these numbers
- Porsche 964 (911) C2 1989-93
- Porsche 964 (911) C4 1989-93
- Porsche 964 (911) RS 3.6L 1991-93
- Porsche 964 (911) RS 3.8L 1991-93
- Porsche 964 (911) TURBO 3.3L 1991-93
- Porsche 964 (911) TURBO 3.6L 1991-93
Rear
Fits:
Porsche 964 1989-94
Click 'Zoom in' for large parts diagram.
Diagram ref no 2.
Related reference numbers
Related, superseded, cross reference or alternative numbers for comparison.
96433351100
The product you are viewing cross references to these numbers
- Porsche 964 (911) C2 1989-93
- Porsche 964 (911) C4 1989-93
Fits:
Porsche 964 >>1990
Click 'Zoom in' for large parts diagram.
Diagram ref no 11
Related reference numbers
Related, superseded, cross reference or alternative numbers for comparison.
96433306903
The product you are viewing cross references to these numbers
- Porsche 964 (911) C2 1989-93
- Porsche 964 (911) C4 1989-93
- Porsche 964 (911) RS 3.6L 1991-93
- Porsche 964 (911) RS 3.8L 1991-93
- Porsche 964 (911) TURBO 3.3L 1991-93
- Porsche 964 (911) TURBO 3.6L 1991-93
Fits:
Porsche 964 1991>>
Click 'Zoom in' for large parts diagram.
Diagram ref no 5
Related reference numbers
Related, superseded, cross reference or alternative numbers for comparison.
96433310700
The product you are viewing cross references to these numbers
- Porsche 964 (911) C2 1989-93
- Porsche 964 (911) C4 1989-93
- Porsche 964 (911) RS 3.6L 1991-93
- Porsche 964 (911) RS 3.8L 1991-93
- Porsche 964 (911) TURBO 3.3L 1991-93
- Porsche 964 (911) TURBO 3.6L 1991-93
- Porsche 993 (911) C2 1994-97
- Porsche 993 (911) C4 1994-97
- Porsche 993 (911) RS 1994-97
- Porsche 993 (911) C2S 1994-97
- Porsche 993 (911) C4S 1994-97
- Porsche 993 (911) TURBO 1994-96
- Porsche 993 (911) GT2 1994-97
- Porsche 993 (911) TURBO S 1994-97

With certain applications using our 964/993 Adjustable Camber Plates (SR033/34) or Rear Shock Monoball Mounts (SR035/36) you may need to adapt the top of the spring (62mm ID) using our 964/993 Spring Top Hats.
Available with either a 12mm or 14mm through hole.
Sold as a set of two.
Porsche Shock Absorber Parts REAR
Keep the rear of your Porsche composed and refined with quality rear shock absorber parts from Design911. Our range includes rear top mounts, bump stops, dust covers and fitting hardware to support correct damper operation, reduce noise and harsh impacts, and help prevent premature shock wear. Whether you are fitting new rear dampers, refreshing a tired suspension or solving rear knocking noises, we supply parts for classic and modern Porsche models to help restore a secure, confidence-inspiring ride.