Enter your VAT number here and click Verify:
Your details have been verified. VAT number registered to:
,
.
Your order will now be zero rated for VAT purposes. We reserve the right to verify these details after your order request has been made and reinstate VAT if required.
Your VAT details were not recognised or were invalid. Your VAT number must be matched to your Billing Country as specified above. This is currently specified as . You do not need to enter the country code part of your VAT number as this has already been selected in your billing address details above.
The VAT number checking service is currently offline. Please supply your VAT details within the comments or special instructions field below and we will apply a VAT discount after placing your order request.
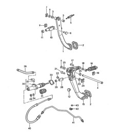
Brake Pedal & Parts
- Porsche 911 1978-1983 3.0L / SC
- Porsche 911 1984-1986 3.2L
- Porsche 911 1987-1989 3.2L G50
- Porsche 911 1975-1977 3.0L Turbo (930)
- Porsche 911 1978-1989 3.3L Turbo (930)
- Porsche 944S2 3.0L 16V 1989-91
- Porsche 944 Turbo 2.5L 8V 1989-91
- Porsche 968 3.0L 1992-94
- Porsche 968 Sport 3.0L 1994-95
- Porsche 968 CS 3.0L 1993-95
- Porsche 968 Turbo S 3.0L 1993-94

Fits:
LHD cars only
Porsche 911 1978-89
Porsche 930 Turbo 1975-88
Porsche 968 1992-95
Porsche 944 1989-91
Click 'Zoom in' for large parts diagram.
Diagram ref no (for 911) or 9 (for 968 / 944)
Related reference numbers
Related, superseded, cross reference or alternative numbers for comparison.
9990210010H
The product you are viewing cross references to these numbers
- Porsche 924S 2.5L 1986-87
- Porsche 924S 2.5L 1988
- Porsche 944 2.5L 8V 1982-87
- Porsche 944 2.7L 8V 1988-89
- Porsche 944S 2.5L 16V 1987-88
- Porsche 944S2 3.0L 16V 1989-91
- Porsche 944 Turbo 2.5L 8V 1985-88
- Porsche 944 Turbo 2.5L 8V 1989-91
- Porsche 944 Turbo S 2.5L 8V 1988
- Porsche 968 3.0L 1992-94
- Porsche 968 Sport 3.0L 1994-95
- Porsche 968 CS 3.0L 1993-95
- Porsche 968 Turbo S 3.0L 1993-94
Replacement rubber pedal cover for RHD or LHD Cars.

Fits:
1986>> ON WARDS
Porsche 924S 1986-88 Manual
Porsche 944 1985-91 Manual
Porsche 986 1992-95 Manual
Click 'zoom in' for large parts diagram.
Diagram ref no 3.
Related reference numbers
Related, superseded, cross reference or alternative numbers for comparison.
321721173
The product you are viewing cross references to these numbers
Porsche Brake Pedal & Parts | Design911 Performance Brake Components for Precision Control
The brake pedal is one of the most critical components in any Porsche, directly linking the driver’s input to the vehicle’s braking system. Whether used on the road, track, or rally stage, a responsive brake pedal ensures safety, confidence, and control under all driving conditions. For performance-tuned or classic Porsche models, maintaining precise pedal feel is essential to achieving balanced braking performance.
At Design911, we offer an extensive range of brake pedals, pedal assemblies, brackets, sensors, and return springs, all crafted from high-strength materials for durability and precision. Designed for accurate fitment and enhanced control, our brake pedal components deliver consistent feedback, smooth operation, and long-term reliability. Perfect for performance upgrades, race preparation, or restorations, these parts ensure your Porsche stops as well as it goes.
What Does the Brake Pedal Do?
The brake pedal converts driver pressure into hydraulic or electronic braking force, transmitting that input through the master cylinder or brake sensors to the braking system.
Core Functions:
• Controls hydraulic pressure to all brake calipers for even stopping power.
• Provides accurate pedal travel and resistance for confident braking.
• Supports consistent brake modulation and feedback under heavy load.
• Links to brake switches and sensors for electronic stability systems.
• Ensures quick return and reliable feel during repeated braking.
A properly engineered and maintained brake pedal system guarantees predictable stopping performance and maximises driver control, especially in high-speed or track environments.
Why Do Brake Pedals & Components Fail?
Over time, brake pedals and related components can deteriorate due to wear, corrosion, or heat stress — particularly in performance driving conditions.
Common Causes of Failure Include:
• Excessive wear on pedal pivots or bushings causing loose movement.
• Corrosion or fatigue in metal components from brake fluid or moisture.
• Damaged or stretched return springs reducing pedal response.
• Malfunctioning brake light switches or pedal sensors.
• Deformation or cracks from sustained pressure or heat.
When these issues occur, braking precision and safety are compromised — making timely replacement or upgrade vital for reliable performance.
Why Replace or Upgrade Your Porsche Brake Pedal?
Replacing worn or outdated brake pedal components restores braking accuracy, responsiveness, and driver confidence. Upgrading to precision-engineered parts can also improve modulation and durability in performance driving.
Key Benefits:
• Restores consistent pedal feel and brake response.
• Improves safety and control under heavy braking.
• Prevents sticking, noise, and vibration.
• Enhanced materials resist corrosion and fatigue.
• Direct-fit compatibility for Porsche 911, Boxster, Cayman, Panamera, and
Cayenne.
• Ideal for restorations, race setups, and performance upgrades.
Design911’s Porsche brake pedal range combines motorsport-level precision with long-lasting reliability, ensuring optimal braking control for every Porsche driver.
Highlights
• Premium Porsche brake pedals and pedal hardware.
• Precision-engineered from high-strength steel and aluminium.
• Enhanced resistance to wear, flex, and corrosion.
• Restores braking balance and driver feedback.
• Suitable for classic and modern Porsche models.
• Perfect for performance tuning, motorsport, or restoration projects.