Enter your VAT number here and click Verify:
Your details have been verified. VAT number registered to:
,
.
Your order will now be zero rated for VAT purposes. We reserve the right to verify these details after your order request has been made and reinstate VAT if required.
Your VAT details were not recognised or were invalid. Your VAT number must be matched to your Billing Country as specified above. This is currently specified as . You do not need to enter the country code part of your VAT number as this has already been selected in your billing address details above.
The VAT number checking service is currently offline. Please supply your VAT details within the comments or special instructions field below and we will apply a VAT discount after placing your order request.
Power Steering Belt & Parts
- Porsche 944S 2.5L 16V 1987-88
- Porsche 944S2 3.0L 16V 1989-91
- Porsche 968 3.0L 1992-94
- Porsche 968 Sport 3.0L 1994-95
- Porsche 968 CS 3.0L 1993-95
- Porsche 968 Turbo S 3.0L 1993-94
Fits:
Porsche 924S 1986-88
Porsche 944 1982-91 all models
Porsche 968 1992-95 all models
Fits cars with power steering.
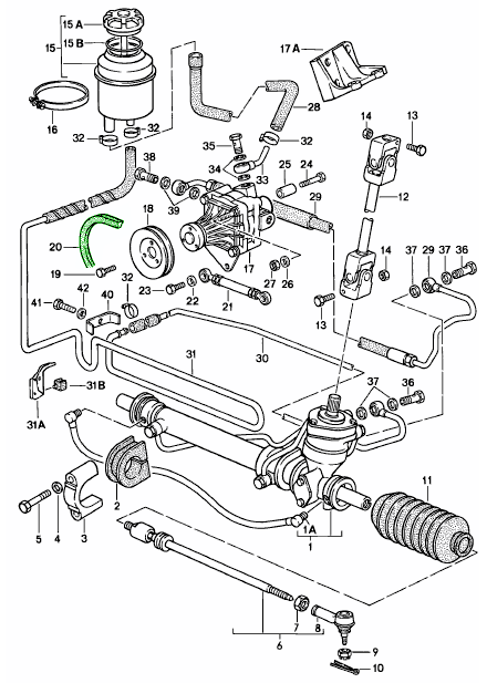
Click 'Zoom in' for large parts diagram.
Diagram Ref No 20.
Related reference numbers
Related, superseded, cross reference or alternative numbers for comparison.
99919223650
The product you are viewing cross references to these numbers
- Porsche 944S 2.5L 16V 1987-88
- Porsche 944S2 3.0L 16V 1989-91
- Porsche 968 3.0L 1992-94
- Porsche 968 Sport 3.0L 1994-95
- Porsche 968 CS 3.0L 1993-95
- Porsche 968 Turbo S 3.0L 1993-94

Fits:
Porsche 924S 1986-88
Porsche 944 1982-91 all models
Porsche 968 1992-95 all models
Fits cars with power steering.
Click 'Zoom in' for large parts diagram.
Diagram Ref No 20.
Related reference numbers
Related, superseded, cross reference or alternative numbers for comparison.
99919223650
The product you are viewing cross references to these numbers
Porsche Power Steering Belt & Parts
At Design911, we supply a wide range of power steering belts and associated parts for Porsche models, helping you maintain smooth, consistent steering assistance and long-term reliability.
Why do Porsche Power Steering Belt & Parts matter?
Power steering belts and related components are critical to how your Porsche’s steering feels in everyday use. Over time belts can glaze, stretch, crack or slip, while pulleys and tensioners can wear, leading to heavier steering, noise and inconsistent assistance. Replacing tired or damaged parts helps your Porsche feel better cared for and can prevent small niggles turning into larger jobs later on.
- Keep your Porsche looking smart rather than tired or neglected
- Help protect the surrounding area from dirt and corrosion where relevant
- Reduce minor niggles such as looseness, rattles or mismatched parts
- Support long-term enjoyment, pride of ownership and potential resale value
Common options & kits
Individual replacement parts
Specific items to address a particular area or issue without changing everything at once.
- Ideal for targeted repairs
- Lets you replace only what is needed
- Helps keep initial costs under control
Matched sets or pairs
Components supplied together so both sides or related items are renewed at the same time.
- Consistent feel and performance
- Helps avoid uneven wear or behaviour
- A sensible choice for routine maintenance
Complete kits
Grouped parts designed to refresh a whole system or area in one go, useful for upgrades and restorations.
- Everything specified in a single package
- Saves time compared with sourcing parts individually
- Ideal when upgrading or restoring your Porsche
Brands & quality options
At Design911, we stock genuine Porsche parts where available, plus OEM-equivalent and carefully selected aftermarket brands. This lets you choose between keeping things original, adding subtle upgrades or managing budgets on everyday maintenance.
Dayco
Dayco is a leader in the Original Equipment Market, supplying high quality belt drive components designed to meet or exceed Porsche OE standards for fit and function.
Febi
Febi offers a broad range of Porsche steering and drive components as an alternative to dealer parts, focusing on dependable quality suitable for everyday workshop use.
Gates
Gates manufactures belt and drive system components widely used in workshops, providing reliable fitment options for many Porsche applications.
Meyle
MEYLE parts are found in Porsche workshops around the world, offering robust, workshop-friendly components aimed at long service life in real-world use.
OE Match
OE Match provides a wide range of Porsche-compatible components across many model generations, with a strong focus on correct application coverage and fitment detail.
When should you review or replace your Porsche power steering belt & parts?
Checking power steering belts and parts regularly helps you spot wear, damage or age-related deterioration before it affects comfort, refinement or leads to more expensive repairs later on.
- Existing parts are worn, cracked, noisy, slipping, frayed or contaminated with oil
- You notice heavier steering, intermittent assistance or squealing from the belt area
- You have had related work carried out and want everything to look and feel consistent
- You want the car to feel smarter and better cared for in daily use or before resale
If any of these apply, it is a good time to review your power steering belt & parts and replace anything that is past its best, so your Porsche stays dependable and enjoyable to drive.
Explore Porsche power steering belt & parts with Design911
Browse power steering belts and associated parts for Porsche at Design911 — from individual belts and pulleys to complete kits — and find options to suit everyday maintenance, upgrades and full projects.