Oil Level Dipstick
- Porsche 996 C2 3.6L 09/01-2005
- Porsche 996 C4 3.6L 09/01-2005
- Porsche 996 C4S 3.6L 09/01-2005
Fits:
Porsche 996 3.6L C2 / C4 / C4S 2002-05
with chassis M >> 662 11795
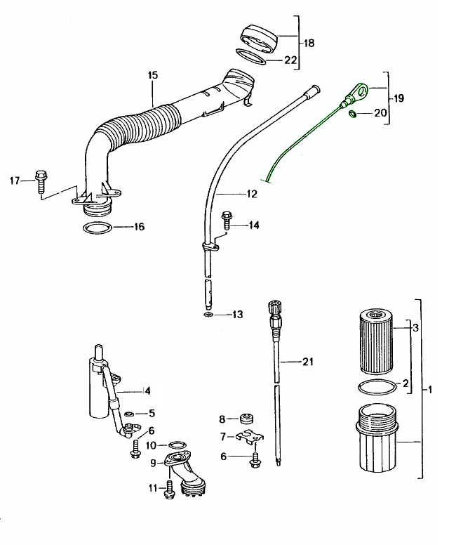
Click 'Zoom in' for large parts diagram.
Diagram ref no 19
Related reference numbers
Related, superseded, cross reference or alternative numbers for comparison.
99610701454
The product you are viewing cross references to these numbers
Shop Securely
12 Month Warranty
Worldwide Delivery