Enter your VAT number here and click Verify:
Your details have been verified. VAT number registered to:
,
.
Your order will now be zero rated for VAT purposes. We reserve the right to verify these details after your order request has been made and reinstate VAT if required.
Your VAT details were not recognised or were invalid. Your VAT number must be matched to your Billing Country as specified above. This is currently specified as . You do not need to enter the country code part of your VAT number as this has already been selected in your billing address details above.
The VAT number checking service is currently offline. Please supply your VAT details within the comments or special instructions field below and we will apply a VAT discount after placing your order request.
Gaskets & Sets
- Porsche Boxster 986 2.5L 1997-99
- Porsche Boxster 986 2.7L 1999-02
- Porsche Boxster S 986 3.2L 1999-02
- Porsche Boxster 986 2.7L 2003-04
- Porsche Boxster S 986 3.2L 2003-04
- Porsche Boxster 987 2.7L 2005-08/08
- Porsche Boxster 987 S 3.2/3.4L 2005-08/08
- Porsche 996 C2 3.4L 1997-08/01
- Porsche 996 C4 3.4L 1997-08/01
- Porsche 996 C2 3.6L 09/01-2005
- Porsche 996 C4 3.6L 09/01-2005
- Porsche 996 C4S 3.6L 09/01-2005
- Porsche 997 MK1 Carrera 2 3.6L 2005-08
- Porsche 997 MK1 Carrera 2S 3.8L 2005-08
- Porsche 997 MK1 Carrera 4 3.6L 2005-08
- Porsche 997 MK1 Carrera 4S 3.8L 2005-08
- Porsche Cayman 2.7L 987C 2006-08
- Porsche Cayman S 3.4L 987C 2005-08
3 per engine. Price is for each.

Fits:
Porsche 996
Porsche 986 Boxster
Porsche 987 Boxster
Porsche 987C Cayman
Porsche 997.1 Gen
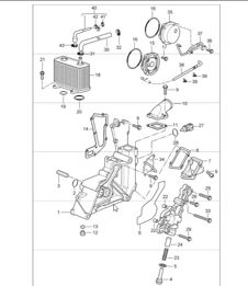
Click 'Zoom in' for large parts diagram.
Diagram ref no 37
Related reference numbers
Related, superseded, cross reference or alternative numbers for comparison.
90012314730
The product you are viewing cross references to these numbers
- Porsche Boxster 986 2.5L 1997-99
- Porsche Boxster 986 2.7L 1999-02
- Porsche Boxster S 986 3.2L 1999-02
- Porsche Boxster 986 2.7L 2003-04
- Porsche Boxster S 986 3.2L 2003-04
- Porsche Boxster 987 2.7L 2005-08/08
- Porsche Boxster 987 S 3.2/3.4L 2005-08/08
- Porsche 996 C2 3.4L 1997-08/01
- Porsche 996 C4 3.4L 1997-08/01
- Porsche 996 C2 3.6L 09/01-2005
- Porsche 996 C4 3.6L 09/01-2005
- Porsche 996 C4S 3.6L 09/01-2005
- Porsche 997 MK1 Carrera 2 3.6L 2005-08
- Porsche 997 MK1 Carrera 2S 3.8L 2005-08
- Porsche 997 MK1 Carrera 4 3.6L 2005-08
- Porsche 997 MK1 Carrera 4S 3.8L 2005-08
- Porsche Cayman 2.7L 987C 2006-08
- Porsche Cayman S 3.4L 987C 2005-08
3 per engine. Price is for each.
Fits:
Porsche 996
Porsche 986 Boxster
Porsche 987 Boxster
Porsche 987C Cayman
Porsche 997.1 Gen
Click 'Zoom in' for large parts diagram.
Diagram ref no 37
Related reference numbers
Related, superseded, cross reference or alternative numbers for comparison.
90012314730
The product you are viewing cross references to these numbers
- Porsche Boxster 986 2.5L 1997-99
- Porsche Boxster 986 2.7L 1999-02
- Porsche Boxster S 986 3.2L 1999-02
- Porsche Boxster 986 2.7L 2003-04
- Porsche Boxster S 986 3.2L 2003-04
- Porsche Boxster 987 2.7L 2005-08/08
- Porsche Boxster 987 S 3.2/3.4L 2005-08/08
- Porsche 996 C2 3.4L 1997-08/01
- Porsche 996 C4 3.4L 1997-08/01
- Porsche 996 C2 3.6L 09/01-2005
- Porsche 996 C4 3.6L 09/01-2005
- Porsche 996 C4S 3.6L 09/01-2005
- Porsche 997 MK1 Carrera 2 3.6L 2005-08
- Porsche 997 MK1 Carrera 2S 3.8L 2005-08
- Porsche 997 MK1 Carrera 4 3.6L 2005-08
- Porsche 997 MK1 Carrera 4S 3.8L 2005-08
- Porsche Cayman 2.7L 987C 2006-08
- Porsche Cayman S 3.4L 987C 2005-08

Fits:
Porsche 986 Boxster 1997-04
Porsche 987.1 Boxster 2005-08
Porsche 987C.1 Cayman 2005-08
Porsche 996 Carrera 3.4L / 3.6L 1998-05
Porsche 997.1 Carrera 3.6L / 3.8L 2005-08
Click 'Zoom in' for large parts diagram.
Diagram ref no 20
Related reference numbers
Related, superseded, cross reference or alternative numbers for comparison.
99610124151
The product you are viewing cross references to these numbers
- Porsche Boxster 986 2.5L 1997-99
- Porsche Boxster 986 2.7L 1999-02
- Porsche Boxster S 986 3.2L 1999-02
- Porsche Boxster 986 2.7L 2003-04
- Porsche Boxster S 986 3.2L 2003-04
- Porsche Boxster 987 2.7L 2005-08/08
- Porsche Boxster 987 S 3.2/3.4L 2005-08/08
- Porsche 996 C2 3.4L 1997-08/01
- Porsche 996 C4 3.4L 1997-08/01
- Porsche 996 C2 3.6L 09/01-2005
- Porsche 996 C4 3.6L 09/01-2005
- Porsche 996 C4S 3.6L 09/01-2005
- Porsche 997 MK1 Carrera 2 3.6L 2005-08
- Porsche 997 MK1 Carrera 2S 3.8L 2005-08
- Porsche 997 MK1 Carrera 4 3.6L 2005-08
- Porsche 997 MK1 Carrera 4S 3.8L 2005-08
- Porsche Cayman 2.7L 987C 2006-08
- Porsche Cayman S 3.4L 987C 2005-08

Fits:
Porsche 986 Boxster 1997-04
Porsche 987.1 Boxster 2005-08
Porsche 987C.1 Cayman 2005-08
Porsche 996 Carrera 3.4L / 3.6L 1998-05
Porsche 997.1 Carrera 3.6L / 3.8L 2005-08
Click 'Zoom in' for large parts diagram.
Diagram ref no 20
Related reference numbers
Related, superseded, cross reference or alternative numbers for comparison.
99610124151
The product you are viewing cross references to these numbers
- Porsche Boxster 986 2.5L 1997-99
- Porsche Boxster 986 2.7L 1999-02
- Porsche Boxster S 986 3.2L 1999-02
- Porsche Boxster 986 2.7L 2003-04
- Porsche Boxster S 986 3.2L 2003-04
- Porsche Boxster 987 2.7L 2005-08/08
- Porsche Boxster 987 S 3.2/3.4L 2005-08/08
- Porsche 996 C2 3.4L 1997-08/01
- Porsche 996 C4 3.4L 1997-08/01
- Porsche 996 C2 3.6L 09/01-2005
- Porsche 996 C4 3.6L 09/01-2005
- Porsche 996 C4S 3.6L 09/01-2005
- Porsche 997 MK1 Carrera 2 3.6L 2005-08
- Porsche 997 MK1 Carrera 2S 3.8L 2005-08
- Porsche 997 MK1 Carrera 4 3.6L 2005-08
- Porsche 997 MK1 Carrera 4S 3.8L 2005-08
- Porsche Cayman 2.7L 987C 2006-08
- Porsche Cayman S 3.4L 987C 2005-08

Fits:
Porsche 986 Boxster 1997-04
Porsche 987.1 Boxster 2005-08
Porsche 987C.1 Cayman 2005-08
Porsche 996 Carrera 3.4L / 3.6L 1998-05
Porsche 997.1 Carrera 3.6L / 3.8L 2005-08
Click 'Zoom in' for large parts diagram.
Diagram ref no 22
Related reference numbers
Related, superseded, cross reference or alternative numbers for comparison.
99610124251
The product you are viewing cross references to these numbers
- Porsche Boxster 986 2.5L 1997-99
- Porsche Boxster 986 2.7L 1999-02
- Porsche Boxster S 986 3.2L 1999-02
- Porsche Boxster 986 2.7L 2003-04
- Porsche Boxster S 986 3.2L 2003-04
- Porsche Boxster 987 2.7L 2005-08/08
- Porsche Boxster 987 S 3.2/3.4L 2005-08/08
- Porsche 996 C2 3.4L 1997-08/01
- Porsche 996 C4 3.4L 1997-08/01
- Porsche 996 C2 3.6L 09/01-2005
- Porsche 996 C4 3.6L 09/01-2005
- Porsche 996 C4S 3.6L 09/01-2005
- Porsche 997 MK1 Carrera 2 3.6L 2005-08
- Porsche 997 MK1 Carrera 2S 3.8L 2005-08
- Porsche 997 MK1 Carrera 4 3.6L 2005-08
- Porsche 997 MK1 Carrera 4S 3.8L 2005-08
- Porsche Cayman 2.7L 987C 2006-08
- Porsche Cayman S 3.4L 987C 2005-08

Fits:
Porsche 986 Boxster 1997-04
Porsche 987.1 Boxster 2005-08
Porsche 987C.1 Cayman 2005-08
Porsche 996 Carrera 3.4L / 3.6L 1998-05
Porsche 997.1 Carrera 3.6L / 3.8L 2005-08
Click 'Zoom in' for large parts diagram.
Diagram ref no 22
Related reference numbers
Related, superseded, cross reference or alternative numbers for comparison.
99610124251
The product you are viewing cross references to these numbers
- Porsche 997 MK1 Carrera 2 3.6L 2005-08
- Porsche 997 MK1 Carrera 4 3.6L 2005-08
Engine re-build complete gasket set, INCLUDING head gaskets This kit is made with very high-quality gaskets, and are complete gasket sets to complete the job.
Fits:
Porsche 997 3.6L 239KW / 325HP
Engine Type M96.05
Complete engine gasket set for Porsche 997 3.6L (M96.05) engines. This high-quality OE Match kit includes all major gaskets, seals, and O-rings needed for a full rebuild, ensuring perfect sealing, leak prevention, and long-lasting engine reliability.
Related reference numbers
Related, superseded, cross reference or alternative numbers for comparison.
999100M9605
The product you are viewing cross references to these numbers
- Porsche Boxster 987 S 3.2/3.4L 2005-08/08
- Porsche 996 C2 3.6L 09/01-2005
- Porsche 996 C4 3.6L 09/01-2005
- Porsche 996 C4S 3.6L 09/01-2005
- Porsche 997 MK1 Carrera 2 3.6L 2005-08
- Porsche 997 MK1 Carrera 4 3.6L 2005-08
- Porsche Cayman S 3.4L 987C 2005-08
2 per engine.

Fits:
Porsche 987 Boxster S 3.4L 2006-08 (M97.21)
Porsche 987 Boxster S 3.4L RS SPYDER 2008 (M97.22)
Porsche 987C Cayman S 3.4L 2006-08 (M97.21)
Porsche 996 3.6L C2 / C4 / C4S 2002-05 (M96.03)
Porsche 997 C2 / C4 3.6L Coupe/Cabrio 2005-08 (M96.05)
This product supersedes Porsche's old part numbers:
- 99610420102
Click 'Zoom in' for large parts diagram.
Diagram ref no 19
Related reference numbers
Related, superseded, cross reference or alternative numbers for comparison.
99610420104
The product you are viewing cross references to these numbers
- Porsche Boxster 987 S 3.2/3.4L 2005-08/08
- Porsche 996 C2 3.6L 09/01-2005
- Porsche 996 C4 3.6L 09/01-2005
- Porsche 996 C4S 3.6L 09/01-2005
- Porsche 997 MK1 Carrera 2 3.6L 2005-08
- Porsche 997 MK1 Carrera 4 3.6L 2005-08
- Porsche Cayman S 3.4L 987C 2005-08
2 per engine.

Fits:
Porsche 987 Boxster S 3.4L 2006-08 (M97.21)
Porsche 987 Boxster S 3.4L RS SPYDER 2008 (M97.22)
Porsche 987C Cayman S 3.4L 2006-08 (M97.21)
Porsche 996 3.6L C2 / C4 / C4S 2002-05 (M96.03)
Porsche 997 C2 / C4 3.6L Coupe/Cabrio 2005-08 (M96.05)
This product supersedes Porsche's old part numbers:
- 99610420102
Click 'Zoom in' for large parts diagram.
Diagram ref no 19
Related reference numbers
Related, superseded, cross reference or alternative numbers for comparison.
99610420104
The product you are viewing cross references to these numbers
Typical Applications
Hylomar Gasket 3400 can be used as a gasketing compound between machined surfaces. It is ideal for sealing between mating faces on engines and transmission components where resistance to temperature and vibration are essential.
INSTRUCTIONS FOR USE
Hylomar Gasket 3400 should be applied to clean and dry surfaces, free of contamination such as oil or grease. The compound may be dispensed by hand from cartridge, concertina pack, or via a screen printing system. Once applied the joint should be assembled as soon as practical. Any excess compound can be easily wiped off external surfaces with a clean cloth soaked in Acetone or other suitable solvents.
Typical Physical Properties:
UNCURED PRODUCT
Composition: Methyl-Methacrylate
Colour: Yellow
Viscosity @ 25°C / Brookfield Spindle 6 @ 2.5rpm: 100,000cps
Specific Gravity @ 25°C: 1.10 g/ml
Solvent Content: None
Specific Gravity g/ml @ 25°C: 1.04
Flash Point: >100°C
Shelf Life: 1 Year @ 4° to 25°C
CURED PRODUCT
Handling Time: 40 minutes
Functional Cure Time: 4 – 6 hours
Full Cure Time : 24 – 72 hours
Shear Strength : 1.5 N/mm²
Mild Steel/Mild Steel BS 5350 Part C5
Aluminium/Aluminium BS 5350 Part C5
Temperature Range: -40° to 150°C
- Porsche Boxster 986 2.5L 1997-99
- Porsche Boxster 986 2.7L 1999-02
- Porsche Boxster S 986 3.2L 1999-02
- Porsche Boxster 986 2.7L 2003-04
- Porsche Boxster S 986 3.2L 2003-04
- Porsche Boxster 987 2.7L 2005-08/08
- Porsche Boxster 987 S 3.2/3.4L 2005-08/08
- Porsche 996 C2 3.4L 1997-08/01
- Porsche 996 C4 3.4L 1997-08/01
- Porsche 996 C2 3.6L 09/01-2005
- Porsche 996 C4 3.6L 09/01-2005
- Porsche 996 C4S 3.6L 09/01-2005
- Porsche 997 MK1 Carrera 2 3.6L 2005-08
- Porsche 997 MK1 Carrera 2S 3.8L 2005-08
- Porsche 997 MK1 Carrera 4 3.6L 2005-08
- Porsche 997 MK1 Carrera 4S 3.8L 2005-08
- Porsche Cayman 2.7L 987C 2006-08
- Porsche Cayman S 3.4L 987C 2005-08
3 per engine. Price is for each.

Fits:
Porsche 996
Porsche 986 Boxster
Porsche 987 Boxster
Porsche 987C Cayman
Porsche 997.1 Gen
Click 'Zoom in' for large parts diagram.
Diagram ref no 25
Related reference numbers
Related, superseded, cross reference or alternative numbers for comparison.
99970734440
The product you are viewing cross references to these numbers
- Porsche Boxster 986 2.5L 1997-99
- Porsche Boxster 986 2.7L 1999-02
- Porsche Boxster S 986 3.2L 1999-02
- Porsche Boxster 986 2.7L 2003-04
- Porsche Boxster S 986 3.2L 2003-04
- Porsche Boxster 987 2.7L 2005-08/08
- Porsche Boxster 987 S 3.2/3.4L 2005-08/08
- Porsche 996 C2 3.4L 1997-08/01
- Porsche 996 C4 3.4L 1997-08/01
- Porsche 996 C2 3.6L 09/01-2005
- Porsche 996 C4 3.6L 09/01-2005
- Porsche 996 C4S 3.6L 09/01-2005
- Porsche 997 MK1 Carrera 2 3.6L 2005-08
- Porsche 997 MK1 Carrera 2S 3.8L 2005-08
- Porsche 997 MK1 Carrera 4 3.6L 2005-08
- Porsche 997 MK1 Carrera 4S 3.8L 2005-08
- Porsche Cayman 2.7L 987C 2006-08
- Porsche Cayman S 3.4L 987C 2005-08
Fits:
Porsche 986 Boxster / S 1997-04 - x3 required
Porsche 987 Boxster / S 2005-08 - x3 required
Porsche 987 Cayman / S 2006-08 - x4 required
Porsche 996 Carrera 1998-05 - x3 required
Porsche 997-1 Carrera 2005-08 - x4 required
Diagram ref. 25.
Related reference numbers
Related, superseded, cross reference or alternative numbers for comparison.
99970734440
The product you are viewing cross references to these numbers
- Porsche Boxster 986 2.5L 1997-99
- Porsche Boxster 986 2.7L 1999-02
- Porsche Boxster S 986 3.2L 1999-02
- Porsche Boxster 986 2.7L 2003-04
- Porsche Boxster S 986 3.2L 2003-04
- Porsche Boxster 987 2.7L 2005-08/08
- Porsche Boxster 987 S 3.2/3.4L 2005-08/08
- Porsche Boxster 987 MKII 2.9L 2009-12
- Porsche Boxster S 987 MKII 3.4L 2009-12
- Porsche Boxster 981 2.7L 2012-16
- Porsche Boxster 981 S / GTS 3.4L 2012-16
- Porsche Boxster 981 Spyder 3.8L 2016
- Porsche Boxster 718 2.0L Manual (300 Bhp) 2017>>
- Porsche Boxster 718 2.0L PDK (300 Bhp) 2017>>
- Porsche Boxster S 718 2.5L Manual (350 Bhp) 05/2017>>
- Porsche Boxster S 718 2.5L PDK (350 Bhp) 05/2017>>
- Porsche Boxster T 718 2.0L Manual (300 Bhp) 01/2019>>
- Porsche Boxster T 718 2.0L PDK (300 Bhp) 01/2019>>
- Porsche Boxster GTS 718 2.5L Manual (365 Bhp) 05/2017>>
- Porsche Boxster GTS 718 2.5L PDK (365 Bhp) 05/2017>>
- Porsche Boxster GTS 718 4.0L Manual (400 Bhp) 01/2019>>
- Porsche Boxster GTS 718 4.0L PDK (400 Bhp) 01/2019>>
- Porsche Boxster Spyder / Sypder RS 718 4.0L 01/2019>>
- Porsche Boxster 25 Years 718 4.0L Manual (400 Bhp) 01/2020>>
- Porsche Boxster 25 Years 718 4.0L PDK (400 Bhp) 01/2020>>
- Porsche 996 C2 3.4L 1997-08/01
- Porsche 996 C4 3.4L 1997-08/01
- Porsche 996 C2 3.6L 09/01-2005
- Porsche 996 C4 3.6L 09/01-2005
- Porsche 996 C4S 3.6L 09/01-2005
- Porsche 997 MK1 Carrera 2 3.6L 2005-08
- Porsche 997 MK1 Carrera 2S 3.8L 2005-08
- Porsche 997 MK1 Carrera 4 3.6L 2005-08
- Porsche 997 MK1 Carrera 4S 3.8L 2005-08
- Porsche 997 MKII Carrera C2 3.6L 2009-12
- Porsche 997 MKII Carrera C4 3.6L 2009-12
- Porsche 997 MKII Carrera C2S 3.8L 2009-12
- Porsche 997 MKII Carrera C4S 3.8L 2009-12
- Porsche 997 MKII Turbo 2010-13
- Porsche 991.1 Carrera C2 3.4L (350 Bhp) 2012-16
- Porsche 991.1 Carrera C2S / GTS 3.8L (400/430 Bhp) 2012-16
- Porsche 991.1 Carrera C4 3.4L (350 Bhp) 2012-16
- Porsche 991.1 Carrera C4S / GTS 3.8L (400/430 Bhp) 2012-16
- Porsche 991.1 Turbo 3.8L (520 Bhp) 2014-16
- Porsche 991.1 Turbo S 3.8L (560 Bhp) 2014-16
- Porsche 991.2 Carrera 2 3.0L (370 Bhp) 2016-19
- Porsche 991.2 Carrera 2S / GTS 3.0L (420/450 Bhp) 2016-19
- Porsche 991.2 Carrera 4 3.0L (370 Bhp) 2016-19
- Porsche 991.2 Carrera 4S / GTS 3.0L (420/450 Bhp) 2016-19
- Porsche 991.2 Cabriolet 2 3.0L (370 Bhp) 2016-19
- Porsche 991.2 Cabriolet 2S / GTS 3.0L (420/450 Bhp) 2016-19
- Porsche 991.2 Cabriolet 4 3.0L (370 Bhp) 2016-19
- Porsche 991.2 Cabriolet 4S / GTS 3.0L (420/450 Bhp) 2016-19
- Porsche 991.2 Targa 4 3.0L (370 Bhp) 2016-19
- Porsche 991.2 Targa 4S / GTS 3.0L (420/450 Bhp) 2016-19
- Porsche 991.2 Turbo Coupe 3.8L (540 Bhp) 2016-19
- Porsche 991.2 Turbo S Coupe 3.8L (580 Bhp) 2016-19
- Porsche 991.2 Turbo Cabriolet 3.8L (540 Bhp) 2016-19
- Porsche 991.2 Turbo S Cabriolet 3.8L (580 Bhp) 2016-19
- Porsche 992.1 Carrera 2 3.0L 2019-24
- Porsche 992.1 Carrera 4 3.0L 2019-24
- Porsche 992.1 Carrera 2 Cabriolet 3.0L 2019-24
- Porsche 992.1 Carrera 4 Cabriolet 3.0L 2019-24
- Porsche 992.1 Carrera 2S / GTS 3.0L 2019-24
- Porsche 992.1 Carrera 4S / GTS 3.0L 2019-24
- Porsche 992.1 Carrera 2S / GTS Cabriolet 3.0L 2019-24
- Porsche 992.1 Carrera 4S / GTS Cabriolet 3.0L 2019-24
- Porsche 992.1 Targa 4 3.0L 2020-24
- Porsche 992.1 Targa 4S / GTS 3.0L 2020-24
- Porsche 992.1 Turbo 3.8L 2020-24
- Porsche 992.1 Turbo S 3.8L 2020-24
- Porsche 992.1 Turbo Cabriolet 3.8L 2020-24
- Porsche 992.1 Turbo S Cabriolet 3.8L 2020-24
- Porsche 992.1 (911) Sport Classic 3.8L 2023
- Porsche 992.1 (911) Dakar 3.0L 2023-24
- Porsche 992.2 Carrera 2 3.0L 2024>>
- Porsche 992.2 Carrera 2 GTS 3.6L 2024>>
- Porsche 992.2 Carrera 4 GTS 3.6L 2024>>
- Porsche 992.2 Carrera 2 3.0L Cabriolet 2024>>
- Porsche 992.2 Carrera 2 GTS 3.6L Cabriolet 2024>>
- Porsche 992.2 Carrera 4 GTS 3.6L Cabriolet 2024>>
- Porsche 992.2 Targa 4 GTS 3.6L 2024>>
- Porsche 992.2 Turbo 3.6L 2024>>
- Porsche Cayman 2.7L 987C 2006-08
- Porsche Cayman S 3.4L 987C 2005-08
- Porsche Cayman 2.9L 987C MKII 2009-12
- Porsche Cayman S / R 3.4L 987C MKII 2009-12
- Porsche Cayman 2.7L 981 2013-16
- Porsche Cayman S / GTS 3.4L 981 2013-16
- Porsche Cayman GT4 3.8L 2015-16
- Porsche Cayman 718 2.0L Manual (300 Bhp)
- Porsche Cayman 718 2.0L PDK (300 Bhp)
- Porsche Cayman S 718 2.5L Manual (350 Bhp)
- Porsche Cayman S 718 2.5L PDK (350 Bhp)
- Porsche Cayman T 718 2.0L Manual (300 Bhp)
- Porsche Cayman T 718 2.0L PDK (300 Bhp)
- Porsche Cayman GTS 718 2.5L Manual (365 Bhp)
- Porsche Cayman GTS 718 2.5L PDK (365 Bhp)
- Porsche Cayman GTS 718 4.0L Manual (400 Bhp)
- Porsche Cayman GTS 718 4.0L PDK (400 Bhp)
- Porsche Cayman GT4 718 4.0L / GT4 RS 718 4.0L
- Porsche 955 Cayenne S 4.5L V8 2003-06
- Porsche 955 Cayenne Turbo 4.5L 2003-06
- Porsche 955 Cayenne Turbo S 4.5L 2006>>
- Porsche 957 Cayenne 3.6L 2007-10
- Porsche 957 Cayenne S / GTS 4.8L 2007-10
- Porsche 957 Cayenne Turbo / Turbo S 4.8L 2007-10
- Porsche 958 Cayenne V6 3.6L Petrol (300Hp) 2010-17
- Porsche 958 Cayenne S V8 4.8L Petrol (400Hp) 2010-17
- Porsche 958 Cayenne GTS V8 4.8L Petrol (400Hp) 2010-17
- Porsche 958 Cayenne Turbo V8 4.8L Petrol (500Hp) 2010-17
- Porsche 958 Cayenne Turbo S V8 4.8L Petrol (550Hp) 2010-17
- Porsche 970.1 Panamera V6 3.6L 2WD 2009-13
- Porsche 970.1 Panamera 4 V6 3.6L 4WD 2009-13
- Porsche 970.1 Panamera S V8 4.8L 2009-13
- Porsche 970.1 Panamera 4S V8 4.8L 2009-13
- Porsche 970.1 Panamera GTS V8 4.8L 2011-13
- Porsche 970.1 Panamera Turbo V8 4.8L 2009-13
- Porsche 970.1 Panamera Turbo S V8 4.8L 2009-13
- Porsche 970.2 Panamera V6 3.6L 2WD (310Hp) 2014-16
- Porsche 970.2 Panamera 4 V6 3.6L 4WD (310Hp) 2014-16
- Porsche 970.2 Panamera S V6 Turbo 3.0L 2WD (420Hp) 2014-16
- Porsche 970.2 Panamera S V6 Turbo 3.0L 2WD Executive 2014-16
- Porsche 970.2 Panamera 4S V6 Turbo 3.0L 4WD (420Hp) 2014-16
- Porsche 970.2 Panamera 4S V6 Turbo 3.0L 4WD Executive 2014-16
- Porsche 970.2 Panamera GTS V8 4.8L 4WD (440Hp) 2014-16
- Porsche 970.2 Panamera Turbo V8 4.8L (520Hp) 2014-16
- Porsche 970.2 Panamera Turbo V8 Executive 2014-16
- Porsche 970.2 Panamera Turbo S V8 4.8L 2014-16
- Porsche 95B.1 Macan S Petrol 3.0L V6 (340Bhp) 2014-18
- Porsche 95B.1 Macan GTS Petrol 3.0L V6 (360Bhp) 2014-18
- Porsche 95B.1 Macan Turbo 3.6L V6 (400Bhp) 2014-18
Fits:
Porsche 986 Boxster 2.5L 1997-99
Porsche 986 Boxster 2.7L 2000-04
Porsche 986 Boxster S 3.2L 2000-04
Porsche 987-1 Boxster 2.7L 2005-08
Porsche 987-1 Boxster S 3.4L 2005-08
Porsche 987-1 Cayman 2.7L 2005-08
Porsche 987-1 Cayman S 3.4L 2005-08
Porsche 987-2 Boxster 2.9L 2009-12
Porsche 987-2 Boxster S 3.4L 2009-12
Porsche 987-2 Boxster Spyder 3.4L 2011-12
Porsche 987-2 Cayman 2.9L 2009-12
Porsche 987-2 Cayman S 3.4L 2009-12
Porsche 987-2 Cayman R 3.4L 2012
Porsche 981 Boxster 2.7L 2012-16
Porsche 981 Boxster S 3.4L 2012-16
Porsche 981 Boxster GTS 3.4L 2015-16
Porsche 981 Boxster Spyder 3.8L 2016
Porsche 981 Cayman 2.7L 2014-16
Porsche 981 Cayman S 3.4L 2014-16
Porsche 981 Cayman GTS 3.4L 2014-16
Porsche 981 Cayman GT4 3.8L 2016
Porsche 718 (982) Boxster 2.0L 2017>>
Porsche 718 (982) Boxster T 2.0L 2020>>
Porsche 718 (982) Boxster S 2.5L 2017>>
Porsche 718 (982) Boxster GTS 2.5L 2018-19
Porsche 718 (982) Boxster GTS 4.0L 2019>>
Porsche 718 (982) Boxster Spyder 4.0L 2019>> - Excludes RS
Porsche 718 (982) Cayman 2.0L 2017>>
Porsche 718 (982) Cayman T 2.0L 2020>>
Porsche 718 (982) Cayman S 2.5L 2017>>
Porsche 718 (982) Cayman GTS 2.5L 2018-19
Porsche 718 (982) Cayman GTS 4.0L 2019>>
Porsche 718 (982) Cayman GT4 4.0L 2019>> - Excludes RS
Porsche 996-1 Carrera 3.4L 1998-01
Porsche 996-1 Carrera 4 3.4L 1999-01
Porsche 996-2 Carrera 3.6L 2002-04
Porsche 996-2 Carrera 4 3.6L 2002-04
Porsche 996-2 Carrera 4S 3.6L 2002-05
Porsche 996-2 Targa 3.6L 2002-04
Porsche 997-1 Carrera 3.6L 2005-08
Porsche 997-1 Carrera 4 3.6L 2006-08
Porsche 997-1 Carrera S 3.8L 2005-08
Porsche 997-1 Carrera 4S 3.8L 2006-08
Porsche 997-1 Targa 4 3.6L 2007-08
Porsche 997-1 Targa 4S 3.8L 2007-08
Porsche 997-2 Carrera 3.6L 2009-12
Porsche 997-2 Carrera 4 3.6L 2009-12
Porsche 997-2 Carrera S 3.8L 2009-12
Porsche 997-2 Carrera GTS 3.8L 2011-12
Porsche 997-2 Carrera 4 GTS 3.8L 2011-12
Porsche 997-2 Carrera 4S 3.8L 2009-12
Porsche 997-2 Targa 4 3.6L 2009-12
Porsche 997-2 Targa 4S 3.8L 2009-12
Porsche 997-2 Turbo / S 3.8L 2010-13
Porsche 991-1 Carrera 3.4L 2012-16
Porsche 991-1 Carrera 4 3.4L 2012-16
Porsche 991-1 Carrera S 3.8L 2012-16
Porsche 991-1 Carrera 4S 3.8L 2012-16
Porsche 991-1 Carrera GTS 3.8L 2015-16
Porsche 991-1 Carrera 4 GTS 3.8L 2016
Porsche 991-1 Targa 4 3.4L 2015-16
Porsche 991-1 Targa 4S 3.8L 2015-16
Porsche 991-1 Targa 4 GTS 3.8L 2015-16
Porsche 991-2 Carrera 3.0L 2017-19
Porsche 991-2 Carrera 4 3.0L 2017-19
Porsche 991-2 Carrera S 3.0L 2017-19
Porsche 991-2 Carrera 4S 3.0L 2017-19
Porsche 991-2 Carrera GTS 3.0L 2017-19
Porsche 991-2 Carrera 4 GTS 3.0L 2017-19
Porsche 991-2 Targa 3.0L 2017-19
Porsche 991-2 Targa 4 3.0L 2017-19
Porsche 991-2 Targa 4 GTS 3.0L 2017-19
Porsche 991-1 Turbo 3.8L 2014-16
Porsche 991-2 Turbo 3.8L 2017-20
Porsche 992-1 Carrera 3.0L 2019-24
Porsche 992-1 Carrera T 3.0L 2023-24
Porsche 992-1 Carrera S 3.0L 2019-24
Porsche 992-1 Carrera GTS 3.0L 2022-24
Porsche 992-1 Carrera 4 3.0L 2019-24
Porsche 992-1 Carrera 4S 3.0L 2019-24
Porsche 992-1 Carrera 4 GTS 3.0L 2022-24
Porsche 992-1 Targa 4 3.0L 2019-24
Porsche 992-1 Targa 4S 3.0L 2019-24
Porsche 992-1 Targa 4 GTS 3.0L 2022-24
Porsche 992-1 Turbo / S 3.7L 2020>>
Porsche 992-2 Carrera 3.0L 2024>>
Porsche 992-2 Carrera T 3.0L 2024>>
Porsche 992-2 Carrera S 3.0L 2024>>
Porsche 992-2 Carrera GTS T-Hybrid 3.6L 2024>>
Porsche 992-2 Carrera 4 GTS T-Hybrid 3.6L 2024>>
Porsche 955 Cayenne S 4.5L V8 2003-06
Porsche 955 Cayenne Turbo 4.5L V8 2003-06
Porsche 957 Cayenne S 4.8L V8 2007-10
Porsche 957 Cayenne GTS 4.8L V8 2008-10
Porsche 957 Cayenne Turbo 4.8L V8 2007-10
Porsche 958-1 Cayenne S 4.8L V8 2011-14
Porsche 958-1 Cayenne GTS 4.8L V8 2011-14
Porsche 958-1 Cayenne Turbo 4.8L V8 2011-14
Porsche 958-1 Cayenne Turbo S 4.8L V8 2011-14
Porsche 958-2 Cayenne S 3.6L V6 2015-18
Porsche 958-2 Cayenne GTS 3.6L V6 2015-18
Porsche 958-2 Cayenne Turbo 4.8L V8 2015-18
Porsche 958-2 Cayenne Turbo S 4.8L V8 2015-18
Porsche 970-1 Panamera 3.6L V6 2010-13
Porsche 970-1 Panamera 4 3.6L V6 2010-13
Porsche 970-1 Panamera S 4.8L V8 2010-13
Porsche 970-1 Panamera 4S 4.8L V8 2010-13
Porsche 970-1 Panamera GTS 4.8L V8 2013
Porsche 970-1 Panamera Turbo 4.8L V8 2010-13
Porsche 970-1 Panamera Turbo S 4.8L V8 2010-13
Porsche 970-2 Panamera 3.6L V6 2014-16
Porsche 970-2 Panamera 4 3.6L V6 2014-16
Porsche 970-2 Panamera S 3.0L V6 2014-16
Porsche 970-2 Panamera 4S 3.0L V6 2014-16
Porsche 970-2 Panamera GTS 4.8L V8 2014-16
Porsche 970-2 Panamera Turbo 4.8L 2014-16
Porsche 970-2 Panamera Turbo S 4.8L 2014-16
Porsche 95B-1 Macan S 3.0L V6 2014-18
Porsche 95B-1 Macan GTS 3.0L V6 2014-18
Porsche 95B-1 Macan Turbo 3.6L V6 2014-18
Diagram ref. 5.
Related reference numbers
Related, superseded, cross reference or alternative numbers for comparison.
0PB105249
The product you are viewing cross references to these numbers
- Porsche Boxster 986 2.5L 1997-99
- Porsche Boxster 986 2.7L 1999-02
- Porsche Boxster S 986 3.2L 1999-02
- Porsche Boxster 986 2.7L 2003-04
- Porsche Boxster S 986 3.2L 2003-04
- Porsche Boxster 987 2.7L 2005-08/08
- Porsche Boxster 987 S 3.2/3.4L 2005-08/08
- Porsche Boxster 987 MKII 2.9L 2009-12
- Porsche Boxster S 987 MKII 3.4L 2009-12
- Porsche Boxster 981 2.7L 2012-16
- Porsche Boxster 981 S / GTS 3.4L 2012-16
- Porsche Boxster 981 Spyder 3.8L 2016
- Porsche Boxster 718 2.0L Manual (300 Bhp) 2017>>
- Porsche Boxster 718 2.0L PDK (300 Bhp) 2017>>
- Porsche Boxster S 718 2.5L Manual (350 Bhp) 05/2017>>
- Porsche Boxster S 718 2.5L PDK (350 Bhp) 05/2017>>
- Porsche Boxster T 718 2.0L Manual (300 Bhp) 01/2019>>
- Porsche Boxster T 718 2.0L PDK (300 Bhp) 01/2019>>
- Porsche Boxster GTS 718 2.5L Manual (365 Bhp) 05/2017>>
- Porsche Boxster GTS 718 2.5L PDK (365 Bhp) 05/2017>>
- Porsche Boxster GTS 718 4.0L Manual (400 Bhp) 01/2019>>
- Porsche Boxster GTS 718 4.0L PDK (400 Bhp) 01/2019>>
- Porsche Boxster Spyder / Sypder RS 718 4.0L 01/2019>>
- Porsche Boxster 25 Years 718 4.0L Manual (400 Bhp) 01/2020>>
- Porsche Boxster 25 Years 718 4.0L PDK (400 Bhp) 01/2020>>
- Porsche 996 C2 3.4L 1997-08/01
- Porsche 996 C4 3.4L 1997-08/01
- Porsche 996 C2 3.6L 09/01-2005
- Porsche 996 C4 3.6L 09/01-2005
- Porsche 996 C4S 3.6L 09/01-2005
- Porsche 997 MK1 Carrera 2 3.6L 2005-08
- Porsche 997 MK1 Carrera 2S 3.8L 2005-08
- Porsche 997 MK1 Carrera 4 3.6L 2005-08
- Porsche 997 MK1 Carrera 4S 3.8L 2005-08
- Porsche 997 MKII Carrera C2 3.6L 2009-12
- Porsche 997 MKII Carrera C4 3.6L 2009-12
- Porsche 997 MKII Carrera C2S 3.8L 2009-12
- Porsche 997 MKII Carrera C4S 3.8L 2009-12
- Porsche 997 MKII Turbo 2010-13
- Porsche 991.1 Carrera C2 3.4L (350 Bhp) 2012-16
- Porsche 991.1 Carrera C2S / GTS 3.8L (400/430 Bhp) 2012-16
- Porsche 991.1 Carrera C4 3.4L (350 Bhp) 2012-16
- Porsche 991.1 Carrera C4S / GTS 3.8L (400/430 Bhp) 2012-16
- Porsche 991.1 Turbo 3.8L (520 Bhp) 2014-16
- Porsche 991.1 Turbo S 3.8L (560 Bhp) 2014-16
- Porsche 991.2 Carrera 2 3.0L (370 Bhp) 2016-19
- Porsche 991.2 Carrera 2S / GTS 3.0L (420/450 Bhp) 2016-19
- Porsche 991.2 Carrera 4 3.0L (370 Bhp) 2016-19
- Porsche 991.2 Carrera 4S / GTS 3.0L (420/450 Bhp) 2016-19
- Porsche 991.2 Cabriolet 2 3.0L (370 Bhp) 2016-19
- Porsche 991.2 Cabriolet 2S / GTS 3.0L (420/450 Bhp) 2016-19
- Porsche 991.2 Cabriolet 4 3.0L (370 Bhp) 2016-19
- Porsche 991.2 Cabriolet 4S / GTS 3.0L (420/450 Bhp) 2016-19
- Porsche 991.2 Targa 4 3.0L (370 Bhp) 2016-19
- Porsche 991.2 Targa 4S / GTS 3.0L (420/450 Bhp) 2016-19
- Porsche 991.2 Turbo Coupe 3.8L (540 Bhp) 2016-19
- Porsche 991.2 Turbo S Coupe 3.8L (580 Bhp) 2016-19
- Porsche 991.2 Turbo Cabriolet 3.8L (540 Bhp) 2016-19
- Porsche 991.2 Turbo S Cabriolet 3.8L (580 Bhp) 2016-19
- Porsche 992.1 Carrera 2 3.0L 2019-24
- Porsche 992.1 Carrera 4 3.0L 2019-24
- Porsche 992.1 Carrera 2 Cabriolet 3.0L 2019-24
- Porsche 992.1 Carrera 4 Cabriolet 3.0L 2019-24
- Porsche 992.1 Carrera 2S / GTS 3.0L 2019-24
- Porsche 992.1 Carrera 4S / GTS 3.0L 2019-24
- Porsche 992.1 Carrera 2S / GTS Cabriolet 3.0L 2019-24
- Porsche 992.1 Carrera 4S / GTS Cabriolet 3.0L 2019-24
- Porsche 992.1 Targa 4 3.0L 2020-24
- Porsche 992.1 Targa 4S / GTS 3.0L 2020-24
- Porsche 992.1 Turbo 3.8L 2020-24
- Porsche 992.1 Turbo S 3.8L 2020-24
- Porsche 992.1 Turbo Cabriolet 3.8L 2020-24
- Porsche 992.1 Turbo S Cabriolet 3.8L 2020-24
- Porsche 992.1 (911) Sport Classic 3.8L 2023
- Porsche 992.1 (911) Dakar 3.0L 2023-24
- Porsche 992.2 Carrera 2 3.0L 2024>>
- Porsche 992.2 Carrera 2 GTS 3.6L 2024>>
- Porsche 992.2 Carrera 4 GTS 3.6L 2024>>
- Porsche 992.2 Carrera 2 3.0L Cabriolet 2024>>
- Porsche 992.2 Carrera 2 GTS 3.6L Cabriolet 2024>>
- Porsche 992.2 Carrera 4 GTS 3.6L Cabriolet 2024>>
- Porsche 992.2 Targa 4 GTS 3.6L 2024>>
- Porsche 992.2 Turbo 3.6L 2024>>
- Porsche Cayman 2.7L 987C 2006-08
- Porsche Cayman S 3.4L 987C 2005-08
- Porsche Cayman 2.9L 987C MKII 2009-12
- Porsche Cayman S / R 3.4L 987C MKII 2009-12
- Porsche Cayman 2.7L 981 2013-16
- Porsche Cayman S / GTS 3.4L 981 2013-16
- Porsche Cayman GT4 3.8L 2015-16
- Porsche Cayman 718 2.0L Manual (300 Bhp)
- Porsche Cayman 718 2.0L PDK (300 Bhp)
- Porsche Cayman S 718 2.5L Manual (350 Bhp)
- Porsche Cayman S 718 2.5L PDK (350 Bhp)
- Porsche Cayman T 718 2.0L Manual (300 Bhp)
- Porsche Cayman T 718 2.0L PDK (300 Bhp)
- Porsche Cayman GTS 718 2.5L Manual (365 Bhp)
- Porsche Cayman GTS 718 2.5L PDK (365 Bhp)
- Porsche Cayman GTS 718 4.0L Manual (400 Bhp)
- Porsche Cayman GTS 718 4.0L PDK (400 Bhp)
- Porsche Cayman GT4 718 4.0L / GT4 RS 718 4.0L
- Porsche 955 Cayenne S 4.5L V8 2003-06
- Porsche 955 Cayenne Turbo 4.5L 2003-06
- Porsche 955 Cayenne Turbo S 4.5L 2006>>
- Porsche 957 Cayenne 3.6L 2007-10
- Porsche 957 Cayenne S / GTS 4.8L 2007-10
- Porsche 957 Cayenne Turbo / Turbo S 4.8L 2007-10
- Porsche 958 Cayenne V6 3.6L Petrol (300Hp) 2010-17
- Porsche 958 Cayenne S V8 4.8L Petrol (400Hp) 2010-17
- Porsche 958 Cayenne GTS V8 4.8L Petrol (400Hp) 2010-17
- Porsche 958 Cayenne Turbo V8 4.8L Petrol (500Hp) 2010-17
- Porsche 958 Cayenne Turbo S V8 4.8L Petrol (550Hp) 2010-17
- Porsche 970.1 Panamera V6 3.6L 2WD 2009-13
- Porsche 970.1 Panamera 4 V6 3.6L 4WD 2009-13
- Porsche 970.1 Panamera S V8 4.8L 2009-13
- Porsche 970.1 Panamera 4S V8 4.8L 2009-13
- Porsche 970.1 Panamera GTS V8 4.8L 2011-13
- Porsche 970.1 Panamera Turbo V8 4.8L 2009-13
- Porsche 970.1 Panamera Turbo S V8 4.8L 2009-13
- Porsche 970.2 Panamera V6 3.6L 2WD (310Hp) 2014-16
- Porsche 970.2 Panamera 4 V6 3.6L 4WD (310Hp) 2014-16
- Porsche 970.2 Panamera S V6 Turbo 3.0L 2WD (420Hp) 2014-16
- Porsche 970.2 Panamera S V6 Turbo 3.0L 2WD Executive 2014-16
- Porsche 970.2 Panamera 4S V6 Turbo 3.0L 4WD (420Hp) 2014-16
- Porsche 970.2 Panamera 4S V6 Turbo 3.0L 4WD Executive 2014-16
- Porsche 970.2 Panamera GTS V8 4.8L 4WD (440Hp) 2014-16
- Porsche 970.2 Panamera Turbo V8 4.8L (520Hp) 2014-16
- Porsche 970.2 Panamera Turbo V8 Executive 2014-16
- Porsche 970.2 Panamera Turbo S V8 4.8L 2014-16
- Porsche 95B.1 Macan S Petrol 3.0L V6 (340Bhp) 2014-18
- Porsche 95B.1 Macan GTS Petrol 3.0L V6 (360Bhp) 2014-18
- Porsche 95B.1 Macan Turbo 3.6L V6 (400Bhp) 2014-18
Fits:
Porsche 986 Boxster 2.5L 1997-99
Porsche 986 Boxster 2.7L 2000-04
Porsche 986 Boxster S 3.2L 2000-04
Porsche 987-1 Boxster 2.7L 2005-08
Porsche 987-1 Boxster S 3.4L 2005-08
Porsche 987-1 Cayman 2.7L 2005-08
Porsche 987-1 Cayman S 3.4L 2005-08
Porsche 987-2 Boxster 2.9L 2009-12
Porsche 987-2 Boxster S 3.4L 2009-12
Porsche 987-2 Boxster Spyder 3.4L 2011-12
Porsche 987-2 Cayman 2.9L 2009-12
Porsche 987-2 Cayman S 3.4L 2009-12
Porsche 987-2 Cayman R 3.4L 2012
Porsche 981 Boxster 2.7L 2012-16
Porsche 981 Boxster S 3.4L 2012-16
Porsche 981 Boxster GTS 3.4L 2015-16
Porsche 981 Boxster Spyder 3.8L 2016
Porsche 981 Cayman 2.7L 2014-16
Porsche 981 Cayman S 3.4L 2014-16
Porsche 981 Cayman GTS 3.4L 2014-16
Porsche 981 Cayman GT4 3.8L 2016
Porsche 718 (982) Boxster 2.0L 2017>>
Porsche 718 (982) Boxster T 2.0L 2020>>
Porsche 718 (982) Boxster S 2.5L 2017>>
Porsche 718 (982) Boxster GTS 2.5L 2018-19
Porsche 718 (982) Boxster GTS 4.0L 2019>>
Porsche 718 (982) Boxster Spyder 4.0L 2019>> - Excludes RS
Porsche 718 (982) Cayman 2.0L 2017>>
Porsche 718 (982) Cayman T 2.0L 2020>>
Porsche 718 (982) Cayman S 2.5L 2017>>
Porsche 718 (982) Cayman GTS 2.5L 2018-19
Porsche 718 (982) Cayman GTS 4.0L 2019>>
Porsche 718 (982) Cayman GT4 4.0L 2019>> - Excludes RS
Porsche 996-1 Carrera 3.4L 1998-01
Porsche 996-1 Carrera 4 3.4L 1999-01
Porsche 996-2 Carrera 3.6L 2002-04
Porsche 996-2 Carrera 4 3.6L 2002-04
Porsche 996-2 Carrera 4S 3.6L 2002-05
Porsche 996-2 Targa 3.6L 2002-04
Porsche 997-1 Carrera 3.6L 2005-08
Porsche 997-1 Carrera 4 3.6L 2006-08
Porsche 997-1 Carrera S 3.8L 2005-08
Porsche 997-1 Carrera 4S 3.8L 2006-08
Porsche 997-1 Targa 4 3.6L 2007-08
Porsche 997-1 Targa 4S 3.8L 2007-08
Porsche 997-2 Carrera 3.6L 2009-12
Porsche 997-2 Carrera 4 3.6L 2009-12
Porsche 997-2 Carrera S 3.8L 2009-12
Porsche 997-2 Carrera GTS 3.8L 2011-12
Porsche 997-2 Carrera 4 GTS 3.8L 2011-12
Porsche 997-2 Carrera 4S 3.8L 2009-12
Porsche 997-2 Targa 4 3.6L 2009-12
Porsche 997-2 Targa 4S 3.8L 2009-12
Porsche 997-2 Turbo / S 3.8L 2010-13
Porsche 991-1 Carrera 3.4L 2012-16
Porsche 991-1 Carrera 4 3.4L 2012-16
Porsche 991-1 Carrera S 3.8L 2012-16
Porsche 991-1 Carrera 4S 3.8L 2012-16
Porsche 991-1 Carrera GTS 3.8L 2015-16
Porsche 991-1 Carrera 4 GTS 3.8L 2016
Porsche 991-1 Targa 4 3.4L 2015-16
Porsche 991-1 Targa 4S 3.8L 2015-16
Porsche 991-1 Targa 4 GTS 3.8L 2015-16
Porsche 991-2 Carrera 3.0L 2017-19
Porsche 991-2 Carrera 4 3.0L 2017-19
Porsche 991-2 Carrera S 3.0L 2017-19
Porsche 991-2 Carrera 4S 3.0L 2017-19
Porsche 991-2 Carrera GTS 3.0L 2017-19
Porsche 991-2 Carrera 4 GTS 3.0L 2017-19
Porsche 991-2 Targa 3.0L 2017-19
Porsche 991-2 Targa 4 3.0L 2017-19
Porsche 991-2 Targa 4 GTS 3.0L 2017-19
Porsche 991-1 Turbo 3.8L 2014-16
Porsche 991-2 Turbo 3.8L 2017-20
Porsche 992-1 Carrera 3.0L 2019-24
Porsche 992-1 Carrera T 3.0L 2023-24
Porsche 992-1 Carrera S 3.0L 2019-24
Porsche 992-1 Carrera GTS 3.0L 2022-24
Porsche 992-1 Carrera 4 3.0L 2019-24
Porsche 992-1 Carrera 4S 3.0L 2019-24
Porsche 992-1 Carrera 4 GTS 3.0L 2022-24
Porsche 992-1 Targa 4 3.0L 2019-24
Porsche 992-1 Targa 4S 3.0L 2019-24
Porsche 992-1 Targa 4 GTS 3.0L 2022-24
Porsche 992-1 Turbo / S 3.7L 2020>>
Porsche 992-2 Carrera 3.0L 2024>>
Porsche 992-2 Carrera T 3.0L 2024>>
Porsche 992-2 Carrera S 3.0L 2024>>
Porsche 992-2 Carrera GTS T-Hybrid 3.6L 2024>>
Porsche 992-2 Carrera 4 GTS T-Hybrid 3.6L 2024>>
Porsche 955 Cayenne S 4.5L V8 2003-06
Porsche 955 Cayenne Turbo 4.5L V8 2003-06
Porsche 957 Cayenne S 4.8L V8 2007-10
Porsche 957 Cayenne GTS 4.8L V8 2008-10
Porsche 957 Cayenne Turbo 4.8L V8 2007-10
Porsche 958-1 Cayenne S 4.8L V8 2011-14
Porsche 958-1 Cayenne GTS 4.8L V8 2011-14
Porsche 958-1 Cayenne Turbo 4.8L V8 2011-14
Porsche 958-1 Cayenne Turbo S 4.8L V8 2011-14
Porsche 958-2 Cayenne S 3.6L V6 2015-18
Porsche 958-2 Cayenne GTS 3.6L V6 2015-18
Porsche 958-2 Cayenne Turbo 4.8L V8 2015-18
Porsche 958-2 Cayenne Turbo S 4.8L V8 2015-18
Porsche 970-1 Panamera 3.6L V6 2010-13
Porsche 970-1 Panamera 4 3.6L V6 2010-13
Porsche 970-1 Panamera S 4.8L V8 2010-13
Porsche 970-1 Panamera 4S 4.8L V8 2010-13
Porsche 970-1 Panamera GTS 4.8L V8 2013
Porsche 970-1 Panamera Turbo 4.8L V8 2010-13
Porsche 970-1 Panamera Turbo S 4.8L V8 2010-13
Porsche 970-2 Panamera 3.6L V6 2014-16
Porsche 970-2 Panamera 4 3.6L V6 2014-16
Porsche 970-2 Panamera S 3.0L V6 2014-16
Porsche 970-2 Panamera 4S 3.0L V6 2014-16
Porsche 970-2 Panamera GTS 4.8L V8 2014-16
Porsche 970-2 Panamera Turbo 4.8L 2014-16
Porsche 970-2 Panamera Turbo S 4.8L 2014-16
Porsche 95B-1 Macan S 3.0L V6 2014-18
Porsche 95B-1 Macan GTS 3.0L V6 2014-18
Porsche 95B-1 Macan Turbo 3.6L V6 2014-18
Diagram ref. 5.
Related reference numbers
Related, superseded, cross reference or alternative numbers for comparison.
0PB105249
The product you are viewing cross references to these numbers
- Porsche Boxster 986 2.5L 1997-99
- Porsche Boxster 986 2.7L 1999-02
- Porsche Boxster S 986 3.2L 1999-02
- Porsche Boxster 986 2.7L 2003-04
- Porsche Boxster S 986 3.2L 2003-04
- Porsche Boxster 987 2.7L 2005-08/08
- Porsche Boxster 987 S 3.2/3.4L 2005-08/08
- Porsche Boxster 987 MKII 2.9L 2009-12
- Porsche Boxster S 987 MKII 3.4L 2009-12
- Porsche Boxster 981 2.7L 2012-16
- Porsche Boxster 981 S / GTS 3.4L 2012-16
- Porsche Boxster 981 Spyder 3.8L 2016
- Porsche Boxster 718 2.0L Manual (300 Bhp) 2017>>
- Porsche Boxster 718 2.0L PDK (300 Bhp) 2017>>
- Porsche Boxster S 718 2.5L Manual (350 Bhp) 05/2017>>
- Porsche Boxster S 718 2.5L PDK (350 Bhp) 05/2017>>
- Porsche Boxster T 718 2.0L Manual (300 Bhp) 01/2019>>
- Porsche Boxster T 718 2.0L PDK (300 Bhp) 01/2019>>
- Porsche Boxster GTS 718 2.5L Manual (365 Bhp) 05/2017>>
- Porsche Boxster GTS 718 2.5L PDK (365 Bhp) 05/2017>>
- Porsche Boxster GTS 718 4.0L Manual (400 Bhp) 01/2019>>
- Porsche Boxster GTS 718 4.0L PDK (400 Bhp) 01/2019>>
- Porsche Boxster Spyder / Sypder RS 718 4.0L 01/2019>>
- Porsche Boxster 25 Years 718 4.0L Manual (400 Bhp) 01/2020>>
- Porsche Boxster 25 Years 718 4.0L PDK (400 Bhp) 01/2020>>
- Porsche 996 C2 3.4L 1997-08/01
- Porsche 996 C4 3.4L 1997-08/01
- Porsche 996 C2 3.6L 09/01-2005
- Porsche 996 C4 3.6L 09/01-2005
- Porsche 996 C4S 3.6L 09/01-2005
- Porsche 997 MK1 Carrera 2 3.6L 2005-08
- Porsche 997 MK1 Carrera 2S 3.8L 2005-08
- Porsche 997 MK1 Carrera 4 3.6L 2005-08
- Porsche 997 MK1 Carrera 4S 3.8L 2005-08
- Porsche 997 MKII Carrera C2 3.6L 2009-12
- Porsche 997 MKII Carrera C4 3.6L 2009-12
- Porsche 997 MKII Carrera C2S 3.8L 2009-12
- Porsche 997 MKII Carrera C4S 3.8L 2009-12
- Porsche 997 MKII Turbo 2010-13
- Porsche 991.1 Carrera C2 3.4L (350 Bhp) 2012-16
- Porsche 991.1 Carrera C2S / GTS 3.8L (400/430 Bhp) 2012-16
- Porsche 991.1 Carrera C4 3.4L (350 Bhp) 2012-16
- Porsche 991.1 Carrera C4S / GTS 3.8L (400/430 Bhp) 2012-16
- Porsche 991.1 Turbo 3.8L (520 Bhp) 2014-16
- Porsche 991.1 Turbo S 3.8L (560 Bhp) 2014-16
- Porsche 991.2 Carrera 2 3.0L (370 Bhp) 2016-19
- Porsche 991.2 Carrera 2S / GTS 3.0L (420/450 Bhp) 2016-19
- Porsche 991.2 Carrera 4 3.0L (370 Bhp) 2016-19
- Porsche 991.2 Carrera 4S / GTS 3.0L (420/450 Bhp) 2016-19
- Porsche 991.2 Cabriolet 2 3.0L (370 Bhp) 2016-19
- Porsche 991.2 Cabriolet 2S / GTS 3.0L (420/450 Bhp) 2016-19
- Porsche 991.2 Cabriolet 4 3.0L (370 Bhp) 2016-19
- Porsche 991.2 Cabriolet 4S / GTS 3.0L (420/450 Bhp) 2016-19
- Porsche 991.2 Targa 4 3.0L (370 Bhp) 2016-19
- Porsche 991.2 Targa 4S / GTS 3.0L (420/450 Bhp) 2016-19
- Porsche 991.2 Turbo Coupe 3.8L (540 Bhp) 2016-19
- Porsche 991.2 Turbo S Coupe 3.8L (580 Bhp) 2016-19
- Porsche 991.2 Turbo Cabriolet 3.8L (540 Bhp) 2016-19
- Porsche 991.2 Turbo S Cabriolet 3.8L (580 Bhp) 2016-19
- Porsche 992.1 Carrera 2 3.0L 2019-24
- Porsche 992.1 Carrera 4 3.0L 2019-24
- Porsche 992.1 Carrera 2 Cabriolet 3.0L 2019-24
- Porsche 992.1 Carrera 4 Cabriolet 3.0L 2019-24
- Porsche 992.1 Carrera 2S / GTS 3.0L 2019-24
- Porsche 992.1 Carrera 4S / GTS 3.0L 2019-24
- Porsche 992.1 Carrera 2S / GTS Cabriolet 3.0L 2019-24
- Porsche 992.1 Carrera 4S / GTS Cabriolet 3.0L 2019-24
- Porsche 992.1 Targa 4 3.0L 2020-24
- Porsche 992.1 Targa 4S / GTS 3.0L 2020-24
- Porsche 992.1 Turbo 3.8L 2020-24
- Porsche 992.1 Turbo S 3.8L 2020-24
- Porsche 992.1 Turbo Cabriolet 3.8L 2020-24
- Porsche 992.1 Turbo S Cabriolet 3.8L 2020-24
- Porsche 992.1 (911) Sport Classic 3.8L 2023
- Porsche 992.1 (911) Dakar 3.0L 2023-24
- Porsche 992.2 Carrera 2 3.0L 2024>>
- Porsche 992.2 Carrera 2 GTS 3.6L 2024>>
- Porsche 992.2 Carrera 4 GTS 3.6L 2024>>
- Porsche 992.2 Carrera 2 3.0L Cabriolet 2024>>
- Porsche 992.2 Carrera 2 GTS 3.6L Cabriolet 2024>>
- Porsche 992.2 Carrera 4 GTS 3.6L Cabriolet 2024>>
- Porsche 992.2 Targa 4 GTS 3.6L 2024>>
- Porsche 992.2 Turbo 3.6L 2024>>
- Porsche Cayman 2.7L 987C 2006-08
- Porsche Cayman S 3.4L 987C 2005-08
- Porsche Cayman 2.9L 987C MKII 2009-12
- Porsche Cayman S / R 3.4L 987C MKII 2009-12
- Porsche Cayman 2.7L 981 2013-16
- Porsche Cayman S / GTS 3.4L 981 2013-16
- Porsche Cayman GT4 3.8L 2015-16
- Porsche Cayman 718 2.0L Manual (300 Bhp)
- Porsche Cayman 718 2.0L PDK (300 Bhp)
- Porsche Cayman S 718 2.5L Manual (350 Bhp)
- Porsche Cayman S 718 2.5L PDK (350 Bhp)
- Porsche Cayman T 718 2.0L Manual (300 Bhp)
- Porsche Cayman T 718 2.0L PDK (300 Bhp)
- Porsche Cayman GTS 718 2.5L Manual (365 Bhp)
- Porsche Cayman GTS 718 2.5L PDK (365 Bhp)
- Porsche Cayman GTS 718 4.0L Manual (400 Bhp)
- Porsche Cayman GTS 718 4.0L PDK (400 Bhp)
- Porsche Cayman GT4 718 4.0L / GT4 RS 718 4.0L
- Porsche 955 Cayenne S 4.5L V8 2003-06
- Porsche 955 Cayenne Turbo 4.5L 2003-06
- Porsche 955 Cayenne Turbo S 4.5L 2006>>
- Porsche 957 Cayenne S / GTS 4.8L 2007-10
- Porsche 957 Cayenne Turbo / Turbo S 4.8L 2007-10
- Porsche 958 Cayenne V6 3.6L Petrol (300Hp) 2010-17
- Porsche 958 Cayenne S V8 4.8L Petrol (400Hp) 2010-17
- Porsche 958 Cayenne GTS V8 4.8L Petrol (400Hp) 2010-17
- Porsche 958 Cayenne Turbo V8 4.8L Petrol (500Hp) 2010-17
- Porsche 958 Cayenne Turbo S V8 4.8L Petrol (550Hp) 2010-17
- Porsche 970.1 Panamera V6 3.6L 2WD 2009-13
- Porsche 970.1 Panamera 4 V6 3.6L 4WD 2009-13
- Porsche 970.1 Panamera S V8 4.8L 2009-13
- Porsche 970.1 Panamera 4S V8 4.8L 2009-13
- Porsche 970.1 Panamera GTS V8 4.8L 2011-13
- Porsche 970.1 Panamera Turbo V8 4.8L 2009-13
- Porsche 970.1 Panamera Turbo S V8 4.8L 2009-13
- Porsche 970.2 Panamera V6 3.6L 2WD (310Hp) 2014-16
- Porsche 970.2 Panamera 4 V6 3.6L 4WD (310Hp) 2014-16
- Porsche 970.2 Panamera S V6 Turbo 3.0L 2WD (420Hp) 2014-16
- Porsche 970.2 Panamera S V6 Turbo 3.0L 2WD Executive 2014-16
- Porsche 970.2 Panamera 4S V6 Turbo 3.0L 4WD (420Hp) 2014-16
- Porsche 970.2 Panamera 4S V6 Turbo 3.0L 4WD Executive 2014-16
- Porsche 970.2 Panamera GTS V8 4.8L 4WD (440Hp) 2014-16
- Porsche 970.2 Panamera Turbo V8 4.8L (520Hp) 2014-16
- Porsche 970.2 Panamera Turbo V8 Executive 2014-16
- Porsche 970.2 Panamera Turbo S V8 4.8L 2014-16
- Porsche 95B.1 Macan S Petrol 3.0L V6 (340Bhp) 2014-18
- Porsche 95B.1 Macan GTS Petrol 3.0L V6 (360Bhp) 2014-18
- Porsche 95B.1 Macan Turbo 3.6L V6 (400Bhp) 2014-18
Fits:
Porsche 986 Boxster 2.5L 1997-99
Porsche 986 Boxster 2.7L 2000-04
Porsche 986 Boxster S 3.2L 2000-04
Porsche 987-1 Boxster 2.7L 2005-08
Porsche 987-1 Boxster S 3.4L 2005-08
Porsche 987-1 Cayman 2.7L 2005-08
Porsche 987-1 Cayman S 3.4L 2005-08
Porsche 987-2 Boxster 2.9L 2009-12
Porsche 987-2 Boxster S 3.4L 2009-12
Porsche 987-2 Boxster Spyder 3.4L 2011-12
Porsche 987-2 Cayman 2.9L 2009-12
Porsche 987-2 Cayman S 3.4L 2009-12
Porsche 987-2 Cayman R 3.4L 2012
Porsche 981 Boxster 2.7L 2012-16
Porsche 981 Boxster S 3.4L 2012-16
Porsche 981 Boxster GTS 3.4L 2015-16
Porsche 981 Boxster Spyder 3.8L 2016
Porsche 981 Cayman 2.7L 2014-16
Porsche 981 Cayman S 3.4L 2014-16
Porsche 981 Cayman GTS 3.4L 2014-16
Porsche 981 Cayman GT4 3.8L 2016
Porsche 718 (982) Boxster 2.0L 2017>>
Porsche 718 (982) Boxster T 2.0L 2020>>
Porsche 718 (982) Boxster S 2.5L 2017>>
Porsche 718 (982) Boxster GTS 2.5L 2018-19
Porsche 718 (982) Boxster GTS 4.0L 2019>>
Porsche 718 (982) Boxster Spyder 4.0L 2019>> - Excludes RS
Porsche 718 (982) Cayman 2.0L 2017>>
Porsche 718 (982) Cayman T 2.0L 2020>>
Porsche 718 (982) Cayman S 2.5L 2017>>
Porsche 718 (982) Cayman GTS 2.5L 2018-19
Porsche 718 (982) Cayman GTS 4.0L 2019>>
Porsche 718 (982) Cayman GT4 4.0L 2019>> - Excludes RS
Porsche 996-1 Carrera 3.4L 1998-01
Porsche 996-1 Carrera 4 3.4L 1999-01
Porsche 996-2 Carrera 3.6L 2002-04
Porsche 996-2 Carrera 4 3.6L 2002-04
Porsche 996-2 Carrera 4S 3.6L 2002-05
Porsche 996-2 Targa 3.6L 2002-04
Porsche 997-1 Carrera 3.6L 2005-08
Porsche 997-1 Carrera 4 3.6L 2006-08
Porsche 997-1 Carrera S 3.8L 2005-08
Porsche 997-1 Carrera 4S 3.8L 2006-08
Porsche 997-1 Targa 4 3.6L 2007-08
Porsche 997-1 Targa 4S 3.8L 2007-08
Porsche 997-2 Carrera 3.6L 2009-12
Porsche 997-2 Carrera 4 3.6L 2009-12
Porsche 997-2 Carrera S 3.8L 2009-12
Porsche 997-2 Carrera GTS 3.8L 2011-12
Porsche 997-2 Carrera 4 GTS 3.8L 2011-12
Porsche 997-2 Carrera 4S 3.8L 2009-12
Porsche 997-2 Targa 4 3.6L 2009-12
Porsche 997-2 Targa 4S 3.8L 2009-12
Porsche 997-2 Turbo / S 3.8L 2010-13
Porsche 991-1 Carrera 3.4L 2012-16
Porsche 991-1 Carrera 4 3.4L 2012-16
Porsche 991-1 Carrera S 3.8L 2012-16
Porsche 991-1 Carrera 4S 3.8L 2012-16
Porsche 991-1 Carrera GTS 3.8L 2015-16
Porsche 991-1 Carrera 4 GTS 3.8L 2016
Porsche 991-1 Targa 4 3.4L 2015-16
Porsche 991-1 Targa 4S 3.8L 2015-16
Porsche 991-1 Targa 4 GTS 3.8L 2015-16
Porsche 991-2 Carrera 3.0L 2017-19
Porsche 991-2 Carrera 4 3.0L 2017-19
Porsche 991-2 Carrera S 3.0L 2017-19
Porsche 991-2 Carrera 4S 3.0L 2017-19
Porsche 991-2 Carrera GTS 3.0L 2017-19
Porsche 991-2 Carrera 4 GTS 3.0L 2017-19
Porsche 991-2 Targa 3.0L 2017-19
Porsche 991-2 Targa 4 3.0L 2017-19
Porsche 991-2 Targa 4 GTS 3.0L 2017-19
Porsche 991-1 Turbo 3.8L 2014-16
Porsche 991-2 Turbo 3.8L 2017-20
Porsche 992-1 Carrera 3.0L 2019-24
Porsche 992-1 Carrera T 3.0L 2023-24
Porsche 992-1 Carrera S 3.0L 2019-24
Porsche 992-1 Carrera GTS 3.0L 2022-24
Porsche 992-1 Carrera 4 3.0L 2019-24
Porsche 992-1 Carrera 4S 3.0L 2019-24
Porsche 992-1 Carrera 4 GTS 3.0L 2022-24
Porsche 992-1 Targa 4 3.0L 2019-24
Porsche 992-1 Targa 4S 3.0L 2019-24
Porsche 992-1 Targa 4 GTS 3.0L 2022-24
Porsche 992-1 Turbo / S 3.7L 2020>>
Porsche 992-2 Carrera 3.0L 2024>>
Porsche 992-2 Carrera T 3.0L 2024>>
Porsche 992-2 Carrera S 3.0L 2024>>
Porsche 992-2 Carrera GTS T-Hybrid 3.6L 2024>>
Porsche 992-2 Carrera 4 GTS T-Hybrid 3.6L 2024>>
Porsche 955 Cayenne S 4.5L V8 2003-06
Porsche 955 Cayenne Turbo 4.5L V8 2003-06
Porsche 957 Cayenne S 4.8L V8 2007-10
Porsche 957 Cayenne GTS 4.8L V8 2008-10
Porsche 957 Cayenne Turbo 4.8L V8 2007-10
Porsche 958-1 Cayenne S 4.8L V8 2011-14
Porsche 958-1 Cayenne GTS 4.8L V8 2011-14
Porsche 958-1 Cayenne Turbo 4.8L V8 2011-14
Porsche 958-1 Cayenne Turbo S 4.8L V8 2011-14
Porsche 958-2 Cayenne S 3.6L V6 2015-18
Porsche 958-2 Cayenne GTS 3.6L V6 2015-18
Porsche 958-2 Cayenne Turbo 4.8L V8 2015-18
Porsche 958-2 Cayenne Turbo S 4.8L V8 2015-18
Porsche 970-1 Panamera 3.6L V6 2010-13
Porsche 970-1 Panamera 4 3.6L V6 2010-13
Porsche 970-1 Panamera S 4.8L V8 2010-13
Porsche 970-1 Panamera 4S 4.8L V8 2010-13
Porsche 970-1 Panamera GTS 4.8L V8 2013
Porsche 970-1 Panamera Turbo 4.8L V8 2010-13
Porsche 970-1 Panamera Turbo S 4.8L V8 2010-13
Porsche 970-2 Panamera 3.6L V6 2014-16
Porsche 970-2 Panamera 4 3.6L V6 2014-16
Porsche 970-2 Panamera S 3.0L V6 2014-16
Porsche 970-2 Panamera 4S 3.0L V6 2014-16
Porsche 970-2 Panamera GTS 4.8L V8 2014-16
Porsche 970-2 Panamera Turbo 4.8L 2014-16
Porsche 970-2 Panamera Turbo S 4.8L 2014-16
Porsche 95B-1 Macan S 3.0L V6 2014-18
Porsche 95B-1 Macan GTS 3.0L V6 2014-18
Porsche 95B-1 Macan Turbo 3.6L V6 2014-18
Diagram ref. 5.
Related reference numbers
Related, superseded, cross reference or alternative numbers for comparison.
0PB105249
The product you are viewing cross references to these numbers

Related reference numbers
Related, superseded, cross reference or alternative numbers for comparison.
703141410
The product you are viewing cross references to these numbers
-
crankcase for 997.1 M96.05 3.6L COUPE / CABRIO and 997.1 M97.01 3.8L CABRIO S / COUPE S 2005-08 101-05
-
crankshaft for 997.1 M96.05 3.6L COUPE / CABRIO and 997.1 M97.01 3.8L CABRIO S / COUPE S 2005-08 102-00
-
cylinder head for 997.1 M96.05 3.6L COUPE / CABRIO and 997.1 M97.01 3.8L COUPE S / CABRIO S 2005-08 103-00
-
camshaft driving mechanism for 997.1 M96.05 3.6L COUPE / CABRIO and 997.1 M97.01 3.8L COUPE S / CABRIO S 2005-08 103-10
-
oil pump, tandem pump for 997.1 M96.05 3.6L COUPE / CABRIO and 997.1 M97.01 3.8L COUPE / CABRIO 2005-08 104-00
-
water pump and thermostat housing for 997.1 M96.05 3.6L COUPE / CABRIO and 997.1 M97.01 3.8L COUPE S / CABRIO S 2005-08 105-00
Engine Gaskets & Gasket Sets – Precision Sealing for Porsche Engines
Engine gaskets are vital components that ensure your Porsche’s engine operates efficiently and leak-free. Positioned between key engine surfaces such as the cylinder head, intake manifold, and oil pan, gaskets maintain a perfect seal against high temperatures, pressures, and fluids.
At Design911, we offer a comprehensive range of engine gaskets, seals, and complete gasket kits for Porsche models of every generation. Each gasket is crafted from high-quality composite, metal, or elastomer materials to withstand the extreme conditions of high-performance engines — ensuring optimal sealing, reduced oil and coolant leaks, and consistent compression.
Whether you’re rebuilding a classic 911 flat-six or servicing a modern turbocharged Porsche engine, our manufacturer-quality gaskets and complete kits guarantee reliability, performance, and peace of mind.
What Do Engine Gaskets and Gasket Sets Do?
Gaskets play a critical role in ensuring that various engine systems — combustion, lubrication, and cooling — remain properly sealed.
Core Functions:
- Prevent
leaks of oil, coolant, air, and combustion gases.
- Maintain
compression between the engine block and cylinder head.
- Ensure
efficient combustion and proper engine pressure balance.
- Protect internal components from cross-contamination of fluids.
A properly sealed engine not only improves performance and efficiency but also prevents costly long-term damage.
Why Do Gaskets Fail?
Despite their durability, gaskets naturally degrade over time due to extreme heat cycles, pressure variations, and material fatigue.
Common Causes of Gasket Failure Include:
- Overheating,
causing warping or breakdown of the gasket material.
- Improper
installation or torqueing during assembly.
- Aging
materials that harden or crack with use.
- Chemical
degradation from oil or coolant exposure.
- Uneven pressure or engine vibration, leading to micro-leaks.
Typical symptoms of gasket failure include oil or coolant leaks, reduced compression, overheating, or visible residue at gasket joints.
Why Replace with Precision-Engineered Gaskets and Kits?
Replacing worn or leaking gaskets is essential to maintain proper engine compression, prevent contamination, and restore overall reliability. Our direct-fit gasket sets and kits are designed to meet or exceed Porsche engineering standards, providing complete sealing solutions for rebuilds and maintenance.
Key Benefits:
- Restores proper sealing and compression integrity.
- Prevents oil and coolant leaks for cleaner performance.
- Enhances efficiency and reliability under load.
- Manufactured from high-grade, heat- and pressure-resistant materials.
- Available
as individual gaskets or complete kits for full rebuilds.
- Direct-fit compatibility for a wide range of Porsche models.
Our gasket sets are ideal for engine rebuilds, overhauls, and preventive maintenance, ensuring long-term dependability and peak performance.
Highlights:
- Complete Porsche engine gasket kits and individual components.
- Precision-engineered for exact sealing performance.
- Constructed from advanced composite, metal, and elastomer materials.
- Resistant to heat, pressure, and chemical exposure.
- Suitable for classic air-cooled and modern water-cooled engines.
- Ensures leak-free operation and lasting reliability.