Enter your VAT number here and click Verify:
Your details have been verified. VAT number registered to:
,
.
Your order will now be zero rated for VAT purposes. We reserve the right to verify these details after your order request has been made and reinstate VAT if required.
Your VAT details were not recognised or were invalid. Your VAT number must be matched to your Billing Country as specified above. This is currently specified as . You do not need to enter the country code part of your VAT number as this has already been selected in your billing address details above.
The VAT number checking service is currently offline. Please supply your VAT details within the comments or special instructions field below and we will apply a VAT discount after placing your order request.
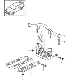
Gearbox mounts
- Porsche 996 C2 3.6L 09/01-2005
- Porsche 996 C4 3.6L 09/01-2005
- Porsche 996 C4S 3.6L 09/01-2005
- Porsche 996 TURBO 2000-05
- Porsche 996 GT2 2001-05
- Porsche 996 GT3 MKI 1999-02
- Porsche 996 GT3 MKII 2003>>
- Porsche 997 MK1 Carrera 2 3.6L 2005-08
- Porsche 997 MK1 Carrera 2S 3.8L 2005-08
- Porsche 997 MK1 Carrera 4 3.6L 2005-08
- Porsche 997 MK1 Carrera 4S 3.8L 2005-08
- Porsche 997 MK1 GT3 2007-09
- Porsche 997 MKII GT3 2010-11
- Porsche 997 MKII Turbo 2010-13
- Porsche 997 MKII GT2 RS 2011-13
Improve shifting precision and driveline stability with this Gearbox / Transmission Bushing Set.
Designed for Porsche 996 and 997 models, these heavy-duty bushings replace the original soft rubber mounts with a higher-durometer compound and reinforced aluminum cores.
Sold As A Set Of 2.
Fits:
- Porsche 996 C2 3.6L 2002-2005 (Tiptronic Transmission Only)
- Porsche 996 C4 3.6L 2002-2005 (Tiptronic Transmission Only)
- Porsche 996 C4S 3.6L 2002-2005
(Tiptronic Transmission Only)
- Porsche 996 TURBO 2000-05
(Tiptronic / Manual Transmission)
- Porsche 996 GT2 2001-05
(Tiptronic / Manual Transmission)
- Porsche 996 GT3 MKI 1999-02 (Manual Transmission Only)
- Porsche 996 GT3 MKII 2003>> (Manual Transmission Only)
- Porsche 997 MK1 Carrera 2 3.6L 2005-08
(Tiptronic Transmission Only)
- Porsche 997 MK1 Carrera 2S 3.8L 2005-08
(Tiptronic Transmission Only)
- Porsche 997 MK1 Carrera 4 3.6L 2005-08
(Tiptronic Transmission Only)
- Porsche 997 MK1 Carrera 4S 3.8L 2005-08 (Tiptronic Transmission Only)
- Porsche 997 MK1 GT3 2007-09 (Manual Transmission Only)
- Porsche 997 MKII GT3 2010-11
(Manual Transmission Only)
- Porsche 997 MKII Turbo 2010-13
(Manual Transmission Only)
- Porsche 997 MKII GT2 RS 2011-13
(Manual Transmission Only)
Fits On To Diagram Ref No 1
What This Product Does:
- Support and Mount the Transmission - They hold the gearbox (transaxle) in place relative to the chassis, keeping it aligned and preventing undesired motion.
- Absorb Vibration & Isolate Noise - The bushings dampen transmission vibration and drivetrain noise, improving comfort.
- Control Drivetrain “Slop” / Play - Stiffer bushings reduce the amount of twist or movement under torque load, minimizing driveline lash or unwanted movement when accelerating, shifting, or off the throttle.
- Maintain Geometry & Alignment - Properly mounted gearbox prevents shifting of driveline angles, which helps protect CV joints, driveshafts, and reduces undue stress elsewhere.
- Clunking, knocking, or banging noises during shifts, on throttle application, or when decelerating
- Driveline lash / slop — a sensation of delay or “slack” before power transfer
- Increased vibration or harshness felt in the cabin, especially under load or gear changes
- Gearbox movement — the transmission may move or twist noticeably when revs / torque change
- Wear on adjacent components — e.g. CV joints, driveshafts, differential support bearings may see accelerated wear
- Restores Sharpness & Responsiveness — by eliminating soft or worn mounts, the drivetrain becomes more responsive and direct.
- Reduces Noise, Vibration & Harshness — a proper bushing absorbs and isolates vibration better than degraded old rubber.
- Protects Other Drivetrain Parts — reduces stress on CV joints, couplings, differential mounts due to movement or misalignment.
- Preserves Safety & Durability — under high torque loads (e.g. hard driving), a weak mount can twist excessively and cause damage.
- Better Handling Feedback — with less transmission movement, throttle transitions and engine braking feel more controlled and precise.
Related reference numbers
Related, superseded, cross reference or alternative numbers for comparison.
99737503303
The product you are viewing cross references to these numbers
- Porsche 996 C2 3.6L 09/01-2005
- Porsche 996 C4 3.6L 09/01-2005
- Porsche 996 C4S 3.6L 09/01-2005
- Porsche 996 TURBO 2000-05
- Porsche 996 GT2 2001-05
- Porsche 996 GT3 MKI 1999-02
- Porsche 996 GT3 MKII 2003>>
- Porsche 997 MK1 Carrera 2 3.6L 2005-08
- Porsche 997 MK1 Carrera 2S 3.8L 2005-08
- Porsche 997 MK1 Carrera 4 3.6L 2005-08
- Porsche 997 MK1 Carrera 4S 3.8L 2005-08
- Porsche 997 MK1 TURBO 2007-09
- Porsche 997 MK1 GT3 2007-09
- Porsche 997 MK1 GT2 2007-09
- Porsche 997 MKII GT3 2010-11
- Porsche 997 MKII Turbo 2010-13
- Porsche 997 MKII GT2 RS 2011-13
Sold as a set with (2) bushings included per kit to complete a single car.
Type: Racing / Motorsport
Fits:
Porsche 996 C2 / C4 / C4S 2002-2005 TIPTRONIC only
Porsche 996 Turbo 2001-2005 MANUAL & TIPTRONIC
Porsche 996 GT3 MKI & MKII 2000-2005 MANUAL only
Porsche 997 C2 / C4 / C2S / C4S TIPTRONIC only
Porsche 997 Turbo MKI 2006-2009 MANUAL & TIPTRONIC
Porsche 997 Turbo MKII 2010-2013 MANUAL only
Porsche 997 GT3 MKI & MKII 2007-2013 MANUAL only
HD transmission mounts replace your OEM transmission carrier bushings with our 25% stiffer bushings**. These units install the same as factory bushings and will eliminate clunks and driveline slop often associated with original rubber units. These high quality units feature aluminum center bushings and splined outer races filled with harder durometer rubber for perfect fitment and long service life. A perfect answer for those who want less driveline play but don't want harshness associated with semi solid and solid mounts.
Fits inside Porsche OE part 99737503303, or 99637503303
Related reference numbers
Related, superseded, cross reference or alternative numbers for comparison.
99737503303
The product you are viewing cross references to these numbers
Porsche Gearbox Mounts
At Design911, we supply a wide range of gearbox mounts for Porsche models, from OEM-style replacements to uprated performance mounts that help control drivetrain movement and keep your Porsche feeling precise and responsive.
Why do Porsche Gearbox Mounts matter?
Gearbox mounts sit between the transmission and the chassis of your Porsche, supporting the weight of the gearbox and controlling how much it can move under load. As rubber ages or higher demands are placed on the drivetrain, standard mounts can soften or crack, allowing excess movement, extra vibration and less consistent shift quality. Replacing tired mounts or choosing a suitable performance option helps restore a more connected feel and protects surrounding components from unwanted movement.
- Keep the gearbox properly supported and aligned under normal driving and acceleration
- Help manage vibration and harshness so your Porsche remains refined in daily use
- Reduce unwanted drivetrain movement that can contribute to shunt, knocks or vaguer shifting
- Support long-term driving enjoyment and can complement other chassis or transmission upgrades
Common options & kits
Individual replacement parts – Specific gearbox mounts or inserts to address a particular worn component without changing everything at once.
- Ideal for targeted repairs
- Lets you replace only what is needed
- Helps keep initial costs under control
Matched sets or pairs – Components supplied together so related mounts are renewed at the same time.
- Consistent feel and behaviour across the drivetrain
- Helps avoid uneven wear or mixed characteristics
- A sensible choice for routine maintenance
Complete kits – Grouped parts designed to refresh a whole mounting arrangement in one go, useful for more involved upgrades and restorations.
- Everything specified in a single package
- Saves time compared with sourcing parts individually
- Ideal when upgrading or restoring your Porsche
Brands available in this category
For this category we stock a wide choice of trusted brands for Porsche models. You can also browse and filter by brand on this page to focus on your preferred manufacturers.
9products – Precision-engineered performance components for Porsche driveline and chassis applications, including solid and semi-solid mounts aimed at drivers who want a very direct connection and track-capable hardware.
Eurowise – Parts developed with off-road and durability-focused use in mind on certain Porsche models, typically chosen where extra robustness and control are priorities.
OE Match – OE-equivalent components aimed at maintaining original behaviour and refinement, a good fit when you want stock-like feel and sensible running costs.
Powerflex – Polyurethane solutions in areas where they apply, chosen when owners want firmer control and longer-lasting material than ageing rubber, with the trade-off of a more direct feel.
Prekom – Stock-replacement steering and suspension specialists with OEM links on various Porsche parts, useful when restoring predictable, factory-style behaviour.
When should you review or replace your Porsche gearbox mounts?
Checking gearbox mounts regularly helps you spot wear, damage or age-related deterioration before it affects refinement or leads to further issues elsewhere in the drivetrain or exhaust system.
- Clunks or thumps during gear changes, on/off throttle, or when taking up drive
- Increased vibration through the cabin or a more “droney” feel than before
- Drivetrain shunt, judder, or a less precise, more inconsistent shift feel
- Signs that the gearbox is sitting low or has shifted position, sometimes linked with exhaust or heat shield contact noises
If any of these apply, it is a good time to review your gearbox mounts and replace anything that is past its best so your Porsche stays dependable and enjoyable to drive.
Explore Porsche gearbox mounts with Design911
Browse gearbox mounts for Porsche at Design911 — from individual replacement mounts to complete performance-focused solutions — and find options to suit everyday maintenance, subtle upgrades and full projects.