Enter your VAT number here and click Verify:
Your details have been verified. VAT number registered to:
,
.
Your order will now be zero rated for VAT purposes. We reserve the right to verify these details after your order request has been made and reinstate VAT if required.
Your VAT details were not recognised or were invalid. Your VAT number must be matched to your Billing Country as specified above. This is currently specified as . You do not need to enter the country code part of your VAT number as this has already been selected in your billing address details above.
The VAT number checking service is currently offline. Please supply your VAT details within the comments or special instructions field below and we will apply a VAT discount after placing your order request.
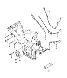
Gaskets & Sets
- Porsche 957 Cayenne 3.0L Diesel 2007-10
- Porsche 958 Cayenne V6 3.0L Diesel 245HP 2010-17
- Porsche 958 Cayenne S V6 3.0L Hybrid 380HP 2010-17
Set of 24 valve stem seals
Fits:
Porsche 957 Cayenne Diesel - 2007 to 2010 (inlet and exhaust 24 required)
Porsche 958 Cayenne Diesel 3.0ltr - 2010 to 2017 (inlet and exhaust 24 required)
Diagram ref no 12
Related reference numbers
Related, superseded, cross reference or alternative numbers for comparison.
95510511510KIT2
The product you are viewing cross references to these numbers
This kit is comprised of the following items:
- Porsche 957 Cayenne 3.6L 2007-10

Fits:
Porsche 957 Cayenne 3.6ltr - 2007 to 2010
For engine code
5501
Contents:
- Engine head gaskets
- Valve cover gaskets
- Valve cover seals
- Timing chain cover gaskets
- Oil filler cap seal
- Cover cap seal
- Valve stem seals
- Exhaust head to manifold gaskets
- Exhaust manifold to cat
Related reference numbers
Related, superseded, cross reference or alternative numbers for comparison.
95510417101
The product you are viewing cross references to these numbers
- Porsche 957 Cayenne 3.6L 2007-10
- Porsche 958 Cayenne V6 3.6L Petrol 300Hp 2010-17

Fits:
Porsche 957 Cayenne 3.6L 2008-10
Porsche 958 Cayenne 3.6L 2011>>
Click 'Zoom in' for large parts diagram.
Diagram ref no 15
Related reference numbers
Related, superseded, cross reference or alternative numbers for comparison.
95510417101
The product you are viewing cross references to these numbers
- Porsche 957 Cayenne 3.6L 2007-10
- Porsche 958 Cayenne V6 3.6L Petrol 300Hp 2010-17

Fits:
Porsche 957 Cayenne 3.6L 2008-10
Porsche 958 Cayenne 3.6L 2011>>
Click 'Zoom in' for large parts diagram.
Diagram ref no 15
Related reference numbers
Related, superseded, cross reference or alternative numbers for comparison.
95510417101
The product you are viewing cross references to these numbers
- Porsche 957 Cayenne S/GTS 4.8L 2007-10
- Porsche 957 Cayenne Turbo / Turbo S 4.8L 2007-10

Fits:
Porsche 957 Cayenne S 4.8ltr V8 - 2007 to 2010
Porsche 957 Cayenne GTS 4.8ltr V8 - 2007 to 2010
Porsche 957 turbo 4.8ltr V8 - 2007 to 2010
Contents:
- Engine head gaskets
- Valve cover gaskets
- Valve cover seals
- Timing chain cover gaskets
- Oil filler cap seal
- Cover cap seal
- Valve stem seals
- Exhaust head to manifold gaskets
- Exhaust manifold to cat
Related reference numbers
Related, superseded, cross reference or alternative numbers for comparison.
94810417305
The product you are viewing cross references to these numbers
- Porsche 957 Cayenne S/GTS 4.8L 2007-10
- Porsche 957 Cayenne Turbo / Turbo S 4.8L 2007-10
- Porsche 958 Cayenne S V8 4.8L Petrol 400HP 2010-17
- Porsche 958 Cayenne GTS V8 4.8L Petrol 400HP 2010-17
- Porsche 958 Cayenne Turbo V8 4.8L Petrol 500HP 2010-17
- Porsche 958 Cayenne Turbo S V8 4.8L Petrol 550HP 2010-17
- Porsche 970.1 Panamera S V8 4.8L 2009-13
- Porsche 970.1 Panamera 4S V8 4.8L 2009-13
- Porsche 970.1 Panamera GTS V8 4.8L 2011-13
- Porsche 970.1 Panamera Turbo V8 4.8L 2009-13
- Porsche 970.1 Panamera Turbo S V8 4.8L 2009-13
- Porsche 970.2 Panamera GTS V8 4.8L 4WD (440Hp) 2014-16
- Porsche 970.2 Panamera Turbo V8 4.8L (520Hp) 2014-16
- Porsche 970.2 Panamera Turbo V8 Executive 2014-16
- Porsche 970.2 Panamera Turbo S V8 4.8L 2014-16
1 per engine.

Fits:
Porsche 957 Cayenne S / GTS / TURBO 4.8L 2008-10
Porsche 958 Cayenne S / GTS / TURBO 4.8L 2011>>
Porsche 970 Panamera S / GTS / TURBO 4.8L 2010>>
This product supersedes Porsche's old part numbers:
- 94810417304 (1-4 Cyl.) / 94810417404 (5-8 Cyl.)
Click 'Zoom in' for large parts diagram.
Diagram ref no 34
Related reference numbers
Related, superseded, cross reference or alternative numbers for comparison.
94810417
The product you are viewing cross references to these numbers
- Porsche 957 Cayenne S/GTS 4.8L 2007-10
- Porsche 957 Cayenne Turbo / Turbo S 4.8L 2007-10
- Porsche 958 Cayenne S V8 4.8L Petrol 400HP 2010-17
- Porsche 958 Cayenne S V8 4.2L Diesel 382HP 2010-17
- Porsche 958 Cayenne GTS V8 4.8L Petrol 400HP 2010-17
- Porsche 958 Cayenne Turbo V8 4.8L Petrol 500HP 2010-17
- Porsche 958 Cayenne Turbo S V8 4.8L Petrol 550HP 2010-17
- Porsche 970.1 Panamera S V8 4.8L 2009-13
- Porsche 970.1 Panamera 4S V8 4.8L 2009-13
- Porsche 970.1 Panamera GTS V8 4.8L 2011-13
- Porsche 970.1 Panamera Turbo V8 4.8L 2009-13
- Porsche 970.1 Panamera Turbo S V8 4.8L 2009-13
- Porsche 970.2 Panamera GTS V8 4.8L 4WD (440Hp) 2014-16
- Porsche 970.2 Panamera Turbo V8 4.8L (520Hp) 2014-16
- Porsche 970.2 Panamera Turbo V8 Executive 2014-16
- Porsche 970.2 Panamera Turbo S V8 4.8L 2014-16
1 per engine.

Fits:
Porsche 957 Cayenne S / GTS / TURBO 4.8L 2008-10
Porsche 958 Cayenne S / GTS / TURBO 4.8L 2011>>
Porsche 970 Panamera S / GTS / TURBO 4.8L 2010>>
This product supersedes Porsche's old part numbers:
- 94810417304 (1-4 Cyl.) / 94810417404 (5-8 Cyl.)
Click 'Zoom in' for large parts diagram.
Diagram ref no 34
Related reference numbers
Related, superseded, cross reference or alternative numbers for comparison.
94810417
The product you are viewing cross references to these numbers
- Porsche 957 Cayenne S/GTS 4.8L 2007-10
- Porsche 957 Cayenne Turbo / Turbo S 4.8L 2007-10
- Porsche 958 Cayenne S V8 4.8L Petrol 400HP 2010-17
- Porsche 958 Cayenne GTS V8 4.8L Petrol 400HP 2010-17
- Porsche 958 Cayenne Turbo V8 4.8L Petrol 500HP 2010-17
- Porsche 958 Cayenne Turbo S V8 4.8L Petrol 550HP 2010-17
- Porsche 970.1 Panamera S V8 4.8L 2009-13
- Porsche 970.1 Panamera 4S V8 4.8L 2009-13
- Porsche 970.1 Panamera GTS V8 4.8L 2011-13
- Porsche 970.1 Panamera Turbo V8 4.8L 2009-13
- Porsche 970.1 Panamera Turbo S V8 4.8L 2009-13
- Porsche 970.2 Panamera GTS V8 4.8L 4WD (440Hp) 2014-16
- Porsche 970.2 Panamera Turbo V8 4.8L (520Hp) 2014-16
- Porsche 970.2 Panamera Turbo V8 Executive 2014-16
- Porsche 970.2 Panamera Turbo S V8 4.8L 2014-16

Fits:
Porsche 957 Cayenne 4.8L S / GTS / Turbo 2007-10
Porsche 958 Cayenne 4.8L S / GTS / Turbo 2010-18
Porsche 970 Panamera 4.8L S / GTS / Turbo 2010-16
Click 'Zoom in' for large parts diagram.
Diagram ref no 3 (cyl. 1-4) or 4 (cyl. 5-8)
Related reference numbers
Related, superseded, cross reference or alternative numbers for comparison.
94810593
The product you are viewing cross references to these numbers
- Porsche 957 Cayenne S/GTS 4.8L 2007-10
- Porsche 957 Cayenne Turbo / Turbo S 4.8L 2007-10
- Porsche 958 Cayenne S V8 4.8L Petrol 400HP 2010-17
- Porsche 958 Cayenne GTS V8 4.8L Petrol 400HP 2010-17
- Porsche 958 Cayenne Turbo V8 4.8L Petrol 500HP 2010-17
- Porsche 958 Cayenne Turbo S V8 4.8L Petrol 550HP 2010-17
- Porsche 970.1 Panamera S V8 4.8L 2009-13
- Porsche 970.1 Panamera 4S V8 4.8L 2009-13
- Porsche 970.1 Panamera GTS V8 4.8L 2011-13
- Porsche 970.1 Panamera Turbo V8 4.8L 2009-13
- Porsche 970.1 Panamera Turbo S V8 4.8L 2009-13
- Porsche 970.2 Panamera GTS V8 4.8L 4WD (440Hp) 2014-16
- Porsche 970.2 Panamera Turbo V8 4.8L (520Hp) 2014-16
- Porsche 970.2 Panamera Turbo V8 Executive 2014-16
- Porsche 970.2 Panamera Turbo S V8 4.8L 2014-16

Fits:
Porsche 957 Cayenne 4.8L S / GTS / Turbo 2007-10
Porsche 958 Cayenne 4.8L S / GTS / Turbo 2010-18
Porsche 970 Panamera 4.8L S / GTS / Turbo 2010-16
Click 'Zoom in' for large parts diagram.
Diagram ref no 3 (cyl. 1-4) or 4 (cyl. 5-8)
Related reference numbers
Related, superseded, cross reference or alternative numbers for comparison.
94810593
The product you are viewing cross references to these numbers
- Porsche 957 Cayenne 3.6L 2007-10
- Porsche 958 Cayenne V6 3.6L Petrol 300Hp 2010-17

Fits:
Porsche 957 Cayenne 3.6L 2008-10
Porsche 958 Cayenne 3.6L 2011-18
Click 'Zoom in' for large parts diagram.
Diagram ref no 2
Related reference numbers
Related, superseded, cross reference or alternative numbers for comparison.
95510523101
The product you are viewing cross references to these numbers
- Porsche 957 Cayenne 3.6L 2007-10
- Porsche 958 Cayenne V6 3.6L Petrol 300Hp 2010-17

Fits:
Porsche 957 Cayenne 3.6L 2008-10
Porsche 958 Cayenne 3.6L 2011-18
Click 'Zoom in' for large parts diagram.
Diagram ref no 2
Related reference numbers
Related, superseded, cross reference or alternative numbers for comparison.
95510523101
The product you are viewing cross references to these numbers
- Porsche 957 Cayenne S/GTS 4.8L 2007-10
Fits:
Porsche Cayenne 957 (9PA1) S / GTS 4.8L 2007-10
Related reference numbers
Related, superseded, cross reference or alternative numbers for comparison.
94810743700
The product you are viewing cross references to these numbers
- Porsche 957 Cayenne S/GTS 4.8L 2007-10
- Porsche 957 Cayenne Turbo / Turbo S 4.8L 2007-10
- Porsche 958 Cayenne S V8 4.8L Petrol 400HP 2010-17
- Porsche 958 Cayenne GTS V8 4.8L Petrol 400HP 2010-17
- Porsche 958 Cayenne Turbo V8 4.8L Petrol 500HP 2010-17
- Porsche 958 Cayenne Turbo S V8 4.8L Petrol 550HP 2010-17
- Porsche 970.1 Panamera V6 3.6L 2WD 2009-13
- Porsche 970.1 Panamera 4 V6 3.6L 4WD 2009-13
- Porsche 970.1 Panamera S V8 4.8L 2009-13
- Porsche 970.1 Panamera 4S V8 4.8L 2009-13
- Porsche 970.1 Panamera GTS V8 4.8L 2011-13
- Porsche 970.1 Panamera Turbo V8 4.8L 2009-13
- Porsche 970.1 Panamera Turbo S V8 4.8L 2009-13
- Porsche 970.2 Panamera V6 3.6L 2WD (310Hp) 2014-16
- Porsche 970.2 Panamera 4 V6 3.6L 4WD (310Hp) 2014-16
- Porsche 970.2 Panamera S V6 Turbo 3.0L 2WD (420Hp) 2014-16
- Porsche 970.2 Panamera S V6 Turbo 3.0L 2WD Executive 2014-16
- Porsche 970.2 Panamera 4S V6 Turbo 3.0L 4WD (420Hp) 2014-16
- Porsche 970.2 Panamera 4S V6 Turbo 3.0L 4WD Executive 2014-16
- Porsche 970.2 Panamera GTS V8 4.8L 4WD (440Hp) 2014-16
- Porsche 970.2 Panamera Turbo V8 4.8L (520Hp) 2014-16
- Porsche 970.2 Panamera Turbo V8 Executive 2014-16
- Porsche 970.2 Panamera Turbo S V8 4.8L 2014-16

Fits:
Porsche 957 Cayenne S / GTS / TURBO 4.8L 2007-10
Porsche 958 Cayenne S / GTS / TURBO 4.8L 2011-18
Porsche 970 Panamera 3.6L 2011-16
Porsche 970 Panamera S / GTS / TURBO 4.8L 2011-16
Click 'Zoom in' for large parts diagram.
Diagram ref no 5
Related reference numbers
Related, superseded, cross reference or alternative numbers for comparison.
94810593702
The product you are viewing cross references to these numbers
- Porsche 957 Cayenne S/GTS 4.8L 2007-10
- Porsche 957 Cayenne Turbo / Turbo S 4.8L 2007-10
- Porsche 958 Cayenne S V8 4.8L Petrol 400HP 2010-17
- Porsche 958 Cayenne GTS V8 4.8L Petrol 400HP 2010-17
- Porsche 958 Cayenne Turbo V8 4.8L Petrol 500HP 2010-17
- Porsche 958 Cayenne Turbo S V8 4.8L Petrol 550HP 2010-17
- Porsche 970.1 Panamera V6 3.6L 2WD 2009-13
- Porsche 970.1 Panamera 4 V6 3.6L 4WD 2009-13
- Porsche 970.1 Panamera S V8 4.8L 2009-13
- Porsche 970.1 Panamera 4S V8 4.8L 2009-13
- Porsche 970.1 Panamera GTS V8 4.8L 2011-13
- Porsche 970.1 Panamera Turbo V8 4.8L 2009-13
- Porsche 970.1 Panamera Turbo S V8 4.8L 2009-13
- Porsche 970.2 Panamera V6 3.6L 2WD (310Hp) 2014-16
- Porsche 970.2 Panamera 4 V6 3.6L 4WD (310Hp) 2014-16
- Porsche 970.2 Panamera S V6 Turbo 3.0L 2WD (420Hp) 2014-16
- Porsche 970.2 Panamera S V6 Turbo 3.0L 2WD Executive 2014-16
- Porsche 970.2 Panamera 4S V6 Turbo 3.0L 4WD (420Hp) 2014-16
- Porsche 970.2 Panamera 4S V6 Turbo 3.0L 4WD Executive 2014-16
- Porsche 970.2 Panamera GTS V8 4.8L 4WD (440Hp) 2014-16
- Porsche 970.2 Panamera Turbo V8 4.8L (520Hp) 2014-16
- Porsche 970.2 Panamera Turbo V8 Executive 2014-16
- Porsche 970.2 Panamera Turbo S V8 4.8L 2014-16

Fits:
Porsche 957 Cayenne S / GTS / TURBO 4.8L 2007-10
Porsche 958 Cayenne S / GTS / TURBO 4.8L 2011-18
Porsche 970 Panamera 3.6L 2011-16
Porsche 970 Panamera S / GTS / TURBO 4.8L 2011-16
Click 'Zoom in' for large parts diagram.
Diagram ref no 5
Related reference numbers
Related, superseded, cross reference or alternative numbers for comparison.
94810593702
The product you are viewing cross references to these numbers
Typical Applications
Hylomar Gasket 3400 can be used as a gasketing compound between machined surfaces. It is ideal for sealing between mating faces on engines and transmission components where resistance to temperature and vibration are essential.
INSTRUCTIONS FOR USE
Hylomar Gasket 3400 should be applied to clean and dry surfaces, free of contamination such as oil or grease. The compound may be dispensed by hand from cartridge, concertina pack, or via a screen printing system. Once applied the joint should be assembled as soon as practical. Any excess compound can be easily wiped off external surfaces with a clean cloth soaked in Acetone or other suitable solvents.
Typical Physical Properties:
UNCURED PRODUCT
Composition: Methyl-Methacrylate
Colour: Yellow
Viscosity @ 25°C / Brookfield Spindle 6 @ 2.5rpm: 100,000cps
Specific Gravity @ 25°C: 1.10 g/ml
Solvent Content: None
Specific Gravity g/ml @ 25°C: 1.04
Flash Point: >100°C
Shelf Life: 1 Year @ 4° to 25°C
CURED PRODUCT
Handling Time: 40 minutes
Functional Cure Time: 4 – 6 hours
Full Cure Time : 24 – 72 hours
Shear Strength : 1.5 N/mm²
Mild Steel/Mild Steel BS 5350 Part C5
Aluminium/Aluminium BS 5350 Part C5
Temperature Range: -40° to 150°C
- Porsche 957 Cayenne S/GTS 4.8L 2007-10
- Porsche 957 Cayenne Turbo / Turbo S 4.8L 2007-10
- Porsche 958 Cayenne V6 3.6L Petrol 300Hp 2010-17
- Porsche 958 Cayenne S V8 4.8L Petrol 400HP 2010-17
- Porsche 958 Cayenne GTS V8 4.8L Petrol 400HP 2010-17
- Porsche 958 Cayenne Turbo V8 4.8L Petrol 500HP 2010-17
- Porsche 958 Cayenne Turbo S V8 4.8L Petrol 550HP 2010-17
- Porsche 970.1 Panamera V6 3.6L 2WD 2009-13
- Porsche 970.1 Panamera 4 V6 3.6L 4WD 2009-13
- Porsche 970.1 Panamera S V8 4.8L 2009-13
- Porsche 970.1 Panamera 4S V8 4.8L 2009-13
- Porsche 970.1 Panamera GTS V8 4.8L 2011-13
- Porsche 970.1 Panamera Turbo V8 4.8L 2009-13
- Porsche 970.1 Panamera Turbo S V8 4.8L 2009-13
- Porsche 970.2 Panamera V6 3.6L 2WD (310Hp) 2014-16
- Porsche 970.2 Panamera 4 V6 3.6L 4WD (310Hp) 2014-16
- Porsche 970.2 Panamera S V6 Turbo 3.0L 2WD (420Hp) 2014-16
- Porsche 970.2 Panamera S V6 Turbo 3.0L 2WD Executive 2014-16
- Porsche 970.2 Panamera 4S V6 Turbo 3.0L 4WD (420Hp) 2014-16
- Porsche 970.2 Panamera 4S V6 Turbo 3.0L 4WD Executive 2014-16
- Porsche 970.2 Panamera GTS V8 4.8L 4WD (440Hp) 2014-16
- Porsche 970.2 Panamera Turbo V8 4.8L (520Hp) 2014-16
- Porsche 970.2 Panamera Turbo V8 Executive 2014-16
- Porsche 970.2 Panamera Turbo S V8 4.8L 2014-16
- Porsche 95B.1 Macan S Petrol 3.0L V6 340Bhp 2014-18
- Porsche 95B.1 Macan S Diesel 3.0L V6 258Bhp 2014-18
- Porsche 95B.1 Macan GTS Petrol 3.0L V6 360Bhp 2014-18

Fits:
Porsche 957 Cayenne S / GTS / turbo 4.8ltr V8 - 2007 to 2010
Porsche 958 Cayenne 3.6ltr V6 - 2010 to 2017
Porsche 958 Cayenne S / GTS / turbo 4.8ltr V8 - 2010 to 2017
Porsche 970.1 Panamera / 4 3.6ltr V6 - 2009 to 2013
Porsche 970.1 Panamera S / 4S / turbo /4.8ltr V8 - 2009 to 2013
Porsche 970.2 Panamera / 4 3.6ltr V6 - 2014 to 2016
Porsche 970.2 Panamera S / 4S 3.0ltr V6 - 2014 to 2016
Porsche 970.2 Panamera GTS / turbo 4.8ltr V8 - 2014 to 2016
Porsche 95B Macan S / GTS / turbo - 204 to 2018
Click 'Zoom in' for large parts diagram.
Diagram ref no 39
Related reference numbers
Related, superseded, cross reference or alternative numbers for comparison.
99970758241
The product you are viewing cross references to these numbers
-
Base engine / Short block (Model: 4801,4851) Cayenne 9PA1 (957) 4.8L 2007-10 101-005
-
Crankcase housing / Individual parts (Model: 5501) Cayenne 9PA1 (957) 3.6L 2007-10 101-040
-
Cover for timing chain / Sealing flange (Model: 4801,4851) Cayenne 9PA1 (957) 4.8L 2007-10 101-060
-
Cylinder head / Vacuum pump (Model: 4801,4851) Cayenne 9PA1 (957) 4.8L 2007-10 103-000
-
Cylinder head / Vacuum pump (Model: 5501) Cayenne 9PA1 (957) 3.6L 2007-10 103-002
-
Valve cover (Model: 4801,4851) Cayenne 9PA1 (957) 4.8L 2007-10 103-004
-
Valve cover (Model: 5501) Cayenne 9PA1 (957) 3.6L 2007-10 103-006
-
Camshaft / Valves / Vacuum pump (Model: 059D) Cayenne 3.0L Diesel 2007-10 103-013
-
Crankcase housing / Bleeding (Model: 4801,4851) Cayenne 9PA1 (957) 4.8L 2007-10 107-001
-
Intake manifold (Model: 5501) Cayenne 9PA1 (957) 3.6L 2007-10 107-015
-
Exhaust system / Exhaust manifolds / Catalytic converter (PR:D5V) Cayenne 9PA1 (957) 4.8L 2007-10 202-000
-
Exhaust system / Exhaust manifolds / Catalytic converter (PR:D5Z) Cayenne 9PA1 (957) 4.8L Turbo 2007-10 202-005
-
Exhaust system / Exhaust manifolds / Catalytic converter (PR:D5X) Cayenne 9PA1 (957) 3.6L 2007-10 202-010
Engine Gaskets & Gasket Sets – Precision Sealing for Porsche Engines
Engine gaskets are vital components that ensure your Porsche’s engine operates efficiently and leak-free. Positioned between key engine surfaces such as the cylinder head, intake manifold, and oil pan, gaskets maintain a perfect seal against high temperatures, pressures, and fluids.
At Design911, we offer a comprehensive range of engine gaskets, seals, and complete gasket kits for Porsche models of every generation. Each gasket is crafted from high-quality composite, metal, or elastomer materials to withstand the extreme conditions of high-performance engines — ensuring optimal sealing, reduced oil and coolant leaks, and consistent compression.
Whether you’re rebuilding a classic 911 flat-six or servicing a modern turbocharged Porsche engine, our manufacturer-quality gaskets and complete kits guarantee reliability, performance, and peace of mind.
What Do Engine Gaskets and Gasket Sets Do?
Gaskets play a critical role in ensuring that various engine systems — combustion, lubrication, and cooling — remain properly sealed.
Core Functions:
- Prevent
leaks of oil, coolant, air, and combustion gases.
- Maintain
compression between the engine block and cylinder head.
- Ensure
efficient combustion and proper engine pressure balance.
- Protect internal components from cross-contamination of fluids.
A properly sealed engine not only improves performance and efficiency but also prevents costly long-term damage.
Why Do Gaskets Fail?
Despite their durability, gaskets naturally degrade over time due to extreme heat cycles, pressure variations, and material fatigue.
Common Causes of Gasket Failure Include:
- Overheating,
causing warping or breakdown of the gasket material.
- Improper
installation or torqueing during assembly.
- Aging
materials that harden or crack with use.
- Chemical
degradation from oil or coolant exposure.
- Uneven pressure or engine vibration, leading to micro-leaks.
Typical symptoms of gasket failure include oil or coolant leaks, reduced compression, overheating, or visible residue at gasket joints.
Why Replace with Precision-Engineered Gaskets and Kits?
Replacing worn or leaking gaskets is essential to maintain proper engine compression, prevent contamination, and restore overall reliability. Our direct-fit gasket sets and kits are designed to meet or exceed Porsche engineering standards, providing complete sealing solutions for rebuilds and maintenance.
Key Benefits:
- Restores proper sealing and compression integrity.
- Prevents oil and coolant leaks for cleaner performance.
- Enhances efficiency and reliability under load.
- Manufactured from high-grade, heat- and pressure-resistant materials.
- Available
as individual gaskets or complete kits for full rebuilds.
- Direct-fit compatibility for a wide range of Porsche models.
Our gasket sets are ideal for engine rebuilds, overhauls, and preventive maintenance, ensuring long-term dependability and peak performance.
Highlights:
- Complete Porsche engine gasket kits and individual components.
- Precision-engineered for exact sealing performance.
- Constructed from advanced composite, metal, and elastomer materials.
- Resistant to heat, pressure, and chemical exposure.
- Suitable for classic air-cooled and modern water-cooled engines.
- Ensures leak-free operation and lasting reliability.