Enter your VAT number here and click Verify:
Your details have been verified. VAT number registered to:
,
.
Your order will now be zero rated for VAT purposes. We reserve the right to verify these details after your order request has been made and reinstate VAT if required.
Your VAT details were not recognised or were invalid. Your VAT number must be matched to your Billing Country as specified above. This is currently specified as . You do not need to enter the country code part of your VAT number as this has already been selected in your billing address details above.
The VAT number checking service is currently offline. Please supply your VAT details within the comments or special instructions field below and we will apply a VAT discount after placing your order request.
Power Steering Pipes / Hoses / Radiators
- Porsche 957 Cayenne S / GTS 4.8L 2007-10
- Porsche 957 Cayenne Turbo / Turbo S 4.8L 2007-10

Fits:
Porsche 957 Cayenne 4.8L 2007-10
Cars with Front and rear anti-roll bars with active Body control -PDCC- (option code: 0AW)
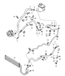
Click 'Zoom in' for large parts diagram.
Diagram ref no 16
Related reference numbers
Related, superseded, cross reference or alternative numbers for comparison.
95535931010
The product you are viewing cross references to these numbers
- Porsche Boxster 986 2.5L 1997-99
- Porsche Boxster 986 2.7L 1999-02
- Porsche Boxster S 986 3.2L 1999-02
- Porsche Boxster 986 2.7L 2003-04
- Porsche Boxster S 986 3.2L 2003-04
- Porsche Boxster 987 2.7L 2005-08/08
- Porsche Boxster 987 S 3.2/3.4L 2005-08/08
- Porsche Boxster 987 MKII 2.9L 2009-12
- Porsche Boxster S 987 MKII 3.4L 2009-12
- Porsche Boxster 981 2.7L 2012-16
- Porsche Boxster 981 S / GTS 3.4L 2012-16
- Porsche 996 C2 3.4L 1997-08/01
- Porsche 996 C4 3.4L 1997-08/01
- Porsche 996 C2 3.6L 09/01-2005
- Porsche 996 C4 3.6L 09/01-2005
- Porsche 996 C4S 3.6L 09/01-2005
- Porsche 996 TURBO 2000-05
- Porsche 996 GT2 2001-05
- Porsche 996 GT3 MKI 1999-02
- Porsche 996 GT3 MKII 2003>>
- Porsche 996 GT3 RS 2003-04
- Porsche 997 MK1 Carrera 2 3.6L 2005-08
- Porsche 997 MK1 Carrera 2S 3.8L 2005-08
- Porsche 997 MK1 Carrera 4 3.6L 2005-08
- Porsche 997 MK1 Carrera 4S 3.8L 2005-08
- Porsche 997 MK1 TURBO 2007-09
- Porsche 997 MK1 GT3 2007-09
- Porsche 997 MK1 GT2 2007-09
- Porsche 997 MKII Carrera C2 3.6L 2009-12
- Porsche 997 MKII Carrera C4 3.6L 2009-12
- Porsche 997 MKII Carrera C2S 3.8L 2009-12
- Porsche 997 MKII Carrera C4S 3.8L 2009-12
- Porsche 997 MKII GT3 2010-11
- Porsche 997 MKII Turbo 2010-13
- Porsche 997 MKII GT2 RS 2011-13
- Porsche 991.1 Carrera C2 3.4L (350 Bhp) 2012-16
- Porsche 991.1 Carrera C2S / GTS 3.8L (400/430 Bhp) 2012-16
- Porsche 991.1 Carrera C4 3.4L (350 Bhp) 2012-16
- Porsche 991.1 Carrera C4S / GTS 3.8L (400/430 Bhp) 2012-16
- Porsche 991.1 Turbo 3.8L (520 Bhp) 2014-16
- Porsche 991.1 Turbo S 3.8L (560 Bhp) 2014-16
- Porsche 991.1 GT3 3.8L (475 Bhp) 2014-16
- Porsche Cayman 2.7L 987C 2006-08
- Porsche Cayman S 3.4L 987C 2005-08
- Porsche Cayman 2.9L 987C MKII 2009-12
- Porsche Cayman S / R 3.4L 987C MKII 2009-12
- Porsche Cayman 2.7L 981 2013-16
- Porsche Cayman S / GTS 3.4L 981 2013-16
- Porsche Carrera GT 2003-06
- Porsche 955 Cayenne 3.2L V6 2003-06
- Porsche 955 Cayenne S 4.5L V8 2003-06
- Porsche 955 Cayenne Turbo 4.5L 2003-06
- Porsche 955 Cayenne Turbo S 4.5L 2006>>
- Porsche 957 Cayenne 3.0L Diesel 2007-10
- Porsche 957 Cayenne 3.6L 2007-10
- Porsche 957 Cayenne S / GTS 4.8L 2007-10
- Porsche 957 Cayenne Turbo / Turbo S 4.8L 2007-10
- Porsche 958 Cayenne V6 3.6L Petrol (300Hp) 2010-17
- Porsche 958 Cayenne V6 3.0L Diesel (245Hp) 2010-17
- Porsche 958 Cayenne S V6 3.0L Hybrid (380Hp) 2010-17
- Porsche 958 Cayenne S V8 4.8L Petrol (400Hp) 2010-17
- Porsche 958 Cayenne S V8 4.2L Diesel (382Hp) 2010-17
- Porsche 958 Cayenne GTS V8 4.8L Petrol (400Hp) 2010-17
- Porsche 958 Cayenne Turbo V8 4.8L Petrol (500Hp) 2010-17
- Porsche 958 Cayenne Turbo S V8 4.8L Petrol (550Hp) 2010-17
- Porsche 970.1 Panamera V6 3.6L 2WD 2009-13
- Porsche 970.1 Panamera 4 V6 3.6L 4WD 2009-13
- Porsche 970.1 Panamera S V8 4.8L 2009-13
- Porsche 970.1 Panamera 4S V8 4.8L 2009-13
- Porsche 970.1 Panamera GTS V8 4.8L 2011-13
- Porsche 970.1 Panamera Turbo V8 4.8L 2009-13
- Porsche 970.1 Panamera Turbo S V8 4.8L 2009-13
- Porsche 970.1 Panamera Diesel V6 3.0L 2011-13
- Porsche 970.1 Panamera S Hybrid V6 3.0L 2011-13
- Porsche 970.2 Panamera V6 3.6L 2WD (310Hp) 2014-16
- Porsche 970.2 Panamera 4 V6 3.6L 4WD (310Hp) 2014-16
- Porsche 970.2 Panamera S V6 Turbo 3.0L 2WD (420Hp) 2014-16
- Porsche 970.2 Panamera S V6 Turbo 3.0L 2WD Executive 2014-16
- Porsche 970.2 Panamera 4S V6 Turbo 3.0L 4WD (420Hp) 2014-16
- Porsche 970.2 Panamera 4S V6 Turbo 3.0L 4WD Executive 2014-16
- Porsche 970.2 Panamera GTS V8 4.8L 4WD (440Hp) 2014-16
- Porsche 970.2 Panamera Turbo V8 4.8L (520Hp) 2014-16
- Porsche 970.2 Panamera Turbo V8 Executive 2014-16
- Porsche 970.2 Panamera Turbo S V8 4.8L 2014-16
- Porsche 970.2 Panamera Diesel V6 3.0L (250Hp) 2014-16
- Porsche 970.2 Panamera S E-Hybrid V6 3.0L (416Hp) 2014-16
- Porsche 95B.1 Macan S Petrol 3.0L V6 (340Bhp) 2014-18
- Porsche 95B.1 Macan S Diesel 3.0L V6 (258Bhp) 2014-18
- Porsche 95B.1 Macan Turbo 3.6L V6 (400Bhp) 2014-18
- Porsche 914 (1970-1976)
1 Litre
OE Porsche ref numbers: 000 043 203 33 | 000 043 206 56 | 000 043 305 74
Product Information:
Low compressibility and high corrosion protection
Excellent lubricating properties, high ageing-resistance and adhesion properties
Prevention of deposits and foam formation
Compliance with the requirements of vehicle manufacturers
Vehicle Repairs. We've Got What It Takes.
The febi range of high-quality, specialist hydraulic oils provide optimised low-temperature performance. They are based on advanced additives and selected mineral base oils, and are developed specifically for use in central hydraulic systems such as power steering, convertible roof mechanisms and hydro-pneumatic suspension systems.
Quality by Conviction:
Oils from febi are not universal products, but rather are tailored to the special requirements of vehicle manufacturers. Only the right oil can guarantee the safe functioning of the hydraulic systems in the vehicle. High-quality hydraulic fluids from febi are therefore precisely matched to the special requirements of vehicle manufacturers.
Related reference numbers
Related, superseded, cross reference or alternative numbers for comparison.
00004330574
The product you are viewing cross references to these numbers
- Porsche Boxster 986 2.5L 1997-99
- Porsche Boxster 986 2.7L 1999-02
- Porsche Boxster S 986 3.2L 1999-02
- Porsche Boxster 986 2.7L 2003-04
- Porsche Boxster S 986 3.2L 2003-04
- Porsche Boxster 987 2.7L 2005-08/08
- Porsche Boxster 987 S 3.2/3.4L 2005-08/08
- Porsche Boxster 987 MKII 2.9L 2009-12
- Porsche Boxster S 987 MKII 3.4L 2009-12
- Porsche Boxster 981 2.7L 2012-16
- Porsche Boxster 981 S / GTS 3.4L 2012-16
- Porsche 996 C2 3.4L 1997-08/01
- Porsche 996 C4 3.4L 1997-08/01
- Porsche 996 C2 3.6L 09/01-2005
- Porsche 996 C4 3.6L 09/01-2005
- Porsche 996 C4S 3.6L 09/01-2005
- Porsche 996 TURBO 2000-05
- Porsche 996 GT2 2001-05
- Porsche 996 GT3 MKI 1999-02
- Porsche 996 GT3 MKII 2003>>
- Porsche 996 GT3 RS 2003-04
- Porsche 997 MK1 Carrera 2 3.6L 2005-08
- Porsche 997 MK1 Carrera 2S 3.8L 2005-08
- Porsche 997 MK1 Carrera 4 3.6L 2005-08
- Porsche 997 MK1 Carrera 4S 3.8L 2005-08
- Porsche 997 MK1 TURBO 2007-09
- Porsche 997 MK1 GT3 2007-09
- Porsche 997 MK1 GT2 2007-09
- Porsche 997 MKII Carrera C2 3.6L 2009-12
- Porsche 997 MKII Carrera C4 3.6L 2009-12
- Porsche 997 MKII Carrera C2S 3.8L 2009-12
- Porsche 997 MKII Carrera C4S 3.8L 2009-12
- Porsche 997 MKII GT3 2010-11
- Porsche 997 MKII Turbo 2010-13
- Porsche 997 MKII GT2 RS 2011-13
- Porsche 991.1 Carrera C2 3.4L (350 Bhp) 2012-16
- Porsche 991.1 Carrera C2S / GTS 3.8L (400/430 Bhp) 2012-16
- Porsche 991.1 Carrera C4 3.4L (350 Bhp) 2012-16
- Porsche 991.1 Carrera C4S / GTS 3.8L (400/430 Bhp) 2012-16
- Porsche 991.1 Turbo 3.8L (520 Bhp) 2014-16
- Porsche 991.1 Turbo S 3.8L (560 Bhp) 2014-16
- Porsche 991.1 GT3 3.8L (475 Bhp) 2014-16
- Porsche Cayman 2.7L 987C 2006-08
- Porsche Cayman S 3.4L 987C 2005-08
- Porsche Cayman 2.9L 987C MKII 2009-12
- Porsche Cayman S / R 3.4L 987C MKII 2009-12
- Porsche Cayman 2.7L 981 2013-16
- Porsche Cayman S / GTS 3.4L 981 2013-16
- Porsche Carrera GT 2003-06
- Porsche 955 Cayenne 3.2L V6 2003-06
- Porsche 955 Cayenne S 4.5L V8 2003-06
- Porsche 955 Cayenne Turbo 4.5L 2003-06
- Porsche 955 Cayenne Turbo S 4.5L 2006>>
- Porsche 957 Cayenne 3.0L Diesel 2007-10
- Porsche 957 Cayenne 3.6L 2007-10
- Porsche 957 Cayenne S / GTS 4.8L 2007-10
- Porsche 957 Cayenne Turbo / Turbo S 4.8L 2007-10
- Porsche 958 Cayenne V6 3.6L Petrol (300Hp) 2010-17
- Porsche 958 Cayenne V6 3.0L Diesel (245Hp) 2010-17
- Porsche 958 Cayenne S V6 3.0L Hybrid (380Hp) 2010-17
- Porsche 958 Cayenne S V8 4.8L Petrol (400Hp) 2010-17
- Porsche 958 Cayenne S V8 4.2L Diesel (382Hp) 2010-17
- Porsche 958 Cayenne GTS V8 4.8L Petrol (400Hp) 2010-17
- Porsche 958 Cayenne Turbo V8 4.8L Petrol (500Hp) 2010-17
- Porsche 958 Cayenne Turbo S V8 4.8L Petrol (550Hp) 2010-17
- Porsche 970.1 Panamera V6 3.6L 2WD 2009-13
- Porsche 970.1 Panamera 4 V6 3.6L 4WD 2009-13
- Porsche 970.1 Panamera S V8 4.8L 2009-13
- Porsche 970.1 Panamera 4S V8 4.8L 2009-13
- Porsche 970.1 Panamera GTS V8 4.8L 2011-13
- Porsche 970.1 Panamera Turbo V8 4.8L 2009-13
- Porsche 970.1 Panamera Turbo S V8 4.8L 2009-13
- Porsche 970.1 Panamera Diesel V6 3.0L 2011-13
- Porsche 970.1 Panamera S Hybrid V6 3.0L 2011-13
- Porsche 970.2 Panamera V6 3.6L 2WD (310Hp) 2014-16
- Porsche 970.2 Panamera 4 V6 3.6L 4WD (310Hp) 2014-16
- Porsche 970.2 Panamera S V6 Turbo 3.0L 2WD (420Hp) 2014-16
- Porsche 970.2 Panamera S V6 Turbo 3.0L 2WD Executive 2014-16
- Porsche 970.2 Panamera 4S V6 Turbo 3.0L 4WD (420Hp) 2014-16
- Porsche 970.2 Panamera 4S V6 Turbo 3.0L 4WD Executive 2014-16
- Porsche 970.2 Panamera GTS V8 4.8L 4WD (440Hp) 2014-16
- Porsche 970.2 Panamera Turbo V8 4.8L (520Hp) 2014-16
- Porsche 970.2 Panamera Turbo V8 Executive 2014-16
- Porsche 970.2 Panamera Turbo S V8 4.8L 2014-16
- Porsche 970.2 Panamera Diesel V6 3.0L (250Hp) 2014-16
- Porsche 970.2 Panamera S E-Hybrid V6 3.0L (416Hp) 2014-16
- Porsche 95B.1 Macan S Petrol 3.0L V6 (340Bhp) 2014-18
- Porsche 95B.1 Macan S Diesel 3.0L V6 (258Bhp) 2014-18
- Porsche 95B.1 Macan Turbo 3.6L V6 (400Bhp) 2014-18
- Porsche 914 (1970-1976)
Pentosin Hydraulic System Fluid

Related reference numbers
Related, superseded, cross reference or alternative numbers for comparison.
00004330574
The product you are viewing cross references to these numbers
- Porsche 957 Cayenne 3.0L Diesel 2007-10
Fits:
Porsche 957 Cayenne 3.0L Diesel 2007 - 2010
Diagram ref no 27
Related reference numbers
Related, superseded, cross reference or alternative numbers for comparison.
95534706910
The product you are viewing cross references to these numbers
- Porsche 957 Cayenne 3.0L Diesel 2007-10
Fits:
Porsche 957 Cayenne 3.0L Diesel 2007 - 2010
Diagram ref no 27
Related reference numbers
Related, superseded, cross reference or alternative numbers for comparison.
95534706910
The product you are viewing cross references to these numbers
- Porsche 955 Cayenne 3.2L V6 2003-06
- Porsche 955 Cayenne S 4.5L V8 2003-06
- Porsche 955 Cayenne Turbo 4.5L 2003-06
- Porsche 955 Cayenne Turbo S 4.5L 2006>>
- Porsche 957 Cayenne 3.6L 2007-10
- Porsche 957 Cayenne S / GTS 4.8L 2007-10
- Porsche 957 Cayenne Turbo / Turbo S 4.8L 2007-10

Fits:
Porsche 955 Cayenne 2003-06
Porsche 957 Cayenne 3.6L V8 / 4.5L V8 2007>>
Click 'zoom in' for large parts diagram.
Diagram ref. no 22
Related reference numbers
Related, superseded, cross reference or alternative numbers for comparison.
95534706904
The product you are viewing cross references to these numbers
- Porsche 957 Cayenne 3.0L Diesel 2007-10
- Porsche 957 Cayenne 3.6L 2007-10
- Porsche 957 Cayenne S / GTS 4.8L 2007-10
- Porsche 957 Cayenne Turbo / Turbo S 4.8L 2007-10

Fits:
For RHD cars
Porsche 957 Cayenne 3.6L 2007-10
Porsche 957 Cayenne 3.0L Diesel 2007-10
Porsche 957 Cayenne S 4.8L 2007-10
Porsche 957 Cayenne Turbo 4.8L V8 2007-10
Click 'Zoom in' for large parts diagram.
Diagram ref no 4
Related reference numbers
Related, superseded, cross reference or alternative numbers for comparison.
95534745010
The product you are viewing cross references to these numbers
-
Power steering / Lines / Oil cooler / Differing parts for -PDCC- (PR:D5V,D5Z) Cayenne 9PA1 (957) 4.8L 2007-10 403-001
-
Power steering / Lines / Oil cooler / Differing parts for -PDCC- (PR:D5X,D50) Cayenne 9PA1 (957) 3.6L / 3.0L Diesel 2007-10 403-002
-
Power steering / Power-steering pump / Tandem pump / Oil container (PR:0AB,0AW) Cayenne 9PA1 (957) 2007-10 403-003
-
Power steering / Lines / Oil container (PR:D5V,D5Z, 0AW) Cayenne 9PA1 (957) 4.8L 2007-10 403-010
Porsche Power Steering Pipes, Hoses & Radiators | Design911 Hydraulic Components for Precision Steering
Power steering pipes, hoses, and radiators are vital for maintaining smooth, responsive steering performance in your Porsche. These components transport and cool the hydraulic fluid that powers the steering system, ensuring precise control, minimal resistance, and consistent handling under all driving conditions. A well-maintained hydraulic circuit not only enhances steering feel but also protects your steering pump, rack, and associated components from wear and overheating.
At Design911, we offer an extensive selection of power steering pipes, hoses, and cooling radiators, engineered for exact fitment, reliability, and high-pressure performance. Manufactured using durable materials such as reinforced rubber, stainless steel, and aluminium, our range is ideal for servicing, restoration, and performance upgrades — keeping your Porsche’s steering system operating at its sharpest.
What Do Power Steering Pipes, Hoses & Radiators Do?
Power steering pipes and hoses transfer hydraulic fluid between the pump, rack, and reservoir, while radiators (or coolers) regulate fluid temperature for consistent performance.
Core Functions:
• Deliver hydraulic fluid to assist steering input.
• Maintain consistent pressure within the steering circuit.
• Prevent overheating of steering fluid during high-load use.
• Ensure responsive, effortless steering at all speeds.
• Reduce wear on the pump, seals, and steering rack.
Together, these parts form the backbone of your Porsche’s power steering system, ensuring smooth handling and precise feedback whether on the road or track.
Why Do Power Steering Components Fail or Degrade?
Continuous heat, pressure, and exposure to fluids can cause deterioration of hoses and pipes over time, while radiators may corrode or leak.
Common Causes of Failure Include:
• Cracked or brittle hoses from age or heat exposure.
• Corrosion or pitting in metal pipes.
• Leaks at joints or seals from fluid pressure fluctuations.
• Blocked or damaged steering coolers reducing efficiency.
• Contamination of hydraulic fluid causing internal wear.
When these components fail, drivers may experience stiff steering, fluid leaks, noise, or overheating — all of which can lead to expensive steering system damage if left unaddressed.
Why Replace or Upgrade Your Porsche Power Steering Pipes, Hoses & Radiators?
Replacing or upgrading these components restores safe, consistent hydraulic operation and improves overall steering precision. High-quality materials and modern design offer improved durability, pressure resistance, and corrosion protection.
Key Benefits:
• Restores smooth, consistent steering response.
• Prevents fluid leaks and overheating.
• Extends life of steering pumps and racks.
• Constructed from premium, heat- and pressure-resistant materials.
• Fits Porsche 911, 944, 968, Boxster, Cayman, Cayenne, and Macan models.
• Ideal for restorations, repairs, or performance upgrades.
Design911’s Porsche power steering pipes, hoses, and radiators provide durability, precision, and reliability — ensuring confident handling and performance on every drive.
Highlights
• Premium Porsche power steering hoses, pipes,
and cooling radiators.
• Engineered for precision fitment and leak-free performance.
• Reinforced construction for high-pressure durability.
• Corrosion-resistant and temperature-stable materials.
• Suitable for both classic and modern Porsche models.
• Perfect for maintenance, restoration, or upgrades.