在此输入您的增值税号,然后单击验证:
您的详细信息已经过验证。增值税号注册至:
,
。
现在,您的订单的增值税税率为零。我们保留在您提出订单请求后验证这些详细信息的权利,并在需要时恢复增值税。
您的增值税详细信息无法识别或无效。您的增值税号必须与上面指定的帐单国家/地区相匹配。当前指定为 。您无需输入增值税号的国家/地区代码部分,因为已在上面的帐单地址详细信息中选择了该部分。
增值税号查询服务目前已离线。请在下面的评论或特殊说明字段中提供您的增值税详细信息,我们将在您提出订单请求后应用增值税折扣。
控制臂“棺材臂”和叉臂的螺母和螺栓 前部保时捷 997 - BOLTKIT9971
BOLTKIT9971
产品车辆组
- Porsche Boxster 987 2.7L 2005 -08/08
- Porsche Boxster 987 S 3.2/3.4L 2005-08/08
- Porsche 997 MK1 Carrera 2 3.6L 2005-08
- Porsche 997 MK1 Carrera 2S 3.8L 2005-08
- Porsche 997 MK1 Carrera 4 3.6L 2005-08
- Porsche 997 MK1 Carrera 4S 3.8L 2005-08
- Porsche 997 MKII Carrera C2 3.6L 2009-12
- Porsche 997 MKII Carrera C4 3.6L 2009-12
- Porsche 997 MKII Carrera C2S 3.8L 2009-12
- Porsche 997 MKII Carrera C4S 3.8L 2009-12
- Porsche Cayman 2.7L 987C 2006-08
- Porsche Cayman S 3.4L 987C 2005-08
Information
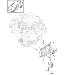
控制臂“棺材臂”和叉骨的螺母和螺栓
正面

正面
保时捷 997
保时捷 987 Boxster >>2007 年
保时捷 987C Cayman >>2007
请点击“放大”查看图表
第 4、5、7、9、10、11、12、22、25 项。
相关参考编号
相关编号、被取代编号、交叉引用编号或替代编号,供比较之用。
BOLTKIT9971
您正在查看的产品与这些编号存在交叉引用关系
正面

正面
保时捷 997
保时捷 987 Boxster >>2007 年
保时捷 987C Cayman >>2007
请点击“放大”查看图表
第 4、5、7、9、10、11、12、22、25 项。
相关参考编号
相关编号、被取代编号、交叉引用编号或替代编号,供比较之用。
BOLTKIT9971
90037816501
99908444501
90037832901
90037814509
90037813501
90038001201
90037821109
您正在查看的产品与这些编号存在交叉引用关系
关于此套件
该套件包括以下商品:
2 x 六角头螺钉,M 12 x 1.5 x 95 (90037816501/1
2 x 六角螺栓,M 14 x 1.5 x 120 (99907205001
4 x Shock absorber hexagon hut. Porsche 996 (99908444501
2 x 六角头螺钉 M 12 x 1.5 x 30 (90037807201
2 x 螺钉,六角头,M 14 x 1.5 x 30 (90037819201
2 x 六角头螺栓前控制臂 M14x1,5x95。保时捷 987 Boxster / Cayman / 997 (90037827901
2 x Shock absorber hexagon nut. Porsche 996 / 997 / Boxster / Cayman (PAF103353
2 x 锁紧螺母,M12 x 1.5 99908444909 (99908444909
2 x Shock absorber hexagon hut. Porsche 996 (99908444501
€93.74
当前 €84.38
库存


