请稍候… 
我们正在处理您的订单,请稍候
请不要按返回按钮… 
Sub5Club Store https://www.pitp.club https://www.pitp.club https://www.pitp.club
价格匹配保证
全球配送
12 个月保修

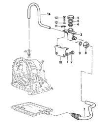
流体软管和管道

按车型类型筛选
按品牌过滤
显示从1到4(共4个产品)
显示从1到4(共4个产品)
也可在这些页面找到
关于流体软管和管道

保时捷变速箱油管及油路——冷却与润滑的关键管路

保时捷变速箱的油液软管和管道是至关重要的部件,它们负责在变速箱、油冷却器、控制阀及相关系统之间输送变速箱油、冷却液和液压油。通过维持正确的油液流量和压力,这些软管和管道确保换挡平顺、工作温度稳定,并保证变速箱的长期可靠性。

Design911 提供的变速箱油管和管道均符合 OEM 规格,非常适合日常维护、泄漏维修以及变速箱或冷却系统的全面检修。

保时捷变速箱油管和油管的作用是什么?

这些部件构成了变速箱系统的流体输送网络。

核心功能:

  • 将变速箱油和冷却液输送到变速箱关键部件
  • 保持正确的流体压力和流量
  • 支持变速箱冷却和润滑
  • 保护内部零件免受高温和摩擦损伤
  • 确保阀门、冷却器和执行器可靠运行

软管和管道的正常运作对于传动系统的性能和使用寿命至关重要。

变速箱油管和油路为何会发生故障?

变速箱油管在恶劣环境下运行,会随着时间推移而老化。

常见故障原因:

  • 热循环会导致橡胶软管变硬或开裂。
  • 金属管道因老化或液体污染而腐蚀
  • 密封件和接头处发生油或冷却液泄漏
  • 振动引起的疲劳和摩擦
  • 冷却器或阀门堵塞会导致压力升高

故障通常会导致液体泄漏、过热、换挡不良或变速箱损坏。

变速箱油管和油管何时需要更换?

如果出现以下任何情况,则应检查并更换保时捷变速箱油管和油液软管:

  • 可见的机油或冷却液泄漏
  • 软管部分出现裂纹、膨胀或脆化
  • 反复出现低液位警告
  • 变速箱过热或换挡不顺畅
  • 在变速箱大修或冷却系统维修期间

预防性更换有助于避免突然的液体泄漏和昂贵的变速箱维修费用。

精彩片段

  • 保时捷变速箱油液输送的关键部件
  • 支持冷却、润滑和压力控制
  • 符合原厂规格,安装可靠
  • 适用于公路、高速公路和高性能应用
  • 有助于保护变速箱内部零件并延长使用寿命

您可能也喜欢
流行车型