Geben Sie hier Ihre MwSt.-Nummer ein und klicken Sie auf Überprüfen:
Sie brauchen den Ländercode Ihrer MwSt.-Nummer nicht einzugeben, da dieser bereits oben in Ihrer Rechnungsadresse ausgewählt wurde.
Ihre Angaben wurden überprüft. MwSt.-Nummer registriert auf:
,
.
Ihre Bestellung ist nun mehrwertsteuerfrei. Wir behalten uns das Recht vor, diese Angaben nach Ihrer Bestellung zu überprüfen und gegebenenfalls die Mehrwertsteuer wieder einzuführen.
Ihre MwSt.-Angaben wurden nicht erkannt oder waren ungültig. Ihre MwSt.-Nummer muss mit Ihrem Rechnungsland übereinstimmen, wie oben angegeben. Dies ist derzeit als angegeben. Sie brauchen den Ländercode Ihrer MwSt.-Nummer nicht einzugeben, da Sie diesen bereits in den Angaben zu Ihrer Rechnungsadresse oben ausgewählt haben.
Der Dienst zur Überprüfung von MwSt.-Nummern ist derzeit offline. Bitte geben Sie Ihre MwSt.-Daten im Feld „Kommentare“ oder „Besondere Hinweise“ unten an, und wir werden nach Ihrer Bestellung einen MwSt.-Rabatt gewähren.
- Porsche 993 (911) C2 1994-97
- Porsche 993 (911) C4 1994-97
- Porsche 993 (911) RS 1994-97
- Porsche 993 (911) C2S 1994-97
- Porsche 993 (911) C4S 1994-97
- Porsche 993 (911) TURBO 1994-96
- Porsche 993 (911) GT2 1994-97
- Porsche 993 (911) TURBO S 1994-97
- Porsche 928 4.5L 1978-82
- Porsche 928S 4.7L 1981-83
- Porsche 928S2 4.7L 1984-86
- Porsche 928S4 5.0L 1987-92
- Porsche 928GT 5.0L 1989-91
- Porsche 928GTS 5.4L 1992-95

Passt:
Porsche 928 1992-95
Porsche 993 1994-98
Klicken Sie auf „Vergrößern“, um ein großes Teilediagramm anzuzeigen.
Diagramm Nr. 19
Zugehörige Referenznummern
Verwandte, ersetzte, Querverweisoder Alternativnummern zum Vergleich.
92862807300
Das von Ihnen angezeigte Produkt verweist auf diese Nummern
- Porsche 911 1974-1977 2.7L / 1976-77 3.0 Carrera
- Porsche 911 1978-1983 3.0L / SC
- Porsche 911 1984-1986 3.2L
- Porsche 911 1987-1989 3.2L G50
- Porsche 911 1975-1977 3.0L Turbo (930)
- Porsche 924 2.0L 1976-79
- Porsche 924 2.0L 1980-85
- Porsche 924 Turbo 2.0L 1979-81
- Porsche 924 Turbo 2.0L 1982-84
- Porsche 924S 2.5L 1986-87
- Porsche 924S 2.5L 1988
- Porsche 944 2.5L 8V 1982-87
- Porsche 944 2.7L 8V 1988-89
- Porsche 944S 2.5L 16V 1987-88
- Porsche 944S2 3.0L 16V 1989-91
- Porsche 928 4.5L 1978-82
- Porsche 928S 4.7L 1981-83
- Porsche 928S2 4.7L 1984-86

Passt:
Porsche 911 Carrera (1974 - 1989)
Porsche 911 Turbo (1975 - 1989)
Porsche 924 (1976 - 1985)
Porsche 924 S (1986 - 1988)
Porsche 924 Turbo (1979 - 1982)
Porsche 928 (1978 - 1982)
Porsche 928 S (1980 - 1986)
Porsche 944 (1982 - 1985) ohne Turbo
Zugehörige Referenznummern
Verwandte, ersetzte, Querverweisoder Alternativnummern zum Vergleich.
PCG02030110
Das von Ihnen angezeigte Produkt verweist auf diese Nummern
- Porsche 911 1978-1983 3.0L / SC
- Porsche 911 1984-1986 3.2L
- Porsche 911 1987-1989 3.2L G50
- Porsche 911 1978-1989 3.3L Turbo (930)
- Porsche 964 (911) C2 1989-93
- Porsche 964 (911) C4 1989-93
- Porsche 964 (911) RS 3.6L 1991-93
- Porsche 964 (911) RS 3.8L 1991-93
- Porsche 964 (911) TURBO 3.3L 1991-93
- Porsche 964 (911) TURBO 3.6L 1991-93
- Porsche 924 2.0L 1976-79
- Porsche 944 Turbo 2.5L 8V 1985-88
- Porsche 944 Turbo 2.5L 8V 1989-91
- Porsche 944 Turbo S 2.5L 8V 1988
- Porsche 968 3.0L 1992-94
- Porsche 968 Sport 3.0L 1994-95
- Porsche 968 CS 3.0L 1993-95
- Porsche 968 Turbo S 3.0L 1993-94
- Porsche 928 4.5L 1978-82
- Porsche 928S 4.7L 1981-83
- Porsche 928S2 4.7L 1984-86
- Porsche 928S4 5.0L 1987-92
- Porsche 928GT 5.0L 1989-91
- Porsche 928GTS 5.4L 1992-95
Verkauft in 1m Längen

Passform:
Porsche 911 - 1978 bis 1989
Porsche 964 - 1989 bis 1994
Porsche 924 - 1976 bis 1978
Porsche 944 - turbo 1985 bis 1991
Porsche 968 - 1992 bis 1995
Porsche 928 - 1978 bis 1995
Klicken Sie auf „Vergrößern“, um das Diagramm großer Teile anzuzeigen.
Diagramm Ref. Nr. 4 und 5
Zugehörige Referenznummern
Verwandte, ersetzte, Querverweisoder Alternativnummern zum Vergleich.
99918180640
Das von Ihnen angezeigte Produkt verweist auf diese Nummern
- Porsche 911 1974-1977 2.7L / 1976-77 3.0 Carrera
- Porsche 911 1978-1983 3.0L / SC
- Porsche 911 1984-1986 3.2L
- Porsche 911 1987-1989 3.2L G50
- Porsche 911 1975-1977 3.0L Turbo (930)
- Porsche 911 1978-1989 3.3L Turbo (930)
- Porsche 964 (911) C2 1989-93
- Porsche 964 (911) C4 1989-93
- Porsche 964 (911) RS 3.6L 1991-93
- Porsche 964 (911) RS 3.8L 1991-93
- Porsche 964 (911) TURBO 3.3L 1991-93
- Porsche 964 (911) TURBO 3.6L 1991-93
- Porsche 928 4.5L 1978-82
- Porsche 928S 4.7L 1981-83
- Porsche 928S2 4.7L 1984-86
- Porsche 928S4 5.0L 1987-92
- Porsche 928GT 5.0L 1989-91
- Porsche 928GTS 5.4L 1992-95
Nylon

Passt:
Porsche 911 1978-89
Porsche 964 1989-94
Porsche 928 1978-95
Klicken Sie auf „Vergrößern“, um ein großes Teilediagramm anzuzeigen.
Diagramm Nr. 12
Zugehörige Referenznummern
Verwandte, ersetzte, Querverweisoder Alternativnummern zum Vergleich.
90028100240
Das von Ihnen angezeigte Produkt verweist auf diese Nummern
- Porsche 911 1978-1983 3.0L / SC
- Porsche 911 1984-1986 3.2L
- Porsche 911 1987-1989 3.2L G50
- Porsche 911 1975-1977 3.0L Turbo (930)
- Porsche 911 1978-1989 3.3L Turbo (930)
- Porsche 924 2.0L 1976-79
- Porsche 924 2.0L 1980-85
- Porsche 924 Turbo 2.0L 1979-81
- Porsche 924 Turbo 2.0L 1982-84
- Porsche 924 Carrera GT 2.0L 1981
- Porsche 924 Carrera GTS 2.0L 1982
- Porsche 924S 2.5L 1986-87
- Porsche 924S 2.5L 1988
- Porsche 944 2.5L 8V 1982-87
- Porsche 944 2.7L 8V 1988-89
- Porsche 944S 2.5L 16V 1987-88
- Porsche 944S2 3.0L 16V 1989-91
- Porsche 944 Turbo 2.5L 8V 1985-88
- Porsche 944 Turbo 2.5L 8V 1989-91
- Porsche 944 Turbo S 2.5L 8V 1988
- Porsche 928 4.5L 1978-82
- Porsche 928S 4.7L 1981-83
- Porsche 928S2 4.7L 1984-86
- Porsche 928S4 5.0L 1987-92
- Porsche 928GT 5.0L 1989-91
- Porsche 928GTS 5.4L 1992-95
Passt – links oder rechts

Passend für:
Porsche 911 1978-89
Porsche 944
Porsche 924
Porsche 928
Klicken Sie auf „Vergrößern“, um ein Diagramm mit großen Teilen anzuzeigen.
Diagramm Nr. 10
Zugehörige Referenznummern
Verwandte, ersetzte, Querverweisoder Alternativnummern zum Vergleich.
477955183
Das von Ihnen angezeigte Produkt verweist auf diese Nummern
- Porsche 911 1974-1977 2.7L / 1976-77 3.0 Carrera
- Porsche 911 1978-1983 3.0L / SC
- Porsche 911 1984-1986 3.2L
- Porsche 911 1987-1989 3.2L G50
- Porsche 911 1975-1977 3.0L Turbo (930)
- Porsche 911 1978-1989 3.3L Turbo (930)
- Porsche 964 (911) C2 1989-93
- Porsche 964 (911) C4 1989-93
- Porsche 964 (911) RS 3.6L 1991-93
- Porsche 964 (911) RS 3.8L 1991-93
- Porsche 964 (911) TURBO 3.3L 1991-93
- Porsche 964 (911) TURBO 3.6L 1991-93
- Porsche 924 2.0L 1980-85
- Porsche 924 Turbo 2.0L 1979-81
- Porsche 924 Turbo 2.0L 1982-84
- Porsche 924 Carrera GT 2.0L 1981
- Porsche 924 Carrera GTS 2.0L 1982
- Porsche 924S 2.5L 1986-87
- Porsche 924S 2.5L 1988
- Porsche 944 2.5L 8V 1982-87
- Porsche 944 2.7L 8V 1988-89
- Porsche 944S 2.5L 16V 1987-88
- Porsche 944S2 3.0L 16V 1989-91
- Porsche 944 Turbo 2.5L 8V 1985-88
- Porsche 944 Turbo 2.5L 8V 1989-91
- Porsche 944 Turbo S 2.5L 8V 1988
- Porsche 928 4.5L 1978-82
- Porsche 928S 4.7L 1981-83
- Porsche 928S2 4.7L 1984-86
- Porsche 928S4 5.0L 1987-92
- Porsche 928GT 5.0L 1989-91
- Porsche 928GTS 5.4L 1992-95

Passform:
Porsche 911 1974-79 (Originalpumpe nicht mehr lieferbar. Es handelt sich um eine Nachrüstpumpe)
Porsche 911 1980-89
Porsche 924 1979-85
Porsche 924S 1986-88
Porsche 928 1978-95
Porsche 944 1982-91
Porsche 964 1989-94
Zugehörige Referenznummern
Verwandte, ersetzte, Querverweisoder Alternativnummern zum Vergleich.
191955681
Das von Ihnen angezeigte Produkt verweist auf diese Nummern
- Porsche 911 1974-1977 2.7L / 1976-77 3.0 Carrera
- Porsche 911 1978-1983 3.0L / SC
- Porsche 911 1984-1986 3.2L
- Porsche 911 1987-1989 3.2L G50
- Porsche 911 1975-1977 3.0L Turbo (930)
- Porsche 911 1978-1989 3.3L Turbo (930)
- Porsche 964 (911) C2 1989-93
- Porsche 964 (911) C4 1989-93
- Porsche 964 (911) RS 3.6L 1991-93
- Porsche 964 (911) RS 3.8L 1991-93
- Porsche 964 (911) TURBO 3.3L 1991-93
- Porsche 964 (911) TURBO 3.6L 1991-93
- Porsche 924 2.0L 1980-85
- Porsche 924 Turbo 2.0L 1979-81
- Porsche 924 Turbo 2.0L 1982-84
- Porsche 924 Carrera GT 2.0L 1981
- Porsche 924 Carrera GTS 2.0L 1982
- Porsche 924S 2.5L 1986-87
- Porsche 924S 2.5L 1988
- Porsche 944 2.5L 8V 1982-87
- Porsche 944 2.7L 8V 1988-89
- Porsche 944S 2.5L 16V 1987-88
- Porsche 944S2 3.0L 16V 1989-91
- Porsche 944 Turbo 2.5L 8V 1985-88
- Porsche 944 Turbo 2.5L 8V 1989-91
- Porsche 944 Turbo S 2.5L 8V 1988
- Porsche 928 4.5L 1978-82
- Porsche 928S 4.7L 1981-83
- Porsche 928S2 4.7L 1984-86
- Porsche 928S4 5.0L 1987-92
- Porsche 928GT 5.0L 1989-91
- Porsche 928GTS 5.4L 1992-95

Passform:
Porsche 911 1974-79 (Originalpumpe nicht mehr lieferbar. Es handelt sich um eine Nachrüstpumpe)
Porsche 911 1980-89
Porsche 924 1979-85
Porsche 924S 1986-88
Porsche 928 1978-95
Porsche 944 1982-91
Porsche 964 1989-94
Passend zum Pumpenanschluss bitte auch Anschlussstecker 171909 in den Warenkorb legen.
Zugehörige Referenznummern
Verwandte, ersetzte, Querverweisoder Alternativnummern zum Vergleich.
191955681
Das von Ihnen angezeigte Produkt verweist auf diese Nummern
- Porsche 911 1974-1977 2.7L / 1976-77 3.0 Carrera
- Porsche 911 1978-1983 3.0L / SC
- Porsche 911 1984-1986 3.2L
- Porsche 911 1975-1977 3.0L Turbo (930)
- Porsche 911 1978-1989 3.3L Turbo (930)
- Porsche 928 4.5L 1978-82
- Porsche 928S 4.7L 1981-83
- Porsche 928S2 4.7L 1984-86
- Porsche 914 (1970-1976)
Passform:
Porsche 911 1974>>1986
Porsche 911 (930) Turbo 1975>>1977
Porsche 914 1970>>1976
Porsche 928 1978>>1986
Diagramm Ref Nr. 15
Zugehörige Referenznummern
Verwandte, ersetzte, Querverweisoder Alternativnummern zum Vergleich.
91462841310
Das von Ihnen angezeigte Produkt verweist auf diese Nummern
- Porsche 928 4.5L 1978-82
- Porsche 928S 4.7L 1981-83
- Porsche 928S2 4.7L 1984-86
- Porsche 928S4 5.0L 1987-92
- Porsche 928GT 5.0L 1989-91
- Porsche 928GTS 5.4L 1992-95

Passt:
Porsche 928 1978-95
Klicken Sie auf „Vergrößern“, um ein großes Teilediagramm anzuzeigen.
Diagramm Nr. 24
Zugehörige Referenznummern
Verwandte, ersetzte, Querverweisoder Alternativnummern zum Vergleich.
92864150101
Das von Ihnen angezeigte Produkt verweist auf diese Nummern
- Porsche 928 4.5L 1978-82
- Porsche 928S 4.7L 1981-83
- Porsche 928S2 4.7L 1984-86

Passt:
Porsche 928 1978-86
Klicken Sie auf „Vergrößern“, um ein großes Teilediagramm anzuzeigen.
Diagramm Nr. 1
Zugehörige Referenznummern
Verwandte, ersetzte, Querverweisoder Alternativnummern zum Vergleich.
92852897501
Das von Ihnen angezeigte Produkt verweist auf diese Nummern
- Porsche 928 4.5L 1978-82
- Porsche 928S 4.7L 1981-83
- Porsche 928S2 4.7L 1984-86
- Porsche 928S4 5.0L 1987-92
- Porsche 928GT 5.0L 1989-91
- Porsche 928GTS 5.4L 1992-95

Passend für:
Porsche 928 1978-95
Klicken Sie auf „Vergrößern“, um ein Diagramm mit großen Teilen anzuzeigen.
Diagramm Nr. 24A
Zugehörige Referenznummern
Verwandte, ersetzte, Querverweisoder Alternativnummern zum Vergleich.
92862873500
Das von Ihnen angezeigte Produkt verweist auf diese Nummern
- Porsche 911 1974-1977 2.7L / 1976-77 3.0 Carrera
- Porsche 911 1978-1983 3.0L / SC
- Porsche 911 1984-1986 3.2L
- Porsche 911 1987-1989 3.2L G50
- Porsche 911 1975-1977 3.0L Turbo (930)
- Porsche 911 1978-1989 3.3L Turbo (930)
- Porsche 928 4.5L 1978-82
- Porsche 928S 4.7L 1981-83
- Porsche 928S2 4.7L 1984-86
- Porsche 914 (1970-1976)

Passt:
Porsche 911/912 1974-89
Porsche 930 (911) Turbo 1975-89
Porsche 914-6 >>1971
Porsche 928 1978-86
Klicken Sie auf "Vergrößern", um ein großes Teilediagramm anzuzeigen.
Diagramm Nr. 16
Zugehörige Referenznummern
Verwandte, ersetzte, Querverweisoder Alternativnummern zum Vergleich.
91462874100
Das von Ihnen angezeigte Produkt verweist auf diese Nummern
- Porsche 911 1974-1977 2.7L / 1976-77 3.0 Carrera
- Porsche 911 1978-1983 3.0L / SC
- Porsche 911 1984-1986 3.2L
- Porsche 911 1987-1989 3.2L G50
- Porsche 911 1975-1977 3.0L Turbo (930)
- Porsche 911 1978-1989 3.3L Turbo (930)
- Porsche 928 4.5L 1978-82
- Porsche 928S 4.7L 1981-83
- Porsche 928S2 4.7L 1984-86
- Porsche 914 (1970-1976)

Passform:
Porsche 911/912 1974-89
Porsche 930 (911) Turbo 1975-89
Porsche 914-6 >>1971
Porsche 928 1978-86
Klicken Sie auf „Vergrößern“, um die großen Teilediagramme anzuzeigen.
Diagramm Ref. Nr. 16
Zugehörige Referenznummern
Verwandte, ersetzte, Querverweisoder Alternativnummern zum Vergleich.
91462874100
Das von Ihnen angezeigte Produkt verweist auf diese Nummern
- Porsche 911 1965-1968 2.0L / 912 SWB (F)
- Porsche 911 1968-1973 2.2L / 2.4L / 2.7L RS LWB (F)
- Porsche 911 1974-1977 2.7L / 1976-77 3.0 Carrera
- Porsche 911 1978-1983 3.0L / SC
- Porsche 911 1984-1986 3.2L
- Porsche 911 1987-1989 3.2L G50
- Porsche 911 1975-1977 3.0L Turbo (930)
- Porsche 911 1978-1989 3.3L Turbo (930)
- Porsche 928 4.5L 1978-82
- Porsche 928S 4.7L 1981-83
- Porsche 928S2 4.7L 1984-86
- Porsche 914 (1970-1976)
Passform:
Porsche 911/912 1965-89
Porsche 930 (911) Turbo 1975-89
Porsche 914-6 >>1971
Porsche 928 1978-86
Diagrammreferenz Nr. 17
Zugehörige Referenznummern
Verwandte, ersetzte, Querverweisoder Alternativnummern zum Vergleich.
92862807401
Das von Ihnen angezeigte Produkt verweist auf diese Nummern
- Porsche 911 1965-1968 2.0L / 912 SWB (F)
- Porsche 911 1968-1973 2.2L / 2.4L / 2.7L RS LWB (F)
- Porsche 911 1974-1977 2.7L / 1976-77 3.0 Carrera
- Porsche 911 1978-1983 3.0L / SC
- Porsche 911 1984-1986 3.2L
- Porsche 911 1987-1989 3.2L G50
- Porsche 911 1975-1977 3.0L Turbo (930)
- Porsche 911 1978-1989 3.3L Turbo (930)
- Porsche 928 4.5L 1978-82
- Porsche 928S 4.7L 1981-83
- Porsche 928S2 4.7L 1984-86
- Porsche 914 (1970-1976)
Passform:
Porsche 911/912 1965-89
Porsche 930 (911) Turbo 1975-89
Porsche 914-6 >>1971
Porsche 928 1978-86
Diagrammreferenz Nr. 17
Zugehörige Referenznummern
Verwandte, ersetzte, Querverweisoder Alternativnummern zum Vergleich.
92862807401
Das von Ihnen angezeigte Produkt verweist auf diese Nummern
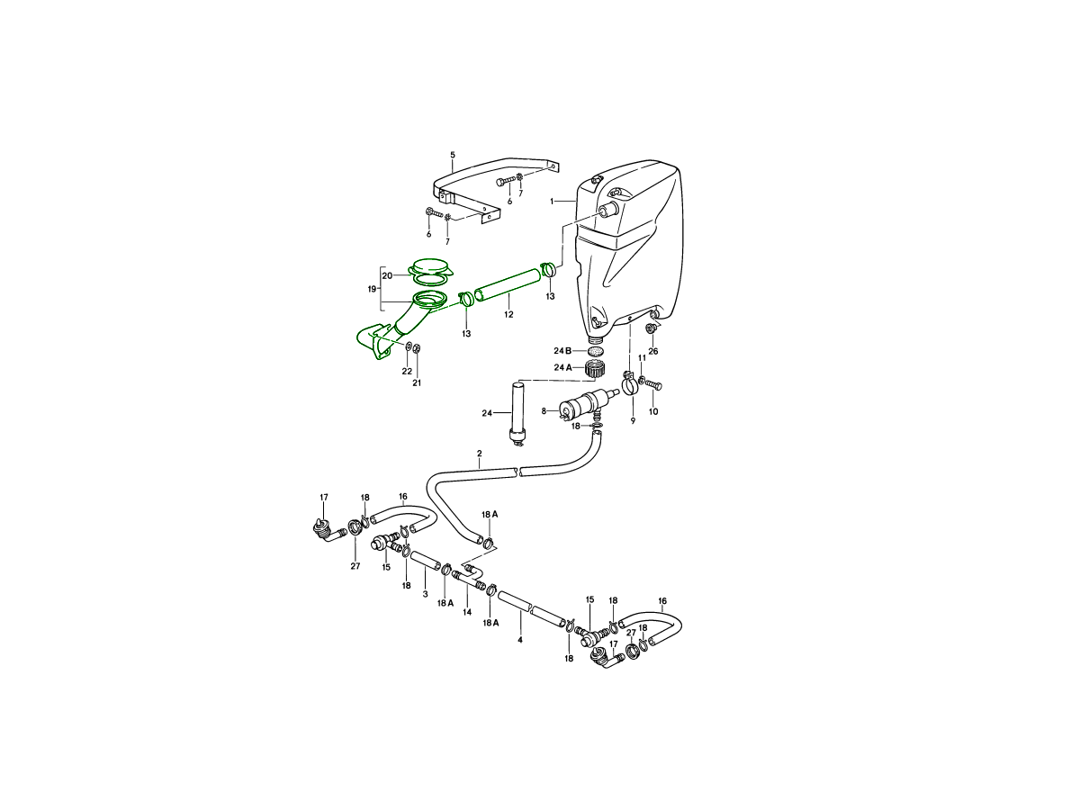
Scheibenwaschpumpen, Scheibenwaschflaschen und Scheibenwaschdüsen – Klare Sicht bei jeder Fahrt
Scheibenwaschpumpen, -flaschen und -düsen sind wichtige Komponenten der Scheibenreinigungsanlage Ihres Porsche. Sie arbeiten zusammen, um die Scheibenwaschflüssigkeit aus dem Behälter durch die Pumpe und die Düsen zu befördern und so Ihre Windschutzscheibe frei von Schmutz, Insekten und Ablagerungen zu halten und so eine sichere Sicht beim Fahren unter allen Bedingungen zu gewährleisten.
Design911 bietet ein umfassendes Sortiment an originalen und hochwertigen Scheibenwaschanlagenkomponenten – darunter Waschwasserbehälter, elektrische Waschwasserpumpen und Präzisions-Sprühdüsen – für alle Porsche-Modelle wie 911, Boxster, Cayman, Cayenne, Macan und Panamera. Jedes Teil ist auf hohe Passgenauigkeit und Leistung ausgelegt und sorgt so für zuverlässige Reinigungskraft und langfristige Zuverlässigkeit.
Was machen Waschpumpen, -flaschen und -düsen?
- Waschwasserbehälter/-behälter: Speichert die Waschflüssigkeit und befindet sich normalerweise im Motorraum oder Kofferraum.
- Waschpumpe: Ein Elektromotor, der die Flüssigkeit unter Druck setzt und sie durch die Leitungen in Richtung der
- Waschdüsen: Sprühen Sie die Flüssigkeit fein und gleichmäßig auf die Windschutzscheibe oder die Scheinwerfer, um eine effektive Reinigung zu gewährleisten.
Zusammen sorgen diese Komponenten dafür, dass Ihre Windschutzscheibe sauber und streifenfrei bleibt und Sie bei allen Wetterbedingungen Sicht und Sicherheit haben.
Warum versagen Waschmaschinenkomponenten?
Mit der Zeit können Teile der Waschanlage aufgrund von Verschleiß, Verschmutzung oder Umwelteinflüssen verschleißen oder ausfallen. Häufige Ursachen sind:
Zu den Symptomen eines Defekts zählen ein schwacher oder fehlender Sprühstrahl aus den Düsen, Flüssigkeitslecks oder eine Pumpe, die sich bei Betätigung des Scheibenwaschhebels nicht aktiviert.
Warum sollten defekte Waschmaschinenkomponenten ausgetauscht werden?
Eine einwandfrei funktionierende Scheibenwaschanlage ist für Sicht und Verkehrssicherheit unerlässlich. Der Austausch verschlissener oder beschädigter Komponenten sorgt dafür, dass Ihre Windschutzscheibe unter allen Fahrbedingungen sauber und klar bleibt.
Zu den Vorteilen des Austauschs gehören:
- Leistung und Druck der Waschmaschine wurden wiederhergestellt.
- Verbesserte Sicht und Sicherheit bei Regen oder Spritzwasser.
- Vermeidung von Leckagen und elektrischen Schäden.
- Hochwertige Teile für perfekte Passform und Langlebigkeit.