Por favor, espere… 
Por favor, espere mientras procesamos su orden,
no presiones el botón para volver… 
Sub5Club Store https://www.pitp.club https://www.pitp.club https://www.pitp.club

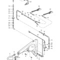
sistema limpiaparabrisas 911 1987-89 - PORSCHE

Haga clic sobre los números de la imagen para ver la información del producto

Diagram 904-00 Porsche 911 & 912 (1965-1989) Equipo eléctrico SKU: 91162811504, motor del limpiaparabrisas,SKU: 91162811401, motor del limpiaparabrisas,SKU: 91162811503, motor del limpiaparabrisas,SKU: 91162811402, motor del limpiaparabrisas SKU: 91162803501, manivela,SKU: 91162803601, manivela,SKU: 91162803901, manivela,SKU: 91162804001, manivela SKU: 96462802801, uso del brazo del limpiaparabrisas también:,SKU: 92862862301, gorra,SKU: 96462802802, uso del brazo del limpiaparabrisas también:,SKU: 96462802803, uso del brazo del limpiaparabrisas también:,SKU: 91162831330, brazo del limpiaparabrisas,SKU: 91162831430, brazo del limpiaparabrisas,SKU: 91162831230, brazo del limpiaparabrisas,SKU: 91162831530, brazo del limpiaparabrisas SKU: 96462890102, escobilla de limpiaparabrisas SKU: 91162896300, arandela de brida,SKU: 91162832300, lavadora SKU: 91162896300, arandela de brida,SKU: 91162832300, lavadora SKU: 90162892301, papelera,SKU: 91162832100, papelera SKU: 90162892400, papelera,SKU: 91162831100, manga SKU: 90003400105, tuerca hexagonal bm 8 SKU: 90162892500, tuerca hexagonal SKU: 90162892600, gorra SKU: 803955437, arandela de resorte SKU: 90007606402, tuerca hexagonal m 8,SKU: 90007606402, tuerca hexagonal m6 SKU: 90007606402, tuerca hexagonal m 8,SKU: 90007606402, tuerca hexagonal m6 SKU: N0122418, arandela elástica b 8 SKU: 90162805320, montaje de goma,SKU: 90162805420, montaje de goma SKU: 90162850520, lavadora de pestaña SKU: 91162833300, cable de tierra SKU: 90002508001, arandela a 5,3 SKU: N0102644, tornillo de cabeza hexagonal m 5 x 20 SKU: N01152427, arandela a 6,4 SKU: 90007501403, tornillo de cabeza hexagonal m 6 x 18 SKU: N0154292, tuerca rápida b 4,2 SKU: 90015102801, arandela b 4,3 SKU: N0421222, arandela a prueba de sacudidas j 4,3 SKU: 90018701102, tornillo autorroscante de cabeza hexagonal b 4,3 x 13 SKU: 92862862300, gorra,SKU: 91162893100, gorra 904-00