n'appuyez pas sur le bouton de retour…
-
Pièces de moteur
-
- Refroidissement du moteur Tuyaux d'eau / de liquide de refroidissement Tuyaux et tuyaux de liquide de refroidissement Radiateurs eau / liquide de refroidissement Radiateurs de refroidissement pour piste et course Pompes à eau / liquide de refroidissement Bouteilles de liquide de refroidissement / Vases d'expansion Thermostat / Capteur de température Radiateurs d'huile / Échangeurs de chaleur Huile moteur Liquide de refroidissement / Antigel
-
- Pièces de reconstruction de moteur Pièces du système d'huile Pièces du système de carburant Joints et jeux Joint Radial / RMS / Arbre à Cames / Arbre d'équilibrage Courroies / Tendeurs / Rouleaux Chaînes et tendeurs Roulements moteur / Coquilles Soupapes moteur / Guides / Ressorts Goujons de culasse de moteur Supports de moteur Cylindres de moteur / Chemises / Pistons Bielle Culasse Arbre à cames et pièces Engrenages / pignons d'arbre à cames et fixations Pièces de carter Vilebrequin et pièces Turbocompresseurs / Intercooler et pièces Admission d'air et injection Pompe à vide Chemise de cylindre Outils spécialisés
-
-
Freins
-
- Freins Pack plaquettes et disques de frein Pack plaquettes et disques de frein SPORT Disque de frein standard Plaquettes de frein standard Disque de frein SPORT Freins Brembo standard Freins Brembo Racing Freins TEXTAR Freins de course PAGID Plaquettes de frein Manthey Racing Freins Zimmermann Freins Performance Friction Disque de frein fendu Giro Freins performants SHW Freins EBC Disques de frein O-Brake Freins en céramique Surface Transforms Ligne Graphite Rotinger Disque en céramique de remplacement Capteurs d'usure de plaquette de frein Amortisseur anti-vibration pour plaquettes de frein Boulons d'étrier / vis de disque toutes catégories
-
-
Suspension et direction
-
- Suspension et essieu Barre anti-roulis Bagues de barre anti-roulis Support de barre anti-roulis Liens de chute et bagues AVANT Liens de chute et bagues ARRIÈRE Amortisseurs AVANT Pièces d'amortisseur AVANT Amortisseurs ARRIÈRE Pièces d'amortisseur ARRIÈRE Ressorts hélicoïdaux AVANT Ressorts hélicoïdaux ARRIÈRE toutes catégories
-
Transmission
-
- Boîte de vitesses / Transmission Kits d'embrayage Kits d'embrayage - Haute performance Plaque de friction d'embrayage Plaque de pression d'embrayage Roulements de débrayage Boulons d'embrayage Pièces de boîte de vitesses Arbres de transmission et pièces Jeux de joints de boîte de vitesses Supports de boîte de vitesses Pièces de commande de changement de vitesse Volant / Couple Kits de joints homocinétiques Bottes et kits CV Arbre à cardan / arbre d'hélice Pièces de transmission Huile de boîte de vitesses Carter de boîte de vitesses / carter d'huile Différentiel avant Différentiel Capteurs de vitesse / référence Refroidisseurs d'huile toutes catégories
-
- Refroidissement et chauffage
-
Électricité et éclairage
-
- Composants électriques et relais Commutateur de feu de détresse Commutateur de frein à main Commutateur de feu de recul Commutateur de fenêtre Mécanisme de fenêtre Moteur d'essuie-glace Klaxon électrique Unités de commande SmartTop Commutateur d'allumage Commutateur de siège Commutateur de toit / toit ouvrant Relais / Fusibles Lave-pompes / bouteilles / gicleurs Alarmes / Sécurité / Verrouillage centralisé Unités de commande électronique Pièces et commutateurs de tableau de bord / console Commutateur de rétroviseur de porte Moteurs et activateurs de capot/capot arrière/aileron Airbag et pièces Unité de suivi Régulateur de vitesse Boîtier de connecteur toutes catégories
-
-
Carrosserie et échappement
-
- Châssis / Carrosserie Châssis de restauration / Panneaux de réparation Amortisseur capot avant Amortisseur capot arrière Capots / Serrures et loquets Coffres/capot arrière/serrures et loquets Capot arrière / Hayon Pare-chocs avant Pare-chocs arrière Portes / Serrures et loquets Panneaux de porte | Charnières | Plaques de frappe Lève-vitres Ailes avant et pièces Ailes arrière et pièces Panneaux de seuil latéraux Moulures de châssis extérieures Miroirs et pièces Films/autocollants pare-pierres Sous-plateaux de châssis et moteur Balais / Bras d'essuie-glace Bras et balais d'essuie-glace arrière Doublures et couvertures de passage de roue Toit - Cabriolet / Targa / Coupé toutes catégories
-
- Systèmes d'échappement Silencieux / Silencieux standards Silencieux Sport / Silencieux Silencieux / Silencieux commutables Silencieux Catalyseur / tuyau de dérivation Collecteur / En-têtes Tuyaux d'échappement Échangeurs de chaleur Pack d'échappement Joints d'échappement Écrous / boulons / goujons d'échappement toutes catégories
-
-
Lubrifiants et fluides
-
- Pièces de rechange Kits d'entretien pièces d'origine Filtres à huile Filtres à air Filtres à pollen/particules Filtres à carburant Courroies tous types Bougies Bougies IRIDIUM POWER Bobines d'allumage Balais / Bras d'essuie-glace Bras et balais d'essuie-glace arrière Pièces de rechange de boîte de vitesses Huile moteur et lubrifiants - Mobil Huile moteur et lubrifiants - Total Huile moteur et lubrifiants - Castrol Huile moteur et lubrifiants - Motul Huile moteur et lubrifiants - Millers Oils NanoDrive Huile moteur et lubrifiants - Millers Oils Additifs pour carburant Liquide de refroidissement / Antigel EPI de garage
-
-
Toutes les pièces
-
- Pièces Accessoires Châssis / Carrosserie Freins Vêtements et cadeaux Composants électriques et relais Refroidissement du moteur Composants électriques du moteur Pièces de reconstruction de moteur Pièces haute performance Systèmes d'échappement Style extérieur / Ailerons Boîte de vitesses / Transmission Chauffage / Climatisation Composants hydrauliques Intérieur et accessoires Gestion de la communication / multimédia Éclairage Tapis et moquettes Sport automobile et tout-terrain Groupe de pédales Joints en caoutchouc Sièges et ceintures de sécurité toutes catégories
-
- Back to main website
Saisissez votre numéro de TVA ici et cliquez sur Vérifier :
Il n'est pas nécessaire de saisir la partie code pays de votre numéro de TVA car elle a déjà été sélectionnée dans votre adresse de facturation ci-dessus.
Vos coordonnées ont été vérifiées. Numéro de TVA enregistré au nom de:
,
.
Votre commande sera désormais détaxée au titre de la TVA. Nous nous réservons le droit de vérifier ces détails une fois votre commande passée et de rétablir la TVA si nécessaire.
Vos données de TVA n'ont pas été reconnues ou n'étaient pas valides. Votre numéro de TVA doit correspondre à votre pays de facturation tel que spécifié ci-dessus. Il est actuellement spécifié comme . Vous n'avez pas besoin de saisir la partie code pays de votre numéro de TVA car elle a déjà été sélectionnée dans les détails de votre adresse de facturation ci-dessus.
Le service de vérification du numéro de TVA est actuellement hors ligne. Veuillez indiquer votre numéro de TVA dans le champ « Commentaires ou instructions spéciales » ci-dessous et nous appliquerons une remise de TVA après avoir passé votre commande.
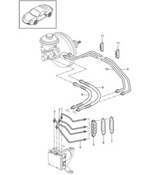
Renfort de support de conduite de frein. Porsche 987 Boxster / 987 Cayman / 997 ❭ 99735575300
- Porsche Boxster 987 2.7L 2005 -08/08
- Porsche Boxster 987 S 3.2/3.4L 2005-08/08
- Porsche Boxster 987 MKII 2.9L 2009-2012
- Porsche Boxster S 987 MKII 3.4L 2009-2012
- Porsche 997 MK1 Carrera 2 3.6L 2005-08
- Porsche 997 MK1 Carrera 2S 3.8L 2005-08
- Porsche 997 MK1 Carrera 4 3.6L 2005-08
- Porsche 997 MK1 Carrera 4S 3.8L 2005-08
- Porsche 997 MK1 TURBO 2007-09
- Porsche 997 MK1 GT3 2007-09
- Porsche 997 MK1 GT2 2007-09
- Porsche 997 MKII Carrera C2 3.6L 2009-12
- Porsche 997 MKII Carrera C4 3.6L 2009-12
- Porsche 997 MKII Carrera C2S 3.8L 2009-12
- Porsche 997 MKII Carrera C4S 3.8L 2009-12
- Porsche 997 MKII GT3 2010-11
- Porsche 997 MKII Turbo 2010-13
- Porsche 997 MKII GT2 RS 2011-13
- Porsche Cayman 2.7L 987C 2006-08
- Porsche Cayman S 3.4L 987C 2005-08
- Porsche Cayman 2.9L 987C MKII 2009-12
- Porsche Cayman S / R 3.4L 987C MKII 2009-12
Porsche 987 Boxster / Boxster S MKI 2005-08
Porsche 987 Boxster MK II 2009-12
Porsche 987C Cayman / Cayman S MKI 2005-08
Porsche 987C Cayman MKII 2009-12
Porsche 997.1 Carrera 2005-08
Porsche 997.2 Carrera 2009-12
Cliquez sur "Zoom avant" pour le schéma des grandes pièces.
Schéma réf n° 7
Numéros de référence associés
Numéros associés, remplacés, de référence croisée ou alternatifs à des fins de comparaison.
99735575300
Le produit que vous consultez fait référence à ces numéros
- Porsche 991.1 Turbo 3.8L (520bhp) 2014-16
- Porsche 991.1 Turbo S 3.8L (560Bhp) 2014-16
- Porsche 991.1 R 4.0L (500 Bhp) 2016
- Porsche 991.1 GT3 3.8L (475Bhp) 2014-16
- Porsche 991.1 GT3 RS 4.0L (500Bhp) 2015-16
- Porsche 991.2 Targa 4 3.0L (370 Bhp) 2016-19
- Porsche 991.2 Targa 4S / GTS 3.0L (420/450 Bhp) 2016-19
- Porsche 991.2 Turbo Coupe 3.8L (540 Bhp) 2016-19
- Porsche 991.2 Turbo S Coupe 3.8L (580 Bhp) 2016-19
- Porsche 991.2 Turbo Cabriolet 3.8L (540 Bhp) 2016-19
- Porsche 991.2 Turbo S Cabriolet 3.8L (580 Bhp) 2016-19
- Porsche 991.2 GT3 4.0L (500 Bhp) / GT3 RS 4.0L (520 Bhp) 2017-19

Convient :
Porsche 991 Turbo 2014-18
Porsche 991 R / GT3 / GTS RS 2014-18
*** PAS pour GT2 RS 3.8L 2014-18
*** PAS pour les voitures avec freins en céramique
Cliquez sur "Zoom avant" pour le schéma des grandes pièces.
N° de réf. schéma
Numéros de référence associés
Numéros associés, remplacés, de référence croisée ou alternatifs à des fins de comparaison.
99135558
Le produit que vous consultez fait référence à ces numéros
- Porsche Boxster 981 2.7L 2012-16
- Porsche Boxster 981 S / GTS 3.4L 2012-16
- Porsche Boxster 981 Spyder 3.8L 2016
- Porsche Boxster 718 2.0L Manual (300 Bhp)
- Porsche Boxster 718 2.0L PDK (300 Bhp)
- Porsche Boxster S 718 2.5L Manual (350 Bhp)
- Porsche Boxster S 718 2.5L PDK (350 Bhp)
- Porsche Boxster T 718 2.0L Manual (300 Bhp)
- Porsche Boxster T 718 2.0L PDK (300 Bhp)
- Porsche Boxster GTS 718 2.5L Manual (365 Bhp)
- Porsche Boxster GTS 718 2.5L PDK (365 Bhp)
- Porsche Boxster GTS 718 4.0L Manual (400 Bhp)
- Porsche Boxster GTS 718 4.0L PDK (400 Bhp)
- Porsche 991.2 Carrera 2S / GTS 3.0L (420/450 Bhp) 2016-19
- Porsche 991.2 Cabriolet 2S / GTS 3.0L (420/450 Bhp) 2016-19
- Porsche Cayman 2.7L 981 2013-16
- Porsche Cayman S / GTS 3.4L 981 2013-16
- Porsche Cayman 718 2.0L Manual (300Bhp)
- Porsche Cayman 718 2.0L PDK (300Bhp)
- Porsche Cayman S 718 2.5L Manual (350Bhp)
- Porsche Cayman S 718 2.5L PDK (350Bhp)
- Porsche Cayman T 718 2.0L Manual (300Bhp)
- Porsche Cayman T 718 2.0L PDK (300 Bhp)
- Porsche Cayman GTS 718 2.5L Manual (365 Bhp)
- Porsche Cayman GTS 718 2.5L PDK (365 Bhp)
- Porsche Cayman GTS 718 4.0L Manual (400 Bhp)
- Porsche Cayman GTS 718 4.0L PDK (400 Bhp)

Compatible avec :
Pour les voitures avec freins en céramique (PCCB)
Porsche 981 Boxster 2012-16
Porsche 981 Boxster Spyder 2016
Porsche 982 (718) Boxster2017>>
Porsche 981C Cayman 2014-16
Porsche 982C (718C) Cayman 2017>>
Porsche 991.2 Carrera S (disque de fer/modèle non PCCB)
Cliquez sur « Zoom avant » pour un schéma de pièces de grande taille.
Schéma réf. n° 21 (GAUCHE) ou 22 (DROITE)
Numéros de référence associés
Numéros associés, remplacés, de référence croisée ou alternatifs à des fins de comparaison.
99261177
Le produit que vous consultez fait référence à ces numéros
- Porsche Boxster 981 2.7L 2012-16
- Porsche Boxster 981 S / GTS 3.4L 2012-16
- Porsche Boxster 718 2.0L Manual (300 Bhp)
- Porsche Boxster 718 2.0L PDK (300 Bhp)
- Porsche Boxster S 718 2.5L Manual (350 Bhp)
- Porsche Boxster S 718 2.5L PDK (350 Bhp)
- Porsche Boxster T 718 2.0L Manual (300 Bhp)
- Porsche Boxster T 718 2.0L PDK (300 Bhp)
- Porsche Boxster GTS 718 2.5L Manual (365 Bhp)
- Porsche Boxster GTS 718 2.5L PDK (365 Bhp)
- Porsche Boxster GTS 718 4.0L Manual (400 Bhp)
- Porsche Boxster GTS 718 4.0L PDK (400 Bhp)
- Porsche 991.1 Carrera C2 3.4L (350Bhp) 2012-16
- Porsche 991.1 Carrera C4 3.4L (350Bhp) 2012-16
- Porsche 992.1 Carrera 2 3.0L 2019-24
- Porsche 992.1 Carrera 4 3.0L 2019-24
- Porsche 992.1 Carrera 2 Cabriolet 3.0L 2019-24
- Porsche 992.1 Carrera 4 Cabriolet 3.0L 2019-24
- Porsche Cayman 2.7L 981 2013-16
- Porsche Cayman S / GTS 3.4L 981 2013-16
- Porsche Cayman 718 2.0L Manual (300Bhp)
- Porsche Cayman 718 2.0L PDK (300Bhp)
- Porsche Cayman S 718 2.5L Manual (350Bhp)
- Porsche Cayman S 718 2.5L PDK (350Bhp)
- Porsche Cayman T 718 2.0L Manual (300Bhp)
- Porsche Cayman T 718 2.0L PDK (300 Bhp)
- Porsche Cayman GTS 718 2.5L Manual (365 Bhp)
- Porsche Cayman GTS 718 2.5L PDK (365 Bhp)
- Porsche Cayman GTS 718 4.0L Manual (400 Bhp)
- Porsche Cayman GTS 718 4.0L PDK (400 Bhp)
Convient à :
Pour les voitures SANS freins en céramique (PCCB)
Porsche 991.1 C2 / C4 2012 - 2016
Porsche 991.2 C2 / C4 2017 - 2019
Porsche 981 Boxster2012 - 2016
Porsche 982 (718) Boxster2017 - 2021
Porsche 981 Caïman 2014 - 2016
Porsche 982 (718) Caïman 2017 - 2021
Diagramme de référence n° 22
Numéros de référence associés
Numéros associés, remplacés, de référence croisée ou alternatifs à des fins de comparaison.
99261177
Le produit que vous consultez fait référence à ces numéros
Lundi-vendredi : 8h30 - 17h30 (GMT) Samedi : Fermé Dimanche : Fermé