n'appuyez pas sur le bouton de retour…
-
Pièces de moteur
-
- Refroidissement du moteur Tuyaux et conduites de liquide de refroidissement (voitures à moteur arrière) Radiateurs eau / liquide de refroidissement Radiateurs de refroidissement pour piste et course Pompes à eau / liquide de refroidissement Bouteilles de liquide de refroidissement / Vases d'expansion Thermostat / Capteur de température Radiateurs d'huile / Échangeurs de chaleur Système et tuyaux d'huile Huile moteur Liquide de refroidissement / Antigel
-
- Composants électriques du moteur Capteurs de masse/débit d'air Alternateur / Générateur Batteries et chargeurs Relais / Fusibles Bobine d'allumage Injecteurs Moteurs du démarreur Pompe à carburant Capteur de température Détecteurs de vitesse / référence / cliquetis Faisceau de câbles / Câbles toutes catégories
-
- Pièces de reconstruction de moteur Arbre intermédiaire (IMS) Pièces du système d'huile Pièces du système de carburant Joints et jeux Joint Radial / RMS / Arbre à Cames / Arbre d'équilibrage Courroies / Tendeurs / Rouleaux Chaînes et tendeurs Carters et joints de distribution Roulements moteur / Coquilles Soupapes moteur / Guides / Ressorts Culbuteurs Goujons de culasse de moteur Supports de moteur Segments de piston Cylindres de moteur / Chemises / Pistons Bielle Culasse Arbre à cames et pièces Arbres à cames Engrenages / pignons d'arbre à cames et fixations Pièces de carter Vilebrequin et pièces toutes catégories
-
-
Freins
-
- Freins Pack plaquettes et disques de frein Pack plaquettes et disques de frein SPORT Ensembles de plaquettes de frein Disque de frein standard Plaquettes de frein standard Disque de frein SPORT Freins Brembo standard Freins Brembo Racing Freins TEXTAR Freins de course PAGID Freins Zimmermann Freins Performance Friction Disque de frein fendu Giro Freins performants SHW Freins EBC Freins Black Diamond Performance Disques de frein O-Brake Ligne Graphite Rotinger Disque en céramique de remplacement Capteurs d'usure de plaquette de frein Amortisseur anti-vibration pour plaquettes de frein Boulons d'étrier / vis de disque toutes catégories
-
-
Suspension et direction
-
- Pièces de direction Crémaillères de direction Pompes de direction assistée Soufflet de direction Tiges de chenille Joints en U et arbres Conduites / tuyaux / radiateurs de direction assistée / Durites / Radiateurs Courroie de direction assistée et pièces Pièces de contrôle des pédales Réservoir / Réservoir et Pièces
-
- Suspension et essieu Barre anti-roulis Bagues de barre anti-roulis Support de barre anti-roulis Liens de chute et bagues AVANT Liens de chute et bagues ARRIÈRE Amortisseurs AVANT Pièces d'amortisseur AVANT Amortisseurs ARRIÈRE Pièces d'amortisseur ARRIÈRE Ressorts hélicoïdaux AVANT Ressorts hélicoïdaux ARRIÈRE toutes catégories
-
-
Transmission
-
- Boîte de vitesses / Transmission Kits d'embrayage Kits d'embrayage - Haute performance Plaque de friction d'embrayage Plaque de pression d'embrayage Roulements de débrayage Câbles et pièces d'embrayage Tube de guidage d'embrayage Fourchettes et leviers d'embrayage Boulons d'embrayage Pièces de boîte de vitesses Arbres de transmission et pièces Jeux de joints de boîte de vitesses Supports de boîte de vitesses Pièces de commande de changement de vitesse Volant / Couple Kits de joints homocinétiques Bottes et kits CV Arbre à cardan / arbre d'hélice Pièces de transmission Huile de boîte de vitesses Carter de boîte de vitesses / carter d'huile Différentiel toutes catégories
-
-
Refroidissement et chauffage
-
- Chauffage / Climatisation Condenseurs et dessiccateurs de climatisation Évaporateurs et détendeurs de climatisation Tuyaux de climatisation Ceintures de climatisation Ventilateurs et capots Relais / Capteurs / Résistances Compresseurs Volets chauffants Moteurs de soufflerie et ventilateurs Ventilateurs de chauffage Tuyaux de chauffage Échangeur de chaleur Câbles chauffants Bouches d'aération / Grilles Commande de climatisation Capteurs / commutateurs de température Boîtiers de chauffage / climatisation
-
-
Électricité et éclairage
-
- Composants électriques et relais Pompes à carburant Interrupteur de lumière de frein Commutateur de frein et d'embrayage Commutateur de feu de détresse Commutateur de frein à main Commutateur de feu de recul Commutateur de phare Commutateur de fenêtre Moteurs de fenêtre Mécanisme de fenêtre Moteur d'essuie-glace Klaxon électrique Unités de commande SmartTop Commutateur d'allumage Commutateur de siège Commutateur de clignotant / d'essuie-glace Commutateur de toit / toit ouvrant Relais / Fusibles Lave-pompes / bouteilles / gicleurs Alarmes / Sécurité / Verrouillage centralisé Unités de commande électronique Commutateurs d'essuie-glace toutes catégories
-
-
Carrosserie et échappement
-
- Châssis / Carrosserie Châssis de restauration / Panneaux de réparation Amortisseur capot avant Amortisseur capot arrière Capots / Serrures et loquets Coffres/capot arrière/serrures et loquets Capot arrière / Hayon Pare-chocs avant Pare-chocs arrière Portes / Serrures et loquets Panneaux de porte | Charnières | Plaques de frappe Lève-vitres Ailes avant et pièces Ailes arrière et pièces Panneaux de seuil latéraux Moulures de châssis extérieures Miroirs et pièces Films/autocollants pare-pierres Sous-plateaux de châssis et moteur Balais / Bras d'essuie-glace Doublures et couvertures de passage de roue Toit - Cabriolet / Targa / Coupé Arceaux de sécurité toutes catégories
-
- Systèmes d'échappement Silencieux / Silencieux standards Silencieux Sport / Silencieux Silencieux / Silencieux commutables Silencieux Catalyseur / tuyau de dérivation Collecteur / En-têtes Tuyaux d'échappement Échangeurs de chaleur Pack d'échappement Joints d'échappement Écrous / boulons / goujons d'échappement toutes catégories
-
-
Lubrifiants et fluides
-
- Pièces de rechange Kits d'entretien pièces d'origine Filtres à huile Filtres à air Filtres à pollen/particules Filtres à carburant Courroies tous types Bougies Bougies IRIDIUM POWER Bougies IRIDIUM RACING Bobines d'allumage Balais / Bras d'essuie-glace Bras et balais d'essuie-glace arrière Pièces de rechange de boîte de vitesses Huile moteur classique Porsche Huile moteur et lubrifiants - Mobil Huile moteur et lubrifiants - Total Huile moteur et lubrifiants - Castrol Huile moteur et lubrifiants - Motul Huile moteur et lubrifiants - Millers Oils NanoDrive Huile moteur et lubrifiants - Millers Oils Additifs pour carburant Liquide de refroidissement / Antigel toutes catégories
-
-
Toutes les pièces
-
- Pièces Accessoires Châssis / Carrosserie Freins Vêtements et cadeaux Composants électriques et relais Refroidissement du moteur Composants électriques du moteur Pièces de reconstruction de moteur Pièces haute performance Systèmes d'échappement Style extérieur / Ailerons Boîte de vitesses / Transmission Chauffage / Climatisation Composants hydrauliques Intérieur et accessoires Gestion de la communication / multimédia Éclairage Tapis et moquettes Sport automobile et tout-terrain Groupe de pédales Joints en caoutchouc Sièges et ceintures de sécurité toutes catégories
-
- Back to main website
Saisissez votre numéro de TVA ici et cliquez sur Vérifier :
Il n'est pas nécessaire de saisir la partie code pays de votre numéro de TVA car elle a déjà été sélectionnée dans votre adresse de facturation ci-dessus.
Vos coordonnées ont été vérifiées. Numéro de TVA enregistré au nom de:
,
.
Votre commande sera désormais détaxée au titre de la TVA. Nous nous réservons le droit de vérifier ces détails une fois votre commande passée et de rétablir la TVA si nécessaire.
Vos données de TVA n'ont pas été reconnues ou n'étaient pas valides. Votre numéro de TVA doit correspondre à votre pays de facturation tel que spécifié ci-dessus. Il est actuellement spécifié comme . Vous n'avez pas besoin de saisir la partie code pays de votre numéro de TVA car elle a déjà été sélectionnée dans les détails de votre adresse de facturation ci-dessus.
Le service de vérification du numéro de TVA est actuellement hors ligne. Veuillez indiquer votre numéro de TVA dans le champ « Commentaires ou instructions spéciales » ci-dessous et nous appliquerons une remise de TVA après avoir passé votre commande.
Tuyau de refroidisseur d'huile de transmission automatique, Alimentation. Porsche 958 Cayenne ❭ 95830708500
- Porsche 958 Cayenne V6 3.6L Petrol (300Hp) 2010-17
- Porsche 958 Cayenne V6 3.0L Diesel (245Hp) 2010-17
- Porsche 958 Cayenne S V6 3.0L Hybrid (380Hp) 2010-17
- Porsche 958 Cayenne S V8 4.8L Petrol (400Hp) 2010-17
- Porsche 958 Cayenne S V8 4.2L Diesel (382Hp) 2010-17
- Porsche 958 Cayenne GTS V8 4.8L Petrol (400Hp) 2010-17
- Porsche 958 Cayenne Turbo V8 4.8L Petrol (500Hp) 2010-17
- Porsche 958 Cayenne Turbo S V8 4.8L Petrol (550Hp) 2010-17

Convient :
Porsche 958 Cayenne 3.6L 2011-18 Tiptronic 8 vitesses
Porsche 958 Cayenne 4.8L 2011-18 Tiptronic 8 vitesses
Porsche 958 Cayenne 3.0L Diesel 2011-18 Tiptronic
Porsche 958 Cayenne 4.2L Diesel 2011-18 Tiptronic 8 vitesses
Porsche 958 Cayenne 3.0L hybride 2011-18 Tiptronic 8 vitesses
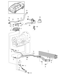
Cliquez sur "Zoom avant" pour le schéma des grandes pièces.
Schéma réf n° 7
Numéros de référence associés
Numéros associés, remplacés, de référence croisée ou alternatifs à des fins de comparaison.
95830708500
Le produit que vous consultez fait référence à ces numéros
- Porsche Boxster 986 2.7L 1999-02
- Porsche Boxster S 986 3.2L 1999-02
- Porsche Boxster 986 2.7L 2003-04
- Porsche Boxster S 986 3.2L 2003-04

Convient :
Porsche 986 Boxster / Boxster S 2000>>
Transmission tiptronic
Cliquez sur "Zoom avant" pour le schéma des grandes pièces.
Schéma réf n° 21
Numéros de référence associés
Numéros associés, remplacés, de référence croisée ou alternatifs à des fins de comparaison.
98630707721
Le produit que vous consultez fait référence à ces numéros
- Porsche Boxster 986 2.5L 1997-99
- Porsche Boxster 986 2.7L 1999-02
- Porsche Boxster S 986 3.2L 1999-02
- Porsche Boxster 986 2.7L 2003-04
- Porsche Boxster S 986 3.2L 2003-04
- Porsche Boxster 987 2.7L 2005-08/08
- Porsche Boxster 987 S 3.2/3.4L 2005-08/08
- Porsche Cayman 2.7L 987C 2006-08
- Porsche Cayman S 3.4L 987C 2005-08

Convient :
Pour les voitures à transmission tiptronic
Porsche 986 Boxster 1997-04
Porsche 987.1 Boxster 2006-08
Porsche 987C.1 Cayman 2006-08
Cliquez sur "Zoom avant" pour le schéma des grandes pièces.
Schéma réf n° 18
Numéros de référence associés
Numéros associés, remplacés, de référence croisée ou alternatifs à des fins de comparaison.
98630708205
Le produit que vous consultez fait référence à ces numéros
- Porsche Boxster 986 2.5L 1997-99
- Porsche Boxster 986 2.7L 1999-02
- Porsche Boxster S 986 3.2L 1999-02
- Porsche Boxster 986 2.7L 2003-04
- Porsche Boxster S 986 3.2L 2003-04
- Porsche Boxster 987 2.7L 2005-08/08
- Porsche Boxster 987 S 3.2/3.4L 2005-08/08
- Porsche Cayman 2.7L 987C 2006-08
- Porsche Cayman S 3.4L 987C 2005-08

Convient :
Pour les voitures à transmission tiptronic
Porsche 986 Boxster 1997-04
Porsche 987.1 Boxster 2006-08
Porsche 987C.1 Cayman 2006-08
Cliquez sur "Zoom avant" pour le schéma des grandes pièces.
Schéma réf n° 17
Numéros de référence associés
Numéros associés, remplacés, de référence croisée ou alternatifs à des fins de comparaison.
98630708505
Le produit que vous consultez fait référence à ces numéros
Lundi-vendredi : 8h30 - 17h30 (GMT) Samedi : Fermé Dimanche : Fermé