Saisissez votre numéro de TVA ici et cliquez sur Vérifier :
Il n'est pas nécessaire de saisir la partie code pays de votre numéro de TVA car elle a déjà été sélectionnée dans votre adresse de facturation ci-dessus.
Vos coordonnées ont été vérifiées. Numéro de TVA enregistré au nom de:
,
.
Votre commande sera désormais détaxée au titre de la TVA. Nous nous réservons le droit de vérifier ces détails une fois votre commande passée et de rétablir la TVA si nécessaire.
Vos données de TVA n'ont pas été reconnues ou n'étaient pas valides. Votre numéro de TVA doit correspondre à votre pays de facturation tel que spécifié ci-dessus. Il est actuellement spécifié comme . Vous n'avez pas besoin de saisir la partie code pays de votre numéro de TVA car elle a déjà été sélectionnée dans les détails de votre adresse de facturation ci-dessus.
Le service de vérification du numéro de TVA est actuellement hors ligne. Veuillez indiquer votre numéro de TVA dans le champ « Commentaires ou instructions spéciales » ci-dessous et nous appliquerons une remise de TVA après avoir passé votre commande.
Bouchon / goulot / trappe de remplissage de carburant
- Porsche 911 1965-1968 2.0L / 912 SWB (F)
- Porsche 911 1968-1973 2.2L / 2.4L / 2.7L RS LWB (F)
- Porsche 911 1974-1977 2.7L / 1976-77 3.0 Carrera
- Porsche 911 1978-1983 3.0L / SC
- Porsche 911 1984-1986 3.2L
- Porsche 911 1987-1989 3.2L G50
- Porsche 911 1975-1977 3.0L Turbo (930)
- Porsche 911 1978-1989 3.3L Turbo (930)

Compatible avec :
Porsche 911 1965-89
Porsche 930 Turbo 1975-89
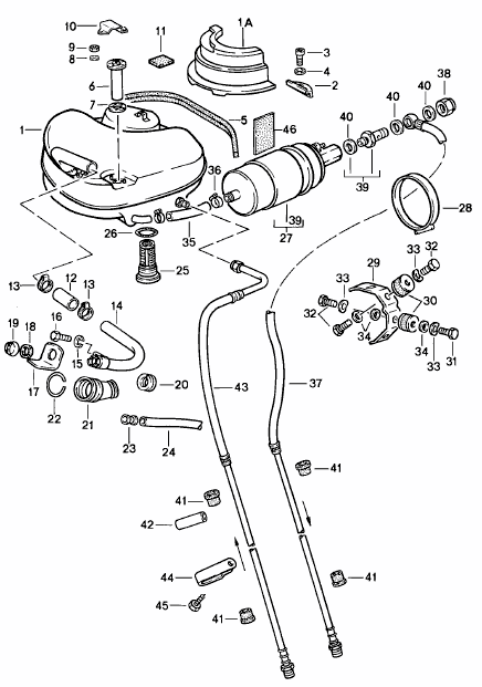
Cliquez sur « Zoom avant » pour un schéma de pièces de grande taille.
Schéma réf. n° 19
Numéros de référence associés
Numéros associés, remplacés, de référence croisée ou alternatifs à des fins de comparaison.
91450431900
Le produit que vous consultez fait référence à ces numéros
- Porsche 911 1965-1968 2.0L / 912 SWB (F)
- Porsche 911 1968-1973 2.2L / 2.4L / 2.7L RS LWB (F)
- Porsche 911 1974-1977 2.7L / 1976-77 3.0 Carrera
- Porsche 911 1978-1983 3.0L / SC
- Porsche 911 1984-1986 3.2L
- Porsche 911 1987-1989 3.2L G50
- Porsche 911 1975-1977 3.0L Turbo (930)
- Porsche 911 1978-1989 3.3L Turbo (930)

Convient :
Porsche 911 1965-89
Porsche 930 Turbo 1975-89
Cliquez sur "Zoom avant" pour le schéma des grandes pièces.
Schéma réf n° 9
Numéros de référence associés
Numéros associés, remplacés, de référence croisée ou alternatifs à des fins de comparaison.
91102567900
Le produit que vous consultez fait référence à ces numéros
- Porsche 911 1965-1968 2.0L / 912 SWB (F)
- Porsche 911 1968-1973 2.2L / 2.4L / 2.7L RS LWB (F)
- Porsche 911 1974-1977 2.7L / 1976-77 3.0 Carrera
- Porsche 911 1978-1983 3.0L / SC
- Porsche 911 1984-1986 3.2L
- Porsche 911 1987-1989 3.2L G50
- Porsche 911 1975-1977 3.0L Turbo (930)
- Porsche 911 1978-1989 3.3L Turbo (930)
Convient à :
Porsche 911 2.0-3.3 01/63-07/89
Porsche 912 1.6 01/65-02/70
Schéma de référence n° 33
Numéros de référence associés
Numéros associés, remplacés, de référence croisée ou alternatifs à des fins de comparaison.
91120159300
Le produit que vous consultez fait référence à ces numéros
- Porsche 911 1965-1968 2.0L / 912 SWB (F)
- Porsche 911 1968-1973 2.2L / 2.4L / 2.7L RS LWB (F)
- Porsche 911 1974-1977 2.7L / 1976-77 3.0 Carrera
- Porsche 911 1978-1983 3.0L / SC
- Porsche 911 1984-1986 3.2L
- Porsche 911 1987-1989 3.2L G50
- Porsche 911 1975-1977 3.0L Turbo (930)
- Porsche 911 1978-1989 3.3L Turbo (930)
Convient à :
Porsche 911 2.0-3.3 01/63-07/89
Porsche 912 1.6 01/65-02/70
Schéma de référence n° 33
Numéros de référence associés
Numéros associés, remplacés, de référence croisée ou alternatifs à des fins de comparaison.
91120159300
Le produit que vous consultez fait référence à ces numéros
- Porsche 911 1965-1968 2.0L / 912 SWB (F)
- Porsche 911 1968-1973 2.2L / 2.4L / 2.7L RS LWB (F)
- Porsche 911 1974-1977 2.7L / 1976-77 3.0 Carrera
- Porsche 911 1978-1983 3.0L / SC
- Porsche 911 1984-1986 3.2L
- Porsche 911 1987-1989 3.2L G50
- Porsche 911 1975-1977 3.0L Turbo (930)
- Porsche 911 1978-1989 3.3L Turbo (930)
Cette prise de trop-plein de carburant remplace la pièce d'origine Porsche 91120159300. Elle rétablit la bonne connexion entre le manchon de remplissage et le tuyau de trop-plein/évent, garantissant une ventilation sûre du carburant et des performances sans fuite.
Convient à :
Porsche 911 1963 - 1989
Porsche 912 1965 - 1970
Schéma de référence n° 21
Le raccord de trop-plein se fixe au goulot/manchon de remplissage de carburant et assure la jonction du tuyau de trop-plein/d'aération. Il assure l'évacuation sûre de l'excès de carburant ou des vapeurs, évitant ainsi tout débordement ou fuite sur les composants du châssis. Il maintient une pression d'aération adéquate et empêche toute fuite de carburant lors du ravitaillement ou des variations de pression du réservoir.
Emplacement : Entre le goulot de remplissage/manchon et la conduite de trop-plein/d'aération dans le réservoir de carburant/l'ensemble de remplissage.
Pourquoi le remplacement est important
• Avec le temps, la douille de trop-plein d’origine peut se fissurer, devenir cassante ou se déformer, entraînant des gouttes de carburant, des fuites ou des fuites de vapeur.
• Un connecteur défectueux peut provoquer un déversement de carburant à l'extérieur, créer des odeurs désagréables ou permettre à la ventilation de contourner le routage approprié du tuyau.
• Le remplacement garantit une géométrie exacte, une interface de tuyau sécurisée, un matériau durable et résistant au carburant et un ajustement précis.
Numéros de référence associés
Numéros associés, remplacés, de référence croisée ou alternatifs à des fins de comparaison.
91120159300
Le produit que vous consultez fait référence à ces numéros
- Porsche 911 1965-1968 2.0L / 912 SWB (F)
- Porsche 911 1968-1973 2.2L / 2.4L / 2.7L RS LWB (F)
- Porsche 911 1974-1977 2.7L / 1976-77 3.0 Carrera
- Porsche 911 1978-1983 3.0L / SC
- Porsche 911 1984-1986 3.2L
- Porsche 911 1987-1989 3.2L G50
- Porsche 356B 1959-63
- Porsche 356C 1963-65
- Porsche 914 (1970-1976)

Compatible avec :
Porsche 356 B/C (1.6-2.0) 59-65
Porsche 911 (2.0-3.0) 63-77
Porsche 914/6 (2.0) 69-73
Numéros de référence associés
Numéros associés, remplacés, de référence croisée ou alternatifs à des fins de comparaison.
91120127200
Le produit que vous consultez fait référence à ces numéros
- Porsche 911 1965-1968 2.0L / 912 SWB (F)
- Porsche 911 1968-1973 2.2L / 2.4L / 2.7L RS LWB (F)
- Porsche 911 1974-1977 2.7L / 1976-77 3.0 Carrera
- Porsche 911 1978-1983 3.0L / SC
- Porsche 356B 1959-63
- Porsche 356C 1963-65
- Porsche 914 (1970-1976)
Il s'agit d'un bouchon de réservoir en métal (sans serrure) qui assure une fermeture sécurisée et de style traditionnel pour le goulot de remplissage du réservoir de carburant, reproduisant l'aspect et l'ajustement de la pièce d'origine Porsche.
Convient à :
Porsche 356 B/C 1.6L 01/1959 - 12/1965
Porsche 911 2.0L-3.0L 10/1963 - 07/1977
Porsche 914/6 2.0L 11/1969 - 12/1973
Le bouchon du réservoir de carburant assure l'étanchéité du goulot de remplissage afin d'empêcher l'évaporation, la contamination et les déversements de carburant. Il forme une barrière entre le réservoir et l'environnement extérieur, contribuant ainsi à préserver la qualité du carburant tout en réduisant les risques de fuites.
Une fois installé, le bouchon de réservoir se visse dans le goulot de remplissage et assure une fermeture étanche du réservoir. Il empêche la saleté, l'eau et les débris de pénétrer dans le système d'alimentation, contribuant ainsi à préserver les performances et la fiabilité du moteur. Sa construction métallique lui confère une grande durabilité et une esthétique classique, en harmonie avec le style d'origine du véhicule.
Le bouchon du réservoir de carburant est un petit élément essentiel du système d'alimentation de votre véhicule. Un bouchon usé ou manquant peut entraîner :
• Évaporation et pertes de carburant
• De l'eau ou des saletés pénètrent dans le réservoir
• Contamination du système d'alimentation
• Odeur de carburant et efficacité réduite
Le remplacement des bouchons usés ou endommagés par un bouchon de réservoir de haute qualité garantit une étanchéité parfaite, préserve l'authenticité et contribue au bon fonctionnement du système d'alimentation en carburant, notamment pour la restauration de voitures classiques et la conduite quotidienne.
Remplacez le bouchon du réservoir de carburant si vous remarquez :
• Odeur d'essence près de la zone de remplissage
• Casquette lâche ou mal ajustée
• Corrosion visible, bosses ou filetages endommagés
• De l'eau s'infiltre par le goulot de remplissage du carburant
• Restaurer une Porsche classique dans son état d'origine
Numéros de référence associés
Numéros associés, remplacés, de référence croisée ou alternatifs à des fins de comparaison.
8115650900
Le produit que vous consultez fait référence à ces numéros
- Porsche 911 1965-1968 2.0L / 912 SWB (F)
- Porsche 911 1968-1973 2.2L / 2.4L / 2.7L RS LWB (F)
- Porsche 911 1974-1977 2.7L / 1976-77 3.0 Carrera
- Porsche 911 1978-1983 3.0L / SC
- Porsche 911 1975-1977 3.0L Turbo (930)

Convient :
Porsche 911 >> JUSQU'A 1979
Numéros de référence associés
Numéros associés, remplacés, de référence croisée ou alternatifs à des fins de comparaison.
91120127200
Le produit que vous consultez fait référence à ces numéros
- Porsche 911 1968-1973 2.2L / 2.4L / 2.7L RS LWB (F)
- Porsche 911 1974-1977 2.7L / 1976-77 3.0 Carrera
- Porsche 911 1978-1983 3.0L / SC

Convient :
Porsche 911 1969-77
Cliquez sur "Zoom avant" pour le schéma des grandes pièces.
Schéma réf n° 27
Numéros de référence associés
Numéros associés, remplacés, de référence croisée ou alternatifs à des fins de comparaison.
90120105120
Le produit que vous consultez fait référence à ces numéros
- Porsche 911 1965-1968 2.0L / 912 SWB (F)
- Porsche 911 1968-1973 2.2L / 2.4L / 2.7L RS LWB (F)
- Porsche 911 1974-1977 2.7L / 1976-77 3.0 Carrera
- Porsche 911 1978-1983 3.0L / SC
- Porsche 911 1984-1986 3.2L
- Porsche 911 1987-1989 3.2L G50
- Porsche 911 1975-1977 3.0L Turbo (930)
Convient à :
Porsche 911/912 1965-69
Porsche 911 1970-89
Porsche 930 Turbo 1975-77
Schéma de référence n° 21
Numéros de référence associés
Numéros associés, remplacés, de référence croisée ou alternatifs à des fins de comparaison.
90120159121
Le produit que vous consultez fait référence à ces numéros
- Porsche 911 1965-1968 2.0L / 912 SWB (F)
- Porsche 911 1968-1973 2.2L / 2.4L / 2.7L RS LWB (F)
- Porsche 911 1974-1977 2.7L / 1976-77 3.0 Carrera
- Porsche 911 1978-1983 3.0L / SC
- Porsche 911 1984-1986 3.2L
- Porsche 911 1987-1989 3.2L G50
- Porsche 911 1975-1977 3.0L Turbo (930)
Convient à :
Porsche 911/912 1965-69
Porsche 911 1970-89
Porsche 930 Turbo 1975-77
Schéma de référence n° 21
Numéros de référence associés
Numéros associés, remplacés, de référence croisée ou alternatifs à des fins de comparaison.
90120159121
Le produit que vous consultez fait référence à ces numéros
- Porsche 911 1965-1968 2.0L / 912 SWB (F)
- Porsche 911 1968-1973 2.2L / 2.4L / 2.7L RS LWB (F)
- Porsche 911 1974-1977 2.7L / 1976-77 3.0 Carrera
- Porsche 911 1978-1983 3.0L / SC
- Porsche 911 1984-1986 3.2L
- Porsche 911 1975-1977 3.0L Turbo (930)
- Porsche 911 1978-1989 3.3L Turbo (930)

Convient :
Porsche 911 1965-86
Cliquez sur "Zoom avant" pour le schéma des grandes pièces.
Schéma réf n° 21
Numéros de référence associés
Numéros associés, remplacés, de référence croisée ou alternatifs à des fins de comparaison.
90161230320
Le produit que vous consultez fait référence à ces numéros
- Porsche 911 1965-1968 2.0L / 912 SWB (F)
- Porsche 911 1968-1973 2.2L / 2.4L / 2.7L RS LWB (F)
- Porsche 911 1974-1977 2.7L / 1976-77 3.0 Carrera
- Porsche 911 1978-1983 3.0L / SC
- Porsche 911 1984-1986 3.2L
- Porsche 911 1987-1989 3.2L G50
- Porsche 911 1975-1977 3.0L Turbo (930)
- Porsche 911 1978-1989 3.3L Turbo (930)
Convient à :
Porsche 911 - 1965 à 1989
Réservoir de carburant Racing Tank - 110 litres
Le réservoir de carburant de 110 litres est idéal pour les courses ou les longs trajets. Grâce à sa conception légère en plastique, il pèse 11 kilos à vide et permet un gain de poids supplémentaire pour votre Porsche 911.
En plus du réservoir de carburant, vous recevrez : le bouchon du réservoir avec embout, la sangle de tension et une pince de tension.
Ce réservoir convient aux Porsche 911 ST et RSR, et peut bien sûr être installé sur d'autres modèles de Porsche 911, comme les Porsche 911 RS, SCRS, R ou des modèles spécifiques.
Numéros de référence associés
Numéros associés, remplacés, de référence croisée ou alternatifs à des fins de comparaison.
91120101013
Le produit que vous consultez fait référence à ces numéros
- Porsche 911 1965-1968 2.0L / 912 SWB (F)
- Porsche 911 1968-1973 2.2L / 2.4L / 2.7L RS LWB (F)
- Porsche 911 1974-1977 2.7L / 1976-77 3.0 Carrera
- Porsche 911 1978-1983 3.0L / SC
- Porsche 911 1984-1986 3.2L
- Porsche 911 1987-1989 3.2L G50
- Porsche 911 1975-1977 3.0L Turbo (930)
- Porsche 911 1978-1989 3.3L Turbo (930)

Convient :
Porsche 911 1965 -1989
Voulez-vous convertir votre 911 au remplissage central de style RSR inspiré de la course ?
Ce kit est livré avec toutes les pièces nécessaires pour cette conversion : plaques de blocage soudées pour le réservoir d'essence, suppression de la trappe de remplissage de carburant, tube de goulot de remplissage vertical du réservoir d'essence et un bol de déversement en fibre de carbone avec vidange. Ce kit comprend également notre bouchon de réservoir en aluminium anodisé de style RSR pour une touche finale parfaite.
L'installation nécessite de souder le goulot de remplissage et de bloquer la plaque sur le réservoir d'essence. Nous recommandons toujours d'utiliser un réservoir d'essence neuf.
- Porsche 911 1965-1968 2.0L / 912 SWB (F)
- Porsche 911 1968-1973 2.2L / 2.4L / 2.7L RS LWB (F)
- Porsche 911 1974-1977 2.7L / 1976-77 3.0 Carrera
- Porsche 911 1978-1983 3.0L / SC
- Porsche 911 1984-1986 3.2L
- Porsche 911 1987-1989 3.2L G50
- Porsche 911 1975-1977 3.0L Turbo (930)
- Porsche 911 1978-1989 3.3L Turbo (930)

Convient :
Porsche 911 1965 -1989
Voulez-vous convertir votre 911 au remplissage central de style RSR inspiré de la course ?
Ce kit est livré avec toutes les pièces nécessaires pour cette conversion : plaques de blocage soudées pour le réservoir d'essence, suppression de la trappe de remplissage de carburant, tube de goulot de remplissage vertical du réservoir d'essence et un bol de déversement en fibre de carbone avec vidange. Ce kit comprend également notre bouchon de réservoir en aluminium anodisé de style RSR pour une touche finale parfaite.
L'installation nécessite de souder le goulot de remplissage et de bloquer la plaque sur le réservoir d'essence. Nous recommandons toujours d'utiliser un réservoir d'essence neuf.
- Porsche 911 1965-1968 2.0L / 912 SWB (F)
- Porsche 911 1968-1973 2.2L / 2.4L / 2.7L RS LWB (F)
- Porsche 911 1974-1977 2.7L / 1976-77 3.0 Carrera
- Porsche 911 1978-1983 3.0L / SC
- Porsche 911 1984-1986 3.2L
- Porsche 911 1987-1989 3.2L G50
- Porsche 911 1975-1977 3.0L Turbo (930)
- Porsche 911 1978-1989 3.3L Turbo (930)
- Porsche 356 1950-55
- Porsche 356A 1955-59
- Porsche 356B 1959-63
- Porsche 356C 1963-65
Ce kit permettra de faire le plein de carburant par le centre du capot, même lorsque celui-ci est fermé.
Convient à :
Porsche 911 2.0-3.3 01/1963 - 07/1989
Ce que cela fait :
• Permet le ravitaillement avec le capot fermé grâce à un bouchon et un goulot de remplissage sécurisés (montage central).
• Rétablit l'étanchéité correcte du système d'alimentation en carburant au niveau du capot, contribuant ainsi à empêcher les fuites de vapeurs de carburant et à maintenir un aspect et un fonctionnement corrects.
• Conçu pour correspondre aux dimensions, à l'ajustement et à la finition de l'équipement d'origine, garantissant un alignement correct, un fonctionnement sûr du carburant et un aspect de restauration conforme.
Avec le temps, le bouchon de remplissage et son mécanisme d'origine peuvent se corroder, présenter une détérioration de l'étanchéité, un désalignement ou des dommages, ce qui peut entraîner des fuites de carburant, des échappements de vapeurs, une dégradation esthétique ou des difficultés de ravitaillement. L'installation de ce kit garantit le bon fonctionnement du système d'alimentation, une étanchéité parfaite du bouchon et restaure l'intégrité et l'aspect d'origine.
Numéros de référence associés
Numéros associés, remplacés, de référence croisée ou alternatifs à des fins de comparaison.
1681150410
Le produit que vous consultez fait référence à ces numéros
-
lubrification moteur 911 JUSQU'À 1971 104-00
-
Conduites de circuit d'alimentation avec pompe à essence avant pour 911 JUSQU'À 1971 201-00
-
Conduites d'alimentation avec pompe à essence arrière pour 911 T/E/S à partir de 1971 et 911 TV / CARRERA 2.7 / 911 TK 1972 ONAWRDS 201-05
-
Handbrake manual throttle heating actuator 911 1970-73 701-20
-
Wiring harnesses 911 1970-73 902-10
-
exterior panelling 911 1970-73 COUPE 801-30
Bouchon de réservoir, goulot de remplissage et trappe de remplissage – Ajustement précis, sécurité et style pour les modèles Porsche
Le bouchon, le goulot et la trappe de remplissage de votre Porsche jouent un rôle essentiel pour garantir la propreté, l'étanchéité et la sécurité du système de ravitaillement. Ensemble, ils empêchent l'évaporation du carburant, maintiennent la pression du réservoir et protègent contre la contamination, tout en améliorant la finition extérieure et la fonctionnalité de la voiture.
Chez Design911, nous proposons une gamme complète de composants de remplissage de précision, notamment des bouchons de réservoir, des goulots de remplissage et des trappes, conçus pour un ajustement parfait, une durabilité accrue et une étanchéité optimale. Fabriqués à partir d'alliages, de polymères et de revêtements de haute qualité, ces composants garantissent sécurité et fiabilité dans toutes les conditions de conduite.
Que vous restauriez une Porsche classique ou que vous entreteniez un modèle moderne, nos pièces de remplissage de carburant de qualité fabricant garantissent une étanchéité sûre, une résistance à la corrosion et une apparence d'origine, jusque dans les moindres détails.
À quoi servent les composants du réservoir de carburant ?
Chaque élément du système de remplissage de carburant remplit une fonction distincte qui contribue à la fois aux performances et à la sécurité :
Fonctions principales :
- Bouchon de remplissage de carburant : scelle le réservoir pour éviter la perte de vapeur, maintenir la pression et empêcher la pénétration de contaminants.
- Goulot de remplissage : guide le carburant en douceur depuis l'ouverture de remplissage vers le réservoir sans déversement ni reflux.
- Volet de remplissage : protège l'ensemble de remplissage de la saleté, des débris et de l'exposition aux intempéries tout en complétant la conception de la voiture.
Ensemble, ces pièces maintiennent l'intégrité du système de carburant, le contrôle des vapeurs et l'esthétique, garantissant que votre Porsche fonctionne parfaitement sur route ou sur piste.
Pourquoi les bouchons, les goulots et les volets de remplissage de carburant tombent-ils en panne ?
Au fil du temps, l’exposition aux vapeurs de carburant, à l’humidité et aux vibrations peut user même les composants de remplissage les plus durables.
Les causes courantes d’échec comprennent :
- Bouchons de remplissage fissurés ou usés , entraînant des fuites de vapeur ou des voyants de contrôle du moteur (codes EVAP).
- Corrosion ou dégradation des goulots de remplissage métalliques.
- Charnières ou clips cassés sur les trappes de remplissage.
- Détérioration du joint , provoquant des odeurs de carburant ou une perte de pression.
- Dommages accidentels dus à un serrage excessif ou à un impact lors du ravitaillement.
Un composant de remplissage usé ou endommagé peut compromettre l'étanchéité du système de carburant, déclencher des défauts d'émissions ou simplement nuire à la qualité esthétique de votre Porsche.
Pourquoi remplacer par des composants de remplissage de carburant conçus avec précision ?
Remplacer des composants de remplissage usés ou endommagés permet de restaurer performances et tranquillité d'esprit. Nos bouchons, goulots et trappes de remplissage, parfaitement ajustés, sont conçus pour respecter, voire dépasser, les spécifications du fabricant en matière d'étanchéité, d'ajustement et de durabilité.
Principaux avantages :
- Rétablit l’étanchéité du réservoir et prévient les fuites de vapeur.
- Élimine les odeurs de carburant et les voyants d'avertissement liés à l'EVAP.
- Empêche l’intrusion de saleté et d’humidité dans le système de carburant.
- Améliore la finition extérieure avec un design et des matériaux parfaitement assortis.
- Fabriqué à partir de métaux résistants à la corrosion et de polymères sans danger pour le carburant.
- Remplacements directs pour une large gamme de modèles Porsche.
Parfaits pour les restaurations, l'entretien ou les améliorations de performances, ces composants garantissent que votre Porsche conserve à la fois son intégrité technique et son excellence de conception.
Points forts:
- Bouchons de remplissage, goulots et volets de remplacement de haute qualité pour les modèles Porsche.
- Étanchéité et résistance à la corrosion conçues avec précision.
- Empêche les fuites, les pertes de vapeur et la contamination du carburant.
- Construction durable pour une fiabilité à long terme.
- Solutions de montage direct pour les véhicules Porsche refroidis par air et modernes.
- Restaure à la fois les performances et l’attrait visuel authentique.