Saisissez votre numéro de TVA ici et cliquez sur Vérifier :
Il n'est pas nécessaire de saisir la partie code pays de votre numéro de TVA car elle a déjà été sélectionnée dans votre adresse de facturation ci-dessus.
Vos coordonnées ont été vérifiées. Numéro de TVA enregistré au nom de:
,
.
Votre commande sera désormais détaxée au titre de la TVA. Nous nous réservons le droit de vérifier ces détails une fois votre commande passée et de rétablir la TVA si nécessaire.
Vos données de TVA n'ont pas été reconnues ou n'étaient pas valides. Votre numéro de TVA doit correspondre à votre pays de facturation tel que spécifié ci-dessus. Il est actuellement spécifié comme . Vous n'avez pas besoin de saisir la partie code pays de votre numéro de TVA car elle a déjà été sélectionnée dans les détails de votre adresse de facturation ci-dessus.
Le service de vérification du numéro de TVA est actuellement hors ligne. Veuillez indiquer votre numéro de TVA dans le champ « Commentaires ou instructions spéciales » ci-dessous et nous appliquerons une remise de TVA après avoir passé votre commande.
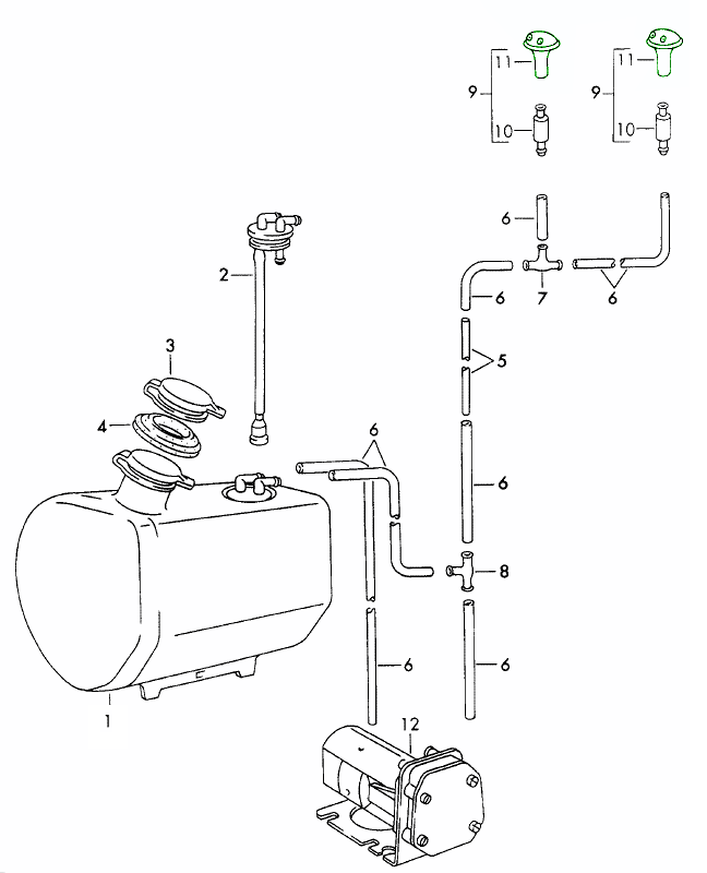
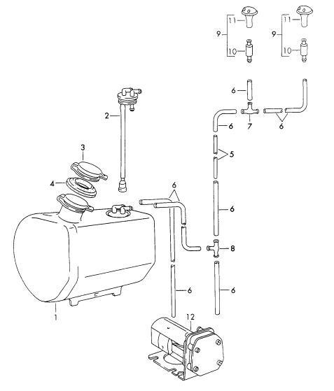
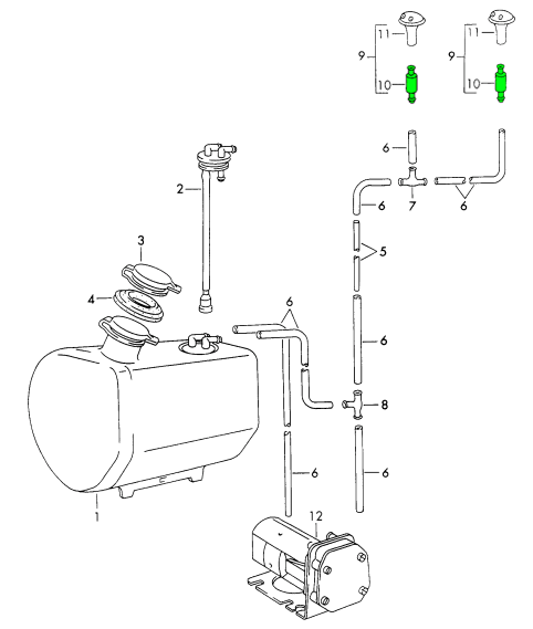
Lave-pompes / bouteilles / gicleurs
- Porsche 911 1968-1973 2.2L / 2.4L / 2.7L RS LWB (F)
Convient à :
Porsche 911 / 912 - 1968 à 1973
Le kit comprend
Bouteille de lave-glace x 1
Bouchon de réservoir de lave-glace x 1
Joint de réservoir de lave-glace x 1
Bouchon de réservoir de lave-glace x 1
Pompe x 1
Numéros de référence du diagramme 1, 2, 3, 4 et 12
Numéros de référence associés
Numéros associés, remplacés, de référence croisée ou alternatifs à des fins de comparaison.
9016287BTLKIT
Le produit que vous consultez fait référence à ces numéros
Ce kit est composé des éléments suivants:
- Porsche 911 1965-1968 2.0L / 912 SWB (F)
- Porsche 911 1968-1973 2.2L / 2.4L / 2.7L RS LWB (F)
- Porsche 356B 1959-63
- Porsche 356C 1963-65
Convient à :
Porsche 911/912 1968-73
Schéma de référence n° 4
Numéros de référence associés
Numéros associés, remplacés, de référence croisée ou alternatifs à des fins de comparaison.
90162818300
Le produit que vous consultez fait référence à ces numéros
- Porsche 911 1965-1968 2.0L / 912 SWB (F)
- Porsche 911 1968-1973 2.2L / 2.4L / 2.7L RS LWB (F)
- Porsche 356B 1959-63
- Porsche 356C 1963-65
Convient à :
Porsche 911/912 1968-73
Schéma de référence n° 4
Numéros de référence associés
Numéros associés, remplacés, de référence croisée ou alternatifs à des fins de comparaison.
90162818300
Le produit que vous consultez fait référence à ces numéros
- Porsche 911 1965-1968 2.0L / 912 SWB (F)
- Porsche 911 1968-1973 2.2L / 2.4L / 2.7L RS LWB (F)
Convient à :
Porsche 911/912 1968-73
Schéma réf. n° 1
Numéros de référence associés
Numéros associés, remplacés, de référence croisée ou alternatifs à des fins de comparaison.
90162872026
Le produit que vous consultez fait référence à ces numéros
- Porsche 911 1965-1968 2.0L / 912 SWB (F)
- Porsche 911 1968-1973 2.2L / 2.4L / 2.7L RS LWB (F)
Convient à :
Porsche 911/912 1968-73
Schéma réf. n° 1
Numéros de référence associés
Numéros associés, remplacés, de référence croisée ou alternatifs à des fins de comparaison.
90162872026
Le produit que vous consultez fait référence à ces numéros
- Porsche 911 1965-1968 2.0L / 912 SWB (F)
- Porsche 911 1968-1973 2.2L / 2.4L / 2.7L RS LWB (F)
Convient à :
Porsche 911/912 1965-73
Schéma réf. n° 2
Numéros de référence associés
Numéros associés, remplacés, de référence croisée ou alternatifs à des fins de comparaison.
90162873023
Le produit que vous consultez fait référence à ces numéros
- Porsche 911 1965-1968 2.0L / 912 SWB (F)
- Porsche 911 1968-1973 2.2L / 2.4L / 2.7L RS LWB (F)
Convient à :
Porsche 911 2.0-2.7 08/68-12/73
Schéma réf. n° 2
Numéros de référence associés
Numéros associés, remplacés, de référence croisée ou alternatifs à des fins de comparaison.
90162873023
Le produit que vous consultez fait référence à ces numéros
- Porsche 911 1965-1968 2.0L / 912 SWB (F)
- Porsche 911 1968-1973 2.2L / 2.4L / 2.7L RS LWB (F)
- Porsche 356B 1959-63
- Porsche 356C 1963-65
Convient à :
Porsche 911/912 1968-73
Porsche 356B-T6 / 356C 1960-65
Schéma de référence n° 3
Numéros de référence associés
Numéros associés, remplacés, de référence croisée ou alternatifs à des fins de comparaison.
91162816700
Le produit que vous consultez fait référence à ces numéros
- Porsche 911 1965-1968 2.0L / 912 SWB (F)
- Porsche 911 1968-1973 2.2L / 2.4L / 2.7L RS LWB (F)
- Porsche 356 1950-55
- Porsche 356A 1955-59
- Porsche 356B 1959-63
- Porsche 356C 1963-65
CHAQUE.

Convient :
Porsche 356
Porsche 911 1965-73
Cliquez sur "Zoom avant" pour le schéma des grandes pièces.
Schéma réf n° 9
Numéros de référence associés
Numéros associés, remplacés, de référence croisée ou alternatifs à des fins de comparaison.
64462874102
Le produit que vous consultez fait référence à ces numéros
- Porsche 911 1965-1968 2.0L / 912 SWB (F)
- Porsche 911 1968-1973 2.2L / 2.4L / 2.7L RS LWB (F)
Convient à :
Porsche 911 1966-73
Numéros de référence associés
Numéros associés, remplacés, de référence croisée ou alternatifs à des fins de comparaison.
90162874120
Le produit que vous consultez fait référence à ces numéros
- Porsche 911 1965-1968 2.0L / 912 SWB (F)
- Porsche 911 1968-1973 2.2L / 2.4L / 2.7L RS LWB (F)
Convient à :
Porsche 911 1966-73
Numéros de référence associés
Numéros associés, remplacés, de référence croisée ou alternatifs à des fins de comparaison.
90162874120
Le produit que vous consultez fait référence à ces numéros
- Porsche 911 1965-1968 2.0L / 912 SWB (F)
- Porsche 911 1968-1973 2.2L / 2.4L / 2.7L RS LWB (F)
- Porsche 911 1974-1977 2.7L / 1976-77 3.0 Carrera
- Porsche 911 1978-1983 3.0L / SC
- Porsche 911 1984-1986 3.2L
- Porsche 911 1987-1989 3.2L G50
- Porsche 911 1975-1977 3.0L Turbo (930)
- Porsche 911 1978-1989 3.3L Turbo (930)
- Porsche 928 4.5L 1978-82
- Porsche 928S 4.7L 1981-83
- Porsche 928S2 4.7L 1984-86
- Porsche 914 (1970-1976)
Convient à :
Porsche 911/912 1965-89
Porsche 930 (911) Turbo 1975-89
Porsche 914-6 >>1971
Porsche 928 1978-86
Schéma de référence n° 17
Numéros de référence associés
Numéros associés, remplacés, de référence croisée ou alternatifs à des fins de comparaison.
92862807401
Le produit que vous consultez fait référence à ces numéros
- Porsche 911 1965-1968 2.0L / 912 SWB (F)
- Porsche 911 1968-1973 2.2L / 2.4L / 2.7L RS LWB (F)
- Porsche 911 1974-1977 2.7L / 1976-77 3.0 Carrera
- Porsche 911 1978-1983 3.0L / SC
- Porsche 911 1984-1986 3.2L
- Porsche 911 1987-1989 3.2L G50
- Porsche 911 1975-1977 3.0L Turbo (930)
- Porsche 911 1978-1989 3.3L Turbo (930)
- Porsche 928 4.5L 1978-82
- Porsche 928S 4.7L 1981-83
- Porsche 928S2 4.7L 1984-86
- Porsche 914 (1970-1976)
Convient à :
Porsche 911/912 1965-89
Porsche 930 (911) Turbo 1975-89
Porsche 914-6 >>1971
Porsche 928 1978-86
Schéma de référence n° 17
Numéros de référence associés
Numéros associés, remplacés, de référence croisée ou alternatifs à des fins de comparaison.
92862807401
Le produit que vous consultez fait référence à ces numéros
- Porsche 911 1965-1968 2.0L / 912 SWB (F)
- Porsche 911 1968-1973 2.2L / 2.4L / 2.7L RS LWB (F)

Convient :
Porsche 911 1965-73
Cliquez sur "Zoom avant" pour le schéma des grandes pièces.
Schéma réf n° 10.
Le prix est pour chacun.
Numéros de référence associés
Numéros associés, remplacés, de référence croisée ou alternatifs à des fins de comparaison.
91462821500
Le produit que vous consultez fait référence à ces numéros
Pompes, réservoirs et gicleurs de lave-glace : une vision claire pour chaque trajet
Les pompes, les réservoirs et les gicleurs de lave-glace sont des éléments clés du système de nettoyage du pare-brise de votre Porsche. Ils fonctionnent ensemble pour acheminer le liquide lave-glace du réservoir vers la pompe et les gicleurs, protégeant ainsi votre pare-brise de la saleté, des insectes et des débris, pour une visibilité optimale en toutes circonstances.
Chez Design911, nous proposons une gamme complète de composants de lave-glace d'origine et de haute qualité, notamment des réservoirs, des pompes de lave-glace électriques et des gicleurs de précision, pour tous les modèles Porsche tels que la 911, le Boxster, le Cayman, le Cayenne, le Macan et la Panamera. Chaque pièce est conçue pour offrir un niveau de compatibilité et de performance élevé, pour un nettoyage fiable et une fiabilité à long terme.
À quoi servent les pompes, les bouteilles et les jets de lave-glace ?
- Réservoir/bouteille de lave-glace : stocke le liquide de lave-glace et est généralement situé dans le compartiment moteur ou dans le coffre.
- Pompe de lave-glace : Un moteur électrique qui pressurise le liquide et le pousse à travers les conduites vers le
- Gicleurs/buses de lave-glace : diffusent une pulvérisation fine et uniforme de liquide sur le pare-brise ou les phares pour une couverture de nettoyage efficace.
Ensemble, ces composants garantissent que votre pare-brise reste propre et sans traces, préservant ainsi la visibilité et la sécurité dans toutes les conditions météorologiques.
Pourquoi les composants de la laveuse tombent-ils en panne ?
Au fil du temps, les pièces du système de lavage peuvent se dégrader ou tomber en panne en raison de l'usure, de la contamination ou de l'exposition à l'environnement. Les causes courantes sont les suivantes :
Les symptômes de défaillance comprennent une pulvérisation faible ou inexistante des jets, des fuites de liquide ou une pompe qui ne s'active pas lorsque la tige de la laveuse est utilisée.
Pourquoi remplacer les composants défectueux de la laveuse ?
Un système de lave-glace en bon état de fonctionnement est essentiel à la visibilité et à la sécurité routière. Le remplacement des composants usés ou endommagés garantit la propreté et la clarté de votre pare-brise, quelles que soient les conditions de conduite.
Les avantages du remplacement comprennent :
- Performances et pression de la laveuse restaurées.
- Visibilité et sécurité améliorées en cas de pluie ou d'éclaboussures sur la route.
- Prévention des fuites et des dommages électriques.
- Pièces de haute qualité pour un ajustement parfait et une durabilité.