Inserisci il tuo numero di partiva IVA qui e fai clic su Verifica:
Nessuna necessità di inserire la parte del numero di partita IVA relativa al codice del paese poiché questa è già stato selezionata nel predetto indirizzo di fatturazione.
I tuoi dati sono stati verificati. Numero di partita IVA registrato a:
,
.
Al tuo ordine sarà applicata un’aliquota pari a zero ai fini dell’IVA. Ci riserviamo il diritto di verificare questi dettagli dopo che la tua richiesta d’ordine è stata fatta e di reintegrare l’IVA se necessario.
I tuoi dati IVA non sono stati riconosciuti o non erano validi. Il tuo numero di partita IVA deve corrispondere al tuo paese di fatturazione come specificato sopra. Attualmente è specificato come . Non occorre inserire inserire la parte del numero di partita IVA relativa al codice del paese poiché questa è già stato selezionata nei dettagli del predetto indirizzo di fatturazione.
Il servizio di verifica della partita IVA è attualmente offline. Per favore fornisci i tuoi dati IVA all’interno dei commenti o nel campo delle istruzioni speciali sotto e noi applicheremo uno sconto IVA dopo aver fatto la richiesta d’ordine.
Coupé
- Porsche 911 1965-1968 2.0L / 912 SWB (F)
- Porsche 911 1968-1973 2.2L / 2.4L / 2.7L RS LWB (F)
- Porsche 911 1974-1977 2.7L / 1976-77 3.0 Carrera
- Porsche 911 1978-1983 3.0L / SC
Morsetti deflettori antivento per tettuccio apribile (aperti e chiusi) per Porsche 911 1965–1983 – Lavorati a CNC, anodizzati e realizzati per un'affidabilità a lungo termine
Venduto singolarmente - 1 pezzo per lato (4 per auto)
Questi morsetti per deflettori antivento per tettuccio apribile, lavorati con precisione CNC e anodizzati, sono progettati per i modelli Porsche 911 dal 1965 al 1983, e rappresentano una sostituzione durevole e precisa per i morsetti usurati o invecchiati che fissano il deflettore antivento del tettuccio apribile. Disponibili sia in versione aperta che chiusa, ogni morsetto garantisce un montaggio affidabile e garantisce il perfetto funzionamento del deflettore antivento.
Adatto a:
- Porsche 911 1965-1968 2.0L / 912 SWB (F)
- Porsche 911 1968-1973 2.2L / 2.4L / 2.7L RS passo lungo (F)
- Porsche 911 1974-1977 2.7L / 1976-77 3.0 Carrera
- Porsche 911 1978-1983 3.0L/SC
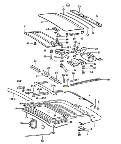
Morsetti per schema rif. n. 24 e 25
Realizzati come alternativa di alta qualità alle attrezzature originali, questi morsetti ripristinano la corretta tensione e allineamento del deflettore dell'aria, garantendo un funzionamento silenzioso e stabile del tettuccio apribile e un migliore controllo del flusso d'aria durante la guida con il tettuccio aperto. La loro struttura lavorata a CNC offre una precisione superiore rispetto agli originali più datati, rendendoli un upgrade ideale per il restauro di Porsche d'epoca, la riparazione del tettuccio apribile e la manutenzione preventiva.
Cosa fanno questi morsetti deflettori del vento del tettuccio apribile
Questi morsetti svolgono un ruolo cruciale nel classico sistema del tettuccio apribile della 911:
• Fissare il deflettore del vento per garantire un sollevamento stabile e regolare
• Mantenere l'allineamento corretto per un funzionamento silenzioso a velocità
• Ridurre le turbolenze del vento quando il tettuccio apribile è aperto
• Previene vibrazioni, rumori e movimenti indesiderati
• Supporta la longevità dei componenti circostanti del tettuccio apribile
• Garantisce un montaggio preciso grazie all'alluminio anodizzato lavorato a CNC
Che si tratti di ricostruire il meccanismo di un tettuccio apribile o di ripristinare la funzionalità originale di una 911 degli anni '70, questi morsetti offrono prestazioni affidabili e qualità ingegneristica moderna.
Perché i morsetti del deflettore del vento si rompono sui modelli Porsche 911 classici
I punti di invecchiamento e di guasto più comuni includono:
• Morsetti originali indeboliti a causa di decenni di affaticamento del metallo
• Corrosione o ossidazione su pezzi di alluminio più vecchi
• Morsetti piegati a causa dei ripetuti cicli di apertura del tettuccio apribile
• Usura dovuta a grasso secco o mancanza di lubrificazione nel meccanismo del tettuccio apribile
• Superfici di accoppiamento in gomma o plastica che si deteriorano con l'età
• Pressione del vento eccessiva che sollecita componenti già fragili
Un guasto provoca solitamente rumori, un posizionamento errato del deflettore, un flusso d'aria rumoroso o il sollevamento non corretto del deflettore: problemi comuni sui primi modelli Porsche 911 targa e coupé con tettuccio apribile elettrico.
Perché questi morsetti dovrebbero essere sostituiti
La sostituzione dei morsetti del deflettore del tettuccio apribile garantisce:
• Movimento del deflettore corretto e stabile
• Cabina più silenziosa con rumore del vento ridotto
• Eliminati i rumori causati da morsetti allentati o usurati
• Funzionalità del tettuccio apribile ripristinata per l'uso quotidiano
• Maggiore longevità grazie alla resistenza lavorata tramite CNC
• Una soluzione affidabile per restauri e ricostruzioni a livello di concorso
L'installazione di morsetti di ricambio ad alta precisione è il modo più efficace per preservare l'autenticità e l'usabilità dei classici sistemi del tettuccio apribile della Porsche 911.
Numeri di riferimento correlati
Numeri correlati, sostituiti, riferimenti incrociati o alternativi per il confronto.
901564073KIT
Il prodotto che stai visualizzando fa riferimento a questi numeri
Questo kit è composto dai seguenti elementi:
- Porsche 911 1965-1968 2.0L / 912 SWB (F)
- Porsche 911 1968-1973 2.2L / 2.4L / 2.7L RS LWB (F)
- Porsche 911 1974-1977 2.7L / 1976-77 3.0 Carrera
- Porsche 911 1975-1977 3.0L Turbo (930)
Adatto a:
Porsche 911 dal 1965 al 1977
Scatola di ventilazione montata sul retro del pannello del tetto.
Numeri di riferimento correlati
Numeri correlati, sostituiti, riferimenti incrociati o alternativi per il confronto.
1682003000
Il prodotto che stai visualizzando fa riferimento a questi numeri
- Porsche 911 1968-1973 2.2L / 2.4L / 2.7L RS LWB (F)
- Porsche 911 1974-1977 2.7L / 1976-77 3.0 Carrera
- Porsche 911 1978-1983 3.0L / SC
- Porsche 911 1984-1986 3.2L
- Porsche 911 1987-1989 3.2L G50
- Porsche 911 1975-1977 3.0L Turbo (930)
- Porsche 911 1978-1989 3.3L Turbo (930)
- Porsche 964 (911) C2 1989-93
- Porsche 964 (911) C4 1989-93
- Porsche 964 (911) RS 3.6L 1991-93
- Porsche 964 (911) RS 3.8L 1991-93
- Porsche 964 (911) TURBO 3.3L 1991-93
- Porsche 964 (911) TURBO 3.6L 1991-93
- Porsche 993 (911) C2 1994-97
- Porsche 993 (911) C4 1994-97
- Porsche 993 (911) RS 1994-97
- Porsche 993 (911) C2S 1994-97
- Porsche 993 (911) C4S 1994-97
- Porsche 993 (911) TURBO 1994-96
- Porsche 993 (911) GT2 1994-97
- Porsche 993 (911) TURBO S 1994-97
Materiale: fibra di carbonio

Si adatta:
Porsche 911 1967-89 Coupé
Porsche 964 Coupé
Porsche 993 Coupé
Risparmia peso rimuovendo la lamiera d'acciaio (incluso il tettuccio apribile) dal tetto della tua 911 e abbassa drasticamente il baricentro della tua auto. Una soluzione per rimuovere il tetto apribile da un'auto da pista/da corsa e per accedere a un roll-bar saldato senza la necessità di riverniciarlo o saldarlo. Il rivestimento in carbonio pesa meno della metà della lamiera d'acciaio originale e può facilmente sopportare altri 20 kg se si rimuove il tetto apribile.
La fibra di carbonio nera è rifinita con un rivestimento trasparente lucido, che mette in mostra la trama in fibra di carbonio twill 2x2 (3k, pelle rinforzata in vetroresina/fibra di vetro di grado aerospaziale). Confezionato sotto vuoto e infuso con resina, per garantire zero bolle d'aria e la parte più leggera possibile, può essere sovraverniciato se necessario.
Su ordinazione, si prega di attendere 2-3 settimane per la realizzazione e la spedizione.
- Porsche 911 1965-1968 2.0L / 912 SWB (F)
- Porsche 911 1968-1973 2.2L / 2.4L / 2.7L RS LWB (F)
- Porsche 911 1974-1977 2.7L / 1976-77 3.0 Carrera
- Porsche 911 1978-1983 3.0L / SC
Morsetti deflettori antivento per tettuccio apribile (aperti e chiusi) per Porsche 911 1965–1983 – Lavorati a CNC, anodizzati e realizzati per un'affidabilità a lungo termine
Venduto singolarmente - 1 pezzo per lato (4 per auto)
Questi morsetti per deflettori antivento per tettuccio apribile, lavorati con precisione CNC e anodizzati, sono progettati per i modelli Porsche 911 dal 1965 al 1983, e rappresentano una sostituzione durevole e precisa per i morsetti usurati o invecchiati che fissano il deflettore antivento del tettuccio apribile. Disponibili sia in versione aperta che chiusa , ogni morsetto garantisce un montaggio affidabile e garantisce il perfetto funzionamento del deflettore antivento.
Adatto a:
- Porsche 911 1965-1968 2.0L / 912 SWB (F)
- Porsche 911 1968-1973 2.2L / 2.4L / 2.7L RS passo lungo (F)
- Porsche 911 1974-1977 2.7L / 1976-77 3.0 Carrera
- Porsche 911 1978-1983 3.0L/SC
Morsetti per schema rif. n. 24 e 25
Realizzati come alternativa di alta qualità alle attrezzature originali, questi morsetti ripristinano la corretta tensione e allineamento del deflettore dell'aria, garantendo un funzionamento silenzioso e stabile del tettuccio apribile e un migliore controllo del flusso d'aria durante la guida con il tettuccio aperto. La loro struttura lavorata a CNC offre una precisione superiore rispetto agli originali più datati, rendendoli un upgrade ideale per il restauro di Porsche d'epoca, la riparazione del tettuccio apribile e la manutenzione preventiva.
Cosa fanno questi morsetti deflettori del vento del tettuccio apribile
Questi morsetti svolgono un ruolo cruciale nel classico sistema del tettuccio apribile della 911:
• Fissare il deflettore del vento per garantire un sollevamento stabile e regolare
• Mantenere l'allineamento corretto per un funzionamento silenzioso a velocità
• Ridurre le turbolenze del vento quando il tettuccio apribile è aperto
• Previene vibrazioni, rumori e movimenti indesiderati
• Supporta la longevità dei componenti circostanti del tettuccio apribile
• Garantisce un montaggio preciso grazie all'alluminio anodizzato lavorato a CNC
Che si tratti di ricostruire il meccanismo di un tettuccio apribile o di ripristinare la funzionalità originale di una 911 degli anni '70, questi morsetti offrono prestazioni affidabili e qualità ingegneristica moderna.
Perché i morsetti del deflettore del vento si rompono sui modelli Porsche 911 classici
I punti di invecchiamento e di guasto più comuni includono:
• Morsetti originali indeboliti a causa di decenni di affaticamento del metallo
• Corrosione o ossidazione su pezzi di alluminio più vecchi
• Morsetti piegati a causa dei ripetuti cicli di apertura del tettuccio apribile
• Usura dovuta a grasso secco o mancanza di lubrificazione nel meccanismo del tettuccio apribile
• Superfici di accoppiamento in gomma o plastica che si deteriorano con l'età
• Pressione del vento eccessiva che sollecita componenti già fragili
Un guasto provoca solitamente rumori, un posizionamento errato del deflettore, un flusso d'aria rumoroso o il sollevamento non corretto del deflettore: problemi comuni sui primi modelli Porsche 911 targa e coupé con tettuccio apribile elettrico.
Perché questi morsetti dovrebbero essere sostituiti
La sostituzione dei morsetti del deflettore del tettuccio apribile garantisce:
• Movimento del deflettore corretto e stabile
• Cabina più silenziosa con rumore del vento ridotto
• Eliminati i rumori causati da morsetti allentati o usurati
• Funzionalità del tettuccio apribile ripristinata per l'uso quotidiano
• Maggiore longevità grazie alla resistenza lavorata tramite CNC
• Una soluzione affidabile per restauri e ricostruzioni a livello di concorso
L'installazione di morsetti di ricambio ad alta precisione è il modo più efficace per preservare l'autenticità e l'usabilità dei classici sistemi del tettuccio apribile della Porsche 911.
Numeri di riferimento correlati
Numeri correlati, sostituiti, riferimenti incrociati o alternativi per il confronto.
901564073H
Il prodotto che stai visualizzando fa riferimento a questi numeri
- Porsche 911 1965-1968 2.0L / 912 SWB (F)
- Porsche 911 1968-1973 2.2L / 2.4L / 2.7L RS LWB (F)
- Porsche 911 1974-1977 2.7L / 1976-77 3.0 Carrera
- Porsche 911 1978-1983 3.0L / SC

Si adatta:
Porsche 911 - dal 1965 al 1982
Fare clic su "Zoom avanti" per il diagramma delle parti di grandi dimensioni.
Rif. diagramma n. 21
Numeri di riferimento correlati
Numeri correlati, sostituiti, riferimenti incrociati o alternativi per il confronto.
90156440
Il prodotto che stai visualizzando fa riferimento a questi numeri
- Porsche 911 1965-1968 2.0L / 912 SWB (F)
- Porsche 911 1968-1973 2.2L / 2.4L / 2.7L RS LWB (F)
- Porsche 911 1974-1977 2.7L / 1976-77 3.0 Carrera
- Porsche 911 1978-1983 3.0L / SC

Si adatta:
Porsche 911 - dal 1965 al 1982
Fare clic su "Zoom avanti" per il diagramma delle parti di grandi dimensioni.
Rif. diagramma n. 21
Numeri di riferimento correlati
Numeri correlati, sostituiti, riferimenti incrociati o alternativi per il confronto.
90156440
Il prodotto che stai visualizzando fa riferimento a questi numeri
- Porsche 911 1968-1973 2.2L / 2.4L / 2.7L RS LWB (F)
- Porsche 911 1974-1977 2.7L / 1976-77 3.0 Carrera
- Porsche 911 1978-1983 3.0L / SC
- Porsche 911 1975-1977 3.0L Turbo (930)
- Porsche 911 1978-1989 3.3L Turbo (930)
Adatto a:
Porsche 911 F (1969 - 1973)
Porsche 911G911 (1974 - 1982)
Porsche 911 Turbo (1975 - 1982)
Diagramma rif. n. 49
Numeri di riferimento correlati
Numeri correlati, sostituiti, riferimenti incrociati o alternativi per il confronto.
90156443306
Il prodotto che stai visualizzando fa riferimento a questi numeri
- Porsche 911 1965-1968 2.0L / 912 SWB (F)
- Porsche 911 1968-1973 2.2L / 2.4L / 2.7L RS LWB (F)

Si adatta:
Porsche 911/912 1965-73 COUPÉ
Numeri di parte precedenti:
90156461506
Fai clic su "Ingrandisci" per il diagramma delle parti di grandi dimensioni.
Diagramma rif. n. 31
- Porsche 911 1965-1968 2.0L / 912 SWB (F)
- Porsche 911 1968-1973 2.2L / 2.4L / 2.7L RS LWB (F)
- Porsche 911 1974-1977 2.7L / 1976-77 3.0 Carrera
- Porsche 911 1978-1983 3.0L / SC
- Porsche 911 1984-1986 3.2L
- Porsche 911 1987-1989 3.2L G50
- Porsche 911 1975-1977 3.0L Turbo (930)
- Porsche 911 1978-1989 3.3L Turbo (930)

Adatto:
Porsche 911 Coupé 2.0-3.3 01/63-07/89
Si adatta alla parte evidenziata in verde nello schema.
Fare clic su "Ingrandisci" per visualizzare il diagramma.
Numeri di riferimento correlati
Numeri correlati, sostituiti, riferimenti incrociati o alternativi per il confronto.
91150398701GRV
Il prodotto che stai visualizzando fa riferimento a questi numeri
- Porsche 911 1965-1968 2.0L / 912 SWB (F)
- Porsche 911 1968-1973 2.2L / 2.4L / 2.7L RS LWB (F)
- Porsche 911 1974-1977 2.7L / 1976-77 3.0 Carrera
- Porsche 911 1978-1983 3.0L / SC
- Porsche 911 1984-1986 3.2L
- Porsche 911 1987-1989 3.2L G50
- Porsche 911 1975-1977 3.0L Turbo (930)
- Porsche 911 1978-1989 3.3L Turbo (930)
- Porsche 964 (911) C2 1989-93
- Porsche 964 (911) C4 1989-93
- Porsche 964 (911) TURBO 3.3L 1991-93
- Porsche 964 (911) TURBO 3.6L 1991-93
- Porsche 993 (911) C2 1994-97
- Porsche 993 (911) C4 1994-97
- Porsche 993 (911) C2S 1994-97
- Porsche 993 (911) C4S 1994-97
- Porsche 993 (911) TURBO 1994-96
- Porsche 993 (911) TURBO S 1994-97

Si adatta:
Porsche 911 / 912 - dal 1965 al 1989
Porsche 964 - dal 1989 al 1994
Porsche 993 - dal 1994 al 1998
Fai clic su "Ingrandisci" per il diagramma delle parti di grandi dimensioni.
Diagramma rif. 43
Numeri di riferimento correlati
Numeri correlati, sostituiti, riferimenti incrociati o alternativi per il confronto.
90156443106
Il prodotto che stai visualizzando fa riferimento a questi numeri
- Porsche 911 1965-1968 2.0L / 912 SWB (F)
- Porsche 911 1968-1973 2.2L / 2.4L / 2.7L RS LWB (F)
- Porsche 911 1974-1977 2.7L / 1976-77 3.0 Carrera
- Porsche 911 1978-1983 3.0L / SC
- Porsche 911 1984-1986 3.2L
- Porsche 911 1987-1989 3.2L G50
- Porsche 911 1975-1977 3.0L Turbo (930)
- Porsche 911 1978-1989 3.3L Turbo (930)
- Porsche 964 (911) C2 1989-93
- Porsche 964 (911) C4 1989-93
- Porsche 964 (911) RS 3.6L 1991-93
- Porsche 964 (911) RS 3.8L 1991-93
- Porsche 964 (911) TURBO 3.3L 1991-93
- Porsche 964 (911) TURBO 3.6L 1991-93
- Porsche 993 (911) RS 1994-97
Adatto a:
Porsche 356 B / 356 C 1960-65 Coupé / Hardtop
Porsche 911/912/930 1965-89 COUPÉ
Porsche 964 1989-94 Coupé
Porsche 993 Carrera RS Coupé
Diagramma rif. n. 8
Numeri di riferimento correlati
Numeri correlati, sostituiti, riferimenti incrociati o alternativi per il confronto.
64455551500
Il prodotto che stai visualizzando fa riferimento a questi numeri
- Porsche 911 1965-1968 2.0L / 912 SWB (F)
- Porsche 911 1968-1973 2.2L / 2.4L / 2.7L RS LWB (F)
- Porsche 911 1974-1977 2.7L / 1976-77 3.0 Carrera
- Porsche 911 1978-1983 3.0L / SC
- Porsche 911 1984-1986 3.2L
- Porsche 911 1987-1989 3.2L G50
- Porsche 911 1975-1977 3.0L Turbo (930)
- Porsche 911 1978-1989 3.3L Turbo (930)
- Porsche 964 (911) C2 1989-93
- Porsche 964 (911) C4 1989-93
- Porsche 964 (911) RS 3.6L 1991-93
- Porsche 964 (911) RS 3.8L 1991-93
- Porsche 964 (911) TURBO 3.3L 1991-93
- Porsche 964 (911) TURBO 3.6L 1991-93
- Porsche 993 (911) RS 1994-97
Adatto a:
Porsche 356 B / 356 C 1960-65 Coupé / Hardtop
Porsche 911/912/930 1965-89 COUPÉ
Porsche 964 1989-94 Coupé
Porsche 993 Carrera RS Coupé
Diagramma rif. n. 8
Numeri di riferimento correlati
Numeri correlati, sostituiti, riferimenti incrociati o alternativi per il confronto.
64455551500
Il prodotto che stai visualizzando fa riferimento a questi numeri
- Porsche 911 1965-1968 2.0L / 912 SWB (F)
- Porsche 911 1968-1973 2.2L / 2.4L / 2.7L RS LWB (F)
- Porsche 911 1974-1977 2.7L / 1976-77 3.0 Carrera
- Porsche 911 1978-1983 3.0L / SC
- Porsche 911 1984-1986 3.2L
- Porsche 911 1987-1989 3.2L G50
- Porsche 911 1975-1977 3.0L Turbo (930)
- Porsche 911 1978-1989 3.3L Turbo (930)
- Porsche 964 (911) C2 1989-93
- Porsche 964 (911) C4 1989-93
- Porsche 964 (911) RS 3.6L 1991-93
- Porsche 964 (911) RS 3.8L 1991-93
- Porsche 964 (911) TURBO 3.3L 1991-93
- Porsche 964 (911) TURBO 3.6L 1991-93
- Porsche 993 (911) C2 1994-97
- Porsche 993 (911) C4 1994-97
- Porsche 993 (911) RS 1994-97
- Porsche 993 (911) C2S 1994-97
- Porsche 993 (911) C4S 1994-97
- Porsche 993 (911) TURBO 1994-96
- Porsche 993 (911) GT2 1994-97
- Porsche 993 (911) TURBO S 1994-97
Inserire il rivestimento del tettuccio apribile a morsetto.

Si adatta:
Porsche 911 - dal 1965 al 1989
Porsche 964 - dal 1989 al 1994
Porsche 993 - dal 1994 al 1998
Fai clic su "Ingrandisci" per il diagramma delle parti di grandi dimensioni.
Diagramma rif. 42
Numeri di riferimento correlati
Numeri correlati, sostituiti, riferimenti incrociati o alternativi per il confronto.
9015642990F
Il prodotto che stai visualizzando fa riferimento a questi numeri
- Porsche 911 1965-1968 2.0L / 912 SWB (F)
- Porsche 911 1968-1973 2.2L / 2.4L / 2.7L RS LWB (F)
- Porsche 911 1974-1977 2.7L / 1976-77 3.0 Carrera
- Porsche 911 1978-1983 3.0L / SC
- Porsche 911 1984-1986 3.2L
- Porsche 911 1987-1989 3.2L G50
- Porsche 911 1975-1977 3.0L Turbo (930)
- Porsche 911 1978-1989 3.3L Turbo (930)
- Porsche 964 (911) C2 1989-93
- Porsche 964 (911) C4 1989-93
- Porsche 964 (911) RS 3.6L 1991-93
- Porsche 964 (911) RS 3.8L 1991-93
- Porsche 964 (911) TURBO 3.3L 1991-93
- Porsche 964 (911) TURBO 3.6L 1991-93
- Porsche 993 (911) C2 1994-97
- Porsche 993 (911) C4 1994-97
- Porsche 993 (911) RS 1994-97
- Porsche 993 (911) C2S 1994-97
- Porsche 993 (911) C4S 1994-97
- Porsche 993 (911) TURBO 1994-96
- Porsche 993 (911) GT2 1994-97
- Porsche 993 (911) TURBO S 1994-97
Adatto a:
Porsche 911 1965-89 Coupé
Porsche 964 1989-94 Coupé
Porsche 993 1995-98 Coupé
Fare clic su "Ingrandisci" per visualizzare lo schema delle parti più grandi.
Diagramma rif. n. 9
Numeri di riferimento correlati
Numeri correlati, sostituiti, riferimenti incrociati o alternativi per il confronto.
90155551320
Il prodotto che stai visualizzando fa riferimento a questi numeri
- Porsche 911 1965-1968 2.0L / 912 SWB (F)
- Porsche 911 1968-1973 2.2L / 2.4L / 2.7L RS LWB (F)
- Porsche 911 1974-1977 2.7L / 1976-77 3.0 Carrera
- Porsche 911 1978-1983 3.0L / SC
- Porsche 911 1984-1986 3.2L
- Porsche 911 1987-1989 3.2L G50
- Porsche 911 1975-1977 3.0L Turbo (930)
- Porsche 911 1978-1989 3.3L Turbo (930)
- Porsche 964 (911) C2 1989-93
- Porsche 964 (911) C4 1989-93
- Porsche 964 (911) RS 3.6L 1991-93
- Porsche 964 (911) RS 3.8L 1991-93
- Porsche 964 (911) TURBO 3.3L 1991-93
- Porsche 964 (911) TURBO 3.6L 1991-93
- Porsche 993 (911) C2 1994-97
- Porsche 993 (911) C4 1994-97
- Porsche 993 (911) RS 1994-97
- Porsche 993 (911) C2S 1994-97
- Porsche 993 (911) C4S 1994-97
- Porsche 993 (911) TURBO 1994-96
- Porsche 993 (911) GT2 1994-97
- Porsche 993 (911) TURBO S 1994-97
Adatto a:
Porsche 911 Coupè 2.0-3.3 01/63-07/89
Porsche 964 Coupé 3.3-3.6 12/88-09/93
Porsche 993 Coupé 3.6-3.8 10/93-09/97
Diagramma rif. n. 7, 8 e 9
Numeri di riferimento correlati
Numeri correlati, sostituiti, riferimenti incrociati o alternativi per il confronto.
90155551320
Il prodotto che stai visualizzando fa riferimento a questi numeri
- Porsche 911 1965-1968 2.0L / 912 SWB (F)
- Porsche 911 1968-1973 2.2L / 2.4L / 2.7L RS LWB (F)
Adatto a:
Porsche 911 Coupé - dal 1968 al 1971
Diagramma rif. n. 7
Numeri di riferimento correlati
Numeri correlati, sostituiti, riferimenti incrociati o alternativi per il confronto.
90150222002
Il prodotto che stai visualizzando fa riferimento a questi numeri
Ripara o restaura il tuo veicolo con tettuccio rigido con i pannelli del tetto Coupé e i rinforzi di Design911.
Offriamo rivestimenti del tetto in acciaio, alluminio e fibra di carbonio, insieme a rinforzi interni, isolamento acustico e rivestimenti del padiglione, tutti realizzati secondo le dimensioni originali per un restauro impeccabile o un aggiornamento personalizzato.
Cosa fanno questi prodotti
Tetti coupé:
- Conferisce rigidità strutturale alla scocca.
- Proteggere la cabina dalle intemperie e dal rumore.
- Definire la resistenza e il profilo aerodinamico del veicolo.
Motivi del fallimento
- Danni al rivestimento del tetto dovuti a incidenti o ribaltamenti.
- Corrosione attorno ai gocciolatoi o alle giunzioni.
- L'esposizione al sole e al calore causa scolorimento o screpolature.
Perché sostituire
- Ripristinare l'integrità della struttura del veicolo e della linea del tetto.
- Migliorare l'isolamento e l'estetica della cabina.
- Preparare la carrozzeria per la verniciatura o per il restauro completo.