non premere il tasto di ritorno…
-
Parti del motore
-
- Componenti elettrici del motore Alternatore/generatore Batterie e caricabatterie Valvola di avviamento a freddo Distributore Cappuccio distributore Bracci del rotore / serie di puntine Relè/fusibili Bobina di accensione Centraline di accensione Serie di cavi d'accensione Cavo di accensione ad alte prestazioni tutte le categorie
-
- Parti di ricostruzione del motore Albero intermedio (IMS) Componenti del sistema dell'olio Parti del sistema di alimentazione del carburante Guarnizioni e set Guarnizione radiale/RMS/albero a camme/albero di bilanciamento Cinghie/tenditori/rulli Catene e tenditori Coperchi distribuzione e guarnizioni Cuscinetti/calotte del motore Valvole/guide/molle del motore Bilancieri Viti prigioniere del motore Supporti del motore Fasce elastiche dei pistoni Cilindri/camicie/pistoni del motore Biella Testata Albero a camme e parti Alberi a camme Ingranaggi/ruote dentate e fissaggi dell'albero a camme Parti del carter Albero a gomiti e parti tutte le categorie
-
Freni
-
- Freni Pastiglie dei freni e pacchetto dischi Pastiglie dei freni e pacchetto dischi SPORT Disco del freno standard Pastiglie dei freni standard Disco del freno SPORT Freni standard Brembo Freni Brembo Racing Freni TEXTAR Freni da gara PAGID Freni Zimmermann Freni a disco Wilwood Freni EBC Freni ad alte prestazioni Black Diamond Spessori anti-vibrazioni per pastiglie dei freni Bulloni della pinza / viti del disco Kit perni e piastre guida Tubi flessibili per freni ad alte prestazioni Tubi flessibili per freni standard Pinza e condotti del freno Pinze dei freni Aggiornamenti delle pinze dei freni Ganasce del freno a mano tutte le categorie
-
-
Sospensioni e sterzo
-
- Sospensione e assale Barra antirollio Boccole della barra antirollio Staffa della barra antirollio Giunti a sfera Stabilizzatori e boccole ANTERIORI Stabilizzatori e boccole POSTERIORI Ammortizzatori ANTERIORI Parti degli ammortizzatori ANTERIORI Ammortizzatori POSTERIORI Parti degli ammortizzatori POSTERIORI Bracci oscillanti ANTERIORI tutte le categorie
-
Trasmissione
-
- Cambio / trasmissione Kit frizione Kit frizione - alte prestazioni Piastra di attrito frizione Spingidisco frizione Cuscinetti di rilascio della frizione Cavi e parti della frizione Tubo di guida della frizione Corona dentata della frizione Forcelle e leve della frizione Bulloni della frizione Parti del cambio Alberi di trasmissione e parti Serie di guarnizioni del cambio Supporti del cambio Parti di controllo del cambio Volano/coppia Kit giunti omocinetici Cuffie e kit giunto omocinetico Albero cardanico / albero di trasmissione Parti della trasmissione Olio del cambio Coppa del cambio / coppa dell'olio tutte le categorie
-
-
Raffreddamento e riscaldamento
-
- Riscaldamento/climatizzazione Condensatori ed essiccatori per climatizzazione Evaporatori dell'aria condizionata e valvole di espansione Tubi per climatizzazione Cinghie per climatizzazione Ventole e cappottature Compressori Alette del riscaldatore Motori e ventole per soffianti Soffianti del riscaldatore Tubi flessibili e tubi del riscaldatore Cavi del riscaldatore Bocchette di ventilazione / griglie Controllo della climatizzazione Alloggiamenti riscaldamento/climatizzazione
-
-
Elettrico e illuminazione
-
- Componenti elettrici e relè Pompe del carburante Interruttore luce di frenata Interruttore freno e frizione Interruttore del freno a mano Interruttore della luce di retromarcia Interruttore dei fari Interruttore del finestrino Motori del finestrino Meccanismo del finestrino Motore del tergicristallo Clacson elettrico Unità di controllo SmartTop Interruttore di accensione Interruttore freccia / leva tergicristallo Interruttore tetto / tettuccio apribile Relè / fusibili Pompe/contenitori/getti per lavavetri Allarmi/sicurezza/chiusura centralizzata Centraline elettroniche Interruttori tergicristallo Parti e interruttori del cruscotto / della console Attivatori e motorini cofano / portello posteriore / spoiler tutte le categorie
-
- Illuminazione Fari per guida a destra Fari per guida a sinistra Parti e lenti dei fari Kit luci HID Indicatori di direzione anteriori Indicatori di direzione posteriori per guida a destra Indicatori di direzione posteriori per guida a sinistra Fari fendinebbia / di guida Ripetitori laterali Luci della targa Luci centrali / riflettori posteriori tutte le categorie
-
-
Corpo e scarico
-
- Telaio / Carrozzeria Restauro telaio / Riparazione pannelli Ammortizzatore del coperchio del cofano motore Ammortizzatore del portello del bagagliaio Cofani / serrature e chiavistelli Bagagliaio / portello posteriore / serrature e chiavistelli Portello posteriore / portellone Paraurti anteriori Paraurti posteriori Porte / serrature e chiavistelli Pannelli per porte | Cerniere | Piastre percussori Alzacristalli Parafanghi anteriori e parti Parafanghi posteriori e parti Pannelli sottoporta laterali Modanature esterne del telaio Specchietti e parti Pellicole/adesivi parasassi Sottoscocche telaio e motore Spazzole/bracci dei tergicristalli Bracci e spazzole tergicristallo posteriori Tetto - Cabrio / Targa / Coupé Scocca di protezione tutte le categorie
-
-
Scarichi
Silenziatori / Marmitte Sportivi
2 INGRESSI / 1 USCITA
Silenziatori di serie 2 INGRESSI / 1 USCITA
Silenziatori Sportivi 2 INGRESSI / 2 USCITE
Silenziatori Sportivi Silenziatori/marmitte Collettore/collettori Terminali di scarico Scambiatori di calore Pacchetto di scarico Guarnizioni di scarico Dadi/bulloni/prigionieri di scarico tutte le categorie
-
Scarichi
Silenziatori / Marmitte Sportivi
2 INGRESSI / 1 USCITA
-
-
Lubrificanti e fluidi
-
- Parti di ricambio Filtri dell'olio Filtri dell'aria Filtri del carburante Cinghie di tutti i tipi Candele Candele IRIDIUM POWER Candele IRIDIUM RACING Bobine di accensione Spazzole/bracci dei tergicristalli Bracci e spazzole tergicristallo posteriori Parti di ricambio della scatola del cambio Olio motore Porsche Classic Olio motore e lubrificanti - Mobil Olio motore e lubrificanti - Total Olio motore e lubrificanti - Castrol Olio Motore e Lubrificanti - Motul Olio motore e lubrificanti - Millers Oils NanoDrive Olio motore e lubrificanti - Millers Oils Additivi per carburanti DPI per autofficina
-
-
Tutte le parti
-
- Parti Accessori Telaio / Carrozzeria Freni Abbigliamento e regali Componenti elettrici e relè Raffreddamento del motore Componenti elettrici del motore Parti di ricostruzione del motore Parti per alte prestazioni Scarichi Linea esterni / spoiler Cambio / trasmissione Riscaldamento/climatizzazione Componenti idraulici Interni e accessori Incar / multimedia Illuminazione Tappetini e tappeti Motorsport e fuoristrada Pedaliera Guarnizioni di gomma Sedili e cinture di sicurezza tutte le categorie
-
- Back to main website
Inserisci il tuo numero di partiva IVA qui e fai clic su Verifica:
Nessuna necessità di inserire la parte del numero di partita IVA relativa al codice del paese poiché questa è già stato selezionata nel predetto indirizzo di fatturazione.
I tuoi dati sono stati verificati. Numero di partita IVA registrato a:
,
.
Al tuo ordine sarà applicata un’aliquota pari a zero ai fini dell’IVA. Ci riserviamo il diritto di verificare questi dettagli dopo che la tua richiesta d’ordine è stata fatta e di reintegrare l’IVA se necessario.
I tuoi dati IVA non sono stati riconosciuti o non erano validi. Il tuo numero di partita IVA deve corrispondere al tuo paese di fatturazione come specificato sopra. Attualmente è specificato come . Non occorre inserire inserire la parte del numero di partita IVA relativa al codice del paese poiché questa è già stato selezionata nei dettagli del predetto indirizzo di fatturazione.
Il servizio di verifica della partita IVA è attualmente offline. Per favore fornisci i tuoi dati IVA all’interno dei commenti o nel campo delle istruzioni speciali sotto e noi applicheremo uno sconto IVA dopo aver fatto la richiesta d’ordine.
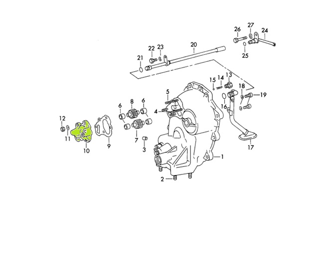
Pompa dell'olio
Pompa dell'olio
- Porsche 911 1968-1973 2.2L / 2.4L / 2.7L RS LWB (F)
- Porsche 911 1974-1977 2.7L / 1976-77 3.0 Carrera
Adatto a:
Porsche 911 2.7 RS / RSR Auto da corsa
Per cambio da corsa 915 (5 marce)
Questo articolo sostituisce il diagramma di riferimento n. 10
Numeri di riferimento correlati
Numeri correlati, sostituiti, riferimenti incrociati o alternativi per il confronto.
9153073032R
Il prodotto che stai visualizzando fa riferimento a questi numeri
Pompe dell'olio del cambio Porsche | Lubrificazione affidabile per una trasmissione più longeva
La pompa dell'olio del cambio svolge un ruolo fondamentale nel garantire la lubrificazione e il raffreddamento continui del sistema di trasmissione della tua Porsche. Facendo circolare l'olio del cambio sotto pressione, previene l'attrito, l'accumulo di calore e l'usura prematura di ingranaggi, cuscinetti e componenti del sincronizzatore. Una pompa dell'olio correttamente funzionante è essenziale per mantenere cambi di marcia fluidi, un trasferimento efficiente della coppia e un'affidabilità della trasmissione a lungo termine.
Noi di Design911 forniamo pompe dell'olio per cambi di precisione, progettate per soddisfare o superare le specifiche prestazionali originali. Ogni pompa è realizzata con materiali durevoli e resistenti al calore e testata per garantire la costanza del flusso, garantendo una lubrificazione ottimale in tutte le condizioni di guida.
Che si tratti di riparare un cambio manuale o PDK, ricostruire un cambio o sostituire un componente usurato, le nostre pompe dell'olio per cambi Porsche garantiscono un funzionamento regolare e protezione per trasmissioni ad alte prestazioni.
A cosa servono le pompe dell'olio del cambio?
Le pompe dell'olio del cambio garantiscono che i componenti interni vitali ricevano un apporto costante di olio pulito e pressurizzato, riducendo l'attrito ed evitando il surriscaldamento durante i cambi di marcia e la guida prolungata.
Funzioni principali:
- Far circolare e pressurizzare l'olio del cambio per la lubrificazione interna.
- Distribuire l'olio agli ingranaggi, agli alberi e ai sincronizzatori per un funzionamento regolare.
- Rimuovere il calore generato dall'attrito all'interno della trasmissione.
- Mantenere una pressione dell'olio costante in base al regime di giri e al carico.
- Migliora la longevità complessiva e l'efficienza del cambio.
Senza una pompa dell'olio che funzioni correttamente, le parti mobili vitali rimangono scoperte, causando attrito, rumore e, infine, danni al cambio.
Perché le pompe dell'olio del cambio si guastano o si usurano?
Le pompe dell'olio del riduttore operano sottoposte a continue sollecitazioni meccaniche, calore e pressione del fluido. Nel tempo, la normale usura e la contaminazione possono ridurne le prestazioni e l'affidabilità.
Le cause più comuni di guasto includono:
- Contaminazione dell'olio dovuta a particelle metalliche o fanghi.
- Ingranaggi o rotori usurati che riducono l'efficienza del flusso dell'olio.
- Passaggi dell'olio ostruiti che limitano la lubrificazione.
- Guasto della guarnizione che provoca perdita di pressione interna.
- Il calore eccessivo o l'olio del cambio di scarsa qualità possono danneggiare i componenti della pompa.
Quando una pompa si guasta, i sintomi includono rumore del cambio, difficoltà di cambio marcia, surriscaldamento o perdite d'olio visibili, tutti segnali che indicano la necessità di una sostituzione immediata.
Perché sostituire la pompa dell'olio del cambio della tua Porsche?
La sostituzione di una pompa dell'olio del cambio usurata o poco performante ripristina una lubrificazione ottimale, previene il surriscaldamento e garantisce prestazioni costanti della trasmissione. Le pompe ad alte prestazioni offrono anche portate più elevate, ideali per il motorsport o per applicazioni gravose.
Vantaggi principali:
- Ripristina la lubrificazione completa del cambio e l'efficienza del raffreddamento.
- Previene danni da attrito, usura e carenza di olio.
- Migliora la fluidità del cambio e la stabilità termica.
- Prolunga la durata della trasmissione e dei cuscinetti.
- Prodotto con precisione per un'affidabilità a lungo termine.
- Compatibile con trasmissioni manuali, automatiche e PDK Porsche.
Si consiglia vivamente di sostituire la pompa dell'olio durante la revisione del cambio per garantire una lubrificazione uniforme e proteggere i componenti nuovi o ricondizionati.
Punti salienti
- Pompe dell'olio per cambi Porsche di precisione.
- Mantiene una pressione e una portata dell'olio costanti.
- Previene l'accumulo di calore e l'usura dei componenti.
- Ideale per ricostruzioni, manutenzione o miglioramenti delle prestazioni.
- Progettato per Porsche 911, Cayman, Boxster, Panamera e altre ancora.
- Affidabili, durevoli e progettati per applicazioni ad alte prestazioni.
-
Cuscinetti/Piastre di fissaggio dei cuscinetti/Boccole
-
Ingranaggi del cambio/corona e pignone
-
Anello sincronizzato del cambio / Fascia freno / Denti di cane
-
Manicotto operativo/cursore e parti
-
Ancoraggi/fermi/blocchi del cambio
-
Forcelle/alberi selettori
-
Interruttori/Selettori
-
Flangia dell'albero di trasmissione
-
Parti della scatola del cambio/della scatola del cambio
-
Piastra di copertura laterale
Lunedì-venerdì: 8.30-17.30 (GMT) Sabato: chiuso Domenica: chiuso